Все преимущества и недостатки светодиодных ламп
Вокруг эффективности использования светодиодных ламп по-прежнему продолжаются многочисленные споры. Неугасающая волна противоречий остаётся на высоком уровне, благодаря продолжающемуся стремительному развитию твердотельных источников света, что порождает новые преимущества и недостатки. Пять лет назад покупатели делали выбор светодиодных ламп всего по трем основным критериям: стоимость, мощность светового потока и срок службы. Сегодня покупатель подходит к выбору более осознанно — перед походом в магазин электротоваров он пытаются узнать подробности о новинке из интернета.
Предлагаем внимательно рассмотреть обе стороны медали, чтобы помочь сориентироваться в многообразии продукции и сделать собственные выводы относительно необходимости перехода на светодиодное освещение.
Достоинства
Низкое энергопотребление, дополненное огромным сроком службы, колоссальной светоотдачей и экологичностью – это четыре неоспоримых плюса, благодаря которым лампы на основе светодиодов сегодня выходят в лидеры. Оспаривать этот факт сложно. Но нужно учесть, что каждое из перечисленных преимуществ сопровождается поправками, которые добавляют серых тонов в красочную картину.
Потребление электроэнергии в 9 раз меньше, чем у ламп накаливания! Цифры с указанием малой мощности потребления ярко красуются на упаковке. Но соответствуют ли они действительности? Не всегда. Если рассматривать китайские безымянные образцы, то можно обнаружить, что замеры потребления тока, с последующим вычислением мощности, показывают отличающиеся в худшую сторону от заявленного значения результаты. Умышленно завышая ток, нечестные производители добиваются повышения светоотдачи кристалла. При этом КПД падает, и время работы светильника уменьшается в разы от заявленного. А это уже недостаток. Но этот недостаток, как правило, присущ только дешевым китайским образцам.
Срок службы 30–50 тыс. часов! Да, это намного больше, чем у предшественников и это действительно серьезное преимущество. Заявленная цифра соответствует действительности только при эксплуатации светодиода в лабораторных условиях, т. е. при температуре кристалла около 25 °C. В реальности это невыполнимо и, в лучшем случае, температура p-n перехода не превысит отметку в 75°C. Если в конструкции лампы предусмотрен качественный стабилизатор тока и эффективный теплоотвод от светодиодов, то 30 тыс. ч. она прослужит, при этом первые 10 тыс. ч. – с минимальной потерей яркости. В противном случае время наработки на отказ резко сокращается. Отдельно стоит упомянуть о деградации светодиодов – необратимом процессе снижения их уровня светового потока от времени. То есть чем дольше работает светильник со светодиодной лампой, тем менее ярко он светит. Ввиду высокой продолжительности срока службы, производителями светодиодных ламп исследования в области деградации светового потока не производятся. А если и производятся, то в ускоренном режиме. Поэтому производители не могут точно сказать через какое время лампы станут светить менее ярко на 10%, а через какой на все 30% и ее нельзя будет использовать. Такое вот преимущество…
Что делать, если LED лампа перестала светить? Ремонтировать! Это ещё один плюс, которого нет у галогенок и ламп накаливания. Во время эксплуатации может образоваться холодный контакт на пайке или перегореть резистор. Разборный корпус позволяет добраться до любого узла и, приложив немного усилий, восстановить работу изделия.
Цветовая температура классической лампы накаливания составляет 2800°K, что сближает её с естественным солнечным излучением в вечернее время. Светодиодный источник может излучать свет в широком диапазоне – начиная от 1800°K и перешагивая границу в 6000°K. В зависимости от назначения потребитель может подобрать светодиодную лампу любого тона: холодного, нейтрального, тёплого. 
Неоспоримым достоинством ламп на основе светодиодов является возможность дублирования форм-фактора любого другого осветительного прибора. В результате такой модернизации рынок наводнили светодиодные лампы с широко используемыми стандартными цоколями: Е14, Е27, G4, G5 и прочие. Пластиковый корпус с температурой нагрева не более 60°C – это удобно и безопасно.
LED технология не оставила в стороне и автомобильную отрасль. Высокая светоотдача и холодный свет мощных белых светодиодов бросили вызов ксеноновому освещению. В автомобилях премиум-класса переход на новый тип фар вполне оправдан, т. к. стоимость автомобиля уходит на второй план, уступая дизайну, комфорту и надёжности.
С учётом вышесказанного основополагающим критерием выбора светодиодной лампы должен стать её производитель. Только качественному продукту будут присущи все выше перечисленные преимущества.
Недостатки
Есть у светодиодных ламп один существенный минус, который тормозит их повсеместное распространение и вытекает в существенный недостаток. Это высокая стоимость. В странах с низким уровнем дохода у населения нет средств, чтобы купить светодиодные лампы для дома, а государство отказывается вкладывать средства в модернизацию уличного и промышленного освещения, продолжая трансформировать мегаватты энергии в тепло. Сегодня многие люди не желают отдавать деньги за современную лампочку и ждать несколько лет, когда она окупится, и будет приносить выгоду от экономии электроэнергии.
Этому факту есть ещё одно объяснение – низкое качество дешёвых китайских изделий, которые подрывают репутацию светодиодных ламп. Рынки европейских стран наводнены китайскими лампочками, у которых, то технические характеристики завышены, то вместо качественного драйвера вмонтирован обычный диодный выпрямитель. В итоге надёжность изделия снижается в разы.
К недостаткам можно отнести и тот факт, что количество выпускаемой светодиодной продукции в России ничтожно мало по сравнению с аналогичным товаром, который поступает из Китая. К тому же цена отечественных светодиодных ламп выше, что отталкивает многих покупателей.
Среди недостатков светодиодных ламп, которые присущи всем типам изделий, стоит выделить следующие:
- деградация кристалла, в результате чего он постепенно, из года в год, теряет яркость;
- нейтральный и холодный белый свет подавляет выделение гормона мелатонина, который отвечает за регуляцию сна;
- применение понижающего преобразователя с функцией стабилизации тока, что ведёт к удорожанию изделия.
К минусам, которые, как правило, присущи дешевым китайским изделиям относятся:
- высокий коэффициент пульсации;
- не комфортная цветовая температура;
- плохие цветовые характеристики;
- не соответствие светового потока и эквивалента лампе накаливания.
Невзирая на присущие минусы, твердотельные источники света уверенно пробивают себе путь в будущее. Поэтому продолжать медлить с покупкой – не есть здравое решение. Просто нужно ближе познакомиться с нынешними возможностями светодиодных ламп, которые можно найти на страницах нашего журнала.
Читайте так жеledjournal.info
Преимущества светодиодных ламп

Преимущества светодиодных ламп сделали их популярными во всем мире. Они значительно выгоднее в использовании, чем привычные для нас лампы накаливания или светильники дневного света.
Освещение. В отличие от других световых приборов, светодиоды «включаются» на полную мощность сразу, без прогрева. Еще одно из важных преимуществ светодиодных светильников – возможность плавно управлять цветом и яркостью с помощью пульта.
Срок службы. Одно из весомых преимуществ светодиодных ламп перед остальными в том, что они не могут перегореть в принципе, так как в них нечему перегорать. В отличие от обычных светильников срок службы светодиода – 25 лет!
Безопасность. Один их важных плюсов светодиодных ламп – их экологичность. Светодиоды не содержат вредных веществ для человека и природы.
Экономия. Светодиоды при той же освещенности расходуют намного меньше электричества, чем лампочки накаливания.
Напряжение. Один из плюсов светодиодных ламп – большой диапазон рабочих напряжений, с нижним порогом в 80 и верхним — до 230 вольт. Даже если напряжение в вашей домашней сети упадет, они будут продолжать работать, лишь слегка уменьшив яркость. И это не все плюсы светодиодных ламп: они не требуют технического обслуживания, пусковой аппаратуры, а рабочее напряжение не превышает 12 В, что исключает возникновение коротких замыканий и возгораний.
Потери. Обычные лампы накаливания лишь часть потребляемой энергии преобразуют в свет, остальная же выделяется в виде тепловой энергии, нагревая воздух. Преимущества светодиодных светильников заключаются также и в том, что исключается расход на нагрев помещения. Всю потребляемую энергию они преобразуют в свет. С светодиодными лампами вы сможете сэкономить до 92% электроэнергии.
Помехи. Люминесцентное освещение, ранее широко распространенное в служебных помещениях, например, офисах, поликлиниках, при работе сильно шумит. И здесь преимущества светодиодных ламп неоспоримы – они работают совершенно беззвучно, и могут применяться там, где тишина — обязательное условие, например, в больницах.
Отсутствие УФ-излучения. Светодиоды не излучают в УФ-спектре, а, значит, не привлекают насекомых (в отличие от остальных осветительных приборов).
Обычная утилизация. Отработавшие лампы можно просто выбросить, а не подвергать утилизации.
Отсутствие ртути. Не содержат ртуть, это ядовитое вещество, которое относится к 1 классу опасности.
Отсутствие мерцания. Преимущества светодиодных светильников дополняются отсутствием мерцания, исключая зрительную усталость.
Контрастность. Светодиодные лампы характеризуются высокой контрастностью, обеспечивают лучшую цветопередачу и четкость освещаемых объектов.
design-homes.ru
Светодиодные лампы — плюсы и минусы
Категория: Источники освещения
В последнее время все большую популярность набирают светодиодные лампы освещения. Это стало следствием усовершенствования процесса изготовления полупроводниковой продукции, в результате чего, LED-лампы стали более доступными для рядовых потребителей.
Основные достоинства светодиодных ламп – это энергоэффективность и огромный срок службы. Источники света на основе полупроводниковой технологии работают до 20 раз дольше, чем любые другие аналоги.
Хотя, светодиоды уже давно являются важным элементом, используемым в электронике (индикаторы в бытовых приборах и тд), но только недавно они завоевали популярность в сфере освещения, благодаря появлению мощных и эффективных LED-ламп, генерирующих свет достаточно сильный, чтобы использовать их как равноценные заменители ртутным люминесцентным, энергосберегающим флуоресцентным и даже лампам накаливания.
В настоящий момент на рынке представлены светодиодные лампы, достаточно мощные для использования их в качестве основных источников освещения в квартирах и частных домовладениях, офисах и промышленных объектах, уличном или парковом освещении, и даже архитектурной подсветки офисных зданий, стадионов и других объектов инфраструктуры.

Принцип работы светодиодов
Видимый свет определяется, как волны, движущиеся с постоянной скоростью (в вакууме). Точнее говоря, свет состоит из частиц с нулевой массой и представляет собой энергию, высвобождаемую электронами, движущимся внутри орбит атома. Столетие назад это свойство атомов было обнаружено сэром Исааком Ньютоном, он назвал эти легкие частицы фотонами – фундаментальными единицами света.
Материалом, используемым в светодиодах, в основном, является сплав алюминий-галлий-арсенид (AlGaAs). В исходном состоянии атомы этого материала сильно связаны. Без свободных электронов прохождение электричества здесь становится невозможным. Проблема решается добавлением полупроводниковой примеси – процесс, известный как легирование. Вводятся лишние атомы, эффективно нарушающие баланс материала и позволяя свободным электронам перемещаться по различным атомным орбитам. Побочный эффект этого – выделение света (люминисценция).
Различные длины испускаемых волн и определяют возможность получения широкой цветовой гаммы испускаемого света, что только дополняет все преимущества светодиодных ламп.
Стоит отметить, что ширина цветового диапазона у светодиодных ламп огромна – от 2500 К до 10000 К по шкале цветовых температур. Этим объясняется возможность применения таких ламп в помещениях различного назначения – от офисов, больниц и промышленных объектов до квартир и подсветки растений.

Преимущества и недостатки LED-ламп
Основные плюсы светодиодных ламп:
- длительный срок службы. Это основное преимущество светодиодных ламп. Ресурс светодиодов – от 50000 до 100000 часов службы, что эквивалентно 10-11 годам беспрерывной работы. Это впечатляющие цифры, особенно, в сравнении с классической лампой накаливания, имеющей ресурс в 300-1000 часов. Столь продолжительный срок службы, компенсирует и оправдывает относительно высокую стоимость светодиодных ламп;
- энергоэффективность. Светодиоды — наиболее энергосберегающий источник освещения. Уровень их энергопотребления весьма низок не только, в сравнении с лампами накаливания. Энергосберегающие люминесцентные или ртутные также не могут конкурировать со световой эффективностью светодиодов, в которых 80% электроэнергии преобразуется в свет и только 20% теряется и преобразуется в тепло. Для сравнения эффективность лампы накаливания находится на уровне 5-10%, вся остальная энергия выделяется с тепловым излучением. Так что, светодиодная лампа, мощностью в 10-12 Вт, будет равносильна лампе накаливания в 100 Вт. Соответственно, эффект экономии электроэнергии превышает отметку в 8-10 раз;
- устойчивость к повреждениям и перепадам температур. В отличие от традиционного освещения, преимущество светодиодного заключается в том, что оно не содержит тонких нитей накаливания или стеклянных элементов корпуса, которые очень чувствительны к повреждениям. Обычно при создании светодиодной лампы используются высококачественные пластмассы и алюминиевые детали, что гарантирует устойчивость к повреждениям и перепадам температур;
- теплопередача. Светодиоды, по сравнению с традиционным освещением, генерируют небольшое количество тепловой энергии из-за их высокой эффективности. Этот фактор исключает не только ненужные потери электроэнергии на обогрев, но и является важным в обеспечении безопасности. Светодиодные лампы, не перегреваются и не могут нанести повреждения, например, ребенку, при контакте с ними. Отсутствие перегрева – еще и гарантия пожаробезопасности, исключающая возможность появления открытого огня из-за чрезмерного нагрева лампы;
- экология. Преимущество светодиодного освещения заключается также в том, что светодиоды не содержат токсичных материалов, таких как ртуть и другие тяжелые металлы, опасные для окружающей среды, в отличие от энергосберегающих ламп. Они не только не имеют негативного воздействия на организм человека, но и могут легко и безопасно утилизироваться, без ущерба для окружающей среды;
- размер. Светодиодные лампы могут быть выполнены в разных размерах и формах. Это значительно расширяет сферу их применения – от маленьких источников света в системах подсветки, до форм, напоминающих классическую лампу накаливания;
- фокус. Конструкция светодиодной лампы может быть выполнена так, чтобы фокусировать свет в определенном направлении. Лампы накаливания и флуоресцентные источники часто требуют внешнего отражателя для сбора света и направления его в удобном для использования виде. Это свойство полезно при разработке направленной подсветки рабочей зоны на кухне или письменного стола, например;
- время отклика. Светодиодные лампы достигают максимального уровня светимости моментально, после их включения и не требуют разогрева, как ртутные лампы.
- цикличность. Светодиоды не подвержены поломкам и выходу из строя из-за частого их включения-выключения.

Основные минусы светодиодных ламп:
- стоимость. Один из наиболее существенных недостатков светодиодных ламп. Хотя развитие полупроводниковой индустрии идет огромными темпами, светодиоды и сегодня, все еще относительно дорогостоящи, в сравнении с аналогами. Однако, отсутствие необходимости в частой замене и высокая энергоэффективность, успешно компенсирует высокую цену LED-ламп;
- габариты. Мощные светодиодные лампы имеют достаточно большие размеры. Это является следствием наличия в них специального радиатора, обеспечивающего отвод выделяемого тепла от светодиода. Хотя, эффективность LED высокая, диоды работают некорректно при температуре выше 60 градусов по Цельсию. Наличие радиатора – является и причиной того, что такие лампы нельзя устанавливать в светильники закрытого типа, куда отсутствует свободный доступ воздуха. Эти недостатки светодиодных ламп, не позволяют их эффективно использовать повсеместно;
- качество цветопередачи. Потребители жалуются на то, что LED-лампы испускают неприятное для восприятия свечение, но в этой области не всё так плохо;
- необходимость LED-драйвера – специализированного блока питания, обеспечивающего стабильность в импульсном энергоснабжении светодиодной лампы. Этот фактор дополнительно способствует увеличению общей стоимости освещения. Дополняет минусы светодиодных ламп – необходимость установки блока питания, где он будет скрыт от глаз, но доступен, в случае внезапной поломки;
- потускнение и мерцание светодиодов – неприятные последствия деградации светоизлучающего кристалла, который со временем теряет свои первоначальные свойства.
- трудность замены. Если один диод в лампе перегорел, заменить его проблематично, а часто и невозможно.

Резюме
Несомненно, что преимущества светодиодных ламп, перекрывают недостатки. Постоянное развитие и совершенствование технологий в изготовлении LED-ламп, способствует повышению эффективности и снижению стоимости. Высокая степень энергоэффективности – актуальный аспект в условиях постоянного повышения цен на энергоносители, включая электроэнергию. Можно обсуждать преимущества и недостатки этой технологии в освещении, но стоит помнить, энергосберегающие технологии – это будущее, а эпоха повсеместного распространения ламп накаливания подходит к концу.
simplelight.info
Светодиодные светильники: преимущества и недостатки
greenvolt.ru 22198- Рейтинг: 0.0 из 5
- 0.0
- 0.0
- 0.0
- 0.0
- 0.0
Светодиодные лампы и светильники все больше входят в повседневную жизнь для окончательного решения по использованию LЕD-технологий необходимо знать их достоинства и недостатки.
Всего несколько лет назад светодиодные источники света использовались в основном для декоративного освещения и подсветки. Развитие и совершенствование технологий производства кристаллических полупроводниковых материалов привело к появлению ряда ценных преимуществ у светодиодных светильников, расширению области их применения и увеличению доли на рынке.

Современные светодиодные светильники: анализ основных преимуществ и недостатков
К достоинствам LED-приборов относятся:
- Низкое энергопотребление.
Энергосберегающие светодиодные лампы потребляют в 2-8 раз меньше электрической энергии, чем другие искусственные источники света. - Большой срок службы.
Современные светодиодные системы способны функционировать до 50000-100000 часов (10-25 лет работы) без изменения первоначальных параметров качества освещения. Это примерно в 100 раз превышает показатель срока эксплуатации у ламп накаливания и в 12 раз у люминесцентных светильников. - Возможность управления уровнем освещенности и качеством излучения.
Светодиодные комплексы, дополненные регуляторами, датчиками и камерами преобразуются в интеллектуальную систему освещения, позволяющую регулировать параметры яркости светового потока, изменять его направление и управлять массивами светодиодов. - Безопасность.
В конструкции светодиодного светильника отсутствуют вредные и опасные компоненты (ртуть, аргон, неон, криптон), что обеспечивает экологическую и противопожарную безопасность его эксплуатации и не требует специальных условий для утилизации. - Качество освещения.
Свет, излучаемый полупроводниковыми материалами, максимально приближен к естественному дневному излучению, характеризуется высоким уровнем цветопередачи и чистотой, отсутствием пульсации светового потока, инфракрасных и ультрафиолетовых лучей. Комбинации различных светодиодов дают возможность создавать любые цветовые оттенки. - Стойкость к негативным факторам воздействия.
Твердотельные источники света устойчивы к вибрации, перепадам напряжения и механическим повреждениям, способны работать в любых климатических условиях. - Экономия на эксплуатационных расходах.
Светодиодные лампы не требуют установки специальной пускорегулирующей аппаратуры и регулярного технического обслуживания. - Миниатюрность
Небольшие размеры LED источников света являются еще одним преимуществом светодиодных светильников. Однако в некоторых случаях, например, для создания мощного светового потока более 1000 лм эта особенность становится недостатком, поскольку требует использования большого массива светодиодов.
Недостатки светодиодных приборов освещения:
- Низкая яркость светового потока по сравнению с традиционными источниками света.
Проблему удается устранить путем использования нескольких полупроводников в одном приборе и объединения их в группы светодиодных модулей. - Срок службы светодиодных светильников определяется не только рабочим потенциалом светодиодов, но и зависит от параметров других составляющих системы освещения (размер и эффективность теплоотвода, гарантированный срок эксплуатации драйвера). По этой причине некоторые светодиодные установки могут работать меньше рекламируемого производителем срока.
- Высокая стоимость LED-приборов по сравнению с другими искусственными источниками света, хотя общие затраты на освещение с учетом значительного срока службы светильников будут в несколько раз ниже.
P.S. И помните, всего лишь изменяя свое потребление — мы вместе изменяем мир! © econet
Источник: https://econet.ru/
Понравилась статья? Тогда поддержи нас, жми:econet.ru
Что нужно знать о светодиодных лампах
Чем светодиодные лампы отличаются от других
Как следует из названия, источником света в светодиодных лампах являются миниатюрные электронные устройства — светодиоды. В привычных лампах накаливания свет излучается раскалённой металлической спиралью. В энергосберегающих лампах свет испускается люминофором, который нанесён на внутреннюю поверхность стеклянной трубки. В свою очередь, люминофор светится под действием газового разряда.
Прежде чем переходить собственно к светодиодным лампам, кратко рассмотрим особенности каждого вида ламп.
Фото автораЛампа накаливания устроена очень просто: спираль из тугоплавкого металла закреплена внутри прозрачной стеклянной колбы, из которой откачан воздух. Проходя через спираль, электрический ток разогревает её до высокой температуры, при которой металл ярко светится.
Достоинством таких ламп является низкая цена. Однако она компенсируется столь же низким коэффициентом полезного действия: в видимый свет превращается менее 10% расходуемой лампочкой электроэнергии. Остальная часть бесполезно рассеивается в виде тепла — лампочка при работе сильно нагревается. К тому же срок службы устройства очень невелик и составляет примерно 1 000 часов.
Компактная люминесцентная лампа, или КЛЛ (это точное название энергосберегающей лампы), при той же яркости света расходует примерно в пять раз меньше электроэнергии, чем лампа накаливания. КЛЛ дороже и имеют несколько существенных для потребителя недостатков:
- довольно долго (несколько минут) разгораются после включения;
- лампа с её изогнутой стеклянной колбой выглядит неэстетично;
- свет КЛЛ мерцает, что утомительно для зрения.
Светодиодная лампа представляет собой несколько светодиодов, смонтированных в одном корпусе с блоком питания. Без блока питания не обойтись: для работы светодиодам требуется питание постоянным током с напряжением 6 или 12 В, в бытовой электросети — переменный ток с напряжением 220 В.
Фото автораКорпус лампы чаще всего выполнен в виде привычной «груши» с винтовым цоколем. Благодаря этому светодиодные лампы без проблем устанавливаются в обычный патрон.
В зависимости от используемых светодиодов цвет излучения светодиодных ламп может быть разным. В этом одно из их преимуществ.
| Лампа накаливания | Энергосберегающая | Светодиодная | |
| Цвет излучения | Жёлтый | Тёплый, дневной | Жёлтый, тёплый белый, холодный белый |
| Потребляемая мощность | Большая | Средняя: в 5 раз меньше, чем у ламп накаливания | Низкая: в 8 раз меньше, чем у ламп накаливания |
| Срок службы | 1 тысяча часов | 3–15 тысяч часов | 25–30 тысяч часов |
| Недостатки | Сильный нагрев | Хрупкие, долго разгораются | Невысокая максимальная мощность |
| Преимущества | Низкая цена, работа в широком диапазоне условий | Относительно экономичные и долговечные | Очень экономичные и долговечные |
Преимущества светодиодных ламп:
- очень малое энергопотребление — в среднем в восемь раз меньше, чем у ламп накаливания аналогичной яркости;
- очень большой срок службы — работают в 25–30 раз дольше ламп накаливания;
- почти не греются;
- цвет излучения — на выбор;
- стабильная яркость освещения при колебаниях напряжения питания.
Главное достоинство светодиодных ламп — это экономичность. Предполагается, что за счёт малого энергопотребления и большого срока службы светодиодные лампы позволят заметно снизить расходы на освещение.
Цена светодиодных ламп на момент написания статьи была примерно в три раза выше, чем у обычных. Следовательно, в денежном измерении они оказываются в 50–100 раз экономичнее. Разумеется, эта экономия будет достигнута при условии, что лампа полностью отработает обещанный срок службы и не сгорит раньше времени.
Недостатки светодиодных ламп ограничивают область их применения:
- неравномерное светораспределение — блок питания, встроенный в корпус, затеняет световой поток;
- матовая колба выглядит некрасиво в стеклянных и хрустальных светильниках;
- яркость свечения, как правило, нельзя изменять с помощью диммера;
- непригодны для использования при очень низких (на морозе) и высоких (в парилках, саунах) температурах.
Что нужно учитывать при выборе светодиодной лампы
У светодиодных ламп много характеристик. Это делает задачу правильного выбора сложнее. Давайте разберёмся, что именно обозначают различные характеристики.
Фото автораНапряжение питания
Если в вашей квартире или доме нестабильное напряжение, нужно выбирать лампы, способные работать в широком диапазоне напряжений. Это всегда указывается на упаковке. В отличие от ламп накаливания светодиодные лампы при пониженном напряжении горят так же ярко, как и при нормальном.
Цвет излучения
Цвет характеризуется цветовой температурой, которая измеряется в кельвинах: с повышением цветовой температуры свет меняется от жёлтого к голубому. В большинстве случаев цвет излучения указан на упаковке и корпусе лампы в градусах и словами:
- тёплый (2 700 К) — примерно соответствует излучению лампы накаливания;
- тёплый белый (3 000 К) — считается оптимальным для жилых помещений;
- холодный белый (4 000 К) — для офисов и производственных помещений; близок к дневному свету.
Существуют лампы с изменяемым цветом: при переключении режима спектр излучения такой лампы меняется.
Нужно иметь в виду, что многие люди плохо воспринимают голубую часть спектра, поэтому холодный свет ламп будет казаться им тусклым. Так что, если вы решили установить у себя дома лампы с холодным спектром, выбирайте их с запасом по мощности.
Мощность
На упаковке светодиодных ламп указывается их световой поток и мощность аналогичных по яркости ламп накаливания. Реальная потребляемая мощность светодиодных ламп в среднем в 6–8 раз меньше. Например, светодиодная лампа мощностью 12 Вт светит так же ярко, как обычная 100-ваттная лампочка. Этим соотношением можно пользоваться, когда подбираете светодиодную лампу на замену лампе накаливания.
Однако здесь вас может подстерегать неприятный сюрприз: заявленная мощность может не соответствовать фактической, и лампа будет светить слабее, чем ожидается.
Кроме того, со временем яркость светодиодов уменьшается. Не исключено, что лампочку придётся менять задолго до истечения срока её службы из-за того, что она стала светить слишком слабо.
Другие важные моменты
- Габариты. Светодиодные лампы по размерам чуть больше аналогичных ламп накаливания. Поэтому в маленьких плафонах могут элементарно не поместиться.
- Если ваш светильник включается через диммер, нужны соответствующие лампочки. На упаковке должно быть указано, что лампа регулируемая.
- Индекс цветопередачи светодиодных ламп невелик: это значит, что они несколько искажают визуальное восприятие цветов. В некоторых случаях, например при фотографировании со светодиодным светом, это может быть важно.
Стратегия перехода на светодиодные лампы
Потенциальная экономия не должна заставить вас потерять голову. Не спешите бежать в магазин и покупать лампочки сразу для всех светильников в доме. Целесообразно руководствоваться двумя принципами.
- Заменять только лампы с высокой мощностью — 60 Вт и более. Экономия от замены маломощных ламп будет невелика, и стоимость новой лампы может не окупиться.
- Заменять лампы в светильниках, время горения которых в течение суток наибольшее: например, в люстрах в жилых комнатах. Бессмысленно менять лампочку в какой-нибудь подсобке, свет в которой зажигается от случая к случаю и ненадолго.
Не стоит ожидать, что расход электроэнергии уменьшится в разы.
Основные потребители электроэнергии в быту — разного рода нагревательные приборы: утюг, электрочайник, стиральная машина и особенно электроплита. По словам нескольких опрошенных людей, счёт за электроэнергию после перехода на светодиодные лампы уменьшается где-то на 15–25%.
Ещё один совет: не покупайте сразу много ламп одной марки, сначала возьмите одну-две на пробу. Дело в том, что лампы с одинаковой цветовой температурой разных производителей могут сильно отличаться по испускаемому свету. Вдруг спектр именно этих ламп вам будет неприятен? Лучше попробовать.
Заключение
Светодиодные лампы, по сравнению с традиционными лампами накаливания, — это принципиально новое решение для освещения.
Ещё несколько лет назад они были очень дорогой технической новинкой, но сегодня их цена уже сопоставима с ценой других видов ламп. Что касается характеристик, то по ним светодиодные лампы заметно превосходят прежние осветительные приборы. Вердикт однозначен: переход на светодиодные лампы вполне оправдан.
lifehacker.ru
10 преимуществ светодиодных ламп
Наверх Перепланировки- Каталог домов
- Квартира
- Спальня
- Кухня
- Столовая
- Гостиная
- Ванная комната, санузел
- Прихожая
- Детская
- Мансарда
- Маленькие комнаты
- Рабочее место
- Гардеробная
- Библиотека
- Декорирование
- Мебель
- Аксессуары
- Загородный дом
- Ландшафт
- Системы хранения
- Коридор
- Уборка
- Фундамент
- Кровля
- Стены
- Окна
- Двери и перегородки
- Потолок
- Балконы и лоджии
- Внутренние конструкции
- Пол
- Водоснабжение и канализация
- Отопление
- Вентиляция и кондиционирование
- Газо- и энергоснабжение
- Освещение
- Сантехническое оборудование
- Безопасность и домашняя автоматика
- Бани, сауны, бассейны
- Строительные материалы
- Отделочные материалы
- Инструменты
- Техника
- Законы и финансы
- Журнал
- Новости
- События
www.ivd.ru
преимущества и недостатки различных видов, критерии выбора, рейтинг лучших производителей » Аква-Ремонт
Ещё совсем недавно светодиоды использовались только в качестве индикаторов для различных приборов и аппаратуры. Для освещения они не применялись, поскольку мощность была слишком мала. В настоящее время разработаны конструкции, способные освещать большие площади и давать мощный световой поток. Экономичность, долговечность и малый нагрев во время работы вызвали большой интерес и спрос среди пользователей.
Свойства светодиодных ламп, используемые для освещения дома, имеют как положительные, так и отрицательные стороны. Для того чтобы иметь возможность уверенно ориентироваться в широком модельном ряде, имеющемся на прилавках магазинов, необходимо иметь достаточное представление об устройстве и принципе действия этих осветительных приборов.
Что такое светодиодная лампа, принцип работы
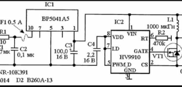
Бытовые светодиодные, или LED лампы (от английского Light-Emitting Diode) представляют собой устройства со сложной конструкцией. Несмотря на то что внешне они похожи на привычные лампы накаливания, принцип действия у них абсолютно иной. Не следует путать их с энергосберегающими (или компактными люминесцентными лампами КЛЛ), это совершенно разные устройства и по принципу действия, и по эффективности. Схема LED лампы демонстрирует сложное и насыщенное электронными деталями устройство.

Схема светодиодной лампы состоит из множества деталей
Продемонстрирована схема от светильника фирмы «СЭА Электроникс», но этот вариант не единственный. Каждый производитель стремится улучшить конструкцию, внеся в схему дополнительные элементы, изменяющие рабочие параметры устройства. Например, до недавнего времени серьёзным недостатком считалось отсутствие в спектре LED ламп длины волны, на которую реагирует зрачок глаза (около 480 Нм). Человек мог длительное время смотреть на светильник, не ощущая никакого неудобства. Считалось, что свет совершенно не вредит органам зрения. При этом происходило вредное воздействие на сетчатку и хрусталик, получавшие избыточное и нередко травмирующее воздействие синего света. Это было учтено производителями, и сегодняшние образцы адаптированы к спектру человеческого зрения.

Лама состоит из нескольких элементов
Конструкция состоит из цоколя под стандартный патрон (есть модели под все наиболее распространённые типы цоколя), пластикового или металлического корпуса, рассеивателя из матового полупрозрачного пластика. Внутри корпуса расположена вся электроника, драйвер питания (устройство, согласующее напряжение в сети с необходимыми значениями для схемы), диска с установленными светодиодами. Несмотря на сложность конструкции, производители заявляют для своей продукции длительность пользования до 10 лет, хотя на практике длительность работы составляет около 11 000 часов, т.е. примерно 3,5–4 года, в зависимости от длительности работы в течение суток.
Для использования светодиодной ленты необходимо подобрать соответствующий трансформатор. Выбрать источник питания поможет следующий материал: https://aqua-rmnt.com/ehlektrosnabzhenie/transformator-dlya-svetodiodnoy-lentyi-12-volt.html
К достоинствам LED ламп можно отнести:
- низкое потребления электроэнергии. Чтобы светить так же, как 100-ваттная лампа накаливания, LED лампе требуется всего 10 Вт энергии;
- отсутствие в спектре ультрафиолетового излучения. Не выгорают ткани, нет опасности повреждения сетчатки глаз и т. д.;
- во время работы светильники почти не нагреваются;
- длительный срок службы;
- экологически безопасны, не содержат ртути;
- лёгкие, ударопрочные;
- разогрев происходит в течение 1 секунды.
Недостатками светодиодных ламп являются:
- высокая стоимость;
- по оценкам некоторых пользователей, LED лампы обладают неприятным спектром.
Относительно недостатков можно отметить, что цены на LED лампы заметно снижаются, с момента их появления стоимость уменьшилась почти вдвое. Спектр свечения — вопрос либо личных пристрастий пользователя, либо неправильного выбора модели светильника.
Изготовить светодиодную лампу можно и самостоятельно изучив следующий материал: https://aqua-rmnt.com/ehlektrosnabzhenie/svetodiodnaya-lampa-svoimi-rukami-na-220v.html
Критерии выбора LED ламп для дома
Рассмотрим подробно, какие критерии выбора существуют для светодиодных ламп, на что надо обращать внимание в первую очередь и какие значения считать наиболее приемлемыми.
По техническим параметрам
- Мощность и световой поток. Параметры мощности у LED ламп значительно отличаются от привычных значений. Уровень мощности обычной лампочки в 60 Ватт может соответствовать 6–10 Ватт у LED ламп. Для того чтобы облегчить выбор и как-то сориентировать покупателя, производители указывают эквивалент по мощности на упаковке (например, мощность 6 Ватт, светит как лампа накаливания в 60 Ватт). Но здесь таится некий подвох, поскольку такой эквивалент может оказаться некорректным, завышенным. Рекомендуется в качестве решающего критерия рассматривать световой поток. Он измеряется в люменах (лм) и соответствует мощности обычной лампочки с коэффициентом 10. То есть, если требуется приобрести LED лампу с яркостью, соответствующей 100 Вт, надо искать образец со световым потоком в 1 000 лм. Это значение вполне корректно отображает реальную яркость светильника.

Срок службы светодиодных ламп выше, чем у ламп накаливания или энергосберегающих
- Тип цоколя. Выбирая LED лампу, надо знать, какие патроны установлены в люстрах или других световых приборах дома или квартиры. Существуют образцы со всеми наиболее распространёнными видами цоколя, но чаще всего это тип Е27 (обычная резьба как у ламп накаливания) или Е14 (уменьшенный вариант, его в магазинах обычно называют «маленький цоколь»). Импортные люстры могут иметь другие типоразмеры цоколя (например, GU10 или GU5,3), что надо иметь в виду. На всякий случай, собираясь в магазин, надо взять с собой одну из ламп, установленных в светильники, или точно определить тип цоколя, чтобы не пришлось бежать и обменивать купленные лампы.
- Цветовая температура. Существует понятие — цветовая температура светильника. Она обозначается в Кельвинах (К). Чем ниже температура, тем больше спектр сдвинут в сторону красного излучения. Высокая температура показывает тяготение к синему участку спектра. На упаковках LED ламп всегда указывается цветовая температура и даётся примерная расшифровка значения, например, 200 К (тёплый белый свет). Ближе всего к привычному свету ламп накаливания находится температура 3 000 К. Выбирая LED лампу, надо правильно представлять себе участок спектра, который выдаёт это устройство, чтобы получить наиболее приятный для себя оттенок. Давать какие-либо советы в этой области бессмысленно. Каждый руководствуется собственными ощущениями, но для этого надо, чтобы человек уже имел хоть какой-то опыт. Если раньше иметь дело с LED лампами не приходилось, можно порекомендовать ориентироваться на величину 3 000 К. Это достаточно мягкий желтоватый свет, типичный для ламп накаливания мощностью около 40–60 Вт. Цветовая температура больше 3 000 К меняет свет на более резкий, белый, постепенно переходящий в синий оттенок (в районе 6 000 К). Меньше 3 000 К — более жёлтый, мягкий, но тусклый свет.

Обратите внимание на параметры цветовой температуры на упаковке
- Угол рассеивания. Другое название этого параметра — угол расходимости. Светодиод излучает узконаправленную полосу света. Для того чтобы светильник имел большое расхождение светового луча, отдельные светодиоды устанавливают под разными углами, а также используют оптические методы распределения светового потока под углом вокруг источника. Угол рассеивания — это величина сектора, в котором значение освещённости не уменьшается ниже половины от максимума. Величина угла указывается на упаковке, она в значительной степени зависит от формы светильника — чем больше сфера, тем шире угол рассеивания. Для большинства образцов этот параметр не столь важен, так как свет отражается от стен, потолка, окружающих предметов, что значительно увеличивает угол рассеивания.
- Рабочий ресурс и срок службы. Этот параметр измеряется в часах. Величина показывает, какое время светильник работает до того, как его свечение упадёт до 70% от изначального состояния. То есть указанный рабочий ресурс не отображает полный срок службы,а лишь соответствует времени максимального свечения. При этом практика показывает, что в реальности светильники нередко выходят из строя намного раньше. Обычно это происходит с продукцией от малоизвестных производителей родом из Юго-Восточной Азии. В любом случае срок службы LED ламп весьма велик и вполне соответствует их стоимости.
- Совместимость с диммером. Светодиодные лампы имеют способность работать в связке с диммером — устройством, регулирующим яркость свечения путём изменения напряжения питания. При этом такая возможность имеется не у всех ламп, а только у оснащённых специализированной моделью драйвера. На упаковке таких устройств имеется специальное обозначение, которое может выглядеть по-разному. Стоимость ламп, адаптированных к работе с диммером, выше обычных примерно на 30%.
Диммер позволяет регулировать яркость свечения
- Дополнительные параметры. Нередко производители указывают различные дополнительные параметры, которые не имеют принципиального значения для пользователя, но придают продукции некую значимость. Так, вес ламп, нередко указанный на упаковке, вряд ли важен для кого-либо, поскольку он в любом случае не может иметь чрезмерно высокую величину. То же относится к количеству включений — этот параметр, актуальный для ламп накаливания, совершенно безразличен для LED ламп, способных включаться/выключаться сколько угодно раз. Часто встречается такой параметр, как световая эффективность. Это количество люмен свечения на один ватт мощности, значение, связывающее световой поток с мощностью лампы.
Светодиодные ленты прекрасно подходят для обустройства декоративного освещения как в частном доме, так и в квартире. Подробнее об особенности проектирования данной подсветки можно прочитать здесь: https://aqua-rmnt.com/ehlektrosnabzhenie/dekorativnoe-osveshhenie-zagorodnogo-doma.html
По производителю и стоимости
Подход к выбору светодиодных ламп с позиций их стоимости, качества и производителя на первый взгляд выглядит несколько однобоко. Тем не менее рациональное зерно в нём есть, так как эти показатели косвенным образом отображают рабочие и эксплуатационные характеристики светильников и вполне могут служить критериями выбора.
Важно! Говоря о качестве LED светильников, надо понимать, что в виду имеется степень соответствия заявленных производителем параметров реальным свойствам продукции, а также длительность сохранения этого соответствия. Подходить к вопросу с иным пониманием некорректно, поскольку придётся сравнивать устройства, разные по своим характеристикам.
Самые качественные лампы
По отзывам специалистов и пользователей лидером среди западных производителей является нидерландская компания Philips. Немного отстают от неё немецкие Osram и BIOLEDEX. Эти фирмы по праву являются ведущими в производстве бытовых светодиодных ламп, предлагают широкий модельный ряд с различными рабочими параметрами. Понятие «качество» означает устойчивость, одинаково высокие эксплуатационные и технические показатели для всех единиц выпускаемого товара, что в полной мере относится к продукции этих компаний. При этом цены на светильники этих компаний намного выше, чем на продукцию других изготовителей.
Среди российских производителей выделяются фирмы «Gauss», «Оптоган» и «Светлана-Оптоэлектроника». Отечественные производители появились на рынке позже западных, но смогли занять свою нишу и завоевать заслуженную популярность, предлагая вполне качественную продукцию по демократичным ценам.
Также на рынке имеется немало образцов от китайских производителей. Хорошо зарекомендовали себя компании Selesta, Camelion и Estares. Их продукция сертифицирована и полностью соответствует всем требованиям и нормам.
Оптимальное соотношение «цена-качество»
Такой подход представляется наиболее разумным. Если предпочитать самые качественные образцы, то придётся заплатить за них немалую сумму. Большинство пользователей предпочитает выбирать «золотую середину», получая максимум за свои деньги. При этом выбирать лампу, руководствуясь этим критерием, пожалуй, сложнее всего, поскольку приходится противопоставить цене большое количество параметров и характеристик. Прояснить ситуацию поможет таблица, наглядно демонстрирующая соответствие заявленных и реальных характеристик LED светильников среднего ценового диапазона.

В таблице приведены лампы в соотношении «цена-качество» от разных производителей
Необходимо иметь в виду, что тесты производились на неизвестной аппаратуре, поэтому данные таблицы следует рассматривать как наглядный пример расхождений в свойствах продукции разных производителей. Указанные цены считать примерными, в разных регионах они могут значительно отличаться.
Самые дешёвые
Рекомендовать такой подход нецелесообразно, поскольку низкие цены обычно устанавливаются на продукцию никому не известных китайских фирм. Покупка таких светильников — чистая лотерея, так как они редко соответствуют заявленным параметрам. Срок службы таких образцов колеблется от нескольких дней до нескольких лет — как повезёт. Попытка экономии в этом случае приводит к приобретению устройства, обладающего параметрами, весьма приблизительно соответствующими характеристикам, указанным на упаковке.
Светодиодные лампы обеспечивают существенную экономию электроэнергии, не нагревают проводку, имеют длительный срок службы и прочие полезные качества. Они существенно превосходят старые лампы накаливания, заметно обгоняют энергосберегающие светильники. Основной недостаток — высокие цены, хотя заметна тенденция к их постепенному снижению. Основная задача покупателя — правильно подобрать наиболее подходящую модель, для чего надо иметь достаточно ясное представление о параметрах и свойствах LED светильников. Если при покупке был сделан грамотный выбор, то проблемы пользователя с освещением будут решены оптимальным образом на многие годы.
aqua-rmnt.com

