Устройство и принцип работы стиральной машины
Бытовые автоматические стиральные машины могут иметь фронтальную или вертикальную загрузку. Обе имеют свои плюсы и минусы, свои конструктивные и функциональные особенности. Но общей принцип работы и элементы машин практически идентичны.
Внутри корпуса машины, представляющего собой металлический каркас с крышкой, основанием, передней панелью и задней стенкой, находятся все узлы и агрегаты. Помимо основных деталей, имеющихся в каждой стиральной машине, также, в зависимости от модели, могут присутствовать дополнительные устройства (например, датчики вибрации или протечки). Если вам понадобиться ремонт стиральной машины в Саратове или Энгельсе позвоните в нашу фирму. Мы произведем его максимально быстро и качественно.
Устройство стиральной машины
Кратко рассмотрим основные составные части, без которых функционирование стиральной машины невозможно.
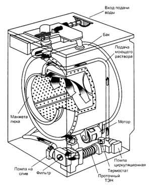
Бак стиральной машины
Барабан представляет собой цилиндр из нержавеющей стали со множественной перфорацией. Через большое круглое отверстие во фронтальной части осуществляется загрузка белья, а на обратной стороне находится крестовина с закрепленным на ней валом. Внутри барабана находятся ребра – бойники, способствующие перемешиванию белья.
Фронтальный противовес устанавливают на бак для компенсации дисбаланса во время стирки и отжима. Их вес, форма и материал в разных моделях различны.
Противовес – это тяжелый блок, который изготавливается из бетона или пластика. Недостатком бетонных противовесов является то что со временем они крошатся и разрушаются. Но не смотря на это намного чаще возникают проблемы с креплением противовесов – они разбалтываются, и разрушается посадочное место болтов.
Электродвигатель привода барабана, закрепленный в нижней части бака стиральной машины, необходим для вращения барабана. Самый распространенный — коллекторный двигатель. Также встречаются стиральные машины с асинхронным трехфазным двигателем и бесколлекторным двигателем (только в машинах с прямым приводом, обычно стиральные машины марки LG). В случае если стиральная машина с прямым приводом, то двигатель расположен не в нижней части машины, а крепится непосредственно к задней стенке барабана.
Ремень привода барабана необходим для передачи к барабану от электродвигателя крутящего момента. Обычно материалом из которого изготавливают приводные ремни для стиральной машины является резина, но также встречаются такие материалы как нейлон, неопрен и полиуретан.
Основные типы приводных ремней:
— «3 L» стиральные машины зарубежного производства
— «J» для крупногабаритных машин
— «H» для малогабаритных машин
— «Z» стиральные машины отечественного производства
Ведомый шкив барабана – колесо, закрепленное на валу барабана. через него передается движение ремня привода. От его диаметра зависит максимальное количество оборотов при отжиме.
Практически всегда шкив стиральной машины отлит из хрупкого материала — сплава алюминия. На валу барабана шкив фиксируется шлицевым соединением -винтом крепления.
амортизатор стиральной машины
Амортизатор и пружины подвески служат для погашения колебаний бака. Амортизатор одной стороной крепится к основанию машины, а другой стороной – к баку. При неисправной амортизации бака увеличивается скорость износа подшипников и пружин, страдает манжета, протирается приводной ремень, а в результате и электродвигатель. Амортизационное гашение осуществляется по средствам преобразования возвратно-поступательного движения поршня внутри цилиндра в тепловую энергию. Прокладка амортизатора пропитана невысыхающей смазкой повышенного трения. Обратный ход поршня осуществляется возвратной пружиной.
пружина стиральной машины
Пружины закреплены сверху, бак подвешивается на них к корпусу. Количество и пружин, и амортизаторов обычно составляет 2-4. Жесткость пружин и характеристики амортизаторов подбираются так, чтобы максимально компенсировать вибрации, возникающие при вращении барабана с бельем.
Термоэлектрический нагреватель (ТЭН) преобразует электрическую энергию в тепловую, благодаря чему осуществляется нагрев воды. ТЭН стиральной машины позволяет самостоятельно нагревать воду до нужной температуры, а в некоторых моделях, участвует и в сушке белья. Обычно мощность термоэлектрического нагревателя- от 800W (Вт) до 2200W (Вт). Многие нагревательные элементы имеют посадочное место для датчика температуры воды, иногда датчик температуры установлен независимо в баке.
Реле уровня воды (прессостат) контролирует уровень воды и коммутирует электрические цепи ТЭНа и электромагнитного клапана. Прессостат выглядит как цилиндрический короб с контактами-переключателями и клеммами. К нему подходят провода и трубка давления, идущая от резервуара высокого давления. Уровни срабатывания — до 500 мм водного столба, обычно есть регулировка. В датчик уровня воды в случае, если водяной столб набрал нужную высоту поступает давление, тем самым электронный модуль стиральной машины реагирует на это изменение и запускает следующий цикл стирки.
Заливной электромагнитный клапан стиральной машины располагается между шлангом подачи воды и бункером дозатора. Он регулирует количество воды, поступающей в машину. Клапана залива бывают 90 и 180 градусов. Заливной клапан, помимо разделения по расположению отводов подразделяется также на количество этих отводов от 1-го до-4-х, и, соответственно, электромагнитных катушек. Клапан с четырьмя отводами обычно применяется на стиральных машинах с функцией сушки.
бункер дозатор стиральной машины
Бункер дозатора – пластиковый короб, к которому подключается один или несколько патрубков. В его верхней части находятся каналы со множеством отверстий, через которые поступает вода, вымывающая стиральный порошок.
Дозатор моющих средств – находящаяся внутри бункера выдвижная ячейка, имеющая 1-5 отделений для моющих средств. Каждое отделение пронумеровано или обозначена определенным символом, соответствующим еее назначению.
убл стиральной машины
Устройство блокировки люка (УБЛ) – электромеханическое устройство, которое не позволяет запустить процесс стирки с открытой дверцей. Самые распространенные УБЛ – с термоэлементом. Термоэлемент нагревает бипластину, которая в свою очередь замыкает контакты и дверь блокируется. Именно по этой причине дверь стиральной машины не открывается даже после завершения цикла стирки — необходимо чтобы остыла бипластина. В стиральных машинах предыдущего поколения использовалось УБЛ, имеющее своей основой механику. Чтобы открыть дверь было необходимо нажать на кнопку таймера, в современных машинах всеми процессами управляет электронный модуль.
Манжета люка – резиновый уплотнитель, обеспечивающий герметичность стиральной машины. Ее внешняя часть закрепляется на корпусе машины, а внутренняя крепится к баку с помощью хомута. Манжета обеспечивает эластичное соединение подвижного бака с корпусом машины.
Манжеты люка бывают двух типов:
Манжеты люка расположена между баком и передней (при фронтальной загрузке) или верхней (при вертикальной загрузке) стенкой корпуса.
помпа стиральной машины
Сливной насос (помпа) откачивает воду из бака во время всех этапов стирки. Он состоит из моторчика с крыльчаткой и «улитки», к которой подсоединяются сливной шланг и различные патрубки.
Типы насосов:
Насосы синхронные с магнитным ротором они имеют синхронную скорость вращения ротора.
Насосы с асинхронным двигателем и короткозамкнутым ротором (в данный момент сняты с производства).
Вывести его из строя сливной насос ( помпу) способен любой твёрдый предмет, который обычно забывают в карманах одежды, например монета или какой ни будь гвоздь. Перед стиркой обязательно проверяйте карманы, а после стирки чистите фильтр, эти две процедуры смогут действительно продлить срок службы сливного насоса вашей стиральной машины.
Сливной шланг стиральной машины, изготовленный из гофрированного пластика, отводит воду из машины в канализацию. В среднем длинна сливного шланга от 1 м до 4 м. Желательно установить стиральную машину так, чтобы длина сливного шланга была не более 1,5 метров.
Шланг может быть оснащен одним или двумя фитингами для резьбового подсоединения к другим узлам и аппаратам.
Патрубок слива воды
Патрубок слива воды, изготовлен из резины с гофрами подсоединяется к отверстию для слива воды. Внутри него расположен «эко-бол», препятствующий попаданию в сливную систему стирального порошка.
Воздушная камера, соединенная с патрубком слива, необходима для корректной работы прессостата. Представляет собой пластиковый цилиндр с небольшим штуцером.
Электронный блок управления контролирует работу всех электрических деталей. В процессоре ЭБУ заложена программа управления процессом стирки.
Панель управления дает возможность пользователю выбрать программу и дополнительные функции стирки. Она передает данные основному блоку управления. В некоторых стиральных машинах ЭБУ и панель управления соединены в единое устройство.
Наша фирма занимается не только заменой, а непосредственно ремонтом электронных модулей стиральной машины, в том числе мы восстанавливаем прошивку модулей.
В нашей фирме вы можете заказать ремонт стиральной машины на дому в Саратове и Энгельсе
Принцип работы стиральной машины
Пользователь загружает белье в стиральную машину и выбирает программу стирки. После нажатия кнопки «пуск» срабатывает устройство блокировки люка и начинается непосредственно процесс стирки.
1 этап. Включается двигатель, скорость вращения которого регулирует таходатчик. Из бункера дозатора всасывается смесь воды и моющего средства. Одновременно с этим в бак заливается холодная вода, количество которой определено программой стирки. На этом этапе происходит замачивание белья.
2 этап. Включается ТЭН, нагрев которого также регулируется датчиком. Происходит процесс основной стирки, параметры которого задаются выбранной программой.
3 этап. Стиральная машина подает сигнал на помпу, вода сливается, затем производится отжим. Прессостат подает сигнал о том, что в баке нет воды, после чего происходит ее набор и полоскание белья.
4 этап. Слив воды после полоскания и короткий отжим. Этот этап повторяется 3-4 раза.
5 этап. Окончательный отжим на высоких оборотах, одновременно с которым происходит откачивание воды. После завершения этого этапа на УБЛ подается сигнал о завершении и люк разблокируется.
profservice64.ru
Как работает стиральная машина – устройство и принцип работы автомата.
В современном мире женщины тратят на хлопоты по дому не так много сил и часов, как раньше. Объясняется это довольно просто: наличие техники для быта помогло упростить жизнь.
Достаточно загрузить стиральную машинку, выставить требуемый режим и ждать, когда завершится рабочий процесс. Это поможет освободить несколько часов для занятия другими делами: уборкой квартиры, приготовлением обеда или отдыхом.

Чтобы правильно подобрать технику для стирки, необходимо руководствоваться следующими показателями:
- способом загрузки белья;
- габаритами;
- функциональностью;
- вместительностью.
Грамотно подобранная машинка станет прекрасным помощником для женщины и всей семьи.
Интересно для прочтения: «Как выбрать стиральную машину».
1. Из чего состоит стиральная машина
Независимо от бренда и марки, техника данного типа имеет одинаковое внутреннее строение. Чтобы приобрести качественный прибор, необходимо знать, как устроена стиральная машина автомат.
Состоит она из следующих элементов:
- корпус;
- система залива воды;
- датчики;
- бак и барабан;
- нагреватель
- блок управления;
- сливная система;
- двигатель.
Чтобы понять принципы, по которым функционирует аппарат, например модели Bosch, владелец должен самостоятельно разобраться с внутренним строением. Это поможет в дальнейшем избежать трудности в установке или ремонте техники.
Корпус
Все внутренние элементы машинки располагаются в прочной обшивке из металла. Она препятствует образованию повреждений, вмятин и царапин, сохраняет детали в рабочем состоянии.

Состоит следующих элементов:
1. Основания.
2. Передней, задней и боковой стенки.
3. Панели с люком.
4. Крышки.
На лицевой части размещен пульт управления, там же установлен отсек, куда нужно засыпать порошок или другие средства для стирки. Они попадают внутрь при помощи струи воды. Стиральная машинка с фронтальной загрузкой имеет блокировку, которая не дает дверце открываться, когда аппарат выполняет свое предназначение.
Система залива воды
После того как выбрана программа для стирки, производится запуск аппарата, блокируется дверца. Первым делом открывается клапан электромагнитного типа, при помощи которого вода попадает в барабан. Такое действие происходит до тех пор, пока датчик «не оповестит» о том, что жидкости в резервуаре достаточно для начала стирки.

Чтобы обеспечить бесперебойную подачу воды, шланг для залива подсоединяется к водопроводной системе.
Предлагаем ознакомиться: «ТОП-13 популярных стиральных машин-автоматов».
Бак и барабан
Одним из наиболее объемных элементов выступает бак. В зависимости от размеров он может вмещать от 3 до 12 кг белья. Примером выступает модель LG FH096TD3, вместительностью в 8 кг.
Чтобы избежать вибрации при работе, соединение бака и корпуса производится не жестко.

Для поддержки в процессе функционирования применяют:
- 2-4 рессоры, которые расположены вверху;
- утяжелитель для исключения колебательных и вибрационных движений;
- 2-4 глушителя в нижнем отсеке бака.
Такие механизмы гарантирует устойчивость аппарата. В баке располагается устройство с множеством отверстий, через которые после включения начинается подача жидкости.
Сливная система
После прохождения цикла необходимо избавиться от мыльной воды. Осуществляется такой процесс при помощи шланга. Он представляет собой гофрированный рукав, длина которого колеблется от 1 до 4 метров. Крепится с одной стороны к насосу, а с другой – в систему канализации.

В период стирки слив происходит несколько раз благодаря таким деталям, как:
- моторчик;
- крыльчатка;
- «улитка».
За работу насоса синхронного вида ответственный электронный модуль.
Блок управления
Является один из важных частей машины для стирки, например аппарата Electrolux EWS1066CUU. Данный прибор руководит всеми микросхемами и по праву считается «мозгом» устройства.
Блок управляет такими частями:
- ТЭНом;
- баком и барабаном;
- системой слива и подачи воды;
- насосом и другими.

Узел является не только важной частью стиральной машинки, но и наиболее дорогостоящей. С его помощью определяется вид поломки, сложность ремонта и необходимость вызвать мастера. Чтобы продлить срок службы, следует регулярно проводить профилактику стиральной машинки. Она поможет избежать серьезных поломок в будущем.
Полезно прочитать: «Как продлить жизнь стиральной машинке: 8 полезных советов».
Датчики
Правильное и бесперебойное функционирование бытовой техники осуществляется при помощи специальных приборов. На них поступает информация от аппарата во время стирки. К регуляторам относят:
- Прессостат. Главным предназначением выступает отслеживание уровня поступающей в бак воды.
- Воздушная камера. Производится из пластика и располагается возле сливной трубки.
- Термостат. С его помощью определяется температура воды, которая располагается в баке, после чего полученные данные поступают на блок управления.
- Таходатчик. Отвечает за количество оборотов, которые необходимы для проведения отжима. Их число зависит от выбранного режима стирки. Максимальное количество – 1600, как в модели Siemens WM 16Y891 EU.

В совокупности датчики являются необходимыми составляющими, которые контролируют весь рабочий процесс.
ТЭН
Располагается нагреватель во внутренней части корпуса и служит для повышения температуры воды. Его мощность колеблется в пределах от 1800 до 2200 Вт. Трубчатый электронагреватель располагается в нижней части и является наиболее хрупкой и уязвимой деталью.

На уровень его работы влияет образование накипи. Чтобы продлить период эксплуатации нагревателя, необходимо использовать средство для очистки от налета, например, Electrolux E6SMP106.
Двигатель
Данная деталь приводит барабан в действие. Зачастую на стиральные машинки устанавливается коллекторный мотор. Наиболее результативным способом крепежа выступает прямой привод, то есть соединение происходит непосредственно к барабану.

Такой вид не нуждается в потреблении энергии для вращения в больших объемах, а издаваемый шум и вибрация в процессе функционирования будет на порядок ниже. Плюсом выступает то, что мотор не занимает много места, что положительно влияет на габариты стиральной машинки. В качестве примера выступает Beko WKY71033PTLYSB2.
Изучив внутреннее строение техники, пользователь сможет подобрать достойный вариант, который прослужит длительный срок.
Полезно будет узнать: «Сколько воды потребляет автомат – 6 причин большого расхода воды стиральной машины».
2. Принцип работы стиральной машины автомата
Нынешняя бытовая техника данного типа проводит процесс стирки от начала и до конца. Для этого необходимо провести такие манипуляции:
1. Включить аппарат в сеть.
2. Загрузить в барабан белье. При этом необходимо учитывать материал, из которого сделаны вещи, режим стирки, подходящий для конкретной категории одежды.
3. Засыпать порошок и прочие вещества в специальный отдел.
4. Выставить режим работы, плотно закрыть дверцу и запустить цикл.

Многих пользователей интересует вопрос, как работает стиральная машина- автомат и ее двигатель. Это простая процедура, которая состоит из нескольких главных этапов.
Начало стирки
Для определенного вида ткани машинка автомат предлагает свой режим. Следует подбирать белье по цвету, чтобы одежда не линяла и сохраняла оттенок.
Начинается все с загрузки вещей в барабан. При этом следует учитывать объем бака. Например, Samsung WW60K42109SDUA вмещает до 6 кг. После этого в отсек для порошка засыпается необходимое количество вещества. Устанавливается требуемый режим стирки. На современных машинках автомат можно выставить таймер включения, если нет возможности запустить процесс сразу.

Функционируют аппараты в таких режимах:
- деликатный;
- стирка шерстяных, хлопковых, синтетических вещей;
- ручной;
- интенсивный;
- быстрый и ежедневный.
После того как выбрана нужная функция, плотно закрывается дверца и нажимается кнопка «старт». В этот момент происходит фиксация, благодаря которой люк не сможет открыться в процессе работы стиральной машинки.
Загрузка аппарата проводится двумя способами: фронтальным, когда дверца расположена с передней стороны корпуса (как в аппарате Gorenje W 7513/S1), или вертикальным (как в случае со стиральной машинкой Whirlpool AWE 6080).
Процесс стирки
После включения и начала функционирования машинки в работу вступает насос, который отвечает за подачу воды. Она поступает в барабан через небольшие круглые отверстия, достигает нужного уровня. За это отвечает прессостат.
Когда вода достигла нужного уровня, при помощи датчика на панель управления поступает информация, и подача жидкости прекращается.

После этого начинается стирка. Она характеризуется следующим образом:
- Поток воды вымывает порошок из ячейки, он попадает в барабан.
- Вращательные движения способствуют тому, что загруженное белье полностью намокает и пропитывается средствами для стирки. Это способствует качественному очищению от пятен и прочих загрязнений.
- В период цикла возможен подсос воды. Длится стирка в зависимости от выбранной программы.
Именно при помощи мотора осуществляются обороты барабана. Для моделей Zanussi, как и для других стиральных машинок, такой процесс идентичный.
Читайте также: Как открыть дверцу стиральной машины? Почему блокируется люк
Слив воды и полоскание белья
Когда пройдут режимы, связанные со стиркой, аппарат при помощи насоса выпускает воду в канализацию. Помпа будет функционировать, пока датчик не передаст информацию о том, что барабан пуст. После этого необходимо провести полоскание.

Для этого включается клапан и начинается заливка чистой воды из системы водопровода. Потоки попадают в отсек с моющими средствами, только на этот раз в отдел с ополаскивателем. Используется он по желанию потребителей. В работу вступает двигатель, который передает вращательные движения на барабан. Так начинается полоскание. Время его зависит от выбранного в начале стирки режима.
По завершении полоскания снова в действие приходит деталь, откачивающая воду из бака. Узнать, как работает насос стиральной машины, к примеру в Gorenje W7202/S, несложно. Предназначением устройства выступает выпуск жидкости из внутренней части барабана.
Не нужно забывать, что полоскание происходит не один раз. По завершении вода сливается через шланг в сток, а машинка переходит к совершению следующей задачи.
Отжим белья
Это завершающий этап стирки. Основой отжима являются законы физики: барабан при помощи двигателя вращается на большой скорости, совершая за минуту 1200 и более оборотов, как модель Zanussi ZWSG7121V.
Сам процесс описывается следующим образом:
- Под действием центробежной силы одежда прижимается к поверхности барабана, благодаря чему вода из одежды выталкивается.
- Жидкость уходит таким же способом как и поступает: через круглые отверстия бака.
- Вода скапливается на дне, а оттуда выкачивается помпой на сливной шланг и вытекает в отвод.

Сухость вещей напрямую зависит от числа оборотов. Чем оно выше, тем лучше отожмется одежда. При выставлении режима следует учитывать, что для каждого установлено ограничение. Для деликатной и ежедневной стирки будет выставляться разное количество оборотов за 60 секунд.
Также будет интересно «Плесень в стиральной машине: 3 этапа очистки».
Окончание стирки
По завершении работы аппарат выключается автоматически. Пользователю нужно будет только отключить питание. Чтобы сэкономить использование энергии, рекомендуется выбирать стиральные машинки класса А+++.
Следует учитывать, что сразу после завершения цикла дверца еще некоторое время будет заблокирована. Когда люк откроется, можно доставать белье и развешивать его для дальнейшего просушивания. Чтобы убедиться, что в барабане ничего не осталось, можно вручную несколько раз его провернуть.
Новые технологии позволили создать аппарат со встроенной функцией сушки. Выставляя определенный режим, белье в машинке-автомат не только стирается, но и полностью высыхает. Примером выступает Samsung WD70M4443JW/UA.
Читайте также: «Почему стиральная машина бьет током: 4 причины и 3 решения»
Несмотря на то, что некоторые агрегаты имеют высокую стоимость, популярность их высока. Это связано с тем, что аппараты характеризуются рядом достоинств. К ним можно отнести:
- экономию времени;
- бережную стирку в выбранном режиме;
- наличие большого числа программ;
- низкое потребление энергии.
Используя современное оборудование для бытовых нужд, больше не нужно выделять целый день на заботы по дому и это очень радует пользователей.
Смотрите видео: Стиральные машины: история конструкция принцип работы.
www.moyo.ua
Как работает стиральная машина автомат – основные принципы
Современная бытовая техника необходима для того, чтобы сделать наш быт проще. Она помогает высвободить многие часы нашей жизни и посвятить их тем делам, которые нам больше нравятся. Так же она позволяет нам больше отдыхать. Но далеко не каждый человек интересовался тем, как работает наша техника. Не разбирался в основополагающих принципах ее функционирования. Кстати, эти принципы могут быть довольно интересны. И если вам кажутся любопытными различные технические новинки, которые привнес в нашу повседневную жизнь прогресс, то и эта статья вам тоже понравится.
Возможно, вы еще застали те времена, когда белье стирали своими руками. Затем полоскали его дважды. Сначала в теплой, а потом в холодной воде. После этого отжимали и развешивали сушиться. Это требовало немало времени и силовых затрат.
То ли дело сейчас! В наше время для того, чтобы получить идеально чистое и приятно пахнущее белье достаточно положить его в бак и задать ражим стирки. И через некоторое время можно уже доставать! Еще несколько десятков лет назад такая стирка могла показаться волшебством! А сейчас это обычное явление. И так, давайте перейдем к принципам стирки.
Как работает стиральная машина?
Стиральные машины бывают фронтальной и вертикальной загрузки. Все они работают от электричества. Центр стиральной машины – это ее барабан. В него мы закидываем грязное белье. Во время стирки он крутится. За счет этого стираемое белье оно опускается в воду. Вода с легкостью попадает внутрь барабана, так как в нем находится множество мелких дырочек. Когда люк закрыт, та ее часть, где происходит стирка, герметична. И если машинка исправно, то влага не может попасть наружу.
Сама стирка не имеет каких-то особых секретов или уловок. Все происходит достаточно просто.
Вещи оказываются в воде, в которой растворен стиральный порошок. Затем барабан вращается, и белье механическим способом очищается, взаимодействуя с получившимся раствором. После того, как основной этап стирки закончен, загрязненная вода сливается и происходит полоскание, а затем, отжим. Так же в некоторых машинках есть функция сушки, которая позволяет не развешивать белье, а доставать уже сухое.
За барабаном машинки расположен бак. Он и является основным вместилищем воды. Барабан же выступает в роли активной вращающейся части, которая придает движение белью. За счет этого и происходит стирка.
В машинках с горизонтальной (фронтальной) загрузкой белье помещается в отверстие люка, расположенное в передней части корпуса. Такой тип самый распространенный в России и Европе. В Америке и многих странах Азии чаще используются стиральные машины с вертикальной загрузкой. Строение последних несколько отличается. Белье в них помещается сверху.
Бак и барабан машинки, по сути, являются основными предметами, непосредственно участвующими в процессе стирки. Но кроме них, есть и другие не менее важные детали. К примеру, ТЭН, он же нагревательный элемент, доводит воду до необходимой температуры. А чтобы контролировать нагрев, задействован термостат. Он измеряет температуру и сообщает, когда нужно прекратить нагревание. Есть так же и системы подачи и вывода воды. Они имеют клапаны, которые позволяют попадать жидкости внутрь тогда, когда это необходимо. И удаляют ее из бака тогда, когда она уже не нужна.
Для обеспечения слива воды работает сливной насос (помпа). А присматривает за тем, чтобы все было в порядке электронный модуль управления.
Этапы стирки белья
Стиральная машина автомат – это бытовая техника, которая может самостоятельно проводить все процессы стирки от начала до конца. Она полностью контролирует свою работу в соответствии с заданными программой параметрами. И если она исправна, то все этапы стирки будет проходить четко и гладко. А если появятся сбои, значит, пришла пора вызвать мастера или разобраться с ними своими силами. Благо для этого есть наш сайт MashMaster.ru. Он поможет справиться со многими поломками самостоятельно.
Стирка начинается с загрузки. На всякий случай, напомним вам, что перед тем, как загружать белье, необходимо вынуть все из карманов. Далее засыпается стиральный порошок. Его необходимо поместить в специальное отделение дозатора. Потом включаете вилку в розетку (кстати, это можно сделать и раньше). Затем убедитесь, что вода не перекрыта. Выберите необходимый режим стирки и запустите ее.
Машина руководствуется заданными параметрами и без вашего участия начинает набирать воду и стирать. Так же в процессе омывается дозатор. И порошок попадает в отсек с бельем и водой. Термостат позволяет включиться ТЭНу и нагреть воду до необходимой температуры. И когда воды в баке достаточно и она достигла необходимого нагрева, начинается основная стирка. В ходе нее барабан крутиться, перемещая белье в растворе воды и порошка.
Получившийся раствор вместе с вращением барабана удаляет с вещей загрязнения. Затем происходит открытие специального клапана, подключается сливной насос и вода вытекает из бака. Когда вода вытекла, открывается клапан подачи воды. И свежая чистая вода наполняет бак.
После того, как она достигнет необходимого количества, которое, кстати, отслеживается датчиком уровня, запускается полоскание. Полоскание повторяется несколько раз. И когда уже пройдено необходимое количество повторов, запускается отжим. Во время отжима барабан машинки усиленно вращается. А вода уходит через отверстие барабана в бак. И уже из бака она выкачивается сливным насосом.
В некоторых моделях стиральных машин предусмотрена функция сушки. Она то и происходит после отжима. Если же данная опция не предусмотрена в вашей машинке или просто отключена, то после отжима стирка закончена. И вы можете достать белье тогда, когда блокировка люка позволит. Обычно это происходит в течении трех минут после окончания стирки.
Принцип работы машинки на видео
mashmaster.ru
Как работает стиральная машина: основные процессы и принципы
Наверное, мало кто задумывался о том, как работает стиральная машина. Однако, эта информация поможет вам действовать правильно, если возникнут поломки. Предлагаем рассмотреть алгоритм работы техники. 
Содержание материала:
Этапы стирки
Работа стиральной машины-автомат основана на самостоятельном проведении всех процессов. Техника полностью контролирует их в соответствии с параметрами, заданными пользователем. Если стиралка не повреждена, все этапы стирки будут налаженными. При появлении сбоев вы можете попробовать устранить их своими силами или обратиться за помощью к опытному специалисту.
Как происходит подготовка к стирке:
- Перед началом стирки необходимо загрузить в барабан грязное белье, предварительно изъяв из карманов мелкие предметы: металлические детали, мелочь, пуговицы.
- В порошкоприемник добавить стиральное средство.
- Выбрать нужную программу стирки.
Рекомендация. На одежде есть бирка, на которой обычно указывается информация, при какой температуре и в каком режиме стирать вещь. Не пренебрегайте этим правилом.
- Включить кнопку «Пуск».
Вот и все. Процесс стирки запущен, осталось только дождаться окончания цикла.
Важно! Перед тем, как загрузить белье в стиралку, необходимо отсортировать вещи: по типу ткани, цвету и степени загрязнения. Такой метод гарантирует лучшее качество стирки и снижает риск разрыва или смятия вещей.
Что происходит во время стирки
Вы выставили все заданные параметры, и вам не нужно участвовать в дальнейшем процессе. Машинка самостоятельно набирает воду и стирает грязное белье. Порошкоприемник омывается водой, и средство попадает в барабан. При достаточном количестве воды, ТЭН нагревает ее до нужной температуры – начинается основная стирка. Начинает крутиться барабан, а вещи вращаются в мыльном растворе, что позволяет удалить все загрязнения.
Принцип работы стиральной машины
На рынке бытовой техники представлено два вида стиральных машин: фронтальные и вертикальные. Разберем, как функционируют детали в машинах каждого типа.
Для чего в стиралке барабан
В стиральной машине важной деталью, да и самим центром техники, выступает барабан, предназначенный для загрузки грязного белья. Когда устанавливается программа, и пользователь запускает машинку, барабан начинает круговые движения, белье опускается в воду, которая проникает сквозь множество маленьких отверстий. Попадая в порошкоприемник, стиральное средство смешивается с водой, образуя мыльный раствор. Вещи в нем стираются механическим способом. Процесс подобен ручной стирке, только машинный способ не требует никаких действий с вашей стороны. 
Важно! В барабане не должно быть посторонних металлических деталей и прочего. Если в машинку попадет инородный предмет, он может повредить барабан. Ремонт обойдется вам в немалую сумму.
Как бак влияет на работу машинки
Бак – это важная деталь в стиралке, которая располагается вокруг барабана. В разных моделях машинок установлены баки из эмалированной или нержавеющей стали, а также из пластика. Бак предназначен для сбора воды, в то время как барабан – это активно вращающая часть, необходимая для движения белья. Таков принцип работы стиральной машины-автомат при стирке. 
СМА фронтального типа ориентированы на загрузку белья через боковой люк. В вертикальные машинки вещи помещаются через верхнюю крышку.
Интересно! По статистике, наиболее долговечными считаются баки, изготовленные из нержавейки. При бережном использовании, соблюдении всех правил и регулярном уходе, машинка с нержавеющим баком прослужит долгие годы.
Полоскание белья и система слива
Суть полоскания – в вымывании моющих средств.
Если вы чувствительны к «химии», выбирайте функцию дополнительного полоскания.
Каков же принцип работы машинки во время полоскания белья?
- Программатор подает сигнал сливному насосу для откачки грязной, мыльной отработанной воды.
- Отработанная вода полностью уходит из бака.
- Полоскание начинается с набора чистой воды, но при этом не добавляется порошок.
- Вода начинает поступать в бак, а барабан вращается.
- Когда полоскание заканчивается, вода покидает бак через систему слива.
Отжим
Схема работы стиральной машины-автомат в процессе отжима предельно простая:
- Барабан начинает выполнять вращательные действия на предельно высокой скорости.
- Белье прилегает к стенкам барабана благодаря центробежной силе.
- Выходящая из белья вода стекает в бак сквозь отверстия барабана.
- Помпа откачивает воду в канализацию.

Важно! Скорость отжима регулируется числом оборотов барабана. Хотите достать белье сухим? Устанавливайте максимальную отметку.
Отжим – шумный и активный процесс. Большие камни в корпусе СМА (противовесы) гасят вибрации во время отжима. В зависимости от выбора программы, может колебаться и скорость отжима: обычно от 200 до 1200 оборотов. К примеру, выбрав стирку деликатных вещей, вы увидите, что отжим выставлен на небольшие обороты или отключен. Вещи из более плотных материалов, не требующих особого ухода, можно отжимать на максимальной скорости. Учтите, что выбрать скорость отжима нужно еще до начала стирки.
Стирка окончена
Когда все описанные выше этапы стирки пройдены, и сработала функция отжима, можно считать процесс стирки завершенным. Перед этим барабан несколько раз вращается для равномерного распределения белья. Остановка машинки оповещает пользователя о том, что стирка окончена. Открывайте люк только после нажатия клавиши «ВЫКЛ».
Важно! Если у вас не получается открыть дверцу, подождите несколько минут, чтобы разблокировался замок люка.
Предлагаем посмотреть интересное видео:

Несколько полезных советов
Если у вас еще нет дома стиральной машинки, при покупке обратите внимание на такие моменты:
- Посмотрите на материал, из которого изготовлен барабан. Стиралки с нержавеющим барабаном считаются надежнее.
- Интересуйтесь, какова максимальная скорость вращения барабана.
- Уточните, есть ли в машинке функция сушки и полоскания.
- Обратите внимание на объём барабана и перечень программ.
Если говорить о том, как должна работать стиральная машина автомат, то все достаточно просто. Все процессы стирки задает пользователь, выбирая режим, температуру, скорость отжима. В целом цепь стирки такая:
- Загрузка средств в кюветку.
- Загрузка белья.
- Выбор программы (или параметров стирки).
- Запуск цикла стирки.
- Забор воды.
- Если требуется, подогрев воды.
- Стирка.
- Слив воды.
- Полоскание.
- Слив воды.
- Отжим.
В итоге вы получаете чистые и практически сухие вещи.
cosmo-frost.ru
Как работает стиральная машина автомат — принципы
Рассмотрим принцип работы стиральной машины. СМА — незаменимый предмет бытовой техники. Чтобы понять каким образом получается с ее помощью чистое белье, рассмотрим детали и узлы из которых она состоит и как работает.
Конструкция
Рассмотрим основные детали стиральной машины. Это поможет понять, как она работает.
Корпус
Служит несущим элементом для сборочных единиц, входящих в конструкцию машины. Кроме этого выполняет защитную функцию, предохраняя их от повреждений. Изготавливается из тонколистового металла, покрытого эмалью или анодированного, реже из высокопрочного пластика. Иногда совмещают материалы.
Замок люка
Люк предназначен для размещения белья. У машин с фронтальной загрузкой расположен сбоку, с вертикальной — сверху. Замок выполняет функцию блокирующего устройства, имеет собственную уникальную конструкцию. Главный элемент — биметаллическая пластина. При подаче напряжения она за счет теплового расширения изменяется в размерах, воздействует на блокирующий элемент. Тем самым дается сигнал о гарантированном запирании люка и продолжения работы стиральной машины. При снятии напряжения происходит разблокировка, дверцу можно открыть.
Система залива воды
Представляет собой электромагнитный клапан, который срабатывает по сигналу и дает возможность соединения стиральной машины с водопроводной системой при помощи шланга.
Бак и барабан
Собственно сама стирка производится в барабане, находящегося внутри бака. В бак заливается определенный объём воды, которая попадает в барабан через большое количество отверстий, выполненных в корпусе. Во внутренней части имеются элементы типа ребер, которые при вращении захватывают находящееся в нем белье. Иногда их называют «бойниками». Для повышения эффективности стирки поверхность барабана выполняется в виде граней. С лицевой стороны он уплотняется специальной манжетой, с другой — находится на валу, закрепленном в подшипниковом узле. Для увеличения срока службы барабан изготавливается из нержавеющей стали.
Сливная система
В процессе стирки требуется несколько раз менять воду в баке. За это действие отвечает сливная система. Она состоит из центробежного насоса с электроприводом и гофрированного шланга, конец которого соединен с канализацией. Для предохранения помпы от поломок, система слива снабжена фильтром, который периодически нужно чистить.
Блок управления
При помощи блока управления устанавливается требуемый режим работы стиральной машины. Это самый дорогой элемент, основа которого — электронная плата. При помощи индикации на панели выводится информация о текущей фазе работы стиралки.
Датчики
Блок управления связан с датчиками, которые контролируют параметры цикла стирки:
- прессостат — срабатывает при определенном давлении воздуха, которое создается высотой столба воды;
- термостат — отвечает за температуру при стирке и согласование ее величины с заданной блоком управления;
- датчик оборотов двигателя — необходим для функционирования машины на различных режимах работы (стирки, отжима).
ТЭН
Нагрев воды до нужной температуры выполняет трубчатый электронагревательный элемент. Он действует как преобразователь электрической энергии в тепловую при прохождении тока через проводник с высоким сопротивлением.
В местности с жёсткой водой, довольно часто ломается.
Двигатель
Вращательное движение барабану, во время которого происходит процесс стирки белья, передается через электродвигатель. Моторы, которые используются:
- коллекторные;
- асинхронные;
- прямого привода.
В первых двух вариантах, для передачи вращения применяется ремень. В третьем — он отсутствует, так как двигатель насажен на крестовину барабана.
Бункер для порошка
Перед началом процесса стирки в дозатор засыпается порошок в количестве, которое зависит от степени загрязненности и объёма белья. При помощи трубопровода и каналов внутри бункера происходит смешивание моющего средства с водой.
Противовесы
При больших оборотах барабана и специфики распределения белья по его периметру, создаются вибрационные явления. С целью их уменьшения в конструкции стиральной машины предусмотрен противовес, который снижают дисбаланс, связанный с изменением центра тяжести во время стирки. Для уменьшения передачи вибраций на корпус машины, бак прикреплен к нему с помощью системы из амортизаторов и пружин. Эффективная работа амортизирующей системы положительно влияет на функционирование всех деталей.
Шланги
Чтобы стиральная машина нормально работала, требуется обеспечить подачу воды и слив ее в канализацию. С этой целью СМА комплектуется заливным и сливным шлангами. Они оснащены соответствующими элементами крепления. Сливной шланг для уменьшения нагрузки на насос не должен быть длиннее чем 4 метра.
вернуться к меню ↑Этапы стирки
Начало
В начале стирки следует разобрать грязное белье по группам материала и степени загрязненности. Засыпать в дозатор рекомендуемое количество порошка и выбрать режим работы машины, соответствующий отобранной группе грязного белья. Закрыть дверцу люка и нажать кнопку «Пуск».
Процесс стирки
Включается система залива. Вода проходит через дозатор со стиральным порошком и смешиваясь с ним, по патрубку попадает в бак. Отверстия в барабане позволяют заполнить его до определенного уровня. В то же время блок управления дает сигнал на включение нагрева ТЭН. При помощи прессостата и термостата отрабатываются параметры режима программы и происходит процесс стирки во вращающемся барабане. Время стирки устанавливается выбранным режимом. В период работы возможно пополнение бака водой.
Слив и полоскание белья
Когда программа отработает режим стирки, насос откачает всю воду в канализацию и блок управления даст сигнал на открытие электромагнитного клапана на заливку чистой водопроводной воды. Она вновь пропускается через дозатор, в котором может находиться ополаскиватель. После заполнения бака до уровня необходимого для эффективного ополаскивания, прессостат дает сигнал на блок управления для включения требуемых оборотов вращения электродвигателя. Отрабатывается время, отведенное выбранной программой на полоскание белья. Предусматривается, что оно будет производится несколько раз.
По окончании каждого из предусмотренных программой цикла полоскания, сливной насос спускает воду в канализацию и система залива заполняет бак чистой.
Отжим белья
Завершается процесс стирки отжимом. Это происходит на максимальных оборотах, которые дает электродвигатель машины. Белье под действием центробежных сил отбрасывается на внутреннюю поверхность барабана и удерживается на ней при вращении. Однако вода через отверстия в барабане, при действии тех же центробежных сил, оказывается внутри бака, делая белье более сухим. Сливной насос эту воду отправляет в канализацию.
Окончание
После полной отработки программы стиральная машина самостоятельно производит отключение. Индикатор на панели управления проинформирует о том, когда будет возможно открыть замок люка для выгрузки белья.
вернуться к меню ↑Принцип работы
Описание устройства стиральной машины барабанного типа и порядка выполнения операций для получения чистого белья дают возможность сформулировать принципы ее работы:
- Процесс состоит в механическом воздействии барабана на белье. Элементы типа ребер вместе с перфорированной поверхностью при вращении создают манипуляции, аналогичные мойке вручную.
- Возможность выполнить стирку белья из практически любого материала. Блок управления позволяет подобрать программу для самой нежной ткани (деликатная стирка, имитация ручной и др.).
- Широкий диапазон используемых температур ( 40°С—90°С ) в сочетании с фирменным порошком дает возможность получать качественную стирку белья.
- Объем барабана позволяет загрузить достаточно большое количество грязных вещей за один раз, увеличивая производительность.
При этом можно заняться своими личными делами, не беспокоясь за процесс стирки.
remontcma.ru
Устройство и принцип работы стиральной машины автомат, как она устроена
В настоящее время хорошему уходу за одеждой нам помогают различные механические устройства, например, такие как стиральные машины. Сегодня они встречаются практически во всех домах и большинство из нас не может себе представить жизнь без этих устройств.
Современные машины для стирки удивляют инновациям, благодаря которым, они экономят энергию, эффективно стирая одежду. Их история прошла долгий путь начиная с примитивного устройства и заканчивая автоматической стиральной машиной.
Общие сведения
Впервые машина для стирки белья была описана в 1752 году под названием «Йоркширская дева». Она состояла из деревянного бака, который можно было закрыть крышкой и заполнить бельём и горячей мыльной водой. В центре крышки находился деревянный брусок с ручкой наверху для поворота, а на дне был расположен деревянный диск с утопленными деревянными штифтами, которые перемещали белье в мыльной воде, поворачиваясь взад-вперёд. Размер этой машины и ручной режим делали её пригодной для небольших домашних хозяйств.
Современная стиральная машина
Современная машина обычно требует подключения к источнику питания, пресной воде и сточным водам. Некоторые устройства не нагревают воду электричеством и вместо этого используют природный газ или (дополнительно или исключительно) подключены к центральному горячему водоснабжению.
Цикл стирки в таких машинах разделен на разные временные фазы. Машины автомат, которые являются обычными сегодня, обеспечивают последовательность автоматически, причём электроника обычно контролируется микроконтроллером.
Во время цикла стирки машина выпускает моющее средство и наполняет барабан водой, перемещая одежду вокруг воображаемой оси, чтобы каждый предмет был тщательно очищен. Затем эта мыльная жидкость сливается, а для цикла полоскания добавляется чистая воду, которая затем удаляется с оставшимся мылом. После чего барабан начинает быстро вращаться, удаляя около 80 процентов избыточной воды в одежде.
Особенности, доступные в современных бытовых стиральных агрегатах:
- таймер для задержки начала цикла стирки;
- предопределённые программы для различных типов белья;
- настройки скорости вращения;
- переменные температуры, включая холодную стирку.
В Европе большинство стиральных устройств представляют собой барабанные механизмы, в которых барабан вращается вокруг горизонтальной оси. Этот тип машин различает фронтальный и верхний загрузчик. Для фронтальных загрузчиков загрузочная дверь расположена на передней части стиральной машины, а верхние загрузчики загружают мойку барабана сверху. Вокруг стирального барабана находится ванна, которая может быть изготовлена из нержавеющей стали или пластика.
У большинства машин стиральный барабан вращается двигателем с помощью клинового ремня. Между тем другие производители также разработали машины с так называемым прямым приводом, в котором двигатель расположен на промывочном барабане.
В верхней части агрегата находятся элементы управления и ящик для моющих средств и средств по уходу.
Бытовые машины обычно имеют только одно соединение холодной воды. При запуске, программы стирки, вода вытекает из водопровода через соответствующий шланг для моющего средства. Через отверстия промывочного барабана промывочный раствор поступает в барабан.
Для процесса стирки промывочный раствор нагревается нагревательным стержнем до заданной температуры. Чем выше заданная температура, тем больше энергии требуется для нагрева воды. После промывки или ополаскивания сливной насос подаёт промывочный раствор или промывочную воду, его пропускают через сливной шланг в дренажную систему.
В машинах с циркуляционной системой установлены два насоса: дренажный насос и циркуляционный насос. Дренажный насос вымывает воду из бака, в то время как циркуляционный насос гарантирует, что во время стирки промывочный раствор возвращается в барабан через соединительный шланг.
Сегодня стиральные устройства делятся на полуавтоматические и автоматические. Полуавтоматические машины снабжены программами для стирки. Управлять таким агрегатом можно только определяя необходимые параметры вручную с помощью переключателей температуры, программ стирки, скорости отжима. Такие машины проще, но менее функциональны.
Принцип работы машины автомат
Автомат может показаться более сложным устройством. Зато такая машина не нуждается в помощи — она всё сделает сама:
- определит вес загруженного белья;
- закачает сколько надо воды;
- загрузит сколько надо моющих средств;
- определит время стирки.
Кроме того, она сделает анализ ткани, и того насколько она грязная. Исходя из полученных данных, машина начнёт стирку. Во время работы на цветном дисплее будут выведены данные о температуре воды, скорости вращения барабана во время отжима и т. д. Сенсорных датчиков в машинке автомат установлено много — они сообщают о качестве воды, температуре и других параметрах.
Со временем производители автоматических машин пошли на многое, чтобы снизить стоимость. Например, более дорогие редукторы больше не требуются, поскольку скорость двигателя можно контролировать электронным способом.
Устройство и работа стиральных машин
Корпус машин состоит из листовой стали, которая может быть:
- эмалированной;
- оцинкованной;
- окрашенной;
- из нержавеющей стали.
В некоторых моделях корпус состоит из самонесущей рамы, которая прочно соединена с задней стенкой. Переднюю стенку, боковые стенки и крышку можно снять с минимальными усилиями. Эта конструкция рамы обеспечивает лёгкий и быстрый ремонт в случае обслуживания.
Верхние и фронтальные загрузчики имеют крышку устройства, которая обычно изготовлена из устойчивого к царапинам, истиранию и высокой температуре материала. Для загрузки / выгрузки они открываются с помощью кнопки открытия (кнопка разблокировки).
Фронтальные загрузчики загружаются и разгружаются через отверстие для заполнения. Оно может иметь диаметр до 40 см. Угол открытия двери может быть до 180°. Стекло двери термостойкое и с двойным остеклением в некоторых приборах, для теплоизоляции и шумоподавления.
Некоторые производители предлагают освещение барабана, чтобы обеспечить лучшую видимость при погрузке и разгрузке. Чтобы максимально снизить потребление энергии, свет автоматически отключается.
Для уменьшения шума на компонентах и на корпусе используются специальные изоляционные материалы.
Стиральный барабан
Стиральный барабан выполнен из нержавеющей стали и установлен с возможностью вращения в специальной ванне. Для фронтальных загрузчиков предусмотрено одностороннее, для верхних загрузчиков одностороннее или двустороннее вращение барабана.
Стиральный барабан имеет объем от 40 до 55 литров, а некоторые приборы — от 56 до 72 литров. Барабан имеет отверстия для более быстрого проникновения воды.
Для облегчения загрузки и разгрузки некоторые модели оснащены наклонным задним барабаном 10 или 15°. Внутри барабан снабжён рёбрами из нержавеющей стали или пластика. Они являются частью механики стирки, поднимая белье из воды и отбрасывая его обратно, или промывая воду с определённой высоты.
Для достижения хорошего результата мытья и оптимального ухода за одеждой для разных текстильных изделий существуют устройства с асимметричными драйверами, то есть одна сторона закруглена, что приводит к более низкой высоте падения, а одна сторона плоская.
Чтобы убедиться, что белье полностью смочено, некоторые автоматические стиральные машины работают в соответствии с принципом водяного колеса. С лопатами, отверстиями или подкладками на внешней стороне барабана вводится вода и транспортируется вверх во время движения барабана.
Быстрое проникновение воды также достигается за счёт дополнительного циркуляционного насоса.
Дозировочные отсеки
В зависимости от производителя машины оснащены различным количеством вместительных отделений (от 2 до 4) для добавления стиральных средств и средств по уходу:
- отделение предварительной мойки, средство для вымачивания;
- отделение для смягчителя, средство для удаления пятен или отбеливателя;
- отделение для основной стирки;
- отделение для освежителя.
Промывка продуктов для стирки и ухода происходит автоматически. Автоматическая очистка дозирующей камеры после завершения программы предотвращает загрязнение.
Дозирующая камера для автоматической дозировки
Для заполнения внутренних ёмкостей жидким стирающим средством или смягчителем используется соответствующая дозирующая камера. Жидкое средство и смягчитель ткани можно, таким образом, автоматически дозировать.
Автоматические дозаторы
Отдельные ёмкости с порошком или жидким моющим средством, которые подключены к стиральной машине и размещены поблизости также позволяют хранить и автоматически дозировать моющее средство.
Водоснабжение
Для входа воды подключён шланг к линии питьевой воды. Подача воды осуществляется через электромагнитные клапаны которые открываются и закрываются программным управлением в назначенное время. Давление в сети водоснабжения поддерживает процессы открытия и закрытия.
В клапане установлен регулятор расхода воды, обеспечивающий постоянную подачу воды при разном давлении в линии. Если давление воды выше 10 бар, в подводящей линии должен быть установлен редукционный клапан. При давлении воды ниже 1 бар необходимо соблюдать специальные меры производителя.
Перед регулятором потока находятся фильтры, которые предотвращают попадание частиц грязи в клапан из линии воды.
Стиральные устройства оснащены 1—3 электромагнитными клапанами. С тремя электромагнитными клапанами предусмотрен отдельный клапан для каждой камеры промывки.
Для достижения более быстрого проникновения воды в белье и, следовательно, для лучшей промывки с минимальным потреблением воды, машины оснащены дополнительными способами промывки водой. На некоторых устройствах дверное стекло скошено, что обеспечивает быстрое и полное смачивание белья.
В случае устройств с быстрой технологией увлажнения белье быстро смачивается с помощью дополнительного инжекционного сопла и обеспечивается быстрый обмен воды во время стирки.
В случае системы прямой мойки вода подаётся непосредственно в белье через сопло во время подачи воды и протекает сверху. Таким образом, моющее средство автоматически промывается.
Контроль водоснабжения
Продолжительность подачи воды может быть зависимой от уровня или заданного времени.
В зависимом от уровня управления уровне уровни воды определяются регуляторами уровня также называемыми контроллерами уровня. Есть механические и аналоговые контроллеры уровня.
Механические регуляторы уровня, называемые мониторами давления, представляют собой герметичные ячейки давления с мембраной, которые соединены с ванной через шланг. Когда достигнут желаемый уровень воды, давление воздуха в коробке давления увеличивается. Благодаря арочной мембране электромагнитный клапан закрывается через контактную систему, и подача воды прерывается. С механическим регулятором уровня задаются разные уровни воды.
Контроллеры аналогового уровня, называемые датчиками давления, являются электронными контроллерами уровня. Они обладают свойством полупроводника. Они реагируют на повышение уровня воды и повышенное давление воздуха с изменением электрического сопротивления и, следовательно, изменением электрического напряжения.
Регуляторы уровня воды также используются в качестве сухой защиты, так как нагрев включается только при достижении определённого уровня, а также при защите от затопления и в качестве пенных детекторов во время стирки. В начале программы стирки подаётся достаточное количество воды до тех пор, пока не будет достигнут уровень воды, соответствующий программе стирки, и регулятор уровня не ответит. Затем двигатель поворачивает барабан.
Автоматическая загрузка
Входящее количество воды зависит не только от выбранной программы стирки, но также зависит от впитывающей способности белья.
Количество входящей воды записывается в начале программы стирки и используется для расчёта количества промывочной воды. Этот процесс называется автоматическим количеством.
Нагрев
Нагрев происходит преимущественно с помощью трубчатых нагревателей в ванне, реже — с помощью водонагревателя вне ванны.
Мощность нагрева макс. 2,3 квт. Для некоторых устройств удельная площадь поверхности уменьшается за счёт увеличения площади нагревания.
Электронные контроллеры используются для контроля температуры. Их задача — установить, ограничить и поддерживать постоянную температуру щёлока. Температуру можно либо непрерывно регулировать до 95° C, либо постоянно назначать программы.
Термисторы используются для электронного контроля температуры. Эти полупроводники работают по принципу электропроводности, который изменяется при нагревании. Когда напряжение подаётся на термистор, и цепь замкнута, ток течёт через него и действует как резистор. Электрическое сопротивление термисторов уменьшается с увеличением нагрева
Электронные контроллеры температуры имеют высокую точность и в сочетании с микропроцессорным управлением обеспечивают высокий уровень безопасности.
Привод
Привод (двигатель) перемещает стиральный барабан с разной скоростью в чередующемся направлении вращения (реверсирование). Скорость барабана зависит от программы. При вращении скорость составляет от 400 до 1800 U / мин.
Для привода используются разные двигатели:
Универсальные двигатели (коммутаторы, коллекторные двигатели) для работы от постоянного или переменного тока. Эти двигатели, оснащённые электронными компонентами управления, предлагают широкий спектр применений.
Различаются индивидуальные скорости, комбинации скоростей. Например, для оптимального распределения белья путём лёгкого ускорения барабана во время вращения, для вспенивания и др. Универсальные двигатели используются на машинах с разной скоростью вращения. Их максимальная скорость находится в верхнем диапазоне.
Высококачественные машины оснащены прерывателем. Здесь универсальный двигатель подаётся электроникой с выпрямленными сглаженными импульсами напряжения.
Трехфазные асинхронные двигатели с управлением преобразователем частоты (FI-управление): эти двигатели не требуют использования угольных щёток, поэтому они износостойкие и работают очень тихо, даже на высоких скоростях.
Ещё одной новой разработкой в этой области является прямой привод. Приводной двигатель прочно соединён с приводным валом барабана, поэтому приводные ремни больше не нужны. Это означает, что пространство за барабаном можно использовать лучше, а глубина барабана может быть на 30% больше. Из-за центрального положения вибрация привода уменьшена. Снижение шума за счёт исключения приводного ремня составляет около 10%.
220v.guru
3 основных цикла всех стиральных машин-автомат
Рейтинг автора
Автор статьи
Мастер с 12-летним стажем. Ремонт стиральных машин и холодильников.
Написано статей
Все пользуются бытовой техникой, но мало кто знает, как она работает. А это может очень пригодиться при поломке и необходимости ремонта. Как работает стиральная машина? Многие не затруднятся с ответом: загрузили белье и включили на кнопку, вода поступила, а барабан начал вращаться. А для чего тогда все внутренние комплектующие? Разберем подробнее.
Устройство и принцип работы стиральной машины-автомата (СМА)
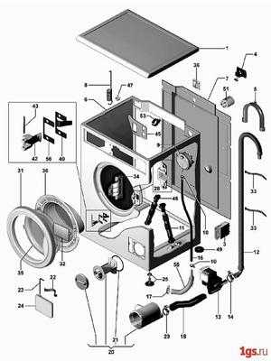
Чтобы наглядно объяснить, как функционирует стиралка, взгляните на ее устройство:

Распишем поэтапно алгоритм работы каждого элемента:
- За цифрами 1, 2, 3 скрываются защитные панели. Если их демонтировать, вам откроется расположение внутренних узлов машинки.
- 4 — это дверца люка. После загрузки белья она герметично закрывается, блокируя поток воды.
- 5 — электромагнитные клапаны. Они служат для забора воды в бак, которая поступает по заливному шлангу (6). Когда управляющий модуль подает ток на катушки клапана, его мембраны открываются и поток заходит в бак. После достижения необходимого уровня мембрана закрывается.
- Вода не сразу поступает прямо в бак. Сначала она проходит по шлангам к порошкоприемнику и дозатору — 7. В бункере (8) находится моющее средство, которое вы засыпали. Напор вымывает порошок и по патрубку (9) попадает в бак (10).

- 11 — это стальной барабан, который расположен в баке. Именно там находится белье. Барабан перфорирован специальными отверстиями, через которые впрыскивается вода с моющим средством.
- 12 — манжет люка или уплотнительная резинка. Она позволяет дверце герметично закрыться, не допуская утечки.
- Бак удерживается сверху пружинами (13), а снизу — амортизаторами (14). Они гасят вибрации во время отжима, не позволяя конструкции биться о стенки корпуса.
- 15 — противовес. Изготавливается из бетона или чугуна. Может находиться сверху, спереди или сзади бака, закреплен болтами. Также служит для гашения вибраций и колебаний, чтобы машина не «прыгала» по комнате.
- 16 — прессостат или датчик уровня. Небольшой прибор связан с баком посредством трубки. Он подает сигнал модулю об уровне воды в барабане. Когда ее достаточно, давление повышается, на что реагирует трубка прессостата, и забор прекращается.
- 18 — ТЭН (трубчатый электронагреватель). Как только барабан наполнился, включается ТЭН, выполняя нагрев до указанной термостатом температуры.
Как элемент знает, когда отключиться? Для этого в его корпусе установлен термистор (датчик температуры). Он фиксирует температуру и передает сообщение модулю.
- 17 — сливная помпа (насос). Сливает отработанную жидкость в канализацию после каждого цикла. Сразу жидкость проходит через патрубок, затем защитный фильтр. Последний задерживает крупные частицы, которые могут повредить помпу. Это забытые в карманах монеты и другие предметы. Затем вода с помощью крыльчатки проходит через насос и по сливному шлангу отправляется в канализацию.

Итак, белье загружено, вода залита, нагрев включился. Пора оказывать механическое воздействие на вещи, которое обеспечивает вращение барабана. Но как он крутится?
- 19 — электрический двигатель. В обычном исполнении мотор находится под баком, на задней стенке которого расположен большой шкив. Приводной ремень передает крутящий момент от малого шкива мотора на большой. Так барабан начинает вращаться. В последнее время внедряются инверторные двигатели прямого привода. Конструкция изначально крепится на заднюю стенку вместо шкива, не требуя дополнительных приспособлений.
На этапе стирки покачивания барабана медленные. Скорость увеличивается при отжиме. Количество оборотов может достигать до 800–2000, в зависимости от установленного режима. Регулировать вращения мотору помогает таходатчик.
- 20 — панель управления. На ней находятся дисплей, клавиши, программатор. С их помощью вы можете устанавливать режимы и контролировать этапы работы стиральной машинки.
- 21 — командоаппарат. Этот «умный» модуль и есть «мозг» стиралки. Именно на плате располагаются симисторы, которые отвечают за работу тех или иных узлов. Связь с комплектующими поддерживается путем проводки.
Мы описали схему работы машинки. Теперь опишем, как должна работать техника на разных этапах.
Основные циклы стиральной машинки
Разные марки и модели СМА имеют дополнительный функционал в зависимости от предпочтений производителя. Но все приборы включают три основных цикла стирки:
- Хлопок.
- Синтетика.
- Деликатные ткани.
Рассмотрим, как проходит каждый из них. После загрузки белья в барабан вы засыпали порошок в отделение. Программа выбрана и запущена. Какие этапы она проходит?
Лен и хлопок. Все начинается с предварительной стирки или замачивания. Эти ткани прочные и плотные, поэтому техника не жалеет времени и температуры для обработки.

- Машина забирает порошок из второго отделения.
- Нагревает воду от 30 до 50 градусов.
- Медленно покачивает барабан в течение 30 минут.
Основной цикл. Отработанная жидкость слилась, чистая уже набрана. Моющее забирается из основного отсека и разбавляется водой. Белье прокручивается быстрее, продолжительность процесса до 1 часа 50 минут. При этом СМА может понемногу доливать холодную воду. Это позволяет подготовить ткань к полосканию и избежать термоудара. Некоторые модели могут провести полоскание и отжим, прежде чем перейти на другой этап.
Дополнительная обработка. В последнюю очередь берется жидкость из среднего отделения дозатора. Это может быть ополаскиватель, крахмал (по усмотрению пользователя). Средство разводится водой и воздействует на вещи от 5 до 10 минут.
Окончание. Белье равномерно распределяется и отжимается с высокой скоростью в течение 10 минут.
Синтетика. Программа предусматривает все вышеописанные операции, но в большинстве моделей отсутствует этап предварительной стирки. Также цикл длится при более низких температурах.

Деликатные ткани. Подходит для шелка, шерсти, атласа. Предварительный этап исключается. Основная стирка проходит при температуре 30–40 градусов и сопровождается легкими покачиваниями барабана. Цикл завершается гидростопом: программа останавливается с водой и требует ручного включения слива. Отжим не срабатывает либо бывает минимальным.

Работа стиральной машины может включать сушку. Она проходит после отжима и позволяет достать чуть влажное белье для облегчения глажки.
Так работает наша «чудо-техника». После поэтапного рассмотрения устройство стиралки уже не кажется таким сложным. Возьмите статью на заметку, возможно, информация пригодится вам при ремонте или проблемах с выбором программы. Видео поможет подробнее вникнуть в процесс:
270076.ru
