неисправности моделей с вертикальной и фронтальной загрузкой. Как самостоятельно устранить поломки?
Стиральная машина – одно из наиболее востребованных и нужных в хозяйстве технических приспособлений. Любая хозяйка скажет, что эта техника позволяет существенно сэкономить время и сберечь нежную кожу женских рук от разрушительного воздействия горячей воды и стирального порошка, как при стирке вручную.
Одним из наиболее известных брендов, что производят стиральные машины, является компания Whirlpool. Продукция бренда завоевала симпатии домохозяек по всему миру благодаря простоте управления и эксплуатации, надежности и практичности. Но любая техника может ломаться. Попытаемся разобраться, какие бывают проблемы, и как их устранить самостоятельно своими руками.
Особенности конструкций стиральных машин Whirlpool
У производителя из США в ассортименте стиральные машины двух типов:- с фронтальной загрузкой;
- с вертикальной загрузкой.
Благодаря этому у пользователя появляется возможность найти удобное решение, которое максимально удовлетворит его потребности. Разобраться в каких-то технических особенностях конкретной модели, как правило, представляется возможным лишь при наличии чертежей, и то – только в контексте расположения тех или иных элементов или деталей внутри устройства.
Каких-либо серьезных различий между указанными типами машин нет – они могут быть разве что в технологии загрузки белья.
Причины поломок
Необходимо сказать, что не обо всех проблемах стиральная машина Whirlpool может оповестить своего владельца путем высвечивания определенного кода на дисплее.
Существуют некие основные проблемы, которые иногда возникают по различным причинам. Попробуем разобраться, что это за явления, и чем они могут быть вызваны.
- Подтекает вода. Обычно причиной этого является накапливание в манжете грязной жидкости. Если ее не удалять, то со временем манжета истончается и рвется либо лопается. Следует осторожно оттянуть центральную часть и осмотреть ее состояние. Если потребуется, то деталь стоит заменить.
- Устройство не нагревает воду. Тут мы имеем дело с неисправностью ТЭНа или термистора. Чтобы выяснить, как они работают, необходимо замерить сопротивление контактов указанных элементов, используя мультиметр.
- Проблемы с панелью управления. Речь идет о том, что не работает ручка селектора выбора программ, или нормально не отображается на дисплее нужная информация. Данная неполадка может быть связана с неисправностью платы управления либо свидетельствовать, что неисправен микроконтроллер.
Обычно данную проблему самому устранить не представляется возможным – требуется обращаться в сервисный центр. - Устройство не сливает воду. Это может быть следствием засора патрубка слива, шланга, сливного фильтра, либо вышел из строя сливной электрический насос. Обычно проблема решается проверкой и прочисткой указанных элементов или же их заменой.
- Шум в машинке по время работы. Обычно появляется из-за попадания в барабан каких-то предметов, а также если требуется заменить сальник или подшипник, ведь часто упомянутые детали работают, как амортизатор. Тут потребуется разобрать полностью устройство и демонтировать барабан.
- Самопроизвольное открытие створок, а также коррозия верхней крышки. Данные неполадки характерны для моделей бренда с вертикальной загрузкой. В этом случае можно дома поменять крышку и необходимые элементы.
Естественно, что это не все поломки, которые могут быть, о чем детально будет сказано ниже.
Диагностика
Говоря о диагностике проблем со стиральными машинами Whirlpool, скажем, что в большинстве своем те или иные неполадки могут иметь несколько причин возникновения, и если знать об этом, то в принципе найти причину возможно и самостоятельно. Правда, существуют и неполадки, которые самому выявить крайне сложно.
По большей части речь идет о проблемах с платой управления и микроконтроллером. В таком случае придется обращаться к специалистам сервисного центра по причине наличия у них специальных приспособлений, которые могут быстро проверить работоспособность указанных элементов и их исправность.
Необходимые инструменты и запчасти
Здесь все будет зависеть от того, с какой проблемой столкнулся пользователь.
То есть в каком случае может потребоваться крестовина или ремень, а когда – щетки и фланцы барабана. В общем, все индивидуально.Если говорить именно о необходимых инструментах, то в любом случае потребуется иметь под рукой:
- отвертку с плоской головкой;
- крестообразную отвертку.
Если предстоит работать с электрическими элементами, то необходимо иметь под рукой мультиметр и что-нибудь для чистки контактов. Но этот короткий список вполне достаточен. В каких-то серьезных случаях лучше доверить ремонт устройства специалисту сервисного центра.
Разборка корпуса
Попытаемся понять, как разобрать корпус машинки Whirlpool.
Рассмотрим алгоритм действий.
- Сначала следует произвести демонтаж верхней крышки устройства. Ее держат в стандартном положении несколько болтов, расположенных наверху задней панели. Когда они будут откручены, необходимо придавить крышку с передней стороны и поднять ее.
- Теперь требуется снять лоток для порошка. Тут существует специальная пластиковая клавиша, что обычно находится в центре лотка. Нажимаем на нее и тянем к себе, после чего элемент должен выйти из пазов.
- Снимаем панель управления. Она закреплена на паре болтов. Первый расположен прямо под лотком для порошка, а второй – с другой стороны панели. Выкручиваем болты. Теперь требуется осторожно демонтировать ее и положить наверх, ведь она все еще присоединена к другим элементам кабелями. Их требуется аккуратно отсоединить.
- Демонтируем сервисную панель. Тут ничего откручивать не требуется. Достаточно просто нажать на 2 защелки, что располагаются с боков, и на третью, расположенную посередине.

- Следующий этап – демонтаж передней стенки. Необходимо снять хомут из резины, что находится на люке загрузки. Он удерживается маленькой пружиной, которую следует подоткнуть. Теперь манжету можно снять по кругу, используя пассатижи и отвертки. Затем необходимо найти все фиксаторы, что удерживают переднюю панель. Кроме них, здесь присутствуют специальные крючки, и чтобы их демонтировать, панель следует осторожно приподнять.
- Осталось вытащить заднюю часть. Это делается очень просто – необходимо открутить болты фиксации, что расположены по периметру устройства.
Типичные неисправности и способы их устранения
Перед ремонтом технику следует подготовить, а именно: отсоединить от электросети, и перекрыть вентиль подачи воды.
Первой и наиболее распространенной проблемой является отказ устройства сливать воду после стирки.
- засор патрубка слива или фильтра;
- неисправность насоса;
- засор в канализации или шланге.
Сначала требуется выкрутить фильтр. Он расположен в маленьком отсеке под люком загрузки. Открываем дверцу, подставляем тазик, движениями против часовой стрелки выкручиваем пробку фильтра. Ждем, пока будет слита вода, что осталась внутри устройства. Удаляем мусор из фильтровой сетки и осматриваем крыльчатку помпы. Если она заблокирована, то следует ее очистить от мусора.
Если она забит мусором, то прочищаем его. Если все было сделано, но слив лучше не стал, то следует обратить внимание на насос и патрубок. Для этого кладем корпус машины набок, после чего достаем дозатор для порошка и разжимаем хомут патрубка.Его следует демонтировать, прочистить от засоров и промыть теплой водой. Теперь следует проверить помпу – если она неисправна, то проводится замена. Для этого следует отсоединить проводку от насосных контактов и выкрутить болты, что удерживают насос.
Еще одна распространенная проблема – машина не греет воду. За нагрев отвечает специальный элемент – ТЭН. Часто на нем образуется накипь, что становится причиной его поломки.
Для проверки или замены этой детали следует произвести такие действия:
- снять верхнюю крышку путем выкручивания саморезов сзади;
- снимаем заднюю крышку, выкрутив болты, что ее держат;
- отключаем проводку, вытаскиваем термистор из нагревательного корпуса;
- проверяем исправность нагревателя;
- если он сломан, то откручиваем гайку, расположенную по центру, после чего продавливаем внутрь болт;
- вынимаем старый нагреватель, чистим его гнездо от накипи и мусора;
- устанавливаем новый ТЭН.
Еще одна типичная проблема состоит в том, что не работает отжим. Причиной этого могут быть либо неисправные щетки мотора, либо проблемы с приводным ремнем. В двигателях коллекторного типа ток на ротор идет через щетки, расположенные по бокам корпуса.
Стержни щеток довольно мягкие, и их износ очень быстрый, что является причиной остановки работы. Для проверки их состояния требуется выполнить такие действия:
- убираем заднюю стенку машинки;
- снимаем приводной ремень, который следует осмотреть – если они растянут и изношен, его следует заменить;
- если производится первичная замена щеток, то двигатель лучше будет достать из корпуса;
- выкручиваем болты, отсоединяем проводку;
- теперь необходимо отключить щеточные клеммы, затем вытащить щетки из корпуса;
- если присутствует сильный износ, то следует заменить щетки, после чего произвести подключение проводки.
Кстати, причиной проблем с отжимом может быть износ подшипника.
Бывает так, что стиральная машина Whirlpool просто не включается. Причиной этого может стать проблема с платой управления.
Для ремонта потребуются знания по электронике, а также схемы платы управления. Но эту работу лучше доверить специалисту. А для осмотра требуется выполнить следующие действия:
- убрать верхнюю крышку;
- достать лоток для порошка;
- выкрутить шурупы, расположенные по периметру блока управления;
- отключить проводку;
- демонтировать верхнюю защиту, расстегнув защелки.
Если на поверхности платы есть окисления и подгоревшие места, то это означает ее неисправность.
Бывает еще так, что устройство по каким-то причинам не набирает воду, хотя в кране вода присутствует. Причин этого может быть лишь две:
- неисправность клапана залива;
- засорение фильтра заливного шланга.

Фильтр можно при желании легко почистить, хотя его обычно просто меняют. То же самое касается и заливного клапана.
Довольно часто встречается проблема коррозии корпуса, что может стать причиной протечки. Сразу скажем, что поврежденные панели следует заменять, и окрашивание ситуации не решит.
Одной из причин течи может быть повреждение люковой манжеты, ведь резина очень чувствительна к длительным скоплениям влаги. Если ее вовремя не протирать, то манжета будет изнашиваться, трескаться и в результате даст течь. И тут сможет помочь лишь полная ее замена. Чтобы ее произвести, необходимо отогнуть уплотнитель, после чего поддеть хомут отверткой и снять его.
Теперь нужно заправить резину внутрь барабана.
Чтобы убрать внутренний хомут, следует осуществить демонтаж передней панели либо ослабление винта хомута через верхнюю крышку. Теперь можно осторожно снять резину. Установка новой будет производиться в обратной последовательности.
Советы по ремонту
Первый важный совет, который позволит максимально отсрочить ремонт как таковой – максимально тщательно ухаживайте за стиральной машиной Whirlpool во время эксплуатации. Тот же резиновый уплотнитель обязательно нужно вытирать насухо после каждой стирки, чтобы он не изнашивался быстрее, чем должен.
Механические детали стиральной машины требуется хотя бы периодически смазывать, чтобы обеспечить их качественную и надежную работу на протяжении длительного периода. Кроме того, при проведении каких-либо ремонтных работ следует не только иметь под рукой схему конкретной модели рассматриваемого производителя, но и четко понимать, что именно вы делаете и для чего. Без наличия чертежей имеющейся стиральной машины Whirlpool существует высокая вероятность того, что ремонт может быть сделан неправильно или произведен с нарушениями, что только усугубит поломку.
При желании можно будет пообщаться со специалистом какого-нибудь сервисного центра, расположенного неподалеку от вашего дома.
О ремонте стиральной машинки смотрите далее.
youtube.com/embed/QINjKzd1CjE?modestbranding=1&iv_load_policy=3&rel=0″/>
Стиральная машина whirlpool ремонт своими руками
Подробно: стиральная машина whirlpool ремонт своими руками от настоящего мастера для сайта olenord.com.
Различные модели и производители стиральных машин представлены сегодня в большом количестве в магазинах бытовой техники. Whirlpool является одной из таких марок. Производство высококачественных агрегатов осуществляется в таких странах, как Италия и Словакия. Стиральная машина является сложным механизмом, характеризующимся большим количеством возможных причин неисправностей и вариантов ремонта. В этой статье поговорим о самых распространенных неисправностях и рассмотрим, каким образом можно сделать ремонт стиральной машины данной марки.
Важно! На основании проведенной статистики можно сделать вывод, что каждая пятнадцатая машина требует проведения ремонтных работ.
С этим справятя ребята из сервисного центра ЕвроБытСервис – https://www.evrobytservis-remont.ru/remont-stiralnyh-mashin/. Приедут в день обращения, качественно отремонтируют и дадут скидку и письменную гарантию. Рекомендуем!
Одной из самых распространенных причин неисправности у стиральных машин разных производителей является отсутствие слива жидкости. Кто не сталкивался с такой проблемой, когда стиральная машина в один момент внезапно перестает сливать воду? Это зачастую случается после отработки программы.
Важно! Такое может произойти и при перезапуске функции или нажатии на кнопку принудительного слива жидкости.
Назовем случаи, при которых происходит подобное:
- происходит засорение в трубопроводе слива воды;
- засоряется фильтр;
- происходит засорение, возникшее в канализационной системе;
- возникает неисправность электронасоса, который отвечает за слив жидкости в стиральной машине.
Нет видео.
Видео (кликните для воспроизведения).![]() |
Вне зависимости от формы загрузки стиральной машины “Вирпул”, начинать ремонт агрегата нужно с освобождения барабана от воды, образовавшейся при стирке. При этом имеется два способа:
- Сделать это можно, воспользовавшись трубкой аварийного слива, расположенной вблизи основного шланга. Для этого нужно просто открыть пробку и подставить таз.
- Или через сливание воды со стиралки – открутив фильтр. При этом необходима чрезмерная аккуратность и наличие множества тряпок, поскольку вся жидкость (которой там очень много) просто-напросто хлынет из данного отверстия. Однако из-за расположения фильтра в нижней части агрегата использовать при таком сливе тазик не получится.
Устранить неполадки, связанные с отсутствующим или неэффективно работающим сливом жидкости, можно промыв фильтр и шланги от мусора и загрязнений. Также нужно сделать из проволоки гибкий шнур, с помощью которого почистить канализационную систему.
Важно! Никакие специальные навыки для выполнения вышеперечисленных действий не требуются.
Также при этом отсутствует необходимость в том, чтобы разбирать стиральную машину Whirlpool. Если агрегат не заработал даже после прочистки всех труб, обратитесь в компанию, занимающуюся ремонтом стиралки данной марки – к вам приедут мастера и восстановят все функции вашего аппарата. Если же на это дело у вас не хватает денежных ресурсов, можете заняться ремонтом своей стиралки самостоятельно, но только при условии наличия у вас соответствующих профессиональных навыков.
Устранить поломку можно, разобрав корпус стирального агрегата и добравшись до сливного патрубка и муфты. Чтобы добраться до сливного патрубка, необходимо:
1.Снять лоток для моющих средств.
2.Отсоединить устройство от электросети, водопроводной и канализационной системы.
3.Повернуть устройство и положить боком на ковер.
6.Используя мультиметр, сделать замеры сопротивления на открытых контактах.
7. Заменить старый насос новым, если причина кроется в насосе. Если проблема в чем-то другом, действовать дальше.
8.Чуть открутить хомуты, держащие сливной патрубок.
9.Очистить от грязи и мусора.
10. Установить на место.
Выполнив вышеуказанные действия, можно добиться того, что жидкость начнет сходить надлежащим образом.
В некоторых случаях владельцы стиралок сталкиваются с проблемой поломки дисплея, которая легко определяется. В процессе стирки происходит мигание всей панели и кнопок, при этом выполняемая программа работает на должном уровне.
Чтобы проверить панель на исправность состояния, следует на несколько минут выключить агрегат из сети. Если неполадка при включении проявляется таким же самым образом, следует вызвать специалиста или забрать устройство на ремонт в сервисный центр. Произвести эффективный ремонт электронной панели своими руками нереально!
После того, как вода перестала греться до требуемого уровня, вы задумались о необходимости ремонта своей стиральной машины “Вирпул”? В таком случае вам нужно самостоятельно выяснить, в чем заключается причина поломки.
Поломка термистора или ТЭНа может стать единственной причиной при несоответствии между реальной температурой и той, которая была заявлена при выборе программы.
Данную поломку нужно диагностировать в любом случае.
Замена ТЭН осуществляется в несколько шагов:
1.Сначала нужно открутить болты, держащие заднюю крышку.
2.Затем снять кронштейн, из-за которого нельзя подобраться к металлической пластине с проводами и контактами, которая и является ТЭНом.
5.Замерить сопротивление, используя для этого специальный прибор – мультиметр.
6. Замерить сопротивление нагревательного элемента.
Если у вас затруднения в выборе правильной модели ТЭНа, обратитесь в ЕвроБытСервис – и замена не заставит себя долго ждать.
Если вы увидите, что показания равны нулю, можете начинать самостоятельно заменять ТЭН. Для этого снимите старый нагревательный элемент.
Важно! Определение неисправности ТЭНа зачастую производится и без использования мультиметра. Тонкий слой накипи, образуемый в результате пригорания пластины к поверхности, может иметь толщину даже до 1 см.
Специальное средство WD-40 поможет вам в случае образования сильной накипи и невозможности отсоединения пластины с первого раза.
Установка ТЭНа осуществляется на прокладку из резины, заменяемую при неисправности нагревательного элемента. Причиной этого может стать возможная протечка замененной в процессе эксплуатации резинки, способная повлечь за собой серьезные последствия.
После установки нового ТЭНа, к нему заново подсоединяются все провода. Далее необходимо поставить на место заднюю крышку. Короче говоря, процесс сборки является полной противоположностью процессу разборки.
Протечка жидкости из окошка во время работы определенной программы можно назвать одной из наиболее часто встречающихся проблем. Точно узнав причину возникновения той или иной поломки стиральной машины марки “Вирпул”, можно приступать к ее ремонту.
Причиной вытечки воды из люка может быть только плохая резиновая манжета, зафиксированная внутри окошка. Этот элемент предназначен для той цели, чтобы не пропускать жидкость.
Важно! Нужно следить за тем, чтобы резинка всегда была чистой. Так, в процессе стирки внизу манжеты постоянно собирается грязь и немного воды, что может приводить к лопанию, тресканию и пропуску воды.
Для замены старой манжеты на новую необходимо:
1. Открыть люк до максимального уровня.
2. С помощью небольшой отвертки поддеть держатель из пластика, с закрепленной в ней резинкой.
3. На резиновой подкладке найти болт, находящийся на креплении манжеты.
4.Раскрутив болт, расправить манжету.
5.Приложив немного усилий, потянуть на себя манжету.
6.Аккуратно вставить новую резинку. На данном этапе не нужно использовать острые предметы.
9.Стиральная машина готова к использованию.
Важно! Лучше всего выбирать оригинальную модель манжеты итальянского или словацкого производства. Не стоит останавливаться на выборе дешевых манжет, не имеющих длительного срока эксплуатации и не наносящих большой ущерб устройству.
Постоянный уход за стиральной машиной “Вирпул” гарантирует ее максимально длительный эксплуатационный срок.
В такой уход за стиралкой включаются следующие этапы:
чистка фильтров после нескольких стирок;
проверка карманов перед стиркой;
использование только специальных средств для стирки.
Стиральные машины Whirlpool пользуются стабильно высоким спросом на рынке. Устройства этого производителя отличаются высоким качеством и надежностью при этом могут похвастаться вполне демократичным ценником. В продаже встречаются машины производства Словакии и Италии. Итальянская сборка заметно дороже, но вряд ли стоит переплачивать, машины из Словакии также имеют отличные потребительские характеристики.В среднем на протяжении срока службы в ремонт поступает одна из пятнадцати машины этого производителя, что является вполне приемлемым результатом. Сертифицированные сервисные центры можно найти практически в любом крупном городе страны, так что проблем с ремонтом и обслуживанием точно не возникнет. Ремонт стиральных машин Whirlpool можно доверить специалистам центра, а при наличии опыта подобных работ выполнить самостоятельно.
Автоматическая стиральная машина – сложное устройство, она состоит из множества узлов и агрегатов, каждый из которых может выйти из строя. Перечень возможных неисправностей стиральных машин Whirlpool очень обширен, полное руководство по ремонту будет насчитывать несколько томов. Из наиболее распространенных проблем можно выделить следующие: не работающий слив, проблемы с нагревом, износ или обрыв манжеты.
Пожалуй, самая распространенная проблема из тех, с которыми могут столкнуться владельцы стиральных машин Whirlpool. Машина останавливается и вместо того, чтобы слить воду, выдает сообщение об ошибке. Причин неработающего слива может быть несколько:
Прежде чем начинать ремонт стиральной машины Вирпул с проблемами системы слива необходимо удалить воду из барабана. Специально для подобных ситуаций производитель предусмотрел аварийный слив. Удалить воду просто, для этого надо лишь вынуть пробку, предварительно не забыв подставить емкость для воды.
После того, как вода удалена, можно переходить непосредственно к ремонту.
Машина отодвигается для удобства работы. Проверяется шланг на предмет загрязнения и перегибов.
После шланга проверяют чистоту сливного фильтра. Он улавливает нитки, лоскуты, пуговицы, что может стать причиной засора. Его необходимо снять и промыть. Также не лишним будет прочистить канализацию, используя гибкий трос или изогнутую проволоку.
Если фильтр чистый, внутри шланга нет засора, а машина по-прежнему не сливает воду, следует проверить сливной патрубок и насос. Для этого необходимо выполнить частичную разборку машины.
- Устройство отключается от сети, водопровода и канализации.
- Извлекается лоток для моющих средств.
- Машина кладется на бок.
- Откручиваются болты, удерживающие дно.
Получив доступ к контактам помпы, с помощью мультиметра замеряется сопротивление обмоток. Если прибор покажет обрыв – необходима замена. Старый насос снимается, сливной патрубок очищается от грязи и накипи. Заменив насос, машину собирают, подключают к коммуникациям, проверяют работу слива.
Если работа любой программы останавливается при попытке нагреть воду, а на дисплее отображается сообщение об ошибке системы нагрева, одной из наиболее вероятных причин является неработающий нагреватель – тэн. Отремонтировать сгоревший нагреватель в принципе невозможно, единственный возможный выход – замена. В стиральных машинах Whirlpool тэн меняется достаточно просто, эту процедуру можно выполнить своими руками.
- Машина отключается от сети и водопровода.
- Устройство поворачивается или отодвигается от стены для удобства работы.
- С помощью отвертки отвинчивается задняя крышка.
- Снимается кронштейн, перекрывающий доступ к нагревателю.
За кронштейном находятся выводы тэна, контактная площадка. Чтобы проверить нагреватель не обязательно его извлекать, достаточно отключить идущие к нему провода.
Для проверки работоспособности нагревателя используют мультиметр в режиме измерения сопротивления. Нерабочий тэн покажет бесконечное сопротивление, рабочий – несколько десятков Ом, в зависимости от модели.
Сгоревший тэн надо менять. Пожалуй, единственная сложность, которая может возникнуть в ходе его замены – ржавчина. Винт, фиксирующий нагреватель может приржаветь настолько, что без использования специальных средств, к примеру, WD-40 не обойтись.
Старый нагреватель извлекается, на его место устанавливается новый, вместе с ним стоит заменить и резиновую прокладку, в противном случае возможны протечки, из-за старения резины.
Это еще одна распространенная проблема, справиться с которой несложно своими силами. Она проявляется в том, что во время стирки вода просачивается через манжету, уплотнитель загрузочного люка машины. Причина подобного явления – потеря эластичности манжеты или неправильная ее установка в процессе ремонта.
Заменить манжету несложно, надо лишь выполнить ряд простых действий.
- Открыть люк до упора.
- Поддеть отверткой и снять пластиковый держатель
- Выкрутить фиксирующий болт, тем самым освобождая манжету.
- Потянуть манжету на себя.

- Аккуратно вставить новую. При этом не рекомендуется использовать острые предметы, чтобы не повредить тонкую резину.
- Одеть хомут, затянуть болт.
Манжета – простая деталь, но от ее качества зависит безопасность стирки. Правильный выбор – оригинальная деталь, производства Италии или Словакии. Покупая дешевую подделку, удастся немного сэкономить, но вполне возможно скоро придется снова разбирать машину.
Список неисправностей, с которыми можно справиться самостоятельно не ограничивается описанными выше. Знание устройства машины и умение понимать ее сообщения позволит решить большую часть возможных проблем.
В любом случае, прежде чем начинать ремонт стиральных машин Whirlpool необходимо выявить неисправность и найти ее причину. Производитель позаботился о простоте ремонта, для этого в микропрограмму включена система автоматического тестирования, результат работы которой, в виде сообщения об ошибке, выводится на индикатор.
Первое, что стоит проверить при возникновении подобных ошибок – наличие воды в водопроводе и ее давление.
Если напор в системе не соответствует номинальному значению, стирку придется отложить до нормализации водоснабжения.
Стоит обратить внимание и на состояние входного клапана. В нем установлена сеточка, играющая роль фильтра, при необходимости ее следует промыть или заменить.
Если же вода в машину поступает нормально, но ошибка все равно возникает, причина может крыться в датчике, контролирующем уровень воды. Стоит проверить сам датчик, его подключение, а возможно и модуль управления.
Данная ошибка может возникнуть в случае блокировки входного клапана. Его необходимо проверить, а при необходимости заменить. Эта же ошибка может появиться в случае утечки воды. Стоит внимательно осмотреть место установки машины. Если появилась лужа – стирку придется перенести до устранения неисправности.
Если машина отказывается сливать воду, необходимо проверить весь сливной тракт. Причиной может быть засоренность фильтра, сливного шланга, его чрезмерный перегиб. К подобным ошибкам ведет поломка или засорение сливной помпы.
В редких случаях причиной может стать неисправность контролера.
Машина не греет воду или ее температурные параметры не соответствуют значениям, заложенным в программе. Причины данной проблемы могут крыться в нагревательном элементе или температурном датчике. В любом случае для ремонта придется разобрать устройство, омметром протестировать тэн, при необходимости заменить его. То же касаемо датчика.
Тахогенератор – небольшое устройство, которое устанавливается на двигатель для контроля его оборотов. Чаще всего причинной возникновения данной ошибки служит слетевшая пружинная шайба или обрыв проводников, идущих к устройству.
Источник неисправности – плата контроллера. Для ремонта необходимо извлечь ее и заменить детали, которые вышли из строя.
Нагреватель стиральной машины – один из наиболее уязвимых ее узлов. Контактируя с водой не лучшего качества, он покрывается накипью, она заметно снижает его характеристики.
Данная ошибка может означать:
- сгорел или сломался нагреватель;
- не работает прессостат;
- неисправен контроллер;
- поврежден или сгорел датчик температуры.
Для устранения неисправностей необходимо разобрать машину, проверить, а при необходимости заменить нагревательный элемент или неисправный датчик.
Появление любой из этих ошибок сигнализирует о выходе из строя электродвигателя или схемы подключения. Для их устранения необходимо проверить температурное реле и управляющие симисторы на плате. Сгоревшие детали придется заменить.
Ошибки F27 и F28 указывают на невозможность вращения двигателя в обратном направлении и слишком медленном его вращении, соответственно. Для исправления ситуации необходимо проверить, а при необходимости заменить реле реверса и переключения обмоток.
Проблемы с обмотками двигателя диагностировать сложнее. Возможно выгорание одной или нескольких обмоток, обрыв в них, отсутствие контакта, повреждение изоляции.
В большинстве случаев двигатель придется менять, исключение – изношенные щетки коллектора.
Чаще всего источником данных ошибок является несоответствие параметров электрической сети требуемым значениям. Необходимо проверить напряжение в розетке, а также принять меры по его нормализации. Не лишним будет использовать для подключения машины стабилизатор.
Ошибки появляются в случае различных сбоев в работе контролера. Для исправления ситуации может понадобиться повторная прошивка модуля, а возможно и полная его замена.
Также причина ошибок может скрываться в неисправной проводке, обрыве одного или нескольких проводов, идущих от модуля управления к исполнительным устройствам и датчикам. В данном случае необходимо «прозвонить» каждый проводник, при необходимости заменить поврежденный.
Датчик фиксирует чрезмерное количество пены, что может стать причиной выхода машины из строя. Необходимо заменить моющее и повторить стирку.
Первая из этих ошибок появляется в случае невозможности нормального выполнения программы из-за неисправности блока управления, вторая из-за невозможности передачи команды от модуля к исполнительным устройствам. Для их устранения необходимо разобрать машину, проверить целостность проводки и компонентов платы контроллера.
Причина – не работает прессостат, датчик контролирующий уровень воды. Необходима замена.
Данная ошибка сигнализирует о том, что попытка обновления через интернет закончилась неудачей. Возможно, необходимо проверить настройки роутера или обратиться к провайдеру.
Появление этих ошибок сигнализирует о том, что люк неплотно закрыт или не работает соответствующий датчик. Стоит попытаться открыть люк и закрыть заново, если ошибка не исчезнет – заменить датчик.
Справиться с большинством поломок стиральной машины Whirlpool можно в домашних условиях. Для этого достаточно небольшого набора стандартного инструмента, умения ним пользоваться и, безусловно, желания.
Конечно, не стоит пытаться отремонтировать машину, гарантийный срок которой еще не истек, и не стоит браться за ремонт, не имея опыта работы с электрооборудованием. Важно трезво оценивать свои силы и в случае малейших сомнений обращаться в ремонтную мастерскую.
В любой сложной технике, тем более бытовой, потенциально может сломаться все что угодно. Если перечислять все без исключения возможные поломки современных автоматических стиральных машин Вирпул и описывать их устранение, можно об этом книгу написать.
Поэтому мы в рамках статьи расскажем только о типичных дефектах, которые по статистике, предоставленной сервисными центрами, встречаются чаще всего.
- Вода из машинки не уходит после стирки.
- Программы стирки глючат, не работают, как должны, либо вообще не активируются.
- Вода, набранная для стирки, не нагревается согласно заданной программе.
- Вода подтекает во время стирки из-под закрытой крышки люка.
Обратите внимание! В этих типичных признаках поломок зашифрованы серьезные неисправности, устранение которых первостепенная задача, поскольку иначе стиральная машина Вирпул может сломаться окончательно.
Наверное, и с вами такое было, закладываете белье в барабан, ставите любимую программу стирки и уходите в другую комнату делать домашние дела. Через некоторое время приходите, машинка зависла, в ней полный бак мыльной воды и стирка конечно не завершена. Перезапускаете машинку, история повторяется, стирка не может завершиться, поскольку вода из бака не уходит.
Как поступить в такой ситуации, и в чем причина проблемы? Основных причин три:
- возник засор в сливном патрубке или сливном фильтре;
- возник засор в сливном шланге или канализации;
- сломался электрический сливной насос.
Но прежде чем начать выяснять причину поломки вашей машины Вирпул, нужно своими руками подготовить ее, а именно отключить и слить воду из бака вручную. Быстро и безопасно удалить всю воду из бака можно через шланг аварийного слива, который находится рядом со сливным фильтром. Нужно подставить под шланг таз или другую емкость и открыть пробку и вся вода сама вытечет. Далее приступим к поиску поломки, двигаясь от простого к сложному.
- Подкладываем емкость или тряпку под отверстие сливного фильтра и откручиваем пробку. Чистим фильтр от грязи и ставим пробку на место.
- Аккуратно откручиваем сливной шланг и чистим его от грязи, затем прикручиваем на место.
- Проверяем, не засорилась ли канализация.

Вышеуказанные действия не предполагают разборки стиральной машины Вирпул, поэтому после проведения «генеральной» чистки попробуйте запустить машину заново. Если ничего не изменилось и машинка по-прежнему отказывается сливать воду, значит, придется лезть в ее корпус.
Важно! Почти во всех моделях стиральных машин Вирпул, чтобы добраться до сливного патрубка и помпы нужно лишь перевернуть машину на бок и снять дно.
Чтобы добраться до интересующих нас деталей, выполним следующие действия:
- вынимаем лоток для порошка;
- отсоединяем машинку от водопровода, канализации и электросети;
- кладем машинку на бок;
- откручиваем крепежные элементы и убираем дно;
- берем мультиметр и замеряем сопротивление на контактах помпы;
- меняем сливной насос на новый, если проблема не в нем, то переходим к следующему этапу;
- ослабляем хомуты сливного патрубка и снимаем его;
- чистим от засоров и ставим на место.
Бывает так, что после включения стиральной машины ее панель управления словно сходит с ума.
Дисплей начинает мигать, а ему вторят все лампочки и индикаторы тумблера. При этом программа стирки может и не выставляться. Если вы столкнулись с подобным, немедленно отключите машинку от сети и подождите около 1 минуты. Затем снова включите стиральную машину Вирпул и если проблема повториться – вызывайте мастера. Тут дело в плате управления, а чинить ее своими руками крайне сложно, лучше даже не тратить время и силы.
А вот в случае если ваша машинка отказывается стирать в теплой воде, то можно не только самостоятельно определить неисправность, но и устранить ее своими руками, без помощи специалиста. Вероятнее всего причина кроется в нагревательном элементе или термисторе, в любом случае придется проверять оба элемента сразу. Действуем следующим образом.
- Разворачиваем стиральную машину задней стенкой к себе, так чтобы было удобно.
- Откручиваем болты и снимаем заднюю стенку машинки.
- Отвинчиваем кронштейн, который будет мешать работать с тэном.

- В нижней части бака мы увидим два торчащих контакта – это тэн. К нему подходит четыре проводка, два посередине к термистору и два по краям к тэну, нужно их все отсоединить.
- Берем мультиметр и замеряем сопротивление контактов термистора.
- Если все в порядке, замеряем сопротивление на тэне.
В данном случае вы, скорее всего, обнаружите неисправность, и придется произвести замену нагревательного элемента. Обычно при извлечении тэна из бака причина поломки сразу проясняется, поскольку поверхность нагревательного элемента сплошь покрывается накипью. Если накипи немного, то тэн от нее не сгорит, другое дело, если слой водного камня больше сантиметра – это приводит к поломке элемента стиральной машины Вирпул. Произведем замену тэна своими руками.
- Контакты с проводами мы уже сняли, теперь открутим пластмассовый щиток.
- Далее откручиваем болт, который находится между большими контактами тэна.
- Беремся руками за контакты тэна и вытягиваем его на себя, если тэн не идет, попробуйте его аккуратно покачать.
Резиновая прокладка будет немного мешать, но ничего не поделаешь - Вытащив тэн, убираем и прокладку.
Обратите внимание! Специалисты рекомендуют не устанавливать новый нагревательный элемент на старую резиновую прокладку, лучше вместе с тэном поменяйте и ее, поскольку протечка для данного элемента – это самое страшное.
- Вытаскиваем из образовавшегося отверстия грязь и куски накипи, тщательно чистим края, а затем вставляем новую прокладку.
- Вставляем новый тэн и прикручиваем его.
- Прикручиваем пластмассовый щиток.
- Подключаем контакты с проводами к термистору.
- Подключаем контакты с проводами к тэну, ставим на место кронштейн и заднюю стенку.
Если во время стирки и полоскания из-под люка вашей стиральной машины Whirlpool подтекает вода, сначала немного, несколько капель, потом все больше и больше, то нужно внимательно осмотреть самую крупную резиновую прокладку в машине – манжету. Манжету невозможно не заметить, поскольку она опоясывает отверстие люка и служит для того, чтобы не выпускать воду из бака наружу.
- Открываем крышку люка как можно шире.
- Берем плоскую отвертку и пытаемся поддеть тонкий проволочный хомут, который располагается на внешней стороне манжеты и удерживает ее.
- Как только удастся его поддеть, подводим под него отвертку посильнее и начинаем продвигаться по кругу до тех пор, пока не найдем соединительный элемент с болтиком.
- Ослабляем хомут и убираем его в сторону.
- Беремся за манжету обеими руками и с усилием вытаскиваем ее наружу.
Обязательно на замену приобретайте только оригинальную манжету, которая четко подойдет в паз люка этой модели стиральной машины Вирпул, иначе могут возникнуть проблемы.
Подводя итог, отметим, стиральные машинки Whirlpool европейской сборки относительно надежны и типовых поломок у них не так много. Чаще проблемы возникают из-за того, что сам пользователь плохо ухаживает за своей «домашней помощницей» не чистит вовремя шланги и фильтры, не протирает манжету, а все это в конечном итоге выливается в неисправность. Берегите стиральную машину, и ее не придется часто ремонтировать!
Не всегда техника ломается в гарантийный срок. Поэтому пользователю приходится самостоятельно решать вопросы по восстановлению работы стиралки. Ремонт стиральных машин Whirlpool можно провести самостоятельно.
В публикации мы предоставим пошаговое руководство по устранению неполадок. Для этого вам понадобятся руки и небольшой набор инструментов.
Все чаще на наши рынки поступают стиралки Whirlpool словацкой сборки, реже — итальянской. И хотя пользователи этой техники обращаются в сервисы в 15 раз реже, чем владельцы других марок, поломки все же случаются.
Поиск неполадки облегчается со встроенной диагностикой системы. Выход из строя узла или детали СМА отображается на экране кодом ошибки (FH, F02, F05, F06, F07, F09, F10, F11, F13, F14, F15, Sud, FdL, FdU). Значение кода можно узнать в инструкции, после чего приступать к ремонту прибора.
Какие коды неисправностей встречаются чаще других:
- F02 — не уходит вода из бака.
- FH/F09 — перелив, проблемы с прессостатом.
- F06 — неполадки с двигателем или таходатчиком.
- FdL/FdU — проблемы с блокировкой люка.
Но даже если ошибка не выбилась на дисплее, определить поломку можно по внешним признакам.
Теоретически в стиралке может сломаться что угодно. Мы перечислим только типичные неисправности, с которыми пользователи обращаются чаще всего.
- Проблемы с элементом нагрева. Стирка проходит в холодной воде, белье плохо отстирывается и полоскается.
- Неисправность двигателя. Барабан плохо вращается либо совсем не крутится. Вещи не отжимаются. Возможно, причина в износе щеток мотора.
- Течь из-под люка. Повреждение или износ уплотнительной манжеты, коррозия металла.
- Поломка электронной платы. Машинка не включается либо работает со сбоями, программы неправильно активируются.
- Не сливается вода из бака. Причина в засорах, неполадке насоса.
В половине случаев ремонт проводится самостоятельно, в домашних условиях. Как? Об этом ниже.
Начните работу с подготовки техники. Это касается и вашей безопасности: отключите машину от сети, перекройте впускной вентиль подачи воды. Теперь можно разобраться в причинах неполадки и определиться, с чего начинать ремонт.
Вполне вероятно, что вы столкнулись с такой ситуацией: загрузили белье, запустили стирку, а в конце машина отказалась сливать воду. На это может быть три причины:
- Засор сливного патрубка или фильтра.
- Забились шланг или канализация.
- Вышел из строя насос.
Проверить систему на засор можно без разборки СМА. Начните с выкручивания фильтра:
- Под загрузочным люком находится маленькая дверца.
- Откройте ее, подставьте емкость.
- Выкрутите пробку фильтра против часовой стрелки.
Удалите мусор из сетки фильтра. В открывшееся посадочное отверстие можно осмотреть крыльчатку помпы. Иногда она блокируется волосами, нитками, которые наматываются на ее ось. Прочистите крыльчатку от мусора.
Теперь проверьте шланг. Прямое подключение к канализации часто приводит к ее засору. Гораздо лучше соединять сливной шланг с сифоном. Его легче прочистить при необходимости.
Чистка канализации проводится специальными средствами либо необходима помощь сантехника.
Если детали прочищены, но слив не улучшился, значит, проверяйте патрубок и насос. Для этого нужно уложить корпус стиралки набок.
- Достаньте дозатор для порошка.
- Положите на пол старое одеяло или полотенце.
- Переверните корпус СМ набок.
- Разожмите хомут патрубка. Снимите его с места, прочистите от засора. Можно промыть деталь теплой водой.
- Проверьте помпу. При неисправности проводится замена: отсоедините проводку от контактов насоса, выкрутите крепежные болты.
Ваши вещи хорошо избавляются от загрязнений благодаря высокой температуре и моющему средству. В холодной воде порошок не растворяется полностью, поэтому пятна плохо отходят. За нагрев в стиральной машинке отвечает ТЭН. Частой причиной его поломок становится накипь. Чтобы проверить или заменить элемент, поступите так:
- Снимите верхнюю крышку, открутив сзади саморезы.
- Уберите болты по периметру задней крышки. Снимите ее.
- Под баком находится ТЭН.

- Отключите проводку, вытащите термистор из корпуса нагревателя.
- Проверьте нагреватель на исправность (подробно о процессе диагностики читайте « Как проверить ТЭН в СМА »).
- Если элемент вышел из строя, тогда скрутите центральную гайку и продавите внутрь болт.
- Достаньте старый ТЭН, прочистите его гнездо от мусора и накипи.
- Установите новый нагреватель.
Некоторые предлагают устанавливать на новый ТЕН старую прокладку, если она цела. Мы рекомендуем прокладку тоже поменять, чтобы исключить риск протечки и новой замены.
Заметили медленное вращение барабана? Вещи на выходе остаются мокрыми и не отжатыми? Пора проверить состояние щеток двигателя и приводного ремня.
В коллекторных моторах ток на ротор подается через щетки. Установлены они по бокам корпуса. Стержни элементов из мягкого материала изнашиваются, что приводит к остановке работы.
- Демонтируйте заднюю стенку.
- Снимите приводной ремень.
Осмотрите его. При растяжении и износе деталь подлежит замене. - При первичной замене щеток мотор лучше достать из корпуса.
- Отсоедините его проводку, выкрутите болты.
- Отключите клеммы щеток, достаньте их из корпуса.
- При износе больше чем наполовину требуется замена. Вставьте новые детали в отверстия, закрепите проводку.
Проблемы с отжимом могут быть связаны с износом подшипника. При этом слышны посторонние звуки: скрип, гул.
Стиралки семейства «Вирпул» имеют неприятную особенность — быструю коррозию корпуса. Некоторые части машинки изготовлены из металлов, которые быстро поражаются коррозией, что может привести к протечке. Поврежденные панели нужно менять, окрашивание им не поможет.
Течь может возникнуть из манжеты люка. Резина чувствительна к длительным скоплениям влаги. Если ее не протирать вовремя, манжета изнашивается, трескается и дает течь. Поможет только полная замена.
- Отогните уплотнитель. Подденьте отверткой хомут, снимите с места.

- Заправьте резину внутрь барабана.
- Чтобы убрать внутренний хомут, можно демонтировать переднюю панель либо ослабить винт хомута через верхнюю крышку.
- После этого аккуратно снимите резину.
Монтаж новой резины проводится в обратном порядке. Для облегчения установки смажьте края моющим средством.
Проблемы с частью электроники проявляются в торможении режимов, неправильном запуске программ, «глюках». Для ремонта требуется схема модуля управления.
Эту работу лучше доверить мастеру. А осмотреть плату можно самостоятельно:
- Уберите верхнюю крышку.
- Достаньте лоток для моющих.
- Выкрутите болты по периметру панели управления.
- Отключите проводку от модуля.
- Снимите верхнюю защиту, расстегнув защелки.
Подгары или окисления на поверхности платы говорят о неполадке. Отнесите деталь в сервис или вызывайте специалиста на дом.
Не только фронтальные модели подвержены поломкам. Однако проведение ремонтных работ описано только для них.
Мы решили исправить эту оплошность.
Примерно все вертикалки устроены одинаково:
В таких машинах чаще изнашиваются подшипник и другие детали, потому что все узлы близко расположены друг к другу. Чтобы отремонтировать неполадку, к ней еще нужно добраться.
Как разобрать стиральную машину «Вирпул»:
- Отключите прибор от сети и водопровода.
- Плоской отверткой подденьте защелки панели управления. При необходимости вытащите фишки проводки.
- Чтобы снять верхнюю панель, выкрутите сзади саморезы. Поднимите ее вверх, закрепите тесемкой или цепочкой, чтобы крышка не падала.
- Расстегните защелки балансировочного кольца на центрифуге. Уберите его в сторону.
- Выкрутите винт и достаньте активатор центрифуги.
- Скрутите шайбу оси и достаньте барабан из бака.
Сборка проводится в обратном порядке. По ходу вы сможете осмотреть и заменить необходимые элементы.
Если устройство вашей вертикалки отличное от описанного, посмотрите видео о том, как поменять подшипник на машине с вертикальной загрузкой:
youtube.com/embed/Lx4dOwmKGKk?feature=oembed»/> Нет видео.| Видео (кликните для воспроизведения). |
Берегите свою технику и ухаживайте за ней. Тогда не придется ее ремонтировать. Стандартные правила ухода описаны в инструкции производителем.
Автор статьи: Петр Морокин
Приветствую! Меня зовут Петр. Я с юности любил собирать автомодели и парапланы, позже мое хобби выросло в нечто большее и я долгое время работал мастером в компании “муж на час”. За многолетний опыт в моей копилке оказались огромное количество различных схем и реализаций ремонта и монтажа своими руками различных устройств. Не все “рецепты” принадлежат мне, но считаю что такие знания должны быть в открытом доступе. Это и стало причиной создать данный сайт.
✔ Обо мне ✉ Обратная связь Оцените статью: Оценка 4.6 проголосовавших: 20Ремонт стиральных машин Whirlpool своими руками
youtube.com/embed/8JMW3za0EH0″ frameborder=»0″ allowfullscreen=»»/>Современные стиральные машины Whirlpool характеризуются продолжительной длительностью эксплуатационного срока и высоким качеством. Нельзя утверждать, что бытовые приборы часто ломаются, однако имеются случаи необходимости замены элементов или полного обслуживания. Следует отметить, что ремонт стиралки является трудоемким и дорогостоящим процессом, поэтому при необходимости большинство людей предпочитают обращаться к специалистам. В этой статье попробуем подробно остановиться на каждом нюансе ремонта стиральных машин Whirlpool и рассказать обо всех деталях данного процесса.
Если всё же вам требуется квалифицированный ремонт стиралки, то рекомендуем обратиться в ЕвроБытСервис (https://www.evrobytservis-remont.ru/remont-stiralnyh-mashin/). Опытные мастера отремонтируют любую поломку в короткий срок и дадут письменную гарантию до 3х лет.
Диагностические и ремонтные работы
Характеризуясь достаточно непростыми конструктивными особенностями, стиральный агрегат может поломаться в любой момент.
Основные причины неисправностей стиральной машины данной марки могут быть очень разными.
После окончания стирки вода остается в машине
Кто не сталкивался с такой проблемой, когда в процессе стирки машинка зависает, и вода остается в баке? Имеются следующие причины такого поведения стиральных устройств:
- Произошла поломка сливного электронасоса
- Засорилась канализационная труба или шланг для слива
- Засорился сливной фильтр или патрубка
Приступать к самостоятельному ремонту бытовой техники можно после выяснения причины случившегося, а также того, в связи с чем бытовой прибор так себя ведет. При возникновении застоя воды нужно постараться быстро от нее избавиться с помощью аварийного шланга, находящегося вблизи сливного фильтра. После этого можно начинать поиск дефектов, для чего нужно выполнить несколько шагов:
- Откручивание пробки и избавление от загрязнений, образовавшихся на фильтровом устройстве
- Снятие сливного шланга и очистка от грязи
- Проверка засорения канализационного трубопровода
Отсутствует нагревание воды в соответствии с заданным режимом
Если температура вашей стиральной машинки перестала достигать определенного уровня, обратите внимание на нагревательный элемент и терморезистор.
Необходимо выполнение следующих действий:
- Снятие задней крышки прибора и кронштейна
- Отсоединение провода от тены и термистора
- Замер сопротивления контактов тена и термистора с использованием мультиметра
- Определение неисправности нагревательного элемента, с его дальнейшим извлечением и заменой на новый.
Дисплей задач глючит и не активируется
Бывает, что после включения стиралки марки Вирпул, начинает глючить панель управления, не реагируя на прикосновения или переставая работать. В таких случаях первым делом необходимо на пару минут немедленно извлечь прибор из электрической сети. При повторении проблемы после включения можно сделать вывод об отходе контактов в плате управления.
Утекает жидкость из-под крышки люка
Если вода начинает протекать из-под люка, необходимо обратить внимание на резиновую подкладку, обволакивающую отверстие и способствующую плотному прилеганию крышки. Для продления срока службы манжета следует удалить излишки грязи и жидкости, которая скопилась в нижней части.
Чтобы материал не трескался и смог прослужить максимальное количество времени, нужно придерживаться определенных правил использования.
Ремонт стиральной машины Вирпул с верхней загрузкой
Стиральные машинки Whirlpool, работающие в автоматическом режиме и имеющие вертикальную загрузку, активно раскупаются владельцами многих небольших помещений. Этому способствуют их небольшие размеры и удобство в применении. Среди преимуществ можно также назвать существующую возможность остановить заданную программу и перезапустить с новыми установками. Однако, как известно, нет ничего вечного, и в случаях поломки агрегата необходимо обязательно заняться его диагностикой и ремонтом. Следует учитывать, что сервисные услуги, предоставляющиеся современными центрами, нельзя назвать дешевыми. Поэтому мы расскажем о самостоятельной поэтапной разборке стиральной машины Вирпул с вертикальным режимом загрузки.
Приступать к самостоятельному ремонту агрегата данной марки с верхней загрузкой можно, выполнив следующие шаги:
- Освободив панели с правой или левой стороны
- Приподняв вверх и потянув на себя панель с экраном
- Отсоединив провода от платы и сняв панель под небольшим углом
Благодаря ремонту стиралки Вирпул своими руками можно существенным образом сэкономить средства! Если у вас не получилось сделать это самому — звоните в ЕвроБытСервис и забудьте о проблемах.
Для минимизации поломок необходимо придерживаться норм безопасности, производить эффективное обслуживание и качественную очистку приборов.
Основные термины (генерируются автоматически): стиральная машина, верхняя загрузка, нагревательный элемент, сливной фильтр.
Ремонт стиральной машины вирпул с вертикальной загрузкой своими руками
Самое подробное описание: ремонт стиральной машины вирпул с вертикальной загрузкой своими руками от профессионального мастера для своих читателей с фотографиями и видео из всех уголков сети на одном ресурсе.
Стиральные машины с вертикальной загрузкой люди покупают гораздо реже, чем с фронтальной – это факт.
- Стесненность узлов машинки создает трудности при разборке
- Повышенная вибрация на отжиме
- На некоторых машинах нет возможности отрегулировать по уровню задние ножки
- Коррозия верхней крышки от влаги
- Самопроизвольное открытие створок барабана при разбалансировке
- Узкая и глубокая, и идеально вписывается в ограниченные места ванны, в кладовки или на кухню
- Не нужно нагибаться для закладки белья
- Возможность прервать программу и доложить белье
- Безопасность от детей.
Расположение панели управления.
Особенности и нюансы для самостоятельного ремонта вертикалок:
Устройство содержит те же элементы (прессостат, клапан забора воды, барабан, бак, плата управления, насос и так далее).
Ось барабана конструктивно выполнена на двух подшипниках, на баке иногда расположен датчик само позиционирования (фиксация барабана створками вверх).
Демонтаж узлов покажем на примере Электролюкс:
1.С боковых сторон, при помощи отвертки, освобождаем панель управления
2.Потяните пластиковую панель вверх и сдвиньте на себя
3.Наклоняем на небольшой угол к себе для демонтажа проводов с разъемов платы
4.Вынимаем панель
Для снятия электронного модуля управления отсоединяем оставшиеся провода и откручиваем винты показанные на рисунке.
Для быстрой и правильной сборки сфотографируйте места подсоединений шлейфов проводов.
Для снятия заливного клапана воды отсоединить от хомутов резиновые шланги и демонтировать их.
Отстыковать провода и с внешней стороны нажать на отверстия для выдавливания клапана.
Для снятия боковых панелей откручиваем несколько винтов, не забудьте сохранить шайбы для заземления корпуса.
Отогнуть рукой стенку снизу и сдвиньте ее вниз.
После удаления двух боковушек появился доступ к винтам демонтажа передней панели.Откручиваем их.
| Видео (кликните для воспроизведения). |
Для снятия датчиков NTC и само позиционирования барабана DSP достаточно снять правую стенку и демонтировать их.
- Частая неисправность – нет возможности изменить программу.:
Пример – Хотпойнт Аристон ARTL 1047.
Многие “умельцы” грешат, что во всем виноват модуль управления.А нет!
Достаточно открутить два болта с тыльной стороны и извлечь панель упавления.
Вот эта самая треснутая ручка и является виновницей.Воспользуйтесь металическим кольцом (штекер от антенны для примера).
Сжимая платиковую ручку, кольцопредотвратит проскакивание программ.
- Взорванный верх вертикалки Индезит, Аристон:
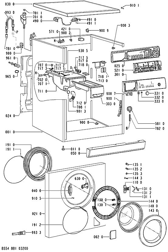
001 -ручка управления 002 – кнопки белые вкл-выкл/сброс 003 -панель управления белая 004 – переключатель bitron 005 – клавиши функций 007 – display
008 – ручка крышки 010 – рычаг разблокировки дозатора 011 – пружина крюка дозатора 012 – расцепления кнопка дозатора 016 – опора крышки
018 – перегородка с амортизатором 021 – устройство блокировки двери 022 – белый дозатор 023 – крышка сифона 026 – проводка панели управления 027 – 8-поз. потенциометр
Бытует мнение, что две опоры барабана вместо одной – это хорошо.
Это не так, и в случае с «вертикалкой» это просто вынужденное инженерное решение. Ресурс работы подшипников барабана не увеличивается ни на минуту.
Если винты тяжело откручиваются, нагреть их паяльной лампой.
Использовать специальную смазку для сальников – Литол-24, ЦИАТИМ-221, ШРУС-4М и др.
На «Канди», чтоб поменять подшипники, нужно разобрать всю машину до винтика! А чего стоит дикая теснота в недрах «вертикалок».
Порой приходится делать все буквально на ощупь.
Рубрика: На правах рекламы
Дата публикации: 31.07.2017 2017-07-31
Статья просмотрена: 365 раз
Ремонт стиральных машин Whirlpool своими руками // Молодой ученый. 2016. №10. URL https://moluch.ru/archive/114/46158/ (дата обращения: 17.10.2018).
Современные стиральные машины Whirlpool характеризуются продолжительной длительностью эксплуатационного срока и высоким качеством. Нельзя утверждать, что бытовые приборы часто ломаются, однако имеются случаи необходимости замены элементов или полного обслуживания. Следует отметить, что ремонт стиралки является трудоемким и дорогостоящим процессом, поэтому при необходимости большинство людей предпочитают обращаться к специалистам. В этой статье попробуем подробно остановиться на каждом нюансе ремонта стиральных машин Whirlpool и рассказать обо всех деталях данного процесса.
Если всё же вам требуется квалифицированный ремонт стиралки, то рекомендуем обратиться в ЕвроБытСервис (https://www.evrobytservis-remont.ru/remont-stiralnyh-mashin/). Опытные мастера отремонтируют любую поломку в короткий срок и дадут письменную гарантию до 3х лет.
Характеризуясь достаточно непростыми конструктивными особенностями, стиральный агрегат может поломаться в любой момент. Основные причины неисправностей стиральной машины данной марки могут быть очень разными.
После окончания стирки вода остается в машине
Кто не сталкивался с такой проблемой, когда в процессе стирки машинка зависает, и вода остается в баке? Имеются следующие причины такого поведения стиральных устройств:
- Произошла поломка сливного электронасоса
- Засорилась канализационная труба или шланг для слива
- Засорился сливной фильтр или патрубка
Приступать к самостоятельному ремонту бытовой техники можно после выяснения причины случившегося, а также того, в связи с чем бытовой прибор так себя ведет.
При возникновении застоя воды нужно постараться быстро от нее избавиться с помощью аварийного шланга, находящегося вблизи сливного фильтра. После этого можно начинать поиск дефектов, для чего нужно выполнить несколько шагов:
- Откручивание пробки и избавление от загрязнений, образовавшихся на фильтровом устройстве
- Снятие сливного шланга и очистка от грязи
- Проверка засорения канализационного трубопровода
Если температура вашей стиральной машинки перестала достигать определенного уровня, обратите внимание на нагревательный элемент и терморезистор. Необходимо выполнение следующих действий:
- Снятие задней крышки прибора и кронштейна
- Отсоединение провода от тены и термистора
- Замер сопротивления контактов тена и термистора с использованием мультиметра
- Определение неисправности нагревательного элемента, с его дальнейшим извлечением и заменой на новый.
Бывает, что после включения стиралки марки Вирпул, начинает глючить панель управления, не реагируя на прикосновения или переставая работать.
В таких случаях первым делом необходимо на пару минут немедленно извлечь прибор из электрической сети. При повторении проблемы после включения можно сделать вывод об отходе контактов в плате управления.
Если вода начинает протекать из-под люка, необходимо обратить внимание на резиновую подкладку, обволакивающую отверстие и способствующую плотному прилеганию крышки. Для продления срока службы манжета следует удалить излишки грязи и жидкости, которая скопилась в нижней части. Чтобы материал не трескался и смог прослужить максимальное количество времени, нужно придерживаться определенных правил использования.
Стиральные машинки Whirlpool, работающие в автоматическом режиме и имеющие вертикальную загрузку, активно раскупаются владельцами многих небольших помещений. Этому способствуют их небольшие размеры и удобство в применении. Среди преимуществ можно также назвать существующую возможность остановить заданную программу и перезапустить с новыми установками. Однако, как известно, нет ничего вечного, и в случаях поломки агрегата необходимо обязательно заняться его диагностикой и ремонтом.
Следует учитывать, что сервисные услуги, предоставляющиеся современными центрами, нельзя назвать дешевыми. Поэтому мы расскажем о самостоятельной поэтапной разборке стиральной машины Вирпул с вертикальным режимом загрузки.
Приступать к самостоятельному ремонту агрегата данной марки с верхней загрузкой можно, выполнив следующие шаги:
| Видео (кликните для воспроизведения). |
- Освободив панели с правой или левой стороны
- Приподняв вверх и потянув на себя панель с экраном
- Отсоединив провода от платы и сняв панель под небольшим углом
Благодаря ремонту стиралки Вирпул своими руками можно существенным образом сэкономить средства! Если у вас не получилось сделать это самому – звоните в ЕвроБытСервис и забудьте о проблемах. Для минимизации поломок необходимо придерживаться норм безопасности, производить эффективное обслуживание и качественную очистку приборов.
Не всегда техника ломается в гарантийный срок.
Поэтому пользователю приходится самостоятельно решать вопросы по восстановлению работы стиралки. Ремонт стиральных машин Whirlpool можно провести самостоятельно. В публикации мы предоставим пошаговое руководство по устранению неполадок. Для этого вам понадобятся руки и небольшой набор инструментов.
Все чаще на наши рынки поступают стиралки Whirlpool словацкой сборки, реже — итальянской. И хотя пользователи этой техники обращаются в сервисы в 15 раз реже, чем владельцы других марок, поломки все же случаются.
Поиск неполадки облегчается со встроенной диагностикой системы. Выход из строя узла или детали СМА отображается на экране кодом ошибки (FH, F02, F05, F06, F07, F09, F10, F11, F13, F14, F15, Sud, FdL, FdU). Значение кода можно узнать в инструкции, после чего приступать к ремонту прибора.
Какие коды неисправностей встречаются чаще других:
- F02 — не уходит вода из бака.
- FH/F09 — перелив, проблемы с прессостатом.
- F06 — неполадки с двигателем или таходатчиком.

- FdL/FdU — проблемы с блокировкой люка.
Но даже если ошибка не выбилась на дисплее, определить поломку можно по внешним признакам. Теоретически в стиралке может сломаться что угодно. Мы перечислим только типичные неисправности, с которыми пользователи обращаются чаще всего.
- Проблемы с элементом нагрева. Стирка проходит в холодной воде, белье плохо отстирывается и полоскается.
- Неисправность двигателя. Барабан плохо вращается либо совсем не крутится. Вещи не отжимаются. Возможно, причина в износе щеток мотора.
- Течь из-под люка. Повреждение или износ уплотнительной манжеты, коррозия металла.
- Поломка электронной платы. Машинка не включается либо работает со сбоями, программы неправильно активируются.
- Не сливается вода из бака. Причина в засорах, неполадке насоса.
В половине случаев ремонт проводится самостоятельно, в домашних условиях. Как? Об этом ниже.
Начните работу с подготовки техники.
Это касается и вашей безопасности: отключите машину от сети, перекройте впускной вентиль подачи воды. Теперь можно разобраться в причинах неполадки и определиться, с чего начинать ремонт.
Вполне вероятно, что вы столкнулись с такой ситуацией: загрузили белье, запустили стирку, а в конце машина отказалась сливать воду. На это может быть три причины:
- Засор сливного патрубка или фильтра.
- Забились шланг или канализация.
- Вышел из строя насос.
Проверить систему на засор можно без разборки СМА. Начните с выкручивания фильтра:
- Под загрузочным люком находится маленькая дверца.
- Откройте ее, подставьте емкость.
- Выкрутите пробку фильтра против часовой стрелки.
Удалите мусор из сетки фильтра. В открывшееся посадочное отверстие можно осмотреть крыльчатку помпы. Иногда она блокируется волосами, нитками, которые наматываются на ее ось. Прочистите крыльчатку от мусора.
Теперь проверьте шланг. Прямое подключение к канализации часто приводит к ее засору.
Гораздо лучше соединять сливной шланг с сифоном. Его легче прочистить при необходимости.
Чистка канализации проводится специальными средствами либо необходима помощь сантехника.
Если детали прочищены, но слив не улучшился, значит, проверяйте патрубок и насос. Для этого нужно уложить корпус стиралки набок.
- Достаньте дозатор для порошка.
- Положите на пол старое одеяло или полотенце.
- Переверните корпус СМ набок.
- Разожмите хомут патрубка. Снимите его с места, прочистите от засора. Можно промыть деталь теплой водой.
- Проверьте помпу. При неисправности проводится замена: отсоедините проводку от контактов насоса, выкрутите крепежные болты.
Ваши вещи хорошо избавляются от загрязнений благодаря высокой температуре и моющему средству. В холодной воде порошок не растворяется полностью, поэтому пятна плохо отходят. За нагрев в стиральной машинке отвечает ТЭН. Частой причиной его поломок становится накипь. Чтобы проверить или заменить элемент, поступите так:
- Снимите верхнюю крышку, открутив сзади саморезы.

- Уберите болты по периметру задней крышки. Снимите ее.
- Под баком находится ТЭН.
- Отключите проводку, вытащите термистор из корпуса нагревателя.
- Проверьте нагреватель на исправность (подробно о процессе диагностики читайте « Как проверить ТЭН в СМА »).
- Если элемент вышел из строя, тогда скрутите центральную гайку и продавите внутрь болт.
- Достаньте старый ТЭН, прочистите его гнездо от мусора и накипи.
- Установите новый нагреватель.
Некоторые предлагают устанавливать на новый ТЕН старую прокладку, если она цела. Мы рекомендуем прокладку тоже поменять, чтобы исключить риск протечки и новой замены.
Заметили медленное вращение барабана? Вещи на выходе остаются мокрыми и не отжатыми? Пора проверить состояние щеток двигателя и приводного ремня.
В коллекторных моторах ток на ротор подается через щетки. Установлены они по бокам корпуса. Стержни элементов из мягкого материала изнашиваются, что приводит к остановке работы.
- Демонтируйте заднюю стенку.
- Снимите приводной ремень. Осмотрите его. При растяжении и износе деталь подлежит замене.
- При первичной замене щеток мотор лучше достать из корпуса.
- Отсоедините его проводку, выкрутите болты.
- Отключите клеммы щеток, достаньте их из корпуса.
- При износе больше чем наполовину требуется замена. Вставьте новые детали в отверстия, закрепите проводку.
Проблемы с отжимом могут быть связаны с износом подшипника. При этом слышны посторонние звуки: скрип, гул.
Стиралки семейства «Вирпул» имеют неприятную особенность — быструю коррозию корпуса. Некоторые части машинки изготовлены из металлов, которые быстро поражаются коррозией, что может привести к протечке. Поврежденные панели нужно менять, окрашивание им не поможет.
Течь может возникнуть из манжеты люка. Резина чувствительна к длительным скоплениям влаги. Если ее не протирать вовремя, манжета изнашивается, трескается и дает течь.
Поможет только полная замена.
- Отогните уплотнитель. Подденьте отверткой хомут, снимите с места.
- Заправьте резину внутрь барабана.
- Чтобы убрать внутренний хомут, можно демонтировать переднюю панель либо ослабить винт хомута через верхнюю крышку.
- После этого аккуратно снимите резину.
Монтаж новой резины проводится в обратном порядке. Для облегчения установки смажьте края моющим средством.
Проблемы с частью электроники проявляются в торможении режимов, неправильном запуске программ, «глюках». Для ремонта требуется схема модуля управления.
Эту работу лучше доверить мастеру. А осмотреть плату можно самостоятельно:
- Уберите верхнюю крышку.
- Достаньте лоток для моющих.
- Выкрутите болты по периметру панели управления.
- Отключите проводку от модуля.
- Снимите верхнюю защиту, расстегнув защелки.
Подгары или окисления на поверхности платы говорят о неполадке. Отнесите деталь в сервис или вызывайте специалиста на дом.
Не только фронтальные модели подвержены поломкам. Однако проведение ремонтных работ описано только для них. Мы решили исправить эту оплошность.
Примерно все вертикалки устроены одинаково:
В таких машинах чаще изнашиваются подшипник и другие детали, потому что все узлы близко расположены друг к другу. Чтобы отремонтировать неполадку, к ней еще нужно добраться.
Как разобрать стиральную машину «Вирпул»:
- Отключите прибор от сети и водопровода.
- Плоской отверткой подденьте защелки панели управления. При необходимости вытащите фишки проводки.
- Чтобы снять верхнюю панель, выкрутите сзади саморезы. Поднимите ее вверх, закрепите тесемкой или цепочкой, чтобы крышка не падала.
- Расстегните защелки балансировочного кольца на центрифуге. Уберите его в сторону.
- Выкрутите винт и достаньте активатор центрифуги.
- Скрутите шайбу оси и достаньте барабан из бака.
Сборка проводится в обратном порядке. По ходу вы сможете осмотреть и заменить необходимые элементы.
Если устройство вашей вертикалки отличное от описанного, посмотрите видео о том, как поменять подшипник на машине с вертикальной загрузкой:
Берегите свою технику и ухаживайте за ней. Тогда не придется ее ремонтировать. Стандартные правила ухода описаны в инструкции производителем.
Сегодня практически в каждом многоквартирном доме можно встретить стиральную машинку марки Whirlpool, и не одну. У нас распространены обе сборки: Словакия и Италия. Последние покупаются реже и стоят дороже, а вот машины, собранные в Словакии, можно встретить во всех магазинах бытовой техники.
Пожалуй, именно европейские стандарты сборки помогли машинам Вирпул зарекомендовать себя как машины высокого качества и завидной долговечности. Именно поэтому ремонт требуется редко, но если и случаются поломки, то часто ремонт стиральных машин Whirlpool (Вирпул) можно провести своими руками.
Если перечислять основательно все возможные поломки СМА, мы вынуждены будем написать целое руководство в 10 томах.
Поэтому остановим внимание только на неисправностях, типичных для этого бренда.
Мы использовали данные из авторитетных сервисных центров, чтобы создать ценные инструкции для тех, кто собрался делать ремонт стиральной машины Вирпул своими руками.
- После стирки вода стоит в баке.
- Зависают режимы стирки, не запускаются совсем, или программы выполняются со сбоями.
- Все режимы стирки проходят в холодной воде.
- СМА протекает в зоне люка.
Важно! За этими на первый взгляд безобидными неисправностями могут скрываться серьезные поломки. Их нужно устранять сразу же, чтобы не сломать СМ окончательно.
Исходя из описанных выше проблем, можно выделить наиболее уязвимые места стиральных машин Вирпул. Во многих современных моделях предусмотрена система самодиагностики, которая при помощи кода неисправности сообщит вам о том, какая деталь вышла из строя.
Но что делать, если машинка не включается совсем, и нет ничего, что помогло бы вам выяснять причину поломки? Послушайте советы бывалых ремонтников, они уверены, что самые уязвимые детали в машинка Вирпул такие:
- Термоэлектрический нагреватель – ТЭН.

- Двигатель и его подвижные элементы.
- Манжета люка, патрубки.
- Контроллер (модуль управления).
Внимание! Машины Whirlpool, как и любые другие машины, «страдают» засорами. Засоряются как фильтры, так и шланги. Если своевременно выполнять чистку (3-4 раза в год), то можно избежать поломок системы слива и залива воды.
Наверное, вам знакома ситуация, когда вы загрузили белье в бак, выбрали удобный режим стирки, ушли по своим делам на кухню, затем пришли достать белье, а там катастрофа. Машину глючит: в ней полно воды и пены, стирка не закончилась, белье мокрое.
Вы перезапускаете программу, но всё по кругу – программа стирки не выполняется, потому что вода остается в барабане. Такая проблема вызывается одним из трех факторов:
- Скопился мусор в патрубке слива воды или фильтре слива.
- Засор шланга слива или засор в системе канализации.
- Поломка электронасоса слива (помпы).
Однако, прежде чем посвятить время поиску причин сбоя, подготовьте к этому свою СМА:
- Отключите питание.

- Вручную слейте воду, оставшуюся в барабане. Это можно сделать быстро, используя шланг аварийного слива – он обычно расположен возле фильтра слива воды.
- Подставьте емкость или постелите тряпку на пол – и туда вытечет отработанная вода.
Далее извлекаем фильтр отработанной воды:
- Подложите тряпку или поставьте емкость под люк, за которым расположен фильтр.
- Открутите пробку против часовой стрелки.
- Прочистите и промойте агрегат под краном.
- Установите все на место.
- Скрутите шланг слива, почистите и промойте его, установите на место.
Не помешает проверить и канализацию на предмет засора.
Чтобы провести все действия, вам не нужно знать, как разобрать стиральную машину Вирпул, – это легкая работа, которую может сделать любой пользователь.
Если ваши действия не помогли избавиться от проблемы, система слива чистая, в канализации нет засора, а стиралка все равно не сливает воду из бака, ее придется все-таки разобрать.
Истинная причина поломки может скрываться в помпе и сливном патрубке.
Важно! Практически все модели Вирпул устроены таким образом, что до помпы и патрубка можно добраться только со дна. Придется переворачивать машину на бок.
Как найти, проверить и прочистить помпу и патрубок:
- Извлеките кюветку для моющих средств.
- Отключите машину от всех систем: электро- и водоснабжения, канализации.
- Переверните СМА, положив ее на боковую стенку.
- Открутите болты и снимите дно.
- Вооружитесь тестером и замеряйте сопротивление помпы.
- Обнаружив проблему, меняйте помпу.
- Если помпа не при чем, то действуйте далее.
- Ослабьте хомуты патрубка слива воды.
- Снимите патрубок.
- Прочистите и промойте его.
- Установите патрубок обратно.
Эта поломка характерна для машин с любым типом загрузки. Устройство стиральной машины Вирпул с вертикальной загрузкой несколько иное, чем у обычных СМ, но решать проблему с ней нужно по той же схеме.
Нередко после запуска стиралки панель управления начинает вести себя неадекватно: дисплей моргает, а вместе с ним мигают все светодиоды. Также может не срабатывать выбранная вами программа.
Если это ваш случай, то срочно выключайте СМ, и ожидайте 60 секунд. После включите ее и, если проблема не устранена, стоит вызвать мастера, так как поврежден модуль управления, а починка своими руками практически невозможна. Вам понадобится не только схема модуля управления стиральной машины Вирпул, но и опыт в подобном ремонте.
Если же стиралка не хочет нагревать воду и плохо отстирывает белье, то можно без помощи особых приспособлений определить поломку и осуществить самостоятельный ремонт.
Самая верная причина такого поведения – это поломка термистора (температурного датчика), но мог выйти из строя и ТЭН. Как бы то ни было, проверять стоит оба элемента в комплексе. Далее действуйте по такой нехитрой схеме:
- Поверните машинку так, чтобы передняя стенка была перед вами – так будет удобнее вести работы.

- Выкрутите болты и снимите заднюю панель.
- Далее снимите кронштейн, отвинтив болты, чтобы он не мешал работать с нагревателем.
- Сразу весь ТЭН вы не увидите – под баком виден только его хвостовик, к которому идут четыре провода, два из которых подключены к самому нагревателю, а остальные – к термодатчику.
- Снимите все провода.
- Берите тестер и измеряйте сопротивление контактов термодатчика. Проверьте показатели при комнатной температуре, а потом – нагрев датчик в теплой воде, они должны существенно отличаться, если датчик исправен.
- Далее меряйте сопротивление на самом нагревательном элементе. Его нормальные показатели: 20-40 Ом.
При такой проблеме поломка, скорее всего, подтвердится, поэтому придется заменить датчик (что проще) или же ТЭН.
Важно! Если у вас нет под рукой тестера, сразу доставайте ТЭН из бака, открутив крепеж. Вы быстро определите неисправность, если ТЭН покрыт толстым слоем накипи, или по нему пошли темные пятна.
Если накипи совсем чуть-чуть, то ТЭН, возможно, и не сгорел, а если водный камень толщиной в 1 см и более – поломка налицо.
Своими руками легко меняете ТЭН следующим образом:
- Контакты и провода уже сняты, поэтому далее снимайте пластиковый щиток.
- Отвинтите крепление — оно находится по центру хвостовика.
- Аккуратно потянув за контакты, расшатывая нагреватель в разные сторону, извлеките ТЭН. Помехой будет резиновая прокладка, поэтому проявите терпение – тут ничего не поделать.
- Достав ТЭН, снимите и прокладку.
Важно! Механики рекомендуют вместе с новым нагревателем ставить и новую прокладку, так как протечки из-за износа прокладки губительны для этого важного узла.
- В том отверстии, где был ТЭН, наверняка есть сор и накипь, поэтому проведите генеральную чистку; только после этого можно ставить прокладку.
- Установите новый ТЭН, закрутите крепление.
- Установите на место пластиковый щиток.
- Подключите контакты к нагревателю и датчику.

- Восстановите местоположение кронштейна, и, наконец, смонтируйте назад панель машинки.
Когда в режиме стирки или полоскания из-под дверцы стиральной машинки-автомат Вирпул протекает вода, то начинается это незаметно – сначала пару капель, потом тонкая струйка, а рано или поздно и вовсе начинается потоп.
Вам не понадобится схема стиральной машины Вирпул, чтобы найти манжету – виновницу поломки. Ее видно и невооруженным глазом – это большая резиновая прокладка в вашей СМ. Она расположена по всему внутреннему периметру люка, и главная ее задача – не пропускать воду.
Самое уязвимое место уплотнителя – внизу, потому что грязная вода часто остается там. Если периодически не наводить порядок, манжета может лопнуть. Достаточно чуть задеть износившийся уплотнитель, чтобы он порвался – вот тогда-то протечки не избежать.
Важно! Нельзя пользоваться машинкой с порванной манжетой – она не сможет удержать воду. Если обнаружен прорыв, манжету нужно менять СРОЧНО.
Если вы привыкли проводить ремонт в домашних условиях, то демонтируйте старую и монтируйте новую манжету.
- Откройте крышку люка как можно шире.
- Вооружитесь шлицевой отверткой и подцепите проволочный хомут – он расположен поверх манжеты.
- Поддев хомут, подведите под него отвертку поглубже и двигайте ее по кругу, пока не наткнетесь на соединитель с крепежом.
- Ослабьте хомут и снимите его.
- Возьмите двумя руками уплотнитель и, потянув на себя, достаньте его.
К сведению пользователей: покупайте манжеты у официальных дилеров. Оригинальная деталь встанет в паз люка четко до миллиметра и защитит бак от протечек.
- Распакуйте деталь и вставьте ее в паз.
Важно! Не пользуйтесь ничем острым, дабы не порвать уплотнитель – все делайте ТОЛЬКО руками.
- Как только резинка встанет на свое место, быстро накиньте хомут и затяните его.
- Проверьте, нормально ли закрывается и открывается люк.
- Запустите стирку в тестовом режиме.

- Если под машинкой сухо, поздравляем, вы справились «на отлично»!
Если вода течет в машинке вертикального типа, то причина может быть совсем не в люке – он в ней находится сверху. Скорее всего, понадобится разборка стиральной машины Whirlpool с вертикальной загрузкой для выяснения причин протечки.
Есть еще ряд причин, по которым может течь стиралка:
- Течет помпа.
- Разгерметизация бака – трещина, пробоина, коррозия.
- Повреждены патрубки слива или забора воды.
- Разгерметизация соединения патрубка залива воды.
- Разгерметизация патрубков, соединяющих впускной клапан и кюветку для порошка.
- Износ сальника.
- Засор в бункере дозатора.
- Износ сливной трубки бака.
Большинство этих поломок несложные, и для устранения протечки можно провести ремонт самостоятельно. Самое главное в этом случае — правильно продиагностировать проблему. В этом вам помогут коды неисправностей.
На табло могут гореть такие коды ошибок: F01 или FH, F02 или FA, F03 или FP, F14, FDL, FDU.
Если у вас остались вопросы по ремонту поломок стиральных машин марки Вирпул, читайте другие наши материалы, в которых мы подробно разбираем каждую отдельную неисправность.
В этой статье мы рассмотрели только типичные поломки, которые можно устранить без помощи ремонтника. А если вам интересно, как поменять подшипник на стиральной машине Вирпул, смотрите дополнительно специальное видео:
Отнюдь не является тайной тот факт, что в огромном количестве квартир места для установки стиральной машины автомат катастрофически не хватает. Создаётся такое странное ощущение, что те, кто эти квартиры проектировал, считали, что стиральная машина для будущих жильцов излишняя роскошь. Хорошо, что разработчики домашней бытовой техники были с такой постановкой не согласны и создали автоматическую стиральную машину с верхней загрузкой.
Именно такой тип машин (при сохранении максимальной загрузки белья) имеет компактные размеры и может устанавливаться в помещения даже небольших размеров. А то, что для загрузки дверь открывается вверх, позволяет ещё больше сократить необходимое для эффективной работы пространство. Для многих людей это единственный возможный вариант стиральной машины, который позволяет хоть как-то втиснуть её в ванную или совмещённый санузел.
Вопреки расхожему мнению вертикальные стиральные машины-автомат заметно чаще подвержены такой неприятности, как протечка. А это уже может вызывать другие и более серьёзные неисправности. Но обо всём по порядку.
– Подтекает сливной фильтр. Ну здесь всё понятно – нужно проверить герметичность установки фильтра и состояние уплотнителя. Разумеется, почистить не помешает. Если фильтр сухой – переходим к верхней крышке вертикальной стиральной машины.
– Износился или деформировался резиновый уплотнитель верхней двери. При образовании лужи под стиральной машиной, первое что нужно проверить состояние этого уплотнителя.
Если снять панель управления машины, на корпусе сразу будет виден сильный налёт ржавчины. Это означает, что проходящая через верхнюю дверь вода не задерживается резинкой и может попадать под панель управления или в замок блокировки люка. Естественно, такая утечка способна привести не только к банальной луже под машиной, но и к гораздо более серьёзным проблемам, связанным с ремонтом или заменой, дорогостоящих деталей или блоков. Пока до этого не дошло, срочно надо устранить протечку. Причём необязательно заменять весь уплотнитель целиком. Обычно достаточно в месте утечки подложить резину, что немного поднимет уплотнитель и герметичность восстановится. Стоит добавить, что снять панель управления не вызовет особых сложностей – достаточно просто открутить по бокам винты её удерживающие.
Теперь для дальнейшей проверки вертикальной стиральной машины понадобится снять её боковые панели. Для этого просто нужно открутить винты на задней стенке, на которых они крепятся, немного оттянуть нижний край и сдвинуть вниз и назад.
После удаления боковых стенок появляется возможность снятия и передней. Открывается доступ к винтам, удерживающим её. Снимать или не снимать переднюю стенку зависит от целей разборки корпуса машины. Итак, доступ к внутренним узлам машины получили. Продолжаем проверку на протечки уже внутри машины.
– Проверяем надёжность соединения водяной трубки на заливном клапане. При наличии следов влаги снимаем трубку, промазываем силиконом и устанавливаем обратно подтянув хомут. Потом осматриваем целостность всей резиновой трубки до места, где она подходит к верхней части машины. Если всё сухо – ищем другую причину.
– Осматриваем резиновый патрубок, соединённый с баком машины. Если заметны следы подтёков, опять же снимаем, уплотняем силиконом и возвращаем на прежнее место.
– Теперь очередь патрубка слива и сливного шланга. Все действия аналогичны – проверяем и, если присутствует течь, устраняем.
Ну, кажется, протекать больше нечему. Переходим к другой проблеме свойственной только для стиральных машин с вертикальным способом загрузки.
Обычно такое становится возможным из-за дисбаланса в барабане стиральной машины. Если фронтальные машины при такой ситуации начинают сильно вибрировать, то такая же проблема у вертикальных может привести к гораздо более серьёзным последствиям. Открывшиеся створки просто не могут не войти в соприкосновение с ТЭНом, что наверняка выведет его из строя. Барабан блокируется и может быть повреждён (и он и бак, в котором он установлен). Повреждение барабана и бака может привести к необходимости их полной замены, а тогда придётся задуматься – не проще ли поменять всю машину?
Но это крайности, не будем думать о плохом. В общем-то, если дело ограничилось поломкой нагревательного элемента – не самая великая беда. Он легко подлежит замене и этот процесс осуществляется точно так же, как у фронтальных машин. Испорченный ремень привода тоже легко меняется на новый. Но вполне могут выйти из строя и подшипники. Для стиральных машин с верхним способом загрузки белья замена подшипников несколько отличается от подобного процесса у фронтальных машин.
– Вначале меняем подшипник с той стороны, где нет шкива. Снимем суппорт, с этой стороны резьба будет стандартная правосторонняя, а значит, выкручиваем против часовой стрелки. После извлечения детали проводится замена подшипника и сальника.
– С другой стороны предварительно потребуется снять ремень привода, а затем шкив и колодку заземления.
Важное уточнение – с этой стороны на суппорте используется левосторонняя резьба, а, следовательно, откручивать нужно в обратном от привычного направлении – по часовой стрелке. В обоих случаях место установки нового подшипника тщательно очищается и хорошенько смазывается. Суппорты вновь ставятся на своё место и производится обратная сборка.
В тех случаях, когда может потребоваться разборка бака стиральной машины просто выкручиваются винты, крепящие его крышку, и осторожно разделяется в местах спайки.
Обратно бак собирается так же, как у фронтальных машин.
Все остальные виды ремонта и обслуживания стиральных машин-автомат с верхней загрузкой практически аналогичны этим же действиям для машин фронтальных.
Чистка фильтров, замена сливного насоса и ТЭНа и многое другое – отличается только тем, что снимаются не задняя или передняя стенка, а боковые панели. Ну и расположение внутренних частей у вертикальных машин более тесное. Почему-то сервисные специалисты считают это достаточным поводом чтобы просить за ремонт машин с верхней загрузкой больше денег. Вот только если руки на месте и есть понимание, что, собственно, нужно делать, чтобы отремонтировать подобную машину – платить свои кровные постороннему человеку совсем необязательно. А сэкономленные средства потратить на другие интересные дела или покупки.скачать dle 10.6фильмы бесплатно

В среднем на протяжении срока службы в ремонт поступает одна из пятнадцати машины этого производителя, что является вполне приемлемым результатом. Сертифицированные сервисные центры можно найти практически в любом крупном городе страны, так что проблем с ремонтом и обслуживанием точно не возникнет. Ремонт стиральных машин Whirlpool можно доверить специалистам центра, а при наличии опыта подобных работ выполнить самостоятельно.
Автоматическая стиральная машина – сложное устройство, она состоит из множества узлов и агрегатов, каждый из которых может выйти из строя. Перечень возможных неисправностей стиральных машин Whirlpool очень обширен, полное руководство по ремонту будет насчитывать несколько томов. Из наиболее распространенных проблем можно выделить следующие: не работающий слив, проблемы с нагревом, износ или обрыв манжеты.
Пожалуй, самая распространенная проблема из тех, с которыми могут столкнуться владельцы стиральных машин Whirlpool. Машина останавливается и вместо того, чтобы слить воду, выдает сообщение об ошибке.
Причин неработающего слива может быть несколько:
Прежде чем начинать ремонт стиральной машины Вирпул с проблемами системы слива необходимо удалить воду из барабана. Специально для подобных ситуаций производитель предусмотрел аварийный слив. Удалить воду просто, для этого надо лишь вынуть пробку, предварительно не забыв подставить емкость для воды.
После того, как вода удалена, можно переходить непосредственно к ремонту. Машина отодвигается для удобства работы. Проверяется шланг на предмет загрязнения и перегибов.
После шланга проверяют чистоту сливного фильтра. Он улавливает нитки, лоскуты, пуговицы, что может стать причиной засора. Его необходимо снять и промыть. Также не лишним будет прочистить канализацию, используя гибкий трос или изогнутую проволоку.
Если фильтр чистый, внутри шланга нет засора, а машина по-прежнему не сливает воду, следует проверить сливной патрубок и насос. Для этого необходимо выполнить частичную разборку машины.
- Устройство отключается от сети, водопровода и канализации.

- Извлекается лоток для моющих средств.
- Машина кладется на бок.
- Откручиваются болты, удерживающие дно.
Получив доступ к контактам помпы, с помощью мультиметра замеряется сопротивление обмоток. Если прибор покажет обрыв – необходима замена. Старый насос снимается, сливной патрубок очищается от грязи и накипи. Заменив насос, машину собирают, подключают к коммуникациям, проверяют работу слива.
Если работа любой программы останавливается при попытке нагреть воду, а на дисплее отображается сообщение об ошибке системы нагрева, одной из наиболее вероятных причин является неработающий нагреватель – тэн. Отремонтировать сгоревший нагреватель в принципе невозможно, единственный возможный выход – замена. В стиральных машинах Whirlpool тэн меняется достаточно просто, эту процедуру можно выполнить своими руками.
- Машина отключается от сети и водопровода.
- Устройство поворачивается или отодвигается от стены для удобства работы.
- С помощью отвертки отвинчивается задняя крышка.

- Снимается кронштейн, перекрывающий доступ к нагревателю.
За кронштейном находятся выводы тэна, контактная площадка. Чтобы проверить нагреватель не обязательно его извлекать, достаточно отключить идущие к нему провода.
Для проверки работоспособности нагревателя используют мультиметр в режиме измерения сопротивления. Нерабочий тэн покажет бесконечное сопротивление, рабочий – несколько десятков Ом, в зависимости от модели.
Сгоревший тэн надо менять. Пожалуй, единственная сложность, которая может возникнуть в ходе его замены – ржавчина. Винт, фиксирующий нагреватель может приржаветь настолько, что без использования специальных средств, к примеру, WD-40 не обойтись.
Старый нагреватель извлекается, на его место устанавливается новый, вместе с ним стоит заменить и резиновую прокладку, в противном случае возможны протечки, из-за старения резины.
Это еще одна распространенная проблема, справиться с которой несложно своими силами. Она проявляется в том, что во время стирки вода просачивается через манжету, уплотнитель загрузочного люка машины.
Причина подобного явления – потеря эластичности манжеты или неправильная ее установка в процессе ремонта.
Заменить манжету несложно, надо лишь выполнить ряд простых действий.
- Открыть люк до упора.
- Поддеть отверткой и снять пластиковый держатель
- Выкрутить фиксирующий болт, тем самым освобождая манжету.
- Потянуть манжету на себя.
- Аккуратно вставить новую. При этом не рекомендуется использовать острые предметы, чтобы не повредить тонкую резину.
- Одеть хомут, затянуть болт.
Манжета – простая деталь, но от ее качества зависит безопасность стирки. Правильный выбор – оригинальная деталь, производства Италии или Словакии. Покупая дешевую подделку, удастся немного сэкономить, но вполне возможно скоро придется снова разбирать машину.
Список неисправностей, с которыми можно справиться самостоятельно не ограничивается описанными выше. Знание устройства машины и умение понимать ее сообщения позволит решить большую часть возможных проблем.
В любом случае, прежде чем начинать ремонт стиральных машин Whirlpool необходимо выявить неисправность и найти ее причину. Производитель позаботился о простоте ремонта, для этого в микропрограмму включена система автоматического тестирования, результат работы которой, в виде сообщения об ошибке, выводится на индикатор.
Первое, что стоит проверить при возникновении подобных ошибок – наличие воды в водопроводе и ее давление. Если напор в системе не соответствует номинальному значению, стирку придется отложить до нормализации водоснабжения.
Стоит обратить внимание и на состояние входного клапана. В нем установлена сеточка, играющая роль фильтра, при необходимости ее следует промыть или заменить.
Если же вода в машину поступает нормально, но ошибка все равно возникает, причина может крыться в датчике, контролирующем уровень воды. Стоит проверить сам датчик, его подключение, а возможно и модуль управления.
Данная ошибка может возникнуть в случае блокировки входного клапана.
Его необходимо проверить, а при необходимости заменить. Эта же ошибка может появиться в случае утечки воды. Стоит внимательно осмотреть место установки машины. Если появилась лужа – стирку придется перенести до устранения неисправности.
Если машина отказывается сливать воду, необходимо проверить весь сливной тракт. Причиной может быть засоренность фильтра, сливного шланга, его чрезмерный перегиб. К подобным ошибкам ведет поломка или засорение сливной помпы. В редких случаях причиной может стать неисправность контролера.
Машина не греет воду или ее температурные параметры не соответствуют значениям, заложенным в программе. Причины данной проблемы могут крыться в нагревательном элементе или температурном датчике. В любом случае для ремонта придется разобрать устройство, омметром протестировать тэн, при необходимости заменить его. То же касаемо датчика.
Тахогенератор – небольшое устройство, которое устанавливается на двигатель для контроля его оборотов.
Чаще всего причинной возникновения данной ошибки служит слетевшая пружинная шайба или обрыв проводников, идущих к устройству.
Источник неисправности – плата контроллера. Для ремонта необходимо извлечь ее и заменить детали, которые вышли из строя.
Нагреватель стиральной машины – один из наиболее уязвимых ее узлов. Контактируя с водой не лучшего качества, он покрывается накипью, она заметно снижает его характеристики. Данная ошибка может означать:
- сгорел или сломался нагреватель;
- не работает прессостат;
- неисправен контроллер;
- поврежден или сгорел датчик температуры.
Для устранения неисправностей необходимо разобрать машину, проверить, а при необходимости заменить нагревательный элемент или неисправный датчик.
Появление любой из этих ошибок сигнализирует о выходе из строя электродвигателя или схемы подключения. Для их устранения необходимо проверить температурное реле и управляющие симисторы на плате.
Сгоревшие детали придется заменить.
Ошибки F27 и F28 указывают на невозможность вращения двигателя в обратном направлении и слишком медленном его вращении, соответственно. Для исправления ситуации необходимо проверить, а при необходимости заменить реле реверса и переключения обмоток.
Проблемы с обмотками двигателя диагностировать сложнее. Возможно выгорание одной или нескольких обмоток, обрыв в них, отсутствие контакта, повреждение изоляции. В большинстве случаев двигатель придется менять, исключение – изношенные щетки коллектора.
Чаще всего источником данных ошибок является несоответствие параметров электрической сети требуемым значениям. Необходимо проверить напряжение в розетке, а также принять меры по его нормализации. Не лишним будет использовать для подключения машины стабилизатор.
Ошибки появляются в случае различных сбоев в работе контролера. Для исправления ситуации может понадобиться повторная прошивка модуля, а возможно и полная его замена.
Также причина ошибок может скрываться в неисправной проводке, обрыве одного или нескольких проводов, идущих от модуля управления к исполнительным устройствам и датчикам. В данном случае необходимо «прозвонить» каждый проводник, при необходимости заменить поврежденный.
Датчик фиксирует чрезмерное количество пены, что может стать причиной выхода машины из строя. Необходимо заменить моющее и повторить стирку.
Первая из этих ошибок появляется в случае невозможности нормального выполнения программы из-за неисправности блока управления, вторая из-за невозможности передачи команды от модуля к исполнительным устройствам. Для их устранения необходимо разобрать машину, проверить целостность проводки и компонентов платы контроллера.
Причина – не работает прессостат, датчик контролирующий уровень воды. Необходима замена.
Данная ошибка сигнализирует о том, что попытка обновления через интернет закончилась неудачей.
Возможно, необходимо проверить настройки роутера или обратиться к провайдеру.
Появление этих ошибок сигнализирует о том, что люк неплотно закрыт или не работает соответствующий датчик. Стоит попытаться открыть люк и закрыть заново, если ошибка не исчезнет – заменить датчик.
Справиться с большинством поломок стиральной машины Whirlpool можно в домашних условиях. Для этого достаточно небольшого набора стандартного инструмента, умения ним пользоваться и, безусловно, желания. Конечно, не стоит пытаться отремонтировать машину, гарантийный срок которой еще не истек, и не стоит браться за ремонт, не имея опыта работы с электрооборудованием. Важно трезво оценивать свои силы и в случае малейших сомнений обращаться в ремонтную мастерскую.
Автор статьи: Антон Кислицын
Я Антон, имею большой стаж домашнего мастера и фрезеровщика. По специальности электрик. Являюсь профессионалом с многолетним стажем в области ремонта.
Немного увлекаюсь сваркой. Данный блог был создан с целью структурирования информации по различным вопросам возникающим в процессе ремонта. Перед применением описанного, обязательно проконсультируйтесь с мастером. Сайт не несет ответственности за прямой или косвенный ущерб.
Ремонт стиральной машинки whirlpool своими руками
Самое подробное описание: ремонт стиральной машинки whirlpool своими руками от профессионального мастера для своих читателей с фотографиями и видео из всех уголков сети на одном ресурсе.
В магазинах бытовой техники представлено огромное множество разных моделей и производителей стиральных машин. Одной из таких марок является Whirlpool. Производятся агрегаты в Словакии и Италии. Все агрегаты обладают высоким качеством. Однако бывает случаи, когда необходим ремонт стиральных машин “Вирпул”. Стиральная машина — это сложный механизм, который имеет множество возможных причин поломки и способов ремонта.
Сегодня мы рассмотрим самые распространенные неисправности и расскажем, как осуществить стиральной машине “Вирпул” ремонт своими руками.
Важно! По статистике, ремонту подвергается одна машина из пятнадцати.
Одной из самых распространенных причин неисправности у стиральных машин разных производителей является отсутствие слива жидкости. Почти каждый человек сталкивался с тем, что агрегат после отработки программы не сливает воду.
Важно! Этот недостаток проявляется и в том случае, если перезапустить функцию или нажать на кнопку принудительного слива воды.
Данная ситуация может быть в таких случаях:
| Видео (кликните для воспроизведения). |
- засор в трубе слива воды;
- засор фильтра;
- засор, который возник в канализации;
- поломка электрического насоса, отвечающего за слив воды в стиралке.
Прежде чем делать ремонт стиральной машины “Вирпул”, независимо от того, с вертикальной она загрузкой или фронтальной, необходимо освободить барабан от воды, которая образовалась при стирке:
- Можно воспользоваться трубкой аварийного слива, которая расположена рядом с основным шлангом.
Для этого необходимо просто открыть пробку и подставить таз. - Второй способ слить жидкость со стиральной машины — открутить фильтр. Делать это нужно очень аккуратно и вооружиться большим количеством тряпок, так как вся вода (ее там очень много, несмотря на то, что на первый взгляд, там не более пяти литров) хлынет из этого отверстия. При таком сливе подставить таз не получится, так как фильтр расположен в самом низу устройства.
Для устранения неполадки, связанной с плохим или отсутствующим сливом воды, необходимо промыть фильтр и шланги от загрязнения и мусора. Канализацию также стоит почистить с помощью гибкого шнура, сделанного из проволоки.
Важно! Вышеперечисленные действия не требуют особых навыков и разборки стиральной машины Whirlpool. Если вы прочистили все трубы и агрегат все равно не заработал, тогда требуется ремонт стиральной машины “Вирпул” — своими руками вы это будете делать или вызовете мастера, решайте, исходя из своих практических навыков.
Для устранения неполадки необходимо разобрать корпус агрегата и добраться до сливного патрубка и муфты.
Как добраться до сливного патрубка:
- Снимаем лоток для моющих средств.
- Отсоединяем стиральную машину от электросети, водопровода и канализации.
- Поворачиваем агрегат и кладем его на бок на ковровое покрытие.
- Открутить болты.
- Снимаем дно.
- Замеряем сопротивление на открытых контактах с помощью мультиметра.
- Если проблема в сливном насосе заменяем старый на новый. Если причина не в нем — двигаемся дальше.
- Немного откручиваем хомуты, которые держат патрубок слива.
- Очищаем от мусора и грязи.
- Устанавливаем на место.
После этих действий вода в машинке будет сходить надлежащим образом. Рассмотрим следующую причину.
Иногда владельцы стиральных машин сталкиваются с тем, что дисплей перестал нормально работать. Поломку дисплея легко определить. Во время стирки будет мигать вся панель и все кнопки, при этом с программой, которая выполняется, ничего не происходит.
Она работает так, как и должна.
Для проверки панели на исправность состояния необходимо выключить стиральную машину из электросети на пару минут. Если при включении неполадка все так же проявляется, тогда необходимо вызывать мастера или увезти устройство в сервисный центр. Самостоятельно отремонтировать электронную панель — невозможно!
Важно! Есть и другой вариант развития событий — стиральная машина включается, вы выставляете программу, и тут происходит сбой — она полностью отключается и никак не реагирует на ваши действия.
В данном случае скорее всего имеет место другая ситуация, подробно рассмотренная нами в отдельной статье «Выбивает автомат при включении стиральной машины».
Вы задумались над тем, что вам необходим ремонт стиральных машин “Вирпул”, так как вода не греется при стирке? Тогда вам необходимо самостоятельно констатировать причину поломки. Если температура не соответствует заявленной при выборе программы, тогда единственной причиной является поломка ТЭНа или термистора.
Важно! Запомните, что поломка ТЭНа в 90% случаев вызвана плохим качеством воды и отсутствием ухода за техникой во время ее эксплуатации. А ведь можно легко предупредить такую неисправность, если:
- регулярно выполнять профилактику стиральной машины;
- время от времени специальными или хотя бы подручными средствами удалять накипь.
В любом случае необходимо диагностировать данную неисправность.
- С помощью отвертки откручиваем болты, которые держат заднюю крышку.
- Снимаем кронштейн, который мешает подобраться к ТЭНу.
- Перед вами находится ТЭН — это металлическая пластина с контактами и проводами.
- Отсоединяем провода.
- С помощью специального прибора — мультиметра, замеряем сопротивление.
- Меряем сопротивление нагревательного элемента.
На данном этапе вы заметите, что показания равны нулю. В таком случае необходимо произвести стиральной машине “Вирпул” ремонт своими руками, а именно замену ТЭНа.
Для этого вам необходимо снять старый нагревательный элемент.
Важно! Зачастую определить поломку ТЭНа можно и без мультиметра. Пластина настолько пригорает к поверхности, что образуется толстый слой накипи, который может быть толщиной до одного сантиметра.
При сильной накипи и невозможности отсоединить пластину с первого раза необходимо воспользоваться специальным средством WD-40.
ТЭН устанавливается на резиновую прокладку, которую также необходимо заменять при поломке нагревательного элемента. Это обусловлено тем, что не замененная резинка в процессе эксплуатации может протекать, что приведет к серьезным последствиям.
После того, как вы установили новый ТЭН, к нему необходимо заново подсоединить все провода и закрутить. Поставить на место заднюю крышку. Попросту говоря, процесс сборки такой же, как и разборки, только в обратной последовательности.
Одной из самых распространенных проблем является протечка воды из окошка во время работы какой-либо программы.
Прежде чем задуматься о ремонте стиральной машины “Вирпул”, необходимо точно знать причину появления этой неисправности.
| Видео (кликните для воспроизведения). |
Вода может вытекать из люка только по причине плохой резиновой манжеты, которая зафиксирована с внутренней стороны окошка. Данная деталь предназначается для того, чтобы не пропускать воду.
Важно! Необходимо постоянно следить за чистотой резинки. Так, при стирке в нижней части манжеты собирается постоянно грязь и небольшое количество воды. Вследствие этого резина может лопаться, трескаться и пропускать воду.
- Открываем люк настолько, насколько возможно.
- Небольшой отверткой поддеваем пластиковый держатель, в котором закреплена резинка.
- На резиновой подкладке находим болт — это место крепления манжеты.
- Раскручиваем болт, тем самым, расправляя манжету.
- С небольшой силой тянем на себя манжету, и она вам поддастся.

- Аккуратно вставляем новую резинку. Не рекомендуется использование острых предметов на этом этапе.
- Одеваем хомут.
- Закручиваем болт.
- Пользуемся стиральной машиной.
Важно! При покупке новой манжеты, мы настоятельно рекомендуем остановить свой выбор на оригинальной модели, которая производится Словакией или же Италией. Не покупайте дешевые манжеты, которые не прослужат вам долго и нанесут больший вред устройству.
Для того чтобы не задумываться о ремонте стиральной машины “Вирпул” своими руками, стоит постоянно ухаживать за агрегатом. А именно:
- поставить сетевые фильтры, которые будут защищать все электронные детали и контакты;
- чистить фильтры после нескольких стирок;
- протирать манжету;
- проверять карманы перед стиркой;
- пользоваться только специальными средствами для стирки;
- правильно рассчитывать вес постельного белья.
к содержанию ↑
youtube.com/embed/zq8rxfXSEro?feature=oembed»/>Тогда техника Whirlpool прослужит вам очень долго!
Сегодня практически в каждом многоквартирном доме можно встретить стиральную машинку марки Whirlpool, и не одну. У нас распространены обе сборки: Словакия и Италия. Последние покупаются реже и стоят дороже, а вот машины, собранные в Словакии, можно встретить во всех магазинах бытовой техники.
Пожалуй, именно европейские стандарты сборки помогли машинам Вирпул зарекомендовать себя как машины высокого качества и завидной долговечности.
Именно поэтому ремонт требуется редко, но если и случаются поломки, то часто ремонт стиральных машин Whirlpool (Вирпул) можно провести своими руками.
Если перечислять основательно все возможные поломки СМА, мы вынуждены будем написать целое руководство в 10 томах. Поэтому остановим внимание только на неисправностях, типичных для этого бренда.
Мы использовали данные из авторитетных сервисных центров, чтобы создать ценные инструкции для тех, кто собрался делать ремонт стиральной машины Вирпул своими руками.
- После стирки вода стоит в баке.
- Зависают режимы стирки, не запускаются совсем, или программы выполняются со сбоями.
- Все режимы стирки проходят в холодной воде.
- СМА протекает в зоне люка.
Важно! За этими на первый взгляд безобидными неисправностями могут скрываться серьезные поломки. Их нужно устранять сразу же, чтобы не сломать СМ окончательно.
Исходя из описанных выше проблем, можно выделить наиболее уязвимые места стиральных машин Вирпул.
Во многих современных моделях предусмотрена система самодиагностики, которая при помощи кода неисправности сообщит вам о том, какая деталь вышла из строя.
Но что делать, если машинка не включается совсем, и нет ничего, что помогло бы вам выяснять причину поломки? Послушайте советы бывалых ремонтников, они уверены, что самые уязвимые детали в машинка Вирпул такие:
- Термоэлектрический нагреватель – ТЭН.
- Двигатель и его подвижные элементы.
- Манжета люка, патрубки.
- Контроллер (модуль управления).
Внимание! Машины Whirlpool, как и любые другие машины, «страдают» засорами. Засоряются как фильтры, так и шланги. Если своевременно выполнять чистку (3-4 раза в год), то можно избежать поломок системы слива и залива воды.
Наверное, вам знакома ситуация, когда вы загрузили белье в бак, выбрали удобный режим стирки, ушли по своим делам на кухню, затем пришли достать белье, а там катастрофа. Машину глючит: в ней полно воды и пены, стирка не закончилась, белье мокрое.
Вы перезапускаете программу, но всё по кругу – программа стирки не выполняется, потому что вода остается в барабане. Такая проблема вызывается одним из трех факторов:
- Скопился мусор в патрубке слива воды или фильтре слива.
- Засор шланга слива или засор в системе канализации.
- Поломка электронасоса слива (помпы).
Однако, прежде чем посвятить время поиску причин сбоя, подготовьте к этому свою СМА:
- Отключите питание.
- Вручную слейте воду, оставшуюся в барабане. Это можно сделать быстро, используя шланг аварийного слива – он обычно расположен возле фильтра слива воды.
- Подставьте емкость или постелите тряпку на пол – и туда вытечет отработанная вода.
Далее извлекаем фильтр отработанной воды:
- Подложите тряпку или поставьте емкость под люк, за которым расположен фильтр.
- Открутите пробку против часовой стрелки.
- Прочистите и промойте агрегат под краном.
- Установите все на место.

- Скрутите шланг слива, почистите и промойте его, установите на место.
Не помешает проверить и канализацию на предмет засора.
Чтобы провести все действия, вам не нужно знать, как разобрать стиральную машину Вирпул, – это легкая работа, которую может сделать любой пользователь.
Если ваши действия не помогли избавиться от проблемы, система слива чистая, в канализации нет засора, а стиралка все равно не сливает воду из бака, ее придется все-таки разобрать. Истинная причина поломки может скрываться в помпе и сливном патрубке.
Важно! Практически все модели Вирпул устроены таким образом, что до помпы и патрубка можно добраться только со дна. Придется переворачивать машину на бок.
Как найти, проверить и прочистить помпу и патрубок:
- Извлеките кюветку для моющих средств.
- Отключите машину от всех систем: электро- и водоснабжения, канализации.
- Переверните СМА, положив ее на боковую стенку.
- Открутите болты и снимите дно.

- Вооружитесь тестером и замеряйте сопротивление помпы.
- Обнаружив проблему, меняйте помпу.
- Если помпа не при чем, то действуйте далее.
- Ослабьте хомуты патрубка слива воды.
- Снимите патрубок.
- Прочистите и промойте его.
- Установите патрубок обратно.
Эта поломка характерна для машин с любым типом загрузки. Устройство стиральной машины Вирпул с вертикальной загрузкой несколько иное, чем у обычных СМ, но решать проблему с ней нужно по той же схеме.
Нередко после запуска стиралки панель управления начинает вести себя неадекватно: дисплей моргает, а вместе с ним мигают все светодиоды. Также может не срабатывать выбранная вами программа.
Если это ваш случай, то срочно выключайте СМ, и ожидайте 60 секунд. После включите ее и, если проблема не устранена, стоит вызвать мастера, так как поврежден модуль управления, а починка своими руками практически невозможна. Вам понадобится не только схема модуля управления стиральной машины Вирпул, но и опыт в подобном ремонте.
Если же стиралка не хочет нагревать воду и плохо отстирывает белье, то можно без помощи особых приспособлений определить поломку и осуществить самостоятельный ремонт.
Самая верная причина такого поведения – это поломка термистора (температурного датчика), но мог выйти из строя и ТЭН. Как бы то ни было, проверять стоит оба элемента в комплексе. Далее действуйте по такой нехитрой схеме:
- Поверните машинку так, чтобы передняя стенка была перед вами – так будет удобнее вести работы.
- Выкрутите болты и снимите заднюю панель.
- Далее снимите кронштейн, отвинтив болты, чтобы он не мешал работать с нагревателем.
- Сразу весь ТЭН вы не увидите – под баком виден только его хвостовик, к которому идут четыре провода, два из которых подключены к самому нагревателю, а остальные – к термодатчику.
- Снимите все провода.
- Берите тестер и измеряйте сопротивление контактов термодатчика. Проверьте показатели при комнатной температуре, а потом – нагрев датчик в теплой воде, они должны существенно отличаться, если датчик исправен.

- Далее меряйте сопротивление на самом нагревательном элементе. Его нормальные показатели: 20-40 Ом.
При такой проблеме поломка, скорее всего, подтвердится, поэтому придется заменить датчик (что проще) или же ТЭН.
Важно! Если у вас нет под рукой тестера, сразу доставайте ТЭН из бака, открутив крепеж. Вы быстро определите неисправность, если ТЭН покрыт толстым слоем накипи, или по нему пошли темные пятна. Если накипи совсем чуть-чуть, то ТЭН, возможно, и не сгорел, а если водный камень толщиной в 1 см и более – поломка налицо.
Своими руками легко меняете ТЭН следующим образом:
- Контакты и провода уже сняты, поэтому далее снимайте пластиковый щиток.
- Отвинтите крепление — оно находится по центру хвостовика.
- Аккуратно потянув за контакты, расшатывая нагреватель в разные сторону, извлеките ТЭН. Помехой будет резиновая прокладка, поэтому проявите терпение – тут ничего не поделать.
- Достав ТЭН, снимите и прокладку.
Важно! Механики рекомендуют вместе с новым нагревателем ставить и новую прокладку, так как протечки из-за износа прокладки губительны для этого важного узла.
- В том отверстии, где был ТЭН, наверняка есть сор и накипь, поэтому проведите генеральную чистку; только после этого можно ставить прокладку.
- Установите новый ТЭН, закрутите крепление.
- Установите на место пластиковый щиток.
- Подключите контакты к нагревателю и датчику.
- Восстановите местоположение кронштейна, и, наконец, смонтируйте назад панель машинки.
Когда в режиме стирки или полоскания из-под дверцы стиральной машинки-автомат Вирпул протекает вода, то начинается это незаметно – сначала пару капель, потом тонкая струйка, а рано или поздно и вовсе начинается потоп.
Вам не понадобится схема стиральной машины Вирпул, чтобы найти манжету – виновницу поломки. Ее видно и невооруженным глазом – это большая резиновая прокладка в вашей СМ. Она расположена по всему внутреннему периметру люка, и главная ее задача – не пропускать воду.
Самое уязвимое место уплотнителя – внизу, потому что грязная вода часто остается там. Если периодически не наводить порядок, манжета может лопнуть.
Достаточно чуть задеть износившийся уплотнитель, чтобы он порвался – вот тогда-то протечки не избежать.
Важно! Нельзя пользоваться машинкой с порванной манжетой – она не сможет удержать воду. Если обнаружен прорыв, манжету нужно менять СРОЧНО.
Если вы привыкли проводить ремонт в домашних условиях, то демонтируйте старую и монтируйте новую манжету.
- Откройте крышку люка как можно шире.
- Вооружитесь шлицевой отверткой и подцепите проволочный хомут – он расположен поверх манжеты.
- Поддев хомут, подведите под него отвертку поглубже и двигайте ее по кругу, пока не наткнетесь на соединитель с крепежом.
- Ослабьте хомут и снимите его.
- Возьмите двумя руками уплотнитель и, потянув на себя, достаньте его.
К сведению пользователей: покупайте манжеты у официальных дилеров. Оригинальная деталь встанет в паз люка четко до миллиметра и защитит бак от протечек.
- Распакуйте деталь и вставьте ее в паз.
Важно! Не пользуйтесь ничем острым, дабы не порвать уплотнитель – все делайте ТОЛЬКО руками.
- Как только резинка встанет на свое место, быстро накиньте хомут и затяните его.
- Проверьте, нормально ли закрывается и открывается люк.
- Запустите стирку в тестовом режиме.
- Если под машинкой сухо, поздравляем, вы справились «на отлично»!
Если вода течет в машинке вертикального типа, то причина может быть совсем не в люке – он в ней находится сверху. Скорее всего, понадобится разборка стиральной машины Whirlpool с вертикальной загрузкой для выяснения причин протечки.
Есть еще ряд причин, по которым может течь стиралка:
- Течет помпа.
- Разгерметизация бака – трещина, пробоина, коррозия.
- Повреждены патрубки слива или забора воды.
- Разгерметизация соединения патрубка залива воды.
- Разгерметизация патрубков, соединяющих впускной клапан и кюветку для порошка.
- Износ сальника.
- Засор в бункере дозатора.
- Износ сливной трубки бака.
Большинство этих поломок несложные, и для устранения протечки можно провести ремонт самостоятельно.
Самое главное в этом случае — правильно продиагностировать проблему. В этом вам помогут коды неисправностей.
На табло могут гореть такие коды ошибок: F01 или FH, F02 или FA, F03 или FP, F14, FDL, FDU.
Если у вас остались вопросы по ремонту поломок стиральных машин марки Вирпул, читайте другие наши материалы, в которых мы подробно разбираем каждую отдельную неисправность.
В этой статье мы рассмотрели только типичные поломки, которые можно устранить без помощи ремонтника. А если вам интересно, как поменять подшипник на стиральной машине Вирпул, смотрите дополнительно специальное видео:
Не всегда техника ломается в гарантийный срок. Поэтому пользователю приходится самостоятельно решать вопросы по восстановлению работы стиралки.
Ремонт стиральных машин Whirlpool можно провести самостоятельно. В публикации мы предоставим пошаговое руководство по устранению неполадок. Для этого вам понадобятся руки и небольшой набор инструментов.
Все чаще на наши рынки поступают стиралки Whirlpool словацкой сборки, реже — итальянской. И хотя пользователи этой техники обращаются в сервисы в 15 раз реже, чем владельцы других марок, поломки все же случаются.
Поиск неполадки облегчается со встроенной диагностикой системы. Выход из строя узла или детали СМА отображается на экране кодом ошибки (FH, F02, F05, F06, F07, F09, F10, F11, F13, F14, F15, Sud, FdL, FdU). Значение кода можно узнать в инструкции, после чего приступать к ремонту прибора.
Какие коды неисправностей встречаются чаще других:
- F02 — не уходит вода из бака.
- FH/F09 — перелив, проблемы с прессостатом.
- F06 — неполадки с двигателем или таходатчиком.
- FdL/FdU — проблемы с блокировкой люка.
Но даже если ошибка не выбилась на дисплее, определить поломку можно по внешним признакам.
Теоретически в стиралке может сломаться что угодно. Мы перечислим только типичные неисправности, с которыми пользователи обращаются чаще всего.
- Проблемы с элементом нагрева. Стирка проходит в холодной воде, белье плохо отстирывается и полоскается.
- Неисправность двигателя. Барабан плохо вращается либо совсем не крутится. Вещи не отжимаются. Возможно, причина в износе щеток мотора.
- Течь из-под люка. Повреждение или износ уплотнительной манжеты, коррозия металла.
- Поломка электронной платы. Машинка не включается либо работает со сбоями, программы неправильно активируются.
- Не сливается вода из бака. Причина в засорах, неполадке насоса.
В половине случаев ремонт проводится самостоятельно, в домашних условиях. Как? Об этом ниже.
Начните работу с подготовки техники. Это касается и вашей безопасности: отключите машину от сети, перекройте впускной вентиль подачи воды. Теперь можно разобраться в причинах неполадки и определиться, с чего начинать ремонт.
Вполне вероятно, что вы столкнулись с такой ситуацией: загрузили белье, запустили стирку, а в конце машина отказалась сливать воду. На это может быть три причины:
- Засор сливного патрубка или фильтра.
- Забились шланг или канализация.
- Вышел из строя насос.
Проверить систему на засор можно без разборки СМА. Начните с выкручивания фильтра:
- Под загрузочным люком находится маленькая дверца.
- Откройте ее, подставьте емкость.
- Выкрутите пробку фильтра против часовой стрелки.
Удалите мусор из сетки фильтра. В открывшееся посадочное отверстие можно осмотреть крыльчатку помпы. Иногда она блокируется волосами, нитками, которые наматываются на ее ось. Прочистите крыльчатку от мусора.
Теперь проверьте шланг. Прямое подключение к канализации часто приводит к ее засору. Гораздо лучше соединять сливной шланг с сифоном. Его легче прочистить при необходимости.
Чистка канализации проводится специальными средствами либо необходима помощь сантехника.
Если детали прочищены, но слив не улучшился, значит, проверяйте патрубок и насос. Для этого нужно уложить корпус стиралки набок.
- Достаньте дозатор для порошка.
- Положите на пол старое одеяло или полотенце.
- Переверните корпус СМ набок.
- Разожмите хомут патрубка. Снимите его с места, прочистите от засора. Можно промыть деталь теплой водой.
- Проверьте помпу. При неисправности проводится замена: отсоедините проводку от контактов насоса, выкрутите крепежные болты.
Ваши вещи хорошо избавляются от загрязнений благодаря высокой температуре и моющему средству. В холодной воде порошок не растворяется полностью, поэтому пятна плохо отходят. За нагрев в стиральной машинке отвечает ТЭН. Частой причиной его поломок становится накипь. Чтобы проверить или заменить элемент, поступите так:
- Снимите верхнюю крышку, открутив сзади саморезы.
- Уберите болты по периметру задней крышки. Снимите ее.
- Под баком находится ТЭН.

- Отключите проводку, вытащите термистор из корпуса нагревателя.
- Проверьте нагреватель на исправность (подробно о процессе диагностики читайте « Как проверить ТЭН в СМА »).
- Если элемент вышел из строя, тогда скрутите центральную гайку и продавите внутрь болт.
- Достаньте старый ТЭН, прочистите его гнездо от мусора и накипи.
- Установите новый нагреватель.
Некоторые предлагают устанавливать на новый ТЕН старую прокладку, если она цела. Мы рекомендуем прокладку тоже поменять, чтобы исключить риск протечки и новой замены.
Заметили медленное вращение барабана? Вещи на выходе остаются мокрыми и не отжатыми? Пора проверить состояние щеток двигателя и приводного ремня.
В коллекторных моторах ток на ротор подается через щетки. Установлены они по бокам корпуса. Стержни элементов из мягкого материала изнашиваются, что приводит к остановке работы.
- Демонтируйте заднюю стенку.
- Снимите приводной ремень.
Осмотрите его. При растяжении и износе деталь подлежит замене. - При первичной замене щеток мотор лучше достать из корпуса.
- Отсоедините его проводку, выкрутите болты.
- Отключите клеммы щеток, достаньте их из корпуса.
- При износе больше чем наполовину требуется замена. Вставьте новые детали в отверстия, закрепите проводку.
Проблемы с отжимом могут быть связаны с износом подшипника. При этом слышны посторонние звуки: скрип, гул.
Стиралки семейства «Вирпул» имеют неприятную особенность — быструю коррозию корпуса. Некоторые части машинки изготовлены из металлов, которые быстро поражаются коррозией, что может привести к протечке. Поврежденные панели нужно менять, окрашивание им не поможет.
Течь может возникнуть из манжеты люка. Резина чувствительна к длительным скоплениям влаги. Если ее не протирать вовремя, манжета изнашивается, трескается и дает течь. Поможет только полная замена.
- Отогните уплотнитель. Подденьте отверткой хомут, снимите с места.

- Заправьте резину внутрь барабана.
- Чтобы убрать внутренний хомут, можно демонтировать переднюю панель либо ослабить винт хомута через верхнюю крышку.
- После этого аккуратно снимите резину.
Монтаж новой резины проводится в обратном порядке. Для облегчения установки смажьте края моющим средством.
Проблемы с частью электроники проявляются в торможении режимов, неправильном запуске программ, «глюках». Для ремонта требуется схема модуля управления.
Эту работу лучше доверить мастеру. А осмотреть плату можно самостоятельно:
- Уберите верхнюю крышку.
- Достаньте лоток для моющих.
- Выкрутите болты по периметру панели управления.
- Отключите проводку от модуля.
- Снимите верхнюю защиту, расстегнув защелки.
Подгары или окисления на поверхности платы говорят о неполадке. Отнесите деталь в сервис или вызывайте специалиста на дом.
Не только фронтальные модели подвержены поломкам. Однако проведение ремонтных работ описано только для них.
Мы решили исправить эту оплошность.
Примерно все вертикалки устроены одинаково:
В таких машинах чаще изнашиваются подшипник и другие детали, потому что все узлы близко расположены друг к другу. Чтобы отремонтировать неполадку, к ней еще нужно добраться.
Как разобрать стиральную машину «Вирпул»:
- Отключите прибор от сети и водопровода.
- Плоской отверткой подденьте защелки панели управления. При необходимости вытащите фишки проводки.
- Чтобы снять верхнюю панель, выкрутите сзади саморезы. Поднимите ее вверх, закрепите тесемкой или цепочкой, чтобы крышка не падала.
- Расстегните защелки балансировочного кольца на центрифуге. Уберите его в сторону.
- Выкрутите винт и достаньте активатор центрифуги.
- Скрутите шайбу оси и достаньте барабан из бака.
Сборка проводится в обратном порядке. По ходу вы сможете осмотреть и заменить необходимые элементы.
Если устройство вашей вертикалки отличное от описанного, посмотрите видео о том, как поменять подшипник на машине с вертикальной загрузкой:
youtube.com/embed/Lx4dOwmKGKk?feature=oembed»/>Берегите свою технику и ухаживайте за ней. Тогда не придется ее ремонтировать. Стандартные правила ухода описаны в инструкции производителем.
В настоящее время на рынке стран СНГ присутствуют, в основном, стиральные машины Whirlpool собранные в Италии или Словакии. Итальянские машины довольно дороги и встречаются реже, а вот словацкие стиралки имеются в каждом магазине бытовой техники. Возможно за счет европейской сборки, такие машины ломаются нечасто и ремонт стиральных машин Whirlpool, требуется только одному из 15 владельцев такой техники. Тем не менее, изучить его особенности нужно, ведь мало ли что!В любой сложной технике, тем более бытовой, потенциально может сломаться все что угодно. Если перечислять все без исключения возможные поломки современных автоматических стиральных машин Вирпул и описывать их устранение, можно об этом книгу написать. Поэтому мы в рамках статьи расскажем только о типичных дефектах, которые по статистике, предоставленной сервисными центрами, встречаются чаще всего.
- Вода из машинки не уходит после стирки.
- Программы стирки глючат, не работают, как должны, либо вообще не активируются.
- Вода, набранная для стирки, не нагревается согласно заданной программе.
- Вода подтекает во время стирки из-под закрытой крышки люка.
Обратите внимание! В этих типичных признаках поломок зашифрованы серьезные неисправности, устранение которых первостепенная задача, поскольку иначе стиральная машина Вирпул может сломаться окончательно.
Наверное, и с вами такое было, закладываете белье в барабан, ставите любимую программу стирки и уходите в другую комнату делать домашние дела. Через некоторое время приходите, машинка зависла, в ней полный бак мыльной воды и стирка конечно не завершена. Перезапускаете машинку, история повторяется, стирка не может завершиться, поскольку вода из бака не уходит. Как поступить в такой ситуации, и в чем причина проблемы? Основных причин три:
- возник засор в сливном патрубке или сливном фильтре;
- возник засор в сливном шланге или канализации;
- сломался электрический сливной насос.

Но прежде чем начать выяснять причину поломки вашей машины Вирпул, нужно своими руками подготовить ее, а именно отключить и слить воду из бака вручную. Быстро и безопасно удалить всю воду из бака можно через шланг аварийного слива, который находится рядом со сливным фильтром. Нужно подставить под шланг таз или другую емкость и открыть пробку и вся вода сама вытечет. Далее приступим к поиску поломки, двигаясь от простого к сложному.
- Подкладываем емкость или тряпку под отверстие сливного фильтра и откручиваем пробку. Чистим фильтр от грязи и ставим пробку на место.
- Аккуратно откручиваем сливной шланг и чистим его от грязи, затем прикручиваем на место.
- Проверяем, не засорилась ли канализация.
Вышеуказанные действия не предполагают разборки стиральной машины Вирпул, поэтому после проведения «генеральной» чистки попробуйте запустить машину заново. Если ничего не изменилось и машинка по-прежнему отказывается сливать воду, значит, придется лезть в ее корпус.
Важно! Почти во всех моделях стиральных машин Вирпул, чтобы добраться до сливного патрубка и помпы нужно лишь перевернуть машину на бок и снять дно.
Чтобы добраться до интересующих нас деталей, выполним следующие действия:
- вынимаем лоток для порошка;
- отсоединяем машинку от водопровода, канализации и электросети;
- кладем машинку на бок;
- откручиваем крепежные элементы и убираем дно;
- берем мультиметр и замеряем сопротивление на контактах помпы;
- меняем сливной насос на новый, если проблема не в нем, то переходим к следующему этапу;
- ослабляем хомуты сливного патрубка и снимаем его;
- чистим от засоров и ставим на место.
Бывает так, что после включения стиральной машины ее панель управления словно сходит с ума. Дисплей начинает мигать, а ему вторят все лампочки и индикаторы тумблера. При этом программа стирки может и не выставляться. Если вы столкнулись с подобным, немедленно отключите машинку от сети и подождите около 1 минуты.
Затем снова включите стиральную машину Вирпул и если проблема повториться – вызывайте мастера. Тут дело в плате управления, а чинить ее своими руками крайне сложно, лучше даже не тратить время и силы.
А вот в случае если ваша машинка отказывается стирать в теплой воде, то можно не только самостоятельно определить неисправность, но и устранить ее своими руками, без помощи специалиста. Вероятнее всего причина кроется в нагревательном элементе или термисторе, в любом случае придется проверять оба элемента сразу. Действуем следующим образом.
- Разворачиваем стиральную машину задней стенкой к себе, так чтобы было удобно.
- Откручиваем болты и снимаем заднюю стенку машинки.
- Отвинчиваем кронштейн, который будет мешать работать с тэном.
- В нижней части бака мы увидим два торчащих контакта – это тэн. К нему подходит четыре проводка, два посередине к термистору и два по краям к тэну, нужно их все отсоединить.
- Берем мультиметр и замеряем сопротивление контактов термистора.

- Если все в порядке, замеряем сопротивление на тэне.
В данном случае вы, скорее всего, обнаружите неисправность, и придется произвести замену нагревательного элемента. Обычно при извлечении тэна из бака причина поломки сразу проясняется, поскольку поверхность нагревательного элемента сплошь покрывается накипью. Если накипи немного, то тэн от нее не сгорит, другое дело, если слой водного камня больше сантиметра – это приводит к поломке элемента стиральной машины Вирпул. Произведем замену тэна своими руками.
- Контакты с проводами мы уже сняли, теперь открутим пластмассовый щиток.
- Далее откручиваем болт, который находится между большими контактами тэна.
- Беремся руками за контакты тэна и вытягиваем его на себя, если тэн не идет, попробуйте его аккуратно покачать. Резиновая прокладка будет немного мешать, но ничего не поделаешь
- Вытащив тэн, убираем и прокладку.
Обратите внимание! Специалисты рекомендуют не устанавливать новый нагревательный элемент на старую резиновую прокладку, лучше вместе с тэном поменяйте и ее, поскольку протечка для данного элемента – это самое страшное.
- Вытаскиваем из образовавшегося отверстия грязь и куски накипи, тщательно чистим края, а затем вставляем новую прокладку.
- Вставляем новый тэн и прикручиваем его.
- Прикручиваем пластмассовый щиток.
- Подключаем контакты с проводами к термистору.
- Подключаем контакты с проводами к тэну, ставим на место кронштейн и заднюю стенку.
Если во время стирки и полоскания из-под люка вашей стиральной машины Whirlpool подтекает вода, сначала немного, несколько капель, потом все больше и больше, то нужно внимательно осмотреть самую крупную резиновую прокладку в машине – манжету. Манжету невозможно не заметить, поскольку она опоясывает отверстие люка и служит для того, чтобы не выпускать воду из бака наружу.
Особенно обратите внимание на нижний край манжеты, поскольку грязная вода часто скапливается там. И если ее не вытирать, то резина манжеты в этом месте начинает трескаться и лопаться. В дальнейшем, стоит ее чуть задеть и она рвется.
Порванную манжету эксплуатировать нельзя, поскольку воду она не удержит, придется менять. Для начала правильно демонтируем старую манжету.- Открываем крышку люка как можно шире.
- Берем плоскую отвертку и пытаемся поддеть тонкий проволочный хомут, который располагается на внешней стороне манжеты и удерживает ее.
- Как только удастся его поддеть, подводим под него отвертку посильнее и начинаем продвигаться по кругу до тех пор, пока не найдем соединительный элемент с болтиком.
- Ослабляем хомут и убираем его в сторону.
- Беремся за манжету обеими руками и с усилием вытаскиваем ее наружу.
Обязательно на замену приобретайте только оригинальную манжету, которая четко подойдет в паз люка этой модели стиральной машины Вирпул, иначе могут возникнуть проблемы.
Распаковываем новую манжету и запихиваем ее в паз. При этом нужно все делать аккуратно и естественно не использовать никаких острых инструментов вроде отвертки.
Как только удастся посадить манжету на место, накидываем на нее хомут, затягиваем его. Проверяем, чтобы люк закрывался нормально, и запускаем пробную стирку.Подводя итог, отметим, стиральные машинки Whirlpool европейской сборки относительно надежны и типовых поломок у них не так много. Чаще проблемы возникают из-за того, что сам пользователь плохо ухаживает за своей «домашней помощницей» не чистит вовремя шланги и фильтры, не протирает манжету, а все это в конечном итоге выливается в неисправность. Берегите стиральную машину, и ее не придется часто ремонтировать!
Автор статьи: Антон Кислицын
Я Антон, имею большой стаж домашнего мастера и фрезеровщика. По специальности электрик. Являюсь профессионалом с многолетним стажем в области ремонта. Немного увлекаюсь сваркой. Данный блог был создан с целью структурирования информации по различным вопросам возникающим в процессе ремонта. Перед применением описанного, обязательно проконсультируйтесь с мастером.
Сайт не несет ответственности за прямой или косвенный ущерб.
Неисправности и ремонт стиральных машин вирпул своими руками
Автор Евгения На чтение 15 мин. Опубликовано
- Неисправности и ремонт стиральных машин Вирпул своими руками
- Распространенные неисправности и способы их устранения
- Не сливается вода из барабана
- Неисправен тэн
- Замена манжеты
- Коды ошибок Whirlpool
- Проблема с поступлением воды в машину. Ошибки: F01 (FH), F09, F13, F23
- Аварийно отключена подача воды. Ошибка F02 (FA)
- Проблемы со сливом. Ошибка F03 (FP)
- Проблемы с нагревом воды. Ошибки: F04, F05, F12
- Нет сигнала от тахогенератора. Ошибка F06
- Проблема контролера электродвигателя. Ошибка F07
- Проблемы системы подогрева. Ошибка F08
- Проблемы с электродвигателем.
Ошибки: F10, F15, F26, F27, F28 - Различные проблемы коммуникаций. Ошибки: F11, F19
- Неисправности системы управления. Ошибки: F14, F16
- Неправильное моющее средство. Ошибки: F18, Fod
- Проблемы с контроллером. Ошибки: F20, F21
- Нарушения в системе контроля уровня воды в баке. Ошибка F24
- Проблема обновления прошивки. Ошибка F31
- Проблемы с люком. Ошибки: F31, FDU
- Неисправности стиральных машин Вирпул
- Типичные неисправности и коды ошибок СМ «Вирпул»
- Ремонт стиральных машин «Вирпул» своими руками
- Устраняем проблемы со сливом
- Восстанавливаем нагрев
- Самостоятельный ремонт мотора
- Ликвидируем течь
- Проверяем электронную плату
- Устройство и разборка стиральной машины «Вирпул» с вертикальной загрузкой
- После стирки, вода не уходит из машинки
- Вода не нагревается согласно заданного режима
- Глючит и не активируется дисплей задач
- Утечка воды из-под крышки люка
- Ремонт машинки Вирпул с вертикальной загрузкой
- Ремонт неисправностей стиральных машин Вирпул
- Внешние признаки типичных поломок
- Вода остается в машинке и не уходит
- Глючат и не включаются программы стирки, вода в баке не греется
- Вода подтекает из закрытого люка во время стирки
- Как сделать ремонт своими руками холодильника, стиральной машины и пылесоса
- Ремонт быт техники
- Ремонт бытовой техники на дому
- Срочный ремонт холодильников на дому
- Неисправности холодильников Ноу Фрост
- Ремонт холодильников с плачущей системой оттаивания
- Ремонт однокамерных холодильников
- Ремонт стиральных машин на дому
- Отремонтировать стиральную машину автомат
- Ремонт стиральной машины полуавтомат
- Коды ошибок стиральных машин
- Скачать инструкцию по эксплуатации для стиральной машины
- Отзывы о бытовой технике
- Отзывы о холодильниках
- Отзывы о стиральных машинах
- Ремонт пылесоса своими руками
Неисправности и ремонт стиральных машин Вирпул своими руками
Стиральные машины Whirlpool отличаются надежностью, но и они иногда выходят из строя.
Сертифицированные сервисные центры можно найти практически в любом крупном городе страны, так что проблем с ремонтом и обслуживанием точно не возникнет. Ремонт стиральных машин Whirlpool можно доверить специалистам центра, а при наличии опыта подобных работ выполнить самостоятельно.Распространенные неисправности и способы их устранения
Автоматическая стиральная машина – сложное устройство, она состоит из множества узлов и агрегатов, каждый из которых может выйти из строя. Перечень возможных неисправностей стиральных машин Whirlpool очень обширен, полное руководство по ремонту будет насчитывать несколько томов. Из наиболее распространенных проблем можно выделить следующие: не работающий слив, проблемы с нагревом, износ или обрыв манжеты.
Не сливается вода из барабана
Пожалуй, самая распространенная проблема из тех, с которыми могут столкнуться владельцы стиральных машин Whirlpool. Машина останавливается и вместо того, чтобы слить воду, выдает сообщение об ошибке.
Причин неработающего слива может быть несколько:
- засор в сливной трубе;
- сливной фильтр не пропускает воду;
- засорена канализация;
- не работает помпа.
Прежде чем начинать ремонт стиральной машины Вирпул с проблемами системы слива необходимо удалить воду из барабана. Специально для подобных ситуаций производитель предусмотрел аварийный слив. Удалить воду просто, для этого надо лишь вынуть пробку, предварительно не забыв подставить емкость для воды.
После того, как вода удалена, можно переходить непосредственно к ремонту. Машина отодвигается для удобства работы. Проверяется шланг на предмет загрязнения и перегибов.
После шланга проверяют чистоту сливного фильтра. Он улавливает нитки, лоскуты, пуговицы, что может стать причиной засора. Его необходимо снять и промыть. Также не лишним будет прочистить канализацию, используя гибкий трос или изогнутую проволоку.
Если фильтр чистый, внутри шланга нет засора, а машина по-прежнему не сливает воду, следует проверить сливной патрубок и насос.
Для этого необходимо выполнить частичную разборку машины.
- Устройство отключается от сети, водопровода и канализации.
- Извлекается лоток для моющих средств.
- Машина кладется на бок.
- Откручиваются болты, удерживающие дно.
Получив доступ к контактам помпы, с помощью мультиметра замеряется сопротивление обмоток. Если прибор покажет обрыв – необходима замена. Старый насос снимается, сливной патрубок очищается от грязи и накипи. Заменив насос, машину собирают, подключают к коммуникациям, проверяют работу слива.
Неисправен тэн
Если работа любой программы останавливается при попытке нагреть воду, а на дисплее отображается сообщение об ошибке системы нагрева, одной из наиболее вероятных причин является неработающий нагреватель – тэн. Отремонтировать сгоревший нагреватель в принципе невозможно, единственный возможный выход – замена. В стиральных машинах Whirlpool тэн меняется достаточно просто, эту процедуру можно выполнить своими руками.
- Машина отключается от сети и водопровода.
- Устройство поворачивается или отодвигается от стены для удобства работы.
- С помощью отвертки отвинчивается задняя крышка.
- Снимается кронштейн, перекрывающий доступ к нагревателю.
За кронштейном находятся выводы тэна, контактная площадка. Чтобы проверить нагреватель не обязательно его извлекать, достаточно отключить идущие к нему провода.
Для проверки работоспособности нагревателя используют мультиметр в режиме измерения сопротивления. Нерабочий тэн покажет бесконечное сопротивление, рабочий – несколько десятков Ом, в зависимости от модели.
Сгоревший тэн надо менять. Пожалуй, единственная сложность, которая может возникнуть в ходе его замены – ржавчина. Винт, фиксирующий нагреватель может приржаветь настолько, что без использования специальных средств, к примеру, WD-40 не обойтись.
Старый нагреватель извлекается, на его место устанавливается новый, вместе с ним стоит заменить и резиновую прокладку, в противном случае возможны протечки, из-за старения резины.
Замена манжеты
Это еще одна распространенная проблема, справиться с которой несложно своими силами. Она проявляется в том, что во время стирки вода просачивается через манжету, уплотнитель загрузочного люка машины. Причина подобного явления – потеря эластичности манжеты или неправильная ее установка в процессе ремонта.
Заменить манжету несложно, надо лишь выполнить ряд простых действий.
- Открыть люк до упора.
- Поддеть отверткой и снять пластиковый держатель
- Выкрутить фиксирующий болт, тем самым освобождая манжету.
- Потянуть манжету на себя.
- Аккуратно вставить новую. При этом не рекомендуется использовать острые предметы, чтобы не повредить тонкую резину.
- Одеть хомут, затянуть болт.
Манжета – простая деталь, но от ее качества зависит безопасность стирки. Правильный выбор – оригинальная деталь, производства Италии или Словакии. Покупая дешевую подделку, удастся немного сэкономить, но вполне возможно скоро придется снова разбирать машину.
Коды ошибок Whirlpool
Список неисправностей, с которыми можно справиться самостоятельно не ограничивается описанными выше. Знание устройства машины и умение понимать ее сообщения позволит решить большую часть возможных проблем.
В любом случае, прежде чем начинать ремонт стиральных машин Whirlpool необходимо выявить неисправность и найти ее причину. Производитель позаботился о простоте ремонта, для этого в микропрограмму включена система автоматического тестирования, результат работы которой, в виде сообщения об ошибке, выводится на индикатор.
Проблема с поступлением воды в машину. Ошибки: F01 (FH), F09, F13, F23
Первое, что стоит проверить при возникновении подобных ошибок – наличие воды в водопроводе и ее давление. Если напор в системе не соответствует номинальному значению, стирку придется отложить до нормализации водоснабжения.
Стоит обратить внимание и на состояние входного клапана. В нем установлена сеточка, играющая роль фильтра, при необходимости ее следует промыть или заменить.
Если же вода в машину поступает нормально, но ошибка все равно возникает, причина может крыться в датчике, контролирующем уровень воды. Стоит проверить сам датчик, его подключение, а возможно и модуль управления.
Аварийно отключена подача воды. Ошибка F02 (FA)
Данная ошибка может возникнуть в случае блокировки входного клапана. Его необходимо проверить, а при необходимости заменить. Эта же ошибка может появиться в случае утечки воды. Стоит внимательно осмотреть место установки машины. Если появилась лужа – стирку придется перенести до устранения неисправности.
Проблемы со сливом. Ошибка F03 (FP)
Если машина отказывается сливать воду, необходимо проверить весь сливной тракт. Причиной может быть засоренность фильтра, сливного шланга, его чрезмерный перегиб. К подобным ошибкам ведет поломка или засорение сливной помпы. В редких случаях причиной может стать неисправность контролера.
Проблемы с нагревом воды.
Ошибки: F04, F05, F12
Машина не греет воду или ее температурные параметры не соответствуют значениям, заложенным в программе. Причины данной проблемы могут крыться в нагревательном элементе или температурном датчике. В любом случае для ремонта придется разобрать устройство, омметром протестировать тэн, при необходимости заменить его. То же касаемо датчика.
Нет сигнала от тахогенератора. Ошибка F06
Тахогенератор – небольшое устройство, которое устанавливается на двигатель для контроля его оборотов. Чаще всего причинной возникновения данной ошибки служит слетевшая пружинная шайба или обрыв проводников, идущих к устройству.
Проблема контролера электродвигателя. Ошибка F07
Источник неисправности – плата контроллера. Для ремонта необходимо извлечь ее и заменить детали, которые вышли из строя.
Проблемы системы подогрева. Ошибка F08
Нагреватель стиральной машины – один из наиболее уязвимых ее узлов. Контактируя с водой не лучшего качества, он покрывается накипью, она заметно снижает его характеристики.
Данная ошибка может означать:
- сгорел или сломался нагреватель;
- не работает прессостат;
- неисправен контроллер;
- поврежден или сгорел датчик температуры.
Для устранения неисправностей необходимо разобрать машину, проверить, а при необходимости заменить нагревательный элемент или неисправный датчик.
Проблемы с электродвигателем. Ошибки: F10, F15, F26, F27, F28
Появление любой из этих ошибок сигнализирует о выходе из строя электродвигателя или схемы подключения. Для их устранения необходимо проверить температурное реле и управляющие симисторы на плате. Сгоревшие детали придется заменить.
Ошибки F27 и F28 указывают на невозможность вращения двигателя в обратном направлении и слишком медленном его вращении, соответственно. Для исправления ситуации необходимо проверить, а при необходимости заменить реле реверса и переключения обмоток.
Проблемы с обмотками двигателя диагностировать сложнее. Возможно выгорание одной или нескольких обмоток, обрыв в них, отсутствие контакта, повреждение изоляции.
В большинстве случаев двигатель придется менять, исключение – изношенные щетки коллектора.
Различные проблемы коммуникаций. Ошибки: F11, F19
Чаще всего источником данных ошибок является несоответствие параметров электрической сети требуемым значениям. Необходимо проверить напряжение в розетке, а также принять меры по его нормализации. Не лишним будет использовать для подключения машины стабилизатор.
Неисправности системы управления. Ошибки: F14, F16
Ошибки появляются в случае различных сбоев в работе контролера. Для исправления ситуации может понадобиться повторная прошивка модуля, а возможно и полная его замена.
Также причина ошибок может скрываться в неисправной проводке, обрыве одного или нескольких проводов, идущих от модуля управления к исполнительным устройствам и датчикам. В данном случае необходимо «прозвонить» каждый проводник, при необходимости заменить поврежденный.
Неправильное моющее средство.
Ошибки: F18, Fod
Датчик фиксирует чрезмерное количество пены, что может стать причиной выхода машины из строя. Необходимо заменить моющее и повторить стирку.
Проблемы с контроллером. Ошибки: F20, F21
Первая из этих ошибок появляется в случае невозможности нормального выполнения программы из-за неисправности блока управления, вторая из-за невозможности передачи команды от модуля к исполнительным устройствам. Для их устранения необходимо разобрать машину, проверить целостность проводки и компонентов платы контроллера.
Нарушения в системе контроля уровня воды в баке. Ошибка F24
Причина – не работает прессостат, датчик контролирующий уровень воды. Необходима замена.
Проблема обновления прошивки. Ошибка F31
Данная ошибка сигнализирует о том, что попытка обновления через интернет закончилась неудачей. Возможно, необходимо проверить настройки роутера или обратиться к провайдеру.
Проблемы с люком. Ошибки: F31, FDU
Появление этих ошибок сигнализирует о том, что люк неплотно закрыт или не работает соответствующий датчик. Стоит попытаться открыть люк и закрыть заново, если ошибка не исчезнет – заменить датчик.
Справиться с большинством поломок стиральной машины Whirlpool можно в домашних условиях. Для этого достаточно небольшого набора стандартного инструмента, умения ним пользоваться и, безусловно, желания. Конечно, не стоит пытаться отремонтировать машину, гарантийный срок которой еще не истек, и не стоит браться за ремонт, не имея опыта работы с электрооборудованием. Важно трезво оценивать свои силы и в случае малейших сомнений обращаться в ремонтную мастерскую.
Неисправности стиральных машин Вирпул
Не всегда техника ломается в гарантийный срок. Поэтому пользователю приходится самостоятельно решать вопросы по восстановлению работы стиралки. Ремонт стиральных машин Whirlpool можно провести самостоятельно.
В публикации мы предоставим пошаговое руководство по устранению неполадок. Для этого вам понадобятся руки и небольшой набор инструментов.
Типичные неисправности и коды ошибок СМ «Вирпул»
Все чаще на наши рынки поступают стиралки Whirlpool словацкой сборки, реже — итальянской. И хотя пользователи этой техники обращаются в сервисы в 15 раз реже, чем владельцы других марок, поломки все же случаются.
Поиск неполадки облегчается со встроенной диагностикой системы. Выход из строя узла или детали СМА отображается на экране кодом ошибки (FH, F02, F05, F06, F07, F09, F10, F11, F13, F14, F15, Sud, FdL, FdU). Значение кода можно узнать в инструкции, после чего приступать к ремонту прибора.
Какие коды неисправностей встречаются чаще других:
- F02 — не уходит вода из бака.
- FH/F09 — перелив, проблемы с прессостатом.
- F06 — неполадки с двигателем или таходатчиком.
- FdL/FdU — проблемы с блокировкой люка.
Но даже если ошибка не выбилась на дисплее, определить поломку можно по внешним признакам.
Теоретически в стиралке может сломаться что угодно. Мы перечислим только типичные неисправности, с которыми пользователи обращаются чаще всего.
- Проблемы с элементом нагрева. Стирка проходит в холодной воде, белье плохо отстирывается и полоскается.
- Неисправность двигателя. Барабан плохо вращается либо совсем не крутится. Вещи не отжимаются. Возможно, причина в износе щеток мотора.
- Течь из-под люка. Повреждение или износ уплотнительной манжеты, коррозия металла.
- Поломка электронной платы. Машинка не включается либо работает со сбоями, программы неправильно активируются.
- Не сливается вода из бака. Причина в засорах, неполадке насоса.
В половине случаев ремонт проводится самостоятельно, в домашних условиях. Как? Об этом ниже.
Ремонт стиральных машин «Вирпул» своими руками
Начните работу с подготовки техники. Это касается и вашей безопасности: отключите машину от сети, перекройте впускной вентиль подачи воды.
Теперь можно разобраться в причинах неполадки и определиться, с чего начинать ремонт.
Устраняем проблемы со сливом
Вполне вероятно, что вы столкнулись с такой ситуацией: загрузили белье, запустили стирку, а в конце машина отказалась сливать воду. На это может быть три причины:
- Засор сливного патрубка или фильтра.
- Забились шланг или канализация.
- Вышел из строя насос.
Проверить систему на засор можно без разборки СМА. Начните с выкручивания фильтра:
- Под загрузочным люком находится маленькая дверца.
- Откройте ее, подставьте емкость.
- Выкрутите пробку фильтра против часовой стрелки.
Удалите мусор из сетки фильтра. В открывшееся посадочное отверстие можно осмотреть крыльчатку помпы. Иногда она блокируется волосами, нитками, которые наматываются на ее ось. Прочистите крыльчатку от мусора.
Теперь проверьте шланг. Прямое подключение к канализации часто приводит к ее засору. Гораздо лучше соединять сливной шланг с сифоном.
Его легче прочистить при необходимости.
Чистка канализации проводится специальными средствами либо необходима помощь сантехника.
Если детали прочищены, но слив не улучшился, значит, проверяйте патрубок и насос. Для этого нужно уложить корпус стиралки набок.
- Достаньте дозатор для порошка.
- Положите на пол старое одеяло или полотенце.
- Переверните корпус СМ набок.
- Разожмите хомут патрубка. Снимите его с места, прочистите от засора. Можно промыть деталь теплой водой.
- Проверьте помпу. При неисправности проводится замена: отсоедините проводку от контактов насоса, выкрутите крепежные болты.
Восстанавливаем нагрев
Ваши вещи хорошо избавляются от загрязнений благодаря высокой температуре и моющему средству. В холодной воде порошок не растворяется полностью, поэтому пятна плохо отходят. За нагрев в стиральной машинке отвечает ТЭН. Частой причиной его поломок становится накипь.
Чтобы проверить или заменить элемент, поступите так:
- Снимите верхнюю крышку, открутив сзади саморезы.
- Уберите болты по периметру задней крышки. Снимите ее.
- Под баком находится ТЭН.
- Отключите проводку, вытащите термистор из корпуса нагревателя.
- Проверьте нагреватель на исправность (подробно о процессе диагностики читайте « Как проверить ТЭН в СМА »).
- Если элемент вышел из строя, тогда скрутите центральную гайку и продавите внутрь болт.
- Достаньте старый ТЭН, прочистите его гнездо от мусора и накипи.
- Установите новый нагреватель.
Некоторые предлагают устанавливать на новый ТЕН старую прокладку, если она цела. Мы рекомендуем прокладку тоже поменять, чтобы исключить риск протечки и новой замены.
Самостоятельный ремонт мотора
Заметили медленное вращение барабана? Вещи на выходе остаются мокрыми и не отжатыми? Пора проверить состояние щеток двигателя и приводного ремня.
В коллекторных моторах ток на ротор подается через щетки. Установлены они по бокам корпуса. Стержни элементов из мягкого материала изнашиваются, что приводит к остановке работы.
- Демонтируйте заднюю стенку.
- Снимите приводной ремень. Осмотрите его. При растяжении и износе деталь подлежит замене.
- При первичной замене щеток мотор лучше достать из корпуса.
- Отсоедините его проводку, выкрутите болты.
- Отключите клеммы щеток, достаньте их из корпуса.
- При износе больше чем наполовину требуется замена. Вставьте новые детали в отверстия, закрепите проводку.
Проблемы с отжимом могут быть связаны с износом подшипника. При этом слышны посторонние звуки: скрип, гул.
Ликвидируем течь
Стиралки семейства «Вирпул» имеют неприятную особенность — быструю коррозию корпуса. Некоторые части машинки изготовлены из металлов, которые быстро поражаются коррозией, что может привести к протечке. Поврежденные панели нужно менять, окрашивание им не поможет.
Течь может возникнуть из манжеты люка. Резина чувствительна к длительным скоплениям влаги. Если ее не протирать вовремя, манжета изнашивается, трескается и дает течь. Поможет только полная замена.
- Отогните уплотнитель. Подденьте отверткой хомут, снимите с места.
- Заправьте резину внутрь барабана.
- Чтобы убрать внутренний хомут, можно демонтировать переднюю панель либо ослабить винт хомута через верхнюю крышку.
- После этого аккуратно снимите резину.
Монтаж новой резины проводится в обратном порядке. Для облегчения установки смажьте края моющим средством.
Проверяем электронную плату
Проблемы с частью электроники проявляются в торможении режимов, неправильном запуске программ, «глюках». Для ремонта требуется схема модуля управления.
Эту работу лучше доверить мастеру. А осмотреть плату можно самостоятельно:
- Уберите верхнюю крышку.
- Достаньте лоток для моющих.
- Выкрутите болты по периметру панели управления.

- Отключите проводку от модуля.
- Снимите верхнюю защиту, расстегнув защелки.
Подгары или окисления на поверхности платы говорят о неполадке. Отнесите деталь в сервис или вызывайте специалиста на дом.
Устройство и разборка стиральной машины «Вирпул» с вертикальной загрузкой
Не только фронтальные модели подвержены поломкам. Однако проведение ремонтных работ описано только для них. Мы решили исправить эту оплошность.
Примерно все вертикалки устроены одинаково:
В таких машинах чаще изнашиваются подшипник и другие детали, потому что все узлы близко расположены друг к другу. Чтобы отремонтировать неполадку, к ней еще нужно добраться.
Как разобрать стиральную машину «Вирпул»:
- Отключите прибор от сети и водопровода.
- Плоской отверткой подденьте защелки панели управления. При необходимости вытащите фишки проводки.
- Чтобы снять верхнюю панель, выкрутите сзади саморезы. Поднимите ее вверх, закрепите тесемкой или цепочкой, чтобы крышка не падала.

- Расстегните защелки балансировочного кольца на центрифуге. Уберите его в сторону.
- Выкрутите винт и достаньте активатор центрифуги.
- Скрутите шайбу оси и достаньте барабан из бака.
Сборка проводится в обратном порядке. По ходу вы сможете осмотреть и заменить необходимые элементы.
Если устройство вашей вертикалки отличное от описанного, посмотрите видео о том, как поменять подшипник на машине с вертикальной загрузкой:
Как показывает практика, техника бытового предназначения ломается не часто, но все же бывают случаи, когда требуется замена деталей или комплексное обслуживание. Стоит сказать, что ремонт стиральной машины очень трудоемкий и дорогостоящий процесс, поэтому многие доверяют свой прибор опытному мастеру. В данной статье, мы подробно расскажем, как правильно произвести ремонт стиральных машин Whirlpool!</p><h4>Диагностика и ремонт неисправностей</h4><p>Стиральная машина автомат имеет достаточно сложную конструкцию, и в любой момент из строя может выйти что угодно. Как показывает практика, ремонт стиральных машин Вирпул заслуживает особого внимания, а основными причинами поломки могут быть:</p><p» both=»»>
После стирки, вода не уходит из машинки
Наверняка, каждый владелец сталкивался с данной проблемой, когда поставил стирку, а через время машинка зависла, и вода из бака не уходит. Что же делать в такой ситуации и какие причины такого поведения техники?
- Сливной электронасос пришел в негодность
- Засор канализационной трубы или сливного шланга
- Засор сливного фильтра или патрубка
Прежде чем делать ремонт своими руками, стоит выяснить в чем проблема и что провоцирует такое поведение прибора.
В случае застоя воды, следует быстро избавится от жидкости через аварийный шланг, что находится возле сливного фильтра. Только после этого, преступаем к поиску неисправности, поэтапно выполняя следующее:
- Открутить пробку и избавится от грязи на фильтре
- Снять сливной шланг и почистить от грязи
- Проверить засорение канализационной трубы
Вода не нагревается согласно заданного режима
В том случае, когда ваша стиральная машинка перестала греть воду до определенной температуры, стоит уделить внимание нагревательному элементу и терморезистору. Следуйте таким образом:
- Снять заднюю крышку прибора и кронштейн
- Отсоединить провода от тены и термистора
- Замерить сопротивление контактов тена и термистора с помощью мультиметра
- Определив неисправность нагревательного элемента, его следует извлечь и заменить на новый
Глючит и не активируется дисплей задач
После включения стиральной машины Вирпул, начали замечать неполадки панели управления? Перестает работать, а иногда вообще не реагирует на прикосновения? Если вы столкнулись с такой проблемой, немедленно извлеките прибор из сети на несколько минут.
Если после включения проблема повторится – отошли контакты в плате управления.
Утечка воды из-под крышки люка
Достаточно часто, в процессе стирки, из-под люка начинает протекать вода. В таком случае, следует уделить особое внимание резиновой подкладке, которая обволакивает отверстие и позволяет крышке плотно прилегать. Чтобы продлить эксплуатационный срок манжета, удаляйте излишки грязи и воды, скопившиеся в нижней части. Придерживаясь правил использования, материал не будет трескаться и прослужит максимально долго.
Смотрите также – Как удлинить сливной шланг стиральной машины
Ремонт машинки Вирпул с вертикальной загрузкой
Среди большинства пансионатов и малогабаритных помещений, стиральные машинки автомат Вирпул с вертикальной загрузкой имеют широкий спрос. Они малогабаритные и удобны в использовании. Также, преимуществом является возможность остановки заданной программы и перезапуск с новыми установками. Но как говорится, ничего не вечно и устройство может выйти из строя.
В таком случае, просто не обойтись без ремонта и диагностики. Обратите внимание, современные сервисные центры имеют услуги не из дешевых, поэтому мы поэтапно расскажем, как разобрать стиральную машину Вирпул с вертикальной загрузкой, не потратив ни копейки!
Если у вас стиральная машинка Вирпул с верхней загрузкой, ремонт своими руками стоит производить после полного осмотра, следуя нехитрым советам:
- Освободить панель с боковых сторон
- Панель с дисплеем приподнять вверх и потянуть на себя
- Под небольшим углом, отсоединить провода от платы и снять панель
Самостоятельный ремонт стиральной машины Whirlpoo позволит значительно сэкономить средства, не выходя из дома! Помните, чтобы минимизировать поломки, придерживайтесь правил безопасности и особое внимание уделяйте своевременному обслуживанию и чистке приборов. Надеемся, что теперь у нас не возникнет никаких вопросов, а наша статья целиком и полностью раскроет тему: Ремонт стиральных машин Whirlpool! Хватит переплачивать, теперь вы сам себе хозяин!
Ремонт неисправностей стиральных машин Вирпул
В настоящее время на рынке стран СНГ присутствуют, в основном, стиральные машины Whirlpool собранные в Италии или Словакии.
Итальянские машины довольно дороги и встречаются реже, а вот словацкие стиралки имеются в каждом магазине бытовой техники. Возможно за счет европейской сборки, такие машины ломаются нечасто и ремонт стиральных машин Whirlpool, требуется только одному из 15 владельцев такой техники. Тем не менее, изучить его особенности нужно, ведь мало ли что!Внешние признаки типичных поломок
В любой сложной технике, тем более бытовой, потенциально может сломаться все что угодно. Если перечислять все без исключения возможные поломки современных автоматических стиральных машин Вирпул и описывать их устранение, можно об этом книгу написать. Поэтому мы в рамках статьи расскажем только о типичных дефектах, которые по статистике, предоставленной сервисными центрами, встречаются чаще всего.
- Вода из машинки не уходит после стирки.
- Программы стирки глючат, не работают, как должны, либо вообще не активируются.
- Вода, набранная для стирки, не нагревается согласно заданной программе.

- Вода подтекает во время стирки из-под закрытой крышки люка.
Обратите внимание! В этих типичных признаках поломок зашифрованы серьезные неисправности, устранение которых первостепенная задача, поскольку иначе стиральная машина Вирпул может сломаться окончательно.
Вода остается в машинке и не уходит
Наверное, и с вами такое было, закладываете белье в барабан, ставите любимую программу стирки и уходите в другую комнату делать домашние дела. Через некоторое время приходите, машинка зависла, в ней полный бак мыльной воды и стирка конечно не завершена. Перезапускаете машинку, история повторяется, стирка не может завершиться, поскольку вода из бака не уходит. Как поступить в такой ситуации, и в чем причина проблемы? Основных причин три:
- возник засор в сливном патрубке или сливном фильтре;
- возник засор в сливном шланге или канализации;
- сломался электрический сливной насос.
Но прежде чем начать выяснять причину поломки вашей машины Вирпул, нужно своими руками подготовить ее, а именно отключить и слить воду из бака вручную.
Быстро и безопасно удалить всю воду из бака можно через шланг аварийного слива, который находится рядом со сливным фильтром. Нужно подставить под шланг таз или другую емкость и открыть пробку и вся вода сама вытечет. Далее приступим к поиску поломки, двигаясь от простого к сложному.
- Подкладываем емкость или тряпку под отверстие сливного фильтра и откручиваем пробку. Чистим фильтр от грязи и ставим пробку на место.
- Аккуратно откручиваем сливной шланг и чистим его от грязи, затем прикручиваем на место.
- Проверяем, не засорилась ли канализация.
Вышеуказанные действия не предполагают разборки стиральной машины Вирпул, поэтому после проведения «генеральной» чистки попробуйте запустить машину заново. Если ничего не изменилось и машинка по-прежнему отказывается сливать воду, значит, придется лезть в ее корпус.
Важно! Почти во всех моделях стиральных машин Вирпул, чтобы добраться до сливного патрубка и помпы нужно лишь перевернуть машину на бок и снять дно.
Чтобы добраться до интересующих нас деталей, выполним следующие действия:
- вынимаем лоток для порошка;
- отсоединяем машинку от водопровода, канализации и электросети;
- кладем машинку на бок;
- откручиваем крепежные элементы и убираем дно;
- берем мультиметр и замеряем сопротивление на контактах помпы;
- меняем сливной насос на новый, если проблема не в нем, то переходим к следующему этапу;
- ослабляем хомуты сливного патрубка и снимаем его;
- чистим от засоров и ставим на место.
Глючат и не включаются программы стирки, вода в баке не греется
Бывает так, что после включения стиральной машины ее панель управления словно сходит с ума. Дисплей начинает мигать, а ему вторят все лампочки и индикаторы тумблера. При этом программа стирки может и не выставляться. Если вы столкнулись с подобным, немедленно отключите машинку от сети и подождите около 1 минуты. Затем снова включите стиральную машину Вирпул и если проблема повториться – вызывайте мастера.
Тут дело в плате управления, а чинить ее своими руками крайне сложно, лучше даже не тратить время и силы.
А вот в случае если ваша машинка отказывается стирать в теплой воде, то можно не только самостоятельно определить неисправность, но и устранить ее своими руками, без помощи специалиста. Вероятнее всего причина кроется в нагревательном элементе или термисторе, в любом случае придется проверять оба элемента сразу. Действуем следующим образом.
- Разворачиваем стиральную машину задней стенкой к себе, так чтобы было удобно.
- Откручиваем болты и снимаем заднюю стенку машинки.
- Отвинчиваем кронштейн, который будет мешать работать с тэном.
- В нижней части бака мы увидим два торчащих контакта – это тэн. К нему подходит четыре проводка, два посередине к термистору и два по краям к тэну, нужно их все отсоединить.
- Берем мультиметр и замеряем сопротивление контактов термистора.
- Если все в порядке, замеряем сопротивление на тэне.
В данном случае вы, скорее всего, обнаружите неисправность, и придется произвести замену нагревательного элемента.
Обычно при извлечении тэна из бака причина поломки сразу проясняется, поскольку поверхность нагревательного элемента сплошь покрывается накипью. Если накипи немного, то тэн от нее не сгорит, другое дело, если слой водного камня больше сантиметра – это приводит к поломке элемента стиральной машины Вирпул. Произведем замену тэна своими руками.
- Контакты с проводами мы уже сняли, теперь открутим пластмассовый щиток.
- Далее откручиваем болт, который находится между большими контактами тэна.
- Беремся руками за контакты тэна и вытягиваем его на себя, если тэн не идет, попробуйте его аккуратно покачать. Резиновая прокладка будет немного мешать, но ничего не поделаешь
- Вытащив тэн, убираем и прокладку.
Обратите внимание! Специалисты рекомендуют не устанавливать новый нагревательный элемент на старую резиновую прокладку, лучше вместе с тэном поменяйте и ее, поскольку протечка для данного элемента – это самое страшное.
- Вытаскиваем из образовавшегося отверстия грязь и куски накипи, тщательно чистим края, а затем вставляем новую прокладку.
- Вставляем новый тэн и прикручиваем его.
- Прикручиваем пластмассовый щиток.
- Подключаем контакты с проводами к термистору.
- Подключаем контакты с проводами к тэну, ставим на место кронштейн и заднюю стенку.
Вода подтекает из закрытого люка во время стирки
Если во время стирки и полоскания из-под люка вашей стиральной машины Whirlpool подтекает вода, сначала немного, несколько капель, потом все больше и больше, то нужно внимательно осмотреть самую крупную резиновую прокладку в машине – манжету. Манжету невозможно не заметить, поскольку она опоясывает отверстие люка и служит для того, чтобы не выпускать воду из бака наружу.
Особенно обратите внимание на нижний край манжеты, поскольку грязная вода часто скапливается там. И если ее не вытирать, то резина манжеты в этом месте начинает трескаться и лопаться. В дальнейшем, стоит ее чуть задеть и она рвется. Порванную манжету эксплуатировать нельзя, поскольку воду она не удержит, придется менять. Для начала правильно демонтируем старую манжету.- Открываем крышку люка как можно шире.
- Берем плоскую отвертку и пытаемся поддеть тонкий проволочный хомут, который располагается на внешней стороне манжеты и удерживает ее.
- Как только удастся его поддеть, подводим под него отвертку посильнее и начинаем продвигаться по кругу до тех пор, пока не найдем соединительный элемент с болтиком.
- Ослабляем хомут и убираем его в сторону.
- Беремся за манжету обеими руками и с усилием вытаскиваем ее наружу.
Распаковываем новую манжету и запихиваем ее в паз. При этом нужно все делать аккуратно и естественно не использовать никаких острых инструментов вроде отвертки. Как только удастся посадить манжету на место, накидываем на нее хомут, затягиваем его. Проверяем, чтобы люк закрывался нормально, и запускаем пробную стирку.Обязательно на замену приобретайте только оригинальную манжету, которая четко подойдет в паз люка этой модели стиральной машины Вирпул, иначе могут возникнуть проблемы.
Подводя итог, отметим, стиральные машинки Whirlpool европейской сборки относительно надежны и типовых поломок у них не так много. Чаще проблемы возникают из-за того, что сам пользователь плохо ухаживает за своей «домашней помощницей» не чистит вовремя шланги и фильтры, не протирает манжету, а все это в конечном итоге выливается в неисправность. Берегите стиральную машину, и ее не придется часто ремонтировать!
Как сделать ремонт своими руками холодильника, стиральной машины и пылесоса
Ремонт быт техники
Внимание. Я, основатель канала “Сам мастер” и этого сайта, открыл свой интернет-магазин , а также магазин розничной торговли. Сам магазин находится в городе Харьков, в 10 метрах от выхода из метро Студенческая. Как добраться до этого магазина, вы можете у знать на этой странице . Начинающим мастерам и людям, которые стремятся сделать ремонт бытовой техники своими руками, В СЛУЧАЕ ПОКУПКИ ТОВАРА оказываю бесплатную консультацию. Поймите, моё время для консультаций ограничено, так как есть много людей, желающих удешевить ремонт
Ремонт бытовой техники на дому
На страницах моего сайта можно произвести самостоятельный ремонт различной бытовой техники. Многие задают мне вопрос, для чего я раскрываю секреты своего ремесла, которые накапливались не один десяток лет. Отвечу так, мне надоело за всякими недобросовестными мастерами убирать мусор. Дело в том, что человек должен знать, что ему предстоит в случае ремонта стиральной машины или холодильника. Сайт сделан в большей степени, для ознакомления, а не с целью научить рядового пользователя ремонтировать пылесос или ещё что-то типа этого, но честно говоря если у вас что-то и получится я буду только рад. Мастера которые пишут гневные отзывы в мою сторону, должны немножко остыть и подумать о том, что лишь мизерная часть людей, которая читает статьи на этом сайте сможет проделать, то что проделывает мастер. Добросовестные мастера должны понимать, что рукосуев появилось очень много и из-за них нормальные мастера теряют доверие, так как собственник бытовой техники даже не понимает, что одну и ту же работу можно сделать совсем по-разному. Ко мне в мастерскую часто приходят люди с просьбой заправить фреоном холодильник, когда им начинаешь объяснять, что это дело не 5 минут, люди просто смеются и уходят, это я рассказываю как пример безответственности тех мастеров, которые просто любят деньги, да действительно можно заправить и за 5 минут, но сколько потом этот холодильник проработает, не может сказать никто. Теперь представьте человек вызвал мастера, тот ему кинул фреона в холодильник и ушёл, а через неделю этот холодильник перестаёт морозить. Понятно в этом случае потребитель долго не думает и идёт в магазин покупать новый холодос, ему же никто не объяснил, что в холодильнике может быть утечка или забита капилярка, что сначала надо устранить причину, а только потом уже следствие. Собственникам любой бытовой техники, могу сказать следующие, отремонтировать можно практически всё, дело упирается в цену и в то сколько ваша техника проработает после ремонта. Вот об этом и будем говорить дальше
Срочный ремонт холодильников на дому
Существуют холодильники с различными системами разморозки и охлаждении. Из этого всего многообразия я выделил три типа — ноу фрост, плачу систему охлаждения и однокамерные холодильники. Для удобства, каждому типу я сделал свою категорию, то есть перейдя по ссылке ниже, вы сможете прочитать статьи и посмотреть видео, по ремонту холодильников того типа который вас интересует
Неисправности холодильников Ноу Фрост
Существует два типа холодильников с подобной системой разморозки, речь идёт о системе управления. Сама система охлаждения в этих холодильниках, практически не чем не отличается, а вот датчики и заслонки имеют весомое отличие. Холодильники с системой ноу фрост ремонтируется весьма просто, так как выходит строя в основном электронная или механическая часть, а такая поломка как утечка фреона, встречается крайне редко. Тут главное установить причину неисправности. Поменять датчик или электронный модуль, большого труда не составляет, а как определить что вышло из строя вы узнаете именно в этой категории
Ремонт холодильников с плачущей системой оттаивания
Возможность ремонта холодильника своими руками, в таких агрегатах приблизительно 50 на 50. По статистике выход из строя термостата или реле пуска двигателя происходит где-то в половине случаев, именно эти поломки вы можете исправить, что касается утечки или замены двигателя, то без мастера тут не обойтись. Ещё хочу вас предостеречь от недобросовестных мастеров. Дело в том что в этих холодильниках очень часто встречается утечка фреона в запененной части холодильника. Тут важно понимать, что простая перезаправка, желаемого результата может не дать, поэтому когда вам предлагают просто залить фреон и утверждают что он будет работать как новый, будьте осторожны к таким заявлением. Не надо гнаться за дешевизной, если вы видите, что на задней стенке в холодильной камере вздулась пластмасса, это говорит уже о том, что произошла утечка хладагента и когда вам мастер рекомендует просто перезаправить этот холодильник, ни в коем случае не соглашайтесь. Ищите опытного мастера, который не будет вам рассказывать сказки, а объяснит причины и суть проблемы
Ремонт однокамерных холодильников
Как и в случае с плачущей системой разморозки, самостоятельный ремонт возможен только в том случае, если вышел из строя термостат или реле пуска двигателя, но к счастью эти запчасти ломаются гораздо чаще, чем происходит утечка хладагента. Немножко хочу сказать об утечке фреона в однокамерных холодильниках. Стоимость заправки и устранение утечки в таких холодильниках, гораздо ниже чем аналогичный ремонт в двухкамерных холодильниках. Дело в том что найти утечку и устранить ее, гораздо легче чем в двухкамерном холодильнике, это обусловлено тем, что морозильный испаритель незапенен в корпус холодильника, то есть его можно вытащить и без труда запаять место утечки.
Ремонт стиральных машин на дому
Для меня, как для мастера, существует два вида стиральных машин. Первый это стиральные машины автомат, а второй полуавтомат. На сегодняшний момент насчитывается наверное больше 1000 марок и моделей стиральных машин автомат, но я вас уверяю, все они ремонтируются практически одинаково. У стиральных машин полуавтомат, есть небольшие различия, но и они тоже мало чем отличаются друг от друга. На сайте я создал 2 категории, одну категорию для стиральных машин автомат, а другую для полуавтомат. В этих категориях вы найдете практически всё что вам нужно по устранению мелких и крупных неисправностей
Отремонтировать стиральную машину автомат
Если у вас мелкая поломка, например такая как, стиральная машина не греет воду, тут принцип ремонта во всех стиралках практически одинаков, я это пишу к тому, чтобы вы не обращали внимание на марку и модель стиральной машины. Тут главное правильно продиагностировать поломку, то есть вычислить, что именно вышло из строя, если это какая-то деталь, то заменить её вам не составит труда и самому, а вот что касается блока управления, то тут придется вызывать мастера. Я не советую вам лезть в сложные элементы
Ремонт стиральной машины полуавтомат
Несмотря на сложность разборки этих стиральных машин, отремонтировать самому, такое чудо техники, сложности не составляет, так как если разобраться то в этих стиралках, находится всего несколько запчастей. Основные поломки связаны с центрифугой. В этой категории вы найдете всё, что вам нужно для самостоятельного ремонта. Есть материал где я подробно рассказываю о том, как поменять сальник и мотор центрифуги, где находится конденсатор, как заменить мотор стирального узла и многое другое. В принципе полное пособие
Коды ошибок стиральных машин
Очень важный раздел который поможет, определить неисправность вашей стиральной машины. Практически все стиралки, которые оснащены электронным модулем управления, обладают функцией самодиагностики, благодаря которой на панели управления высвечивается код ошибки, который указывает, направление в поиске поломки. Тут есть небольшие нюансы, не всегда код ошибки указывает именно на ту деталь, которая поломалась, поэтому мастера проверяют всю периферию, которая связана с той запчастью на которую указал модуль управления. Например, если код указал на неисправность тэна, не всегда это так и зачастую виновником неисправности, бывает не тэн, а реле тэна на модуле управления. В этой категории дана полная расшифровка неисправностей стиральных машин, надеюсь это поможет не только профессиональным мастерам, но и простым людям, которые стремятся отремонтировать свою стиральную машину, не вызывая мастера на дом
Скачать инструкцию по эксплуатации для стиральной машины
В этом разделе размещено очень много инструкций по эксплуатации для стиральных машин. Хочу обратить ваше внимание на то, что все инструкции закачены на яндекс диск. Если вы житель Украины, вам желательно установить яндекс браузер на свой компьютер, с его помощью вы без труда можете скачать любой мануал с моего сайта. Простому обывателю важно понять, что инструкция это не просто, какая-то бумажка в которой что-то написано. Руководство по эксплуатации, поможет вам правильно пользоваться вашей стиралкой, очень часто в этом мануале прописываются коды ошибок, благодаря которым вы можете устранить мелкие неисправности в своей машине. Внимательно читайте изучайте, надеюсь вы найдете свою модель
Отзывы о бытовой технике
Один из самых основных разделов на моём сайте, тут я постарался, как можно лучше осветить проблему, которая присуща именно определённому производителю. Люди должны знать, что они покупают, в моих статьях в основном звучит критика, но к счастью есть и положительные отзывы по отношению к той или иной модели. Создано 2 категории, которые призваны в полной мере раскрыть глаза покупателей на то, что они будут приобретать. Разнообразие бытовой техники, которое сейчас существуют, вводит будущих хозяев, в большое замешательство, если дизайн можно выбрать на свое усмотрение, то про качество лучше узнавать на таких сайтах, как мой или читать комментарии людей, которые уже приобрели стиральную машину или холодильник. Для каждой статьи можно оставить свой комментарий, не оставайтесь в стороне, пишите свое мнение, свой опыт, особенно людей интересуют гарантийные службы, вернее как они работают, да и вообще как морозит, как стирает, короче говоря людей интересует всё. Моя личная просьба, не оставайтесь в стороне если вы были обмануты, не дайте обмануть других
Отзывы о холодильниках
Я мастер и всю эту кухню знаю изнутри, я имею в виду качество продукции и недостатки, которые существуют в холодильниках разных брендов. Поверьте нет идеальных холодильных установок, если раньше вы покупали холодильник и знали, что как минимум 10 лет, он у вас проработает без проблем, то теперь ситуация очень плачевна. Многие задают вопрос что лучше выбрать, холодильник ноу фрост или с плачущей системой. Несомненно система No Frost намного надежней, но у неё есть свои недостатки. В холодильниках с плачущей системой, основной проблемой является утечка фреона и это ставит их, по качеству, намного ниже чем холодильники с системой Ноу Фрост. Ещё современные холодильники выпускаются, со смешанной системой, про это чудо даже рассказывать не хочется, дело в том, что в этой системе изначально заложены все недостатки которые есть в Ноу Фрост и плачущей системе разморозки. Про всё это вы подробно узнаете у меня на сайте
Отзывы о стиральных машинах
На сегодняшний день такое разнообразие стиральных машин, что просто диву даешься. Производитель уже не знает, чем натыкать современную стиралку, придумал ионизацию, которая как по мне, мало кому нужна. Мы часто слышим, что мол у меня стиральная машина, к примеру indesit, проработала 15 лет и вот сейчас хочу тоже купить индезит. Ребята — внимание, не надо сравнивать то что выпускалось 15 лет назад, тогда качество выпускаемой продукции было значительно выше, а то что выпускают сейчас, трудно вообще назвать качеством. Конечно есть такие бренды как Миле, но стоят эти стиральные машины, довольно серьёзные деньги. Короче говоря надо основываться на тех отзывах, которые сделаны не только сейчас, но и рассказывают именно про нынешнюю выпускаюмую продукцию. Мало того судить о бренде в общем по одной модели, ни в коем случае нельзя, потому что есть удачные выпуски, а есть такие модели, что в их сторону просто нельзя смотреть. Если у вас есть свое мнение по поводу бренда, модели стиральной машины, пожалуйста высказывайтесь в комментариях, это очень важно для людей, которые решили приобрести стиральную машину. Если вы вляпались не дайте другим этого сделать.
Ремонт пылесоса своими руками
Я не стал рассказывать в этой категории про сложные модели пылесосов, так как желательно чтобы их ремонтировал квалифицированный мастер. В этой категории, мы поговорим про ремонт простых пылесосов, которые находятся практически в каждом доме, вот их ремонтировать самому не только можно, но и как мне кажется нужно. Я вас уверяю поменять мотор или симистр, по времени занимает не более часа, даже для человека который первый раз его разбирает, открутить 3-6 саморезов, навряд ли составит большую трудность. Тут просто надо один раз увидеть, как это делается, а всё остальное дело техники
Ремонт стиральных машин своими руками: от устройства до электроблока
Устройство стиральных машин многообразно. Однако детали типовые. Устройство стиральной машины представляется сложным людям, не пытавшимся заглянуть внутрь. Чтобы успокоить читателей, заметим, что корпус внутри почти пустой, львиную долю веса составляет кирпич (либо периодически прочий груз). Значит, объем деталей для починки уменьшился, масса снизилась. Теперь ремонт не выглядит настолько пугающим.
Типичное устройство стиральных машин
Не рассматривайте обзор, как руководство по ремонту стиральных машин. Но прочитав статью, удастся почерпнуть полезную информацию для проведения работ, что позволит выполнить ремонт стиральных машин самостоятельно.
Займемся рассмотрением барабанных модификаций, прочие сегодня уже смотрятся архаикой. Активаторные безумно популярны в Южной Америке и избранных странах мира, но в РФ считаются признаком бедности. Частично вывод соответствует действительности. В подобных машинах возможно использовать одну воду с растворённым моющим средством как угодно долго, стирая вначале белые вещи и постепенно переходя к черным.
Частые виды неисправностей касаются главных узлов. Любая стиральная машина барабанного типа состоит из агрегатов:
- Бак с барабаном. Вещи в бак не кладутся. Бак из пластика и стали, без отверстий, чаще всего круглый, за бак цепляются рессоры.
- Двигатель. Привод ременной или прямой, смысл не меняется. Барабан двигается, благодаря электрическому мотору. Важно, чтобы ось с прикрепленной центрифугой оставалась герметичной. Замена подшипников потребует полной разборки, включая бак (и ремонт барабана стиральной машины).
- Амортизаторы не срабатывали бы без искусственного утяжеления бака. Стандартно наверху и спереди крепится обычный, правильной формы камень. Это позволяет значительно снизить уровень вибраций. Выполняя ремонт стиральных машин самостоятельно, по возможности не трогайте систему амортизации.
- Лоток для моющих средств считается отдельным устройством, хотя представляет простую коробочку. В цикле на отрезке стирки горячей водой поток вымывает из лотка порошок и умягчитель (находятся в общей ячейке). Под предварительную стирку кладется собственный реагент. На остальных отрезках цикла вода напрямую проходит в бак. В частности, при ополаскивании в лотке ничего нет. Кондиционер добавляется методом переполнения ячейки. Умные стиральные машины его дозируют, прочие просто выливают налитое хозяйкой.
- Наливного насоса в стиральных машинах часто не имеется. Вода заходит из стояка под собственным напором. Дренажная помпа присутствует, требует регулярной очистки, чтобы не сгорела либо не выбило термопредохранитель. Ремонт стиральных машин заканчивается проверкой таких мелочей, как помпа.
- Работой управляет программатор, задающий режим работы двигателя. При необходимости запускается подогрев.
- ТЭН нередко находится в нижней части бака. Похож на используемый в водонагревателях с небольшим отличием: часто присутствует встроенная система защиты от перегрева, одноразовая или многоразовая. Работа управляется термостатом. Полагаем, внутри умной стиральной машины находится реле времени: в бак набирается количество воды, известное бортовому компьютеру, а тот уже по удельной теплоемкости высчитывает время работы ТЭНа, чтобы довести параметры до заданных. Разумеется, указанный способ работает исключительно в условиях отсутствия накипи. В реальности используется датчик температуры. Время цикла рассчитывается примерно, функция Fuzzy Logic вовсе определяет параметры лишь после полоскания.
- Электронный блок обеспечивает интерактивное взаимодействие с пользователем. Следит за ходом цикла.
Двигатель стиральной машины
Двигатель обнаруживает прямой ход и реверс. Для переключения служат два реле. Просто меняются местами клеммы питания. Вне зависимости от типа двигателя обмотки соединяются последовательно, в цепь входят и щетки. Управление скоростью вращения идет через симистор, регулирующий амплитуду подаваемого напряжения. Коллекторные двигатели способны работать на постоянном токе за счет деления полюсов, но в стиральных машинах способ используется редко. Полезно знать, что две обмотки статора имеют три выхода, оставляя шанс провести деление. Это снижает скорость вращения, зато уменьшает индуктивное сопротивление двигателя переменному току. Деление обмоток используется только при питании невыпрямленным напряжением.
Если двигатель коллекторный (подобных стиральных машин – 85%), симистор преимущественно работает по методу двухполупериодного фазового управления. При этом импульсы отсечки отрезают от положительной и отрицательной части синусоиды некоторый сегмент. Изменяется действующее значение напряжения, что приводит к изменению скорости вращения ротора. Если используется коллекторный двигатель постоянного тока, в описанную схему добавляется выпрямитель на диодах.
Для контроля частоты вращения на двигателе устанавливается тахометр (либо датчик Холла). Белые выводы (провод с белым кембриком) используются для отвода на измерительную схему. Так происходит контроль скорости вращения, от теплового перегрева защищает термопредохранитель. Обычно в роли выступает биметаллическая пластина. Соответствующий код ошибки при срабатывании отображается на дисплее.
ТЭН стиральной машины
ТЭН от перегрева защищен собственным термостатом, чтобы установить температуру стирки, показания должны поступать на внешнюю схему. Это легко понять: если в водонагревателе всего три контакта — земля, плюс, минус, у стиральной машины больше проводов. Поиски нужного проводятся приборами. Земля должна звониться с оболочкой медной трубки, между контактами спирали присутствует сопротивление, которое находится по закону Ома из условия, что напряжение 220 В (действующее значение), а мощность берется из технических данных. Типовое значение сопротивления составляет 28 Ом (2 кВт). Термостат извлекается, исключая сложности с распиновкой.
Дренажный насос
Ремонт насоса стиральной машины нужен, когда хозяева забывали чистить фильтр-улитку долгое время. Там набиваются волосы и длинные нитки. Это асинхронный двигатель, причем здесь применяется редкая схема.
Это ротор с постоянными магнитами. Часто случается, сторона вращения двигателя неважна, ведь помпа тангенциальная. Вода входит в центр колеса и выбрасывается через лопасти наружу. Направление вращения – без разницы. Чтобы обмотка не сгорела, внутрь добавлен термопредохранитель. Если извлеченная из корпуса стиральной машины помпа не работает, смотрите на него в первую очередь.
Система Аквастоп стиральной машины
Рассказ неполон без системы Аквастоп, о которой часто замалчивается. При наличии в низу корпуса увидите датчик любого типа наличия воды. При срабатывании подается сигнал на заборный клапан либо просто на разъем, находящийся в районе входа в корпус. В последнем случае наливной шланг оснащается проводами, идущими к стояку, чтобы в случае протечки прекратить забор воды. Это отличная альтернатива одноразовым порошковым шлангам. Обычно стенки двойные, по ним вода из тракта подачи льется внутрь корпуса. Не важно, где пробоина, в баке либо на линии, датчик срабатывает, дело в шляпе. Конечно, система не защитит от общего потопа, если прорвет стояк или смеситель на кухне.
Программатор стиральной машины
Программатор часто ставится механический. Это ось с многочисленными «медленными» и «быстрыми» шестернями, заправляющими работой двигателя, включая режим реверса. Благодаря указанной детали возможно организовать инверторное управление стиральной машиной, когда меняется не амплитуда питающего двигатель напряжения, а частота.
Период оборота медленных шестерней составляет 60 мин и более. Хотя синхродвигатель движется быстро, редукторы значительно занижают скорость. Как правило, на каждой шестерне 60 кулачков (выступы различной высоты). Каждой соответствует собственный контакт реле, способный находиться, к примеру, в трех положениях. Это положение определяет текущий кулачок своей высотой. Постепенно шестерни вращаются, выполняя заданную программу. Программатор называют таймером.
У стиральных машин деталь схожа. Занусси, Whirlpool (Вирпул), Атлант – не имеет значения. Что ломается у программатора? Если туда попадает вода, металлические шестерни покрываются ржавчиной. Хотя программатор считают неразборным, осторожно почистить допускается в случае крайней необходимости.
Электронный блок стиральной машины
Электронный блок содержит необходимую информацию о режимах, здесь размещается процессор. Структура сильно зависит от модели. Поэтому про ремонт электронного модуля стиральной машины дельного не скажем. Единственно, заметим, что сейчас у большинства аппаратов присутствуют средства для перепрошивки программного обеспечения. Их тоже называют программаторами… Ремонт модулей иногда сводится к обновлению обеспечения.
Ремонт стиральных машин Whirlpool своими руками
Современные стиральные машины Whirlpool характеризуются продолжительной длительностью эксплуатационного срока и высоким качеством. Нельзя утверждать, что бытовые приборы часто ломаются, имеются необходимые замены элементов или полного обслуживания. Следует отметить, что ремонт стиралки является трудоемким и дорогостоящим механизмом, поэтому большинство людей предпочитают обращаться к специалистам.В этой статье попробуем остановиться подробно на каждом нюансе ремонта стиральных машин Whirlpool и рассказать обо всех деталях данного процесса.
Если всё же вам требуется квалифицированный ремонт стиралки, то рекомендуем обратиться в ЕвроБытСервис (https://www.evrobytservis-remont.ru/remont-stiralnyh-mashin/). Опытные мастера отремонтируют любую поломку в короткий срок и дадут письменную гарантию до 3х лет.
Диагностические и ремонтные работы
Характеризуясь достаточно непростыми конструктивными особенностями, стиральный агрегат может поломаться в любой момент.Основные причины неисправностей стиральной машины данной марки могут быть очень разными.
После окончания стирки вода остается в машине
Кто не сталкивался с такой проблемой, когда в процессе стирки машинка зависает, и вода остается в баке? Имеются следующие причины такого поведения стиральных устройств:
- Произошла поломка сливного электронасоса
- Засорилась канализационная труба или шланг для слива
- Засорился сливной фильтр или патрубка
Приступать к самостоятельному ремонту бытовой техники можно после того, как причины случившегося, а также того, в связи с чем бытовой прибор так себя ведет.При возникновении устойчивости за воду нужно быстро от нее избавиться с помощью аварийного шланга, находящегося вблизи сливного фильтра. После этого можно начинать поиск дефектов, для чего нужно выполнить несколько шагов:
- Откручивание пробки и избавление от загрязнений, образовавшихся на фильтрах устройства
- Снятие сливного шланга и очистка от грязи
- Проверка засорения канализационного трубопровода
Отсутствует нагревание воды в соответствии с заданным режимом
Если температура вашей стиральной машинки перестала достигать определенного уровня, обратите внимание на нагревательный элемент и терморезистор.Необходимо выполнение следующих действий:
- Снятие задней крышки прибора и кронштейна
- Отсоединение провода от тены и термистора
- Замер контактов контактов тена и термистора с использованием мультиметра
- Определение неисправности нагревательного элемента, с его дальнейшим извлечением и заменой на новый.
Дисплей задач глючит и активируется
Бывает, что после включения стиралки марки Вирпул, начинает глючить панель управления, не реагируя на прикосновения или переставая работать.Первым делом необходимо извлечь прибор из электрической сети. При повторении проблемы после включения можно сделать вывод об отходе контактов в плате управления.
Утекает жидкость из-под крышки люка
Если вода начинает протекать из-под люка, необходимо обратить внимание на резиновую подкладку, обволакивающее отверстие и способствующую плотному прилеганию крышки. Для продления срока службы манжета удалить излишки грязи и жидкости, которая скопилась в нижней части.Чтобы материал не трескался и смог прослужить максимальное количество времени.
Ремонт стиральной машины Вирпул с верхней загрузкой
Стиральные машинки Whirlpool, работающие в автоматическом режиме и имеющую вертикальную загрузку, активно раскупаются владельцами многих небольших помещений. Этому способствуют их небольшие размеры и удобство в применении. Среди преимуществ можно также назвать существующую возможность остановить заданную программу и перезапустить с новыми установками.Однако, как известно, ничего вечного, и в случаях поломки агрегата необходимо обязательно заняться его диагностикой и ремонтом. Следует учитывать, что сервисные услуги, предоставляемые современными центрами, нельзя назвать дешевыми. Поэтому мы расскажем о самостоятельной поэтапной разборке стиральной машины Вирпул с вертикальным режимом загрузки.
Приступать к самостоятельному ремонту агрегата данной марки с верхней загрузкой можно, выполнив следующие шаги:
- Освободив панели с правой или левой стороны
- Приподняв вверх и потянув на себя панель с экраном
- Отсоединив провода от платы и сняв панель под небольшим углом
ремонту стиралки Вирпул своими руками можно существенным образом сэкономить средства! Если у вас не получилось сделать это самым — звоните в ЕвроБытСервис и забудьте о проблемах.Для минимизации поломок необходимо придерживаться норм безопасности, эффективное обслуживание и качественную очистку приборов.
Основные термины (генерируются автоматически) : стиральная машина, верхняя загрузка, нагревательный элемент, сливной фильтр.
Неисправности стиральной машины Вирпул (Whirlpool)
Рейтинг автора
Написано статей
Просмотров: 472
Опубликована: 05.14.2018
Изменена: 14.05.2018
Время на прочтение: 6 минут
У статьи: 1 комментарий (я)Не всегда техника ломается в гарантийный срок.Поэтому пользователю самостоятельно решать вопросы по восстановлению работы стиралки. Ремонт стиральных машин Whirlpool можно провести самостоятельно. В публикации мы предоставим пошаговое руководство по устранению неполадок. Для этого вам понадобятся руки и небольшой набор инструментов.
Типичные неисправности и коды ошибок СМ «Вирпул»
Все чаще на наши рынки поступают стиралки Whirlpool словацкой сборки, реже — итальянской. И хотя пользователи этой техники обращаются в сервисы в 15 раз реже, чем владельцы других марок, поломки все же случаются.
Поиск неполадки облегчается со встроенной диагностической системой. Выход из строя или детали СМА отображается на экране кодом ошибки (FH, F02, F05, F06, F07, F09, F10, F11, F13, F14, F15, Sud, FdL, FdU). Значение кода можно узнать в инструкции, после чего приступать к ремонту прибора.
Какие коды неисправностей чаще всего других:
- F02 — не уходит вода из бака.
- FH / F09 — перелив, проблемы с прессостатом.
- F06 — неполадки с двигателем или таходатчиком.
- FdL / FdU — проблемы с блокировкой люка.
. Но даже если ошибка не выбилась на дисплее, определить поломку можно по индивидуальному признакам. Теоретически в стиралке может сломаться что угодно. Мы перечислим только типичные неисправности, с которыми обращаются чаще всего.
- Проблемы с описанием . Стирка проходит в холодной воде, белье плохо отстирывается и полоскается.
- Неисправность двигателя .Барабан плохо вращается либо совсем не крутится. Вещи не отжимаются. Возможно, причина в износе щеток мотора.
- Течь из-под люка . Повреждение или износ уплотнительной манжеты, коррозия металла.
- Поломка электронной платы . Машинка не включается либо работает со сбоями, программы неправильно активируются.
- Не сливается вода из бака . Причина в засорах, неполадке насоса.
В половине случаев ремонт проводится самостоятельно, в домашних условиях.Как? Об этом ниже.
Ремонт стиральных машин «Вирпул» своими руками
Начните работу с подготовки техники. Это касается и вашей безопасности: отключите машину от сети, перекройте впускной вентиль подачи воды. Теперь можно разобраться в причине неполадки и определиться, с чего начинать ремонт.
Устраняем проблемы со сливом
Вполне вероятно, что вы столкнулись с такой ситуацией: загрузили белье, запустили стирку, а в конце машина отказалась сливать воду.На это может быть три причины:
- Засор сливного патрубка или фильтра.
- Забились шланг или канализация.
- Вышел из строя насос.
Проверить систему на засор можно без разборки СМА. Начните с выкручивания фильтра:
- Под загрузочным люком находится маленькая дверца.
- Откройте ее, подставьте емкость.
- Выкрутите пробку фильтра против часовой стрелки.
- Дождитесь слива воды.
Удалите мусор из сетки фильтра. В открывшееся посадочное отверстие можно осмотреть крыльчатку помпы. Иногда она блокируется волосами, нитками, которые наматываются на ее ось. Прочистите крыльчатку от мусора.
Теперь проверьте шланг. Прямое подключение к канализации часто приводит к ее засору. Гораздо лучше соединять сливной шланг с сифоном. Его легче прочистить при необходимости.
Чистка канализации проводится специальными средствами либо необходима помощь сантехника.
Если детали прочищены, но слив не улучшился, значит, проверяйте патрубок и насос. Для этого нужно уложить корпус стиралки набок.
- Достаньте дозатор для порошка.
- Положите на пол старое одеяло или полотенце.
- Переверните корпус СМ набок.
- Разожмите хомут патрубка. Снимите его с места, прочистите от засора. Можно промыть деталь теплой водой.
- Проверьте помпу. При неисправности проводится замена: отсоедините проводку от контактов насоса, выкрутите крепежные болты.
Восстанавливаем нагреватель
Ваши вещи хорошо избавляются от загрязнений благодаря высокой температуре и моему средству. В холодной воде порошок не растворяется полностью, поэтому пятна плохо отходят. За нагрев в стиральной машинке отвечает ТЭН. Частой причиной его поломок становится накипь. Чтобы проверить или заменить элемент, поступите так:
- Снимите верхнюю крышку, открутив сзади саморезы.
- Уберите болты по периметру задней крышки.Снимите ее.
- Под баком находится ТЭН.
- Отключите проводку, вытащите термистор из корпуса нагревателя.
- Проверьте нагреватель на исправность (подробно о процессе диагностики читайте «Как проверить ТЭН в СМА»).
- Если элемент вышел из строя, тогда скрутите центральную гайку и продавите внутрь болт.
- Достаньте старый ТЭН, прочистите его гнездо от мусора и накипи.
- Установите новый нагреватель.
Требуют устанавливают на новый ТЕН старую прокладку, если она цела. Мы рекомендуем прокладку тоже поменять, чтобы исключить риск протечки и новой замены.
Самостоятельный ремонт мотора
Заметили медленное вращение барабана? Вещи на выходе остаются мокрыми и не отжатыми? Пора проверить состояние щеток двигателя и приводного ремня.
В коллекторных моторах ток на ротор подается через щетки. Установлены они по бокам корпуса.Стержни элементов из мягкого материала изнашиваются, что приводит к остановке работы.
- Демонтируйте заднюю стенку.
- Снимите приводной ремень. Осмотрите его. При растяжении и износе деталь подлежит замене.
- При первичной замене щеток мотор лучше достать из корпуса.
- Отсоедините его проводку, выкрутите болты.
- Отключите клеммы щеток, достаньте их из корпуса.
- При экспоре больше чем наполовину требуется замена.Вставьте новые детали в отверстия, закрепите проводку.
Проблемы с отжимом могут быть связаны с износом подшипника. При этом слышны посторонние звуки: скрип, гул.
Ликвидируем течь
Стиралки семейства «Вирпул» имеют неприятную особенность — быструю коррозию корпуса. Некоторые части машин изготовлены из металлов, которые быстро поражаются коррозией, что может привести к протечке. Поврежденные панели нужно менять, окрашивание им не поможет.
Течь может из манжеты люка. Резина чувствительна к длительным скоплениям влаги. Если ее не протирать вовремя, манжета изнашивается, трескается и дает течь. Поможет только полная замена.
- Отогните уплотнитель. Подденьте отверткой хомут, снимите с места.
- Заправьте резину внутрь барабана.
- убрать внутренний хомут, можно демонтировать переднюю панель либо ослабить винт хомута через верхнюю крышку.
- После этого аккуратно снимите резину.
Монтаж новой резины проводится в обратном порядке. Для облегчения установки смажьте край моющим средством.
Проверяем электронную плату
Проблемы с частью электроники проявляются в торможении устройства, неправильном запуске программ, «глюках». Для ремонта требуется схема модуля управления.
Эту работу лучше доверить мастеру. А осмотреть плату можно самостоятельно:
- Уберите верхнюю крышку.
- Достаньте лоток для моющих.
- Выкрутите болты по периметру панели управления.
- Отключите проводку от модуля.
- Снимите верхнюю защиту, защиту расстегнув защелки.
Подгары или окисления на поверхности платы говорят о неполадке. Отнесите деталь в сервис или вызывайте специалиста на дом.
Устройство и разборка стиральной машины «Вирпул» с вертикальной загрузкой
Не только фронтальные модели подвержены поломкам.Однако проведение ремонтных работ описано только для них. Мы решили исправить эту оплошность.
Примерно все вертикалки устроены одинаково:
В таких машинах чаще изнашиваются подшипник и другие детали, потому что все узлы расположены близко друг к другу. Чтобы отремонтировать неполадку, к ней еще нужно добраться.
Как разобрать стиральную машину «Вирпул»:
- Отключите прибор от сети и водопровода.
- Плоской отверткой подденьте защелки панели управления.При необходимости вытащите фишки проводки.
- Чтобы снять верхнюю панель, выкрутите сзади саморезы. Поднимите ее вверх, закрепите тесемкой или цепочкой, чтобы крышка не падала.
- Расстегните защелки балансировочного кольца на центрифуге. Уберите его в сторону.
- Выкрутите винт и достаньте активатор центрифуги.
- Скрутите шайбу оси и достаньте барабан из бака.
Сборка проводится в обратном порядке. По ходу вы сможете осмотреть и заменить элементы.
Если ваше устройство вертикалки отличное от описанного, посмотрите видео о том, как поменять подшипник на машине с вертикальной загрузкой:
Берегите свою технику и ухаживайте за ней. Тогда не придется ее ремонтировать. Стандартные правила использования в инструкции.
Ремонт стиральной машины вирпул с вертикальной загрузкой своими руками
Самое подробное описание: ремонт стиральной машины вирпул с вертикальной загрузкой своими руками от профессионального мастера для своих читателей с фотографиями и видео из всех уголков сети на одном ресурсе.
Стиральные машины с вертикальной загрузкой люди покупают гораздо реже, чем с фронтальной — это факт.
- Стесненность узлов машинки создает трудности при разборке
- Повышенная вибрация на отжиме
- На некоторых машинах нет возможности отрегулировать по уровню задние ножки
- Коррозия верхней крышки от влаги
- Самопроизвольное открытие створок барабана при разбалансировке
- Узкая и глубокая, и идеально вписывается в ограниченные места ванны, в кладовки или на кухню
- Не нужно нагибаться для закладки белья
- Возможность прервать программу и доложить белье
- Безопасность от детей.Расположение панели управления.
Особенности и нюансы для самостоятельного ремонта вертикалок:
Устройство содержит те же элементы (прессостат, клапан забора воды, барабан, бак, плата управления, насос и так далее).
Ось барабана конструктивно выполнена на двух подшипниках, на баке иногда расположен датчик само позиционирования (фиксация барабана створками вверх).
Демонтаж узлов покажем на примере Электролюкс:
1.С боковых сторон, при помощи отвертки, освобождаем панель управления
2.Потяните пластиковую панель вверх и сдвиньте на себя
3.Наклоняем на небольшой угол к себе для демонтажа проводов с разъемов платы
4.Вынимаем панель
Для снятия электронного модуля управления отсоединяем оставшиеся провода и откручиваем винты показанные на рисунке.
Для быстрой и правильной сборки сфотографируйте место подключений шлейфов проводов.
Для снятия заливного клапана воды отсоединить от хомутов резиновые шланги и демонтировать их.
Отстыковать провода с внешней стороны на отверстия для выдавливания клапана.
Для снятия боковых панелей откручиваем несколько винтов, не сохраняем шайбы для заземления корпуса.
Отогнуть рукой стенку снизу и сдвиньте ее вниз.
После удаления двух боковушек появился доступ к винтам демонтажа передней панели.Откручиваем их.
| Видео (кликните для воспроизведения). |
Для снятия датчиков NTC и само позиционирование барабана DSP достаточно снять правую стенку и демонтировать их.
- Частая неисправность — нет возможности изменить программу .:
Пример — Хотпойнт Аристон ARTL 1047.
Многие «умельцы» грешат, что во всем виноват модуль управления.А нет!
Достаточно открутить два болта с тыльной стороны и извлечь панель упавления.
Вот эта самая треснутая ручка и является виновницей. Возможность металическим кольцом (штекер от антенны для примера).
Сжимая платиковую ручку, кольцопредотвратит проскакивание программ.
- Взорванный верх вертикалки Индезит, Аристон:
001 -ручка управления 002 — кнопки белые вкл-выкл / сброс 003 -панель управления белая 004 — переключатель bitron 005 — клавиши функций 007 — дисплей
008 — крышка крышки 010 — рычаг разблокировки дозатора 011 — пружина крюка дозатора 012 — расцепления кнопка дозатора 016 — опора крышки
018 — перегородка с амортизатором 021 — устройство блокировки двери 022 — белый дозатор 023 — крышка сифона 026 — проводка панели управления 027 — 8-поз.потенциометр
Бытует мнение, что две опоры барабана вместо одной — это хорошо.
Это не так, и в случае с «вертикалкой» это просто вынужденное инженерное решение. Ресурс работы подшипников барабана не увеличивается ни на минуту.
Если винты тяжело откручиваются, нагреть их паяльной лампой.
Использовать специальную смазку для сальников — Литол-24, ЦИАТИМ-221, ШРУС-4М и др.
На «Канди», чтоб поменять подшипники, нужно разобрать всю машину до винтика! А чего стоит дикая теснота в недрах «вертикалок».Порой приходится делать все буквально на ощупь.
Рубрика : На правах рекламы
Дата публикации : 31.07.2017 31.07.2017
Статья просмотр: 365 раз
Ремонт стиральных машин Whirlpool своими руками // Молодой ученый. — 2016. — №10. — URL https://moluch.ru/archive/114/46158/ (дата обращения: 17.10.2018).
Современные стиральные машины Whirlpool характеризуются продолжительной длительностью эксплуатационного срока и высоким качеством.Нельзя утверждать, что бытовые приборы часто ломаются, имеются необходимые замены элементов или полного обслуживания. Следует отметить, что ремонт стиралки является трудоемким и дорогостоящим механизмом, поэтому большинство людей предпочитают обращаться к специалистам. В этой статье попробуем остановиться подробно на каждом нюансе ремонта стиральных машин Whirlpool и рассказать обо всех деталях данного процесса.
Если всё же вам требуется квалифицированный ремонт стиралки, то рекомендуем обратиться в ЕвроБытСервис (https: // www.evrobytservis-remont.ru/remont-stiralnyh-mashin/). Опытные мастера отремонтируют любую поломку в короткий срок и дадут письменную гарантию до 3х лет.
Характеризуясь достаточно непростыми конструктивными особенностями, стиральный агрегат может поломаться в любой момент. Основные причины неисправностей стиральной машины данной марки могут быть очень разными.
После окончания стирки вода остается в машине
Кто не сталкивался с такой проблемой, когда в процессе стирки машинка зависает, и вода остается в баке? Имеются следующие причины такого поведения стиральных устройств:
- Произошла поломка сливного электронасоса
- Засорилась канализационная труба или шланг для слива
- Засорился сливной фильтр или патрубка
Приступать к самостоятельному ремонту бытовой техники можно после того, как причины случившегося, а также того, в связи с чем бытовой прибор так себя ведет.При возникновении устойчивости за воду нужно быстро от нее избавиться с помощью аварийного шланга, находящегося вблизи сливного фильтра. После этого можно начинать поиск дефектов, для чего нужно выполнить несколько шагов:
- Откручивание пробки и избавление от загрязнений, образовавшихся на фильтрах устройства
- Снятие сливного шланга и очистка от грязи
- Проверка засорения канализационного трубопровода
Если температура вашей стиральной машинки перестала соответствовать определенному уровню, обратите внимание на нагревательный элемент и терморезистор.Необходимо выполнение следующих действий:
- Снятие задней крышки прибора и кронштейна
- Отсоединение провода от тены и термистора
- Замер контактов контактов тена и термистора с использованием мультиметра
- Определение неисправности нагревательного элемента, с его дальнейшим извлечением и заменой на новый.
Бывает, что после включения стиралки марки Вирпул, начинает глючить панель управления, не реагируя на прикосновения или переставая работать.Первым делом необходимо извлечь прибор из электрической сети. При повторении проблемы после включения можно сделать вывод об отходе контактов в плате управления.
Если вода начинает протекать из-под люка, необходимо обратить внимание на резиновую подкладку, обволакивающее отверстие и способствующую плотному прилеганию крышки. Для продления срока службы манжета удалить излишки грязи и жидкости, которая скопилась в нижней части. Чтобы материал не трескался и смог прослужить максимальное количество времени.
Стиральные машинки Whirlpool, работающие в автоматическом режиме и имеющую вертикальную загрузку, активно раскупаются владельцами многих небольших помещений. Этому способствуют их небольшие размеры и удобство в применении. Среди преимуществ можно также назвать существующую возможность остановить заданную программу и перезапустить с новыми установками. Однако, как известно, ничего вечного, и в случаях поломки агрегата необходимо обязательно заняться его диагностикой и ремонтом. Следует учитывать, что сервисные услуги, предоставляемые современными центрами, нельзя назвать дешевыми.Поэтому мы расскажем о самостоятельной поэтапной разборке стиральной машины Вирпул с вертикальным режимом загрузки.
Приступать к самостоятельному ремонту агрегата данной марки с верхней загрузкой можно, выполнив следующие шаги:
| Видео (кликните для воспроизведения). |
- Освободив панели с правой или левой стороны
- Приподняв вверх и потянув на себя панель с экраном
- Отсоединив провода от платы и сняв панель под небольшим углом
ремонту стиралки Вирпул своими руками можно существенным образом сэкономить средства! Если у вас не получилось сделать это самым — звоните в ЕвроБытСервис и забудьте о проблемах.Для минимизации поломок необходимо придерживаться норм безопасности, эффективное обслуживание и качественную очистку приборов.
Не всегда техника ломается в гарантийный срок. Поэтому пользователю самостоятельно решать вопросы по восстановлению работы стиралки. Ремонт стиральных машин Whirlpool можно провести самостоятельно. В публикации мы предоставим пошаговое руководство по устранению неполадок. Для этого вам понадобятся руки и небольшой набор инструментов.
Все чаще на наши рынки поступают стиралки Whirlpool словацкой сборки, реже — итальянской.И хотя пользователи этой техники обращаются в сервисы в 15 раз реже, чем владельцы других марок, поломки все же случаются.
Поиск неполадки облегчается со встроенной диагностической системой. Выход из строя или детали СМА отображается на экране кодом ошибки (FH, F02, F05, F06, F07, F09, F10, F11, F13, F14, F15, Sud, FdL, FdU). Значение кода можно узнать в инструкции, после чего приступать к ремонту прибора.
Какие коды неисправностей чаще всего других:
- F02 — не уходит вода из бака.
- FH / F09 — перелив, проблемы с прессостатом.
- F06 — неполадки с двигателем или таходатчиком.
- FdL / FdU — проблемы с блокировкой люка.
. Но даже если ошибка не выбилась на дисплее, определить поломку можно по индивидуальному признакам. Теоретически в стиралке может сломаться что угодно. Мы перечислим только типичные неисправности, с которыми обращаются чаще всего.
- Проблемы с описанием . Стирка проходит в холодной воде, белье плохо отстирывается и полоскается.
- Неисправность двигателя . Барабан плохо вращается либо совсем не крутится. Вещи не отжимаются. Возможно, причина в износе щеток мотора.
- Течь из-под люка . Повреждение или износ уплотнительной манжеты, коррозия металла.
- Поломка электронной платы . Машинка не включается либо работает со сбоями, программы неправильно активируются.
- Не сливается вода из бака . Причина в засорах, неполадке насоса.
В половине случаев ремонт проводится самостоятельно, в домашних условиях. Как? Об этом ниже.
Начните работу с подготовки техники. Это касается и вашей безопасности: отключите машину от сети, перекройте впускной вентиль подачи воды. Теперь можно разобраться в причине неполадки и определиться, с чего начинать ремонт.
Вполне вероятно, что вы столкнулись с такой ситуацией: загрузили белье, запустили стирку, а в конце машина отказалась сливать воду. На это может быть три причины:
- Засор сливного патрубка или фильтра.
- Забились шланг или канализация.
- Вышел из строя насос.
Проверить систему на засор можно без разборки СМА. Начните с выкручивания фильтра:
- Под загрузочным люком находится маленькая дверца.
- Откройте ее, подставьте емкость.
- Выкрутите пробку фильтра против часовой стрелки.
Удалите мусор из сетки фильтра. В открывшееся посадочное отверстие можно осмотреть крыльчатку помпы. Иногда она блокируется волосами, нитками, которые наматываются на ее ось.Прочистите крыльчатку от мусора.
Теперь проверьте шланг. Прямое подключение к канализации часто приводит к ее засору. Гораздо лучше соединять сливной шланг с сифоном. Его легче прочистить при необходимости.
Чистка канализации проводится специальными средствами либо необходима помощь сантехника.
Если детали прочищены, но слив не улучшился, значит, проверяйте патрубок и насос. Для этого нужно уложить корпус стиралки набок.
- Достаньте дозатор для порошка.
- Положите на пол старое одеяло или полотенце.
- Переверните корпус СМ набок.
- Разожмите хомут патрубка. Снимите его с места, прочистите от засора. Можно промыть деталь теплой водой.
- Проверьте помпу. При неисправности проводится замена: отсоедините проводку от контактов насоса, выкрутите крепежные болты.
Ваши вещи хорошо избавляются от загрязнений благодаря высокой температуре и моющему средству. В холодной воде порошок не растворяется полностью, поэтому пятна плохо отходят.За нагрев в стиральной машинке отвечает ТЭН. Частой причиной его поломок становится накипь. Чтобы проверить или заменить элемент, поступите так:
- Снимите верхнюю крышку, открутив сзади саморезы.
- Уберите болты по периметру задней крышки. Снимите ее.
- Под баком находится ТЭН.
- Отключите проводку, вытащите термистор из корпуса нагревателя.
- Проверьте нагреватель на исправность (подробно о процессе диагностики читайте «Как проверить ТЭН в СМА»).
- Если элемент вышел из строя, тогда скрутите центральную гайку и продавите внутрь болт.
- Достаньте старый ТЭН, прочистите его гнездо от мусора и накипи.
- Новый нагреватель.
Установлены установленные на новый ТЕН старую прокладку, если она цела. Мы рекомендуем прокладку тоже поменять, чтобы исключить риск протечки и новой замены.
Заметили медленное вращение барабана? Вещи на выходе остаются мокрыми и не отжатыми? Пора проверить состояние щеток двигателя и приводного ремня.
В коллекторных моторах ток на ротор подается через щетки. Установлены они по бокам корпуса. Стержни элементов из мягкого материала изнашиваются, что приводит к остановке работы.
- Демонтируйте заднюю стенку.
- Снимите приводной ремень. Осмотрите его. При растяжении и износе деталь подлежит замене.
- При первичной замене щеток мотор лучше достать из корпуса.
- Отсоедините его проводку, выкрутите болты.
- Отключите клеммы щеток, достаньте их из корпуса.
- При экспоре больше чем наполовину требуется замена. Вставьте новые детали в отверстия, закрепите проводку.
Проблемы с отжимом могут быть связаны с износом подшипника. При этом слышны посторонние звуки: скрип, гул.
Стиралки семейства «Вирпул» имеют неприятную особенность — быструю коррозию корпуса. Некоторые части машин изготовлены из металлов, которые быстро поражаются коррозией, что может привести к протечке. Поврежденные панели нужно менять, окрашивание им не поможет.
Течь может из манжеты люка. Резина чувствительна к длительным скоплениям влаги. Если ее не протирать вовремя, манжета изнашивается, трескается и дает течь. Поможет только полная замена.
- Отогните уплотнитель. Подденьте отверткой хомут, снимите с места.
- Заправьте резину внутрь барабана.
- Чтобы убрать внутренний хомут, можно демонтировать переднюю панель либо ослабить винт хомута через верхнюю крышку.
- После этого аккуратно снимите резину.
Монтаж новой резины проводится в обратном порядке. Для облегчения установки смажьте край моющим средством.
Проблемы с частью электроники проявляются в торможении устройства, неправильном запуске программ, «глюках». Для ремонта требуется схема модуля управления.
Эту работу лучше доверить мастеру. А осмотреть плату можно самостоятельно:
- Уберите верхнюю крышку.
- Достаньте лоток для моющих.
- Выкрутите болты по периметру панели управления.
- Отключите проводку от модуля.
- Снимите верхнюю защиту, защиту расстегнув защелки.
Подгары или окисления на поверхности платы говорят о неполадке. Отнесите деталь в сервис или вызывайте специалиста на дом.
Не только фронтальные модели подвержены поломкам. Однако проведение ремонтных работ описано только для них. Мы решили исправить эту оплошность.
Примерно все вертикалки устроены одинаково:
В таких машинах чаще изнашиваются подшипник и другие детали, потому что все узлы расположены близко друг к другу.Чтобы отремонтировать неполадку, к ней еще нужно добраться.
Как разобрать стиральную машину «Вирпул»:
- Отключите прибор от сети и водопровода.
- Плоской отверткой подденьте защелки панели управления. При необходимости вытащите фишки проводки.
- Чтобы снять верхнюю панель, выкрутите сзади саморезы. Поднимите ее вверх, закрепите тесемкой или цепочкой, чтобы крышка не падала.
- Расстегните защелки балансировочного кольца на центрифуге.Уберите его в сторону.
- Выкрутите винт и достаньте активатор центрифуги.
- Скрутите шайбу оси и достаньте барабан из бака.
Сборка проводится в обратном порядке. По ходу вы сможете осмотреть и заменить элементы.
Если ваше устройство вертикалки отличное от описанного, посмотрите видео о том, как поменять подшипник на машине с вертикальной загрузкой:
Берегите свою технику и ухаживайте за ней.Тогда не придется ее ремонтировать. Стандартные правила использования в инструкции.
Сегодня практически в каждом многоквартирном доме можно встретить стиральную машинку марки Whirlpool, и не одну. У нас распространены обе сборки: Словакия и Италия. Последние покупаются реже и стоят дороже, а вот машины, собранные в Словакии, можно встретить во всех магазинах бытовой техники.
Пожалуй, именно европейские стандарты сборки помогли машинам Вирпул зарекомендовать себя как машины высокого качества и завидной долговечности.Именно поэтому ремонт требуется редко, но если и случаются поломки, то часто ремонт стиральных машин Whirlpool (Вирпул) можно провести своими руками.
Если перечислять основательно все возможные поломки СМА, мы вынуждены будем написать целое руководство в 10 томах. Поэтому остановим внимание только на неисправностях, типичных для этого бренда.
Мы собрали данные из авторитетных сервисных центров, чтобы создать ценные инструкции для тех, кто сделал ремонт стиральной машины Вирпул своими руками.
- После стирки вода стоит в баке.
- Зависают режимы стирки, не запускаются совсем, или программы выполняются со сбоями.
- Все режимы стирки проходят в холодной воде.
- СМА протекает в зоне люка.
Важно! За этим на первый взгляд безобидными неисправностями могут скрываться серьезные поломки. Их нужно устранить сразу же, чтобы не сломать СМ окончательно.
Исходя из описанных выше проблем, можно наиболее уязвимые места стиральных машин Вирпул.Во многих современных моделях система самодиагностики, которая при помощи кода неисправности сообщит вам о том, какая деталь вышла из строя.
Но что делать, если машинка не включается совсем, и нет ничего, что помогло бы вам выяснить причину поломки? Послушайте советы бывалых ремонтников, они уверены, что самые уязвимые детали в машинка Вирпул такие:
- Термоэлектрический нагреватель — ТЭН.
- Двигатель и его подвижные элементы.
- Манжета люка, патрубки.
- Контроллер (модуль управления).
Внимание! Машины Whirlpool, как и любые другие машины, «страдают» засорами. Засоряются как фильтры, так и шланги. Если своевременно выполнять чистку (3-4 раза в год), то можно избежать поломок системы слива и залива воды.
Наверное, вам знакома ситуация, когда вы загрузили белье в бак, выбрали удобный режим стирки, ушли по своим делам на кухню, затем пришли достать белье, а там катастрофа. Машину глючит: в ней полно воды и пены, стирка не закончилась, белье мокрое.
Вы перезапускаете программу, но всё по кругу — программа стирки не выполняется, потому что вода остается в барабане. Такая проблема вызывается одним из трех факторов:
- Скопился мусор в патрубке слива воды или фильтре слива.
- Засор шланга слива или засор в системе канализации.
- Поломка электронасоса слива (помпы).
, прежде чем посвятить время поиску причин сбоя, подготовьте к этому свою СМА:
- Отключите питание.
- Вручную слейте воду, оставшуюся в барабане. Это можно сделать быстро, используя шланг аварийного слива — он обычно расположен возле фильтра слива воды.
- Подставьте емкость или постелите тряпку на пол — и туда вытечет отработанная вода.
Далее извлекаем фильтр отработанной воды:
- Подложите тряпку или поставьте емкость под люк, за которым расположен фильтр.
- Открутите пробку против часовой стрелки.
- Прочистите и промойте агрегат под краном.
- Установите все на место.
- Скрутите шланг слива, почистите и промойте его, установите на место.
Не помешает проверить и канализацию на предмет засора.
провести все действия, вам не нужно знать, как разобрать стиральную машину Вирпул, — это легкая работа, может сделать любой пользователь.
Если ваше действие не помогло избавиться от проблем, система слива чистая, в канализации нет засора, а стиралка все равно не сливает воду из бака, ее придется все-таки разобрать.Истинная причина поломки может скрываться в помпе и сливном патрубке.
Важно! Практически все модели Вирпул устроены таким образом, что до помпы и патрубка можно добраться только со дна. Придется переворачивать машину на бок.
Как найти, проверить и прочистить помпу и патрубок:
- Извлеките кюветку для моющих средств.
- Отключите машину от всех систем: электро- и водоснабжения, канализации.
- Переверните СМА, положив ее на боковую стенку.
- Открутите болты и снимите дно.
- Вооружитесь тестером и замеряйте сопротивление помпы.
- Обнаружив проблему, меняйте помпу.
- Если помпа не при чем, то действуйте далее.
- Ослабьте хомуты патрубка слива воды.
- Снимите патрубок.
- Прочистите и промойте его.
- Установить патрубок обратно.
Эта поломка характерна для машин с любым типом загрузки. Устройство стиральной машины Вирпул с вертикальной загрузкой несколько, чем у обычных СМ, но решать проблему с ней нужно по той же схеме.
Нередко после запуска стиралки панель управления начинает вести себя неадекватно: дисплей моргает, а вместе с ним мигают все светодиоды. Также может не срабатывать выбранная вами программа.
Если это ваш случай, то срочно выключайте СМ, и ожидайте 60 секунд. После включения ее и, если проблема не устранена, стоит вызвать мастера, так как поврежден модуль управления, а починка своими руками невозможна. Вам понадобится не только схема модуля управления стиральной машины Вирпул, но и опыт в подобном ремонте.
Если же стиралка не хочет нагревать воду и плохо отстирывает белье, то можно без помощи особых приспособлений определить поломку и осуществить ремонт.
Самая верная причина такого поведения — это поломка термистора (температурного датчика) , но выйти из строя и ТЭН. Как бы то ни было, проверять стоит оба элемента в комплексе. Далее действуйте по такой нехитрой схеме:
- Поверните машинку так, чтобы перед вами была передняя стенка — так будет удобнее вести работы.
- Выкрутите болты и снимите заднюю панель.
- Далее снимите кронштейн, отвинтив болты, чтобы он не мешал работать с нагревателем.
- Сразу весь ТЭН вы не — увидите под баком виден только его хвостовик, к которому идут четыре провода, два из подключенных к самому нагревателю, а остальные — к термодатчику.
- Снимите все провода.
- Берите тестер и измеряйте сопротивление контактов термодатчика. Проверьте показатели при комнатной температуре, нагреватель в теплой воде.
- Далее мерное сопротивление на самом нагревательном элементе. Его нормальные показатели: 20-40 Ом.
При такой проблеме поломка, скорее всего, подтвердится, поэтому придется заменить датчик (что проще) или же ТЭН.
Важно! Если у вас нет под рукой тестера, сразу доставайте ТЭН из бака, открутив крепеж. Вы быстро определите неисправность, если ТЭН покрыт толстым слоем накипи, или по нему пошли темные пятна. Если накипи совсем чуть-чуть, то ТЭН, возможно, и не сгорел, а если водный камень толщиной в 1 см и более — поломка налицо.
Своими руками легко меняете ТЭН следующим образом:
- Контакты и провода уже сняты, поэтому далее снимайте пластиковый щиток.
- Отвинтите крепление — оно находится по центру хвостовика.
- Аккуратно потянув за контакты, расшатывая нагреватель в разные стороны, извлеките ТЭН. Помехой будет резиновая прокладка, поэтому проявите терпение — тут ничего не поделать.
- Достав ТЭН, снимите и прокладку.
Важно! Механики рекомендуют вместе с новым нагревателем ставить и новую прокладку, как протечки из-за износа прокладки губительны для этого важного узла.
- В том отверстии, где был ТЭН, наверняка есть сор и накипь, поэтому проведите генеральную чистку; только после этого можно ставить прокладку.
- Установите новый ТЭН, закрутите крепление.
- Установите на место пластиковый щиток.
- Подключите контакт к нагревателю и датчику.
- Восстановите местоположение кронштейна, и, наконец, смонтируйте назад панель машинки.
Когда в режиме стирки или полоскания из-под дверцы стиральной машинки-автомат Вирпул протекает вода, то это начинается незаметно — сначала пару капель, потом тонкая струйка, а рано или поздно и вовсе начинается потоп.
Вам не понадобится схема стиральной машины Вирпул, чтобы найти манжету — виновницу поломки. Ее видно и невооруженным глазом — это большая резиновая прокладка в вашей СМ. Она используется по всему внутреннему периметру люка, и главная ее задача — не пропускать воду.
Самое уязвимое место уплотнителя — внизу, потому что грязная вода часто остается там. Если периодически не наводить порядок, манжета может лопнуть. Достаточно чуть задеть износившийся уплотнитель, чтобы он порвался — вот тогда-то протечки не избежать.
Важно! Нельзя пользоваться машинкой с порванной манжетой — она не сможет удержать воду. Если обнаружен прорыв, манжету нужно менять СРОЧНО.
Если вы привыкли проводить ремонт в домашних условиях, демонтируйте старую и монтируйте новую манжету.
- Откройте крышку люка как можно шире.
- Вооружитесь шлицевой отверткой и подцепите проволочный хомут — он расположен поверх манжеты.
- Поддев хомут, подведи под него отвертку поглубже и двигайте ее по кругу, пока не наткнетесь на соединитель с крепежом.
- Ослабьте хомут и снимите его.
- Возьмите двумя руками уплотнитель и, потянув на себя, достаньте его.
К сведению пользователей: покупайте манжеты у официальных дилеров. Оригинальная деталь встанет в паз люка четко до миллиметра и защитит бак от протечек.
- Распакуйте деталь и вставьте ее в паз.
Важно! Не пользуйтесь ничем острым, дабы не порвать уплотнитель — все делайте ТОЛЬКО руками.
- Как только резинка встанет на свое место, быстро накиньте хомут и затяните его.
- Проверяйте, нормально ли закрывается и открывается люк.
- Запустите стирку в тестовом режиме.
- Если под машинкой сухо, поздравляем, вы справились «на отлично»!
Если вода течет в машинке вертикального типа, то причина может быть совсем не в люке — он в ней находится сверху. Скорее всего, понадобится разборка стиральной машины Whirlpool с вертикальной загрузкой для причиннения протечки.
Есть еще ряд причин, по которому может течь стиралка:
- Течет помпа.
- Разгерметизация бака — трещина, пробоина, коррозия.
- Повреждены патрубки слива или забора воды.
- Разгерметизация соединения патрубка залива воды.
- Разгерметизация патрубков, соединяющих впускной клапан и кюветку для порошка.
- Износ сальника.
- Засор в бункере дозатора.
- Износ сливной трубки бака.
Большинство этих поломок несложные, и для устранения протечки можно провести ремонт самостоятельно.Самое главное в этом случае — правильно продиагностировать проблему. В этом вам помогут коды неисправностей.
На табло могут гореть такие коды: F01 или FH, F02 или FA, F03 или FP, F14, FDL, FDU.
Если у вас остались вопросы по ремонту поломок стиральных машин марки Вирпул, читайте другие наши материалы, в которых мы подробно разбираем каждую отдельную неисправность.
В этой статье мы рассмотрели только типичные поломки, которые можно устранить без помощи ремонтника.А если вам интересно, как поменять подшипник на стиральной машине Вирпул, смотрите также специальное видео:
Отнюдь не является тайной тот факт, что в огромном количестве квартир для установки стиральной машины автоматически катастрофически не хватает. Создаётся такое странное ощущение, что те, кто эти квартиры проектировал, считали, что стиральная машина для будущих жильцов излишняя роскошь. Хорошо, что разработчики домашней бытовой техники не согласны и создали автоматическую стиральную машину с верхней загрузкой.Именно такой тип машин (при сохранении максимальной загрузки белья) имеет компактные размеры и может устанавливаться в помещении даже небольших размеров. А то, что для загрузки, дверь открывается, позволяет ещё больше сократить для эффективной работы пространство. Для многих людей это единственный возможный вариант стиральной машины, позволяет хоть как-то втиснуть её в ванную или совмещённый санузел.
Вопреки расхожему мнению вертикальные стиральные машины-автомат — заметно чаще подвержены такие неприятности, как протечка.А это уже может вызывать другие и более серьёзные неисправности. Но обо всём по порядку.
— Подтекает сливной фильтр. Ну здесь всё понятно — нужно проверить герметичность установки фильтра и состояние уплотнителя. Разумеется, почистить не помешает. Если фильтр сухой — переходим к верхней крышке вертикальной стиральной машины.
— Износился или деформировался резиновый уплотнитель верхней двери. Приании образовании лужи под стиральной машиной, первое что нужно проверить состояние этого уплотнителя.Если снять панель управления машины, на корпусе сразу будет виден сильный налёт ржавчины. Это означает, что проходящая через верхнюю дверь вода не задерживается резинкой и может попадать под панель управления или в замок блокировки люка. Естественно, такая утечка способна привести не только к банальной луже под машиной, но и к более серьезным проблемам, с ремонтом или заменой, дорогостоящих деталей или блоков. Пока до этого не дошло, срочно надо устранить протечку. Причём необязательно заменять весь уплотнитель целиком.Обычно достаточно в месте утечки подложить резину, что немного поднимет уплотнитель и герметичность восстановится. Стоит добавить, что снять панель управления не вызовет особых сложностей — достаточно открутить по бокам винты её содержащие.
Теперь для дальнейшей проверки вертикальной стиральной машины понадобится снять её боковые панели. Для этого просто нужно открутить винты на задней стенке, которые они крепятся, немного оттянуть нижний край и сдвинуть вниз и назад. После удаления боковых стенок появляется возможность снятия и передней.Открывается доступ к винтам, удерживающим её. Снимать или не снимать переднюю стенку зависит от целей разборки корпуса машины. Итак, доступ к внутренним узлам машины получили. Продолжаем проверку на протечки уже внутри машины.
— Проверяем надёжность соединения водяной трубки на заливном клапане. При наличии следов влаги снимаем трубку, промазываем силиконом и устанавливаем обратно подтянув хомут. Потом осматриваем целостность всей резиновой трубки до места, где она подходит к верхней части машины.Если всё сухо — ищем другую причину.
— Осматриваем резиновый патрубок, соединённый с баком машины. Если заметны следы подтёков, опять же снимаем, уплотняем силиконом и возвращаем на прежнее место.
— Теперь очередь патрубка слива и сливного шланга. Все действия аналогичны — проверяем и, если присутствует течь, устраняем.
Ну, кажется, протекать больше нечему. Переходим к другой проблеме свойственной только для стиральных машин с вертикальным способом загрузки.
Обычно такое становится возможным из-за дисбаланса в барабане стиральной машины. Если фронтальные машины при такой ситуации начинают сильно вибрировать, то такая же проблема у вертикальных может привести к более серьёзным последствиям. Открывшиеся створки просто не могут не войти в соприкосновение с ТЭНом, что наверняка выведет его из строя. Барабан блокируется и может быть повреждён (и он и бак, в котором он установлен). Повреждение барабана и бака может привести к необходимости их полной замены, а тогда придётся задуматься — не проще ли поменять всю машину?
Но это крайности, не будем думать о плохом.В общем-то, если дело ограничилось поломкой нагревательного элемента — не великая беда. Он легко подлежит замене и этот процесс осуществляется точно так же, как у фронтальных машин. Испорченный ремень привода тоже легко меняется на новый. Но вполне могут выйти из строя и подшипники. Для стиральных машин с верхним способом загрузки белья замена подшипников несколько отличается от подобного процесса у фронтальных машин.
— Вначале меняем подшипник с той стороны, где нет шкива. Снимем суппорт, с этой стороны резьба будет стандартная правосторонняя сторона, а значит, выкручиваем против часовой стрелки.После извлечения проводится замена подшипника и сальника.
— С другой стороны потребуется снять ремень привода, а затем шкив и колодку заземления.
Важное уточнение — с этой стороны на суппорте используется левосторонняя резьба, а, следовательно, откручивать нужно в обратном от привычного направления — по часовой стрелке. В месте установки нового подшипника обоих очищается и хорошенько смазывается. Суппорты вновь ставятся на свое место и производятся обратная сборка.
В тех случаях, когда может потребоваться разборка бака стиральной машины, просто выкручиваются винты, крепящие его крышку, и осторожно разделяется в местах спайки.
Обратно бак собирается так же, как у фронтальных машин.
Все остальные виды ремонта и обслуживания стиральных машин-автоматов с загрузкой практически аналогичны этим же действиям для машин фронтальных. Чистка фильтров, замена сливного насоса и ТЭНа и многое другое — отличается только тем, что снимается не задняя или передняя панель, а боковые боковые.Ну и расположение внутренних частей у вертикальных машин более тесное. Почему-то сервисные специалисты обеспечивают это достаточным поводом, чтобы просить за ремонт машин с верхней загрузкой больше денег. Вот только если руки на месте и есть понимание, что, собственно, нужно делать, чтобы отремонтировать подобную машину — платить свои кровные постороннему человеку совсем необязательно. Аленные сэкономить средства потратить на другие дела или покупки.скачать dle 10.6фильмы бесплатно
Стиральные машины Whirlpool пользуются стабильно высоким спросом на рынке.Устройство этого производителя отличается высоким качеством и надежностью при этом похвастаться демократичным ценником. В продаже встречаются машины производства Словакии и Италии. Итальянская сборка заметно дороже, но вряд ли стоит переплачивать, машины из Словакии также имеют отличные потребительские характеристики.В среднем на протяжении срока службы в ремонт поступает одна из пятнадцати машины этого производителя, что является вполне приемлемым результатом. Сертифицированные сервисные центры можно найти практически в любом крупном городе страны, так что проблем с ремонтом и обслуживанием точно не возникнет.Ремонт стиральных машин Whirlpool можно доверить специалистам центра, а при наличии опыта подобных работ выполнить самостоятельно.
Автоматическая стиральная машина — сложное устройство, она состоит из множества узлов и агрегатов, каждый из которых может выйти из строя. Перечень неисправностей стиральных машин Whirlpool очень обширен, полное руководство по анализту будет несколько томов. Из наиболее распространенных проблем можно выделить следующие: не работающий слив, проблемы с нагревом, износ или обрыв манжеты.
Пожалуй, самая распространенная проблема из тех, с которыми могут столкнуться владельцы стиральных машин Whirlpool. Машина останавливается и вместо того, чтобы слить воду, выдает сообщение об ошибке. Причин неработающего слива может быть несколько:
Прежде чем начинать ремонт стиральной машины Вирпул с системы слива необходимо удалить воду из барабана. Специально для создания режима работы механизма аварийный слив. Подставить емкость для воды.
После того, как вода удалена, можно переходить непосредственно к ремонту. Машина отодвигается для удобства работы. Проверяется шланг на предмет загрязнения и перегибов.
После шланга проверяют чистоту сливного фильтра. Он улавливает нитки, лоскуты, пуговицы, что может стать причиной засора. Его необходимо снять и промыть. Также не лишним будет прочистить канализацию, используя гибкий трос или изогнутую проволоку.
Если фильтр чистый, внутри шланга нет засора, а машина по-прежнему не сливает воду, следует проверить сливной патрубок и насос.Для этого необходимо выполнить частичную разборку машины.
- Устройство отключается от сети, водопровода и канализации.
- Извлекается лоток для моющих средств.
- Машина кладется на бок.
- Откручиваются болты, удерживающие дно.
Получив доступ к контактам помпы, с помощью мультиметра измеряется сопротивление обмоток. Если прибор покажет обрыв — необходима замена. Старый насос снимается, сливной патрубок очищается от грязи и накипи.Заменив насос, машину подключают к собирающим средствам, проверяют работу слива.
Если работа системы останавливается при попытке нагреть воду, отображается сообщение об ошибке системы, одной из наиболее вероятных причин неработающий нагреватель — тэн. Отремонтировать сгоревший нагреватель в принципе невозможно, единственный возможный выход — замена. В стиральных машинах Whirlpool тэн меняется достаточно просто, эту можно выполнить своими руками.
- Машина отключается от сети и водопровода.
- Устройство поворачивается или отодвигается от стены для удобства работы.
- С помощью отвертки отвинчивается задняя крышка.
- Снимается кронштейн, перекрывающий доступ к нагревателю.
За кронштейном находятся выводы тэна, контактная площадка. Чтобы проверить нагреватель не обязательно его извлекать, отключить идущие к нему провода.
Для проверки работоспособности нагревателя используйте мультиметр в режиме измерения сопротивления.Нерабочий тэн покажет бесконечное сопротивление, рабочий — несколько десятков Ом, в зависимости от модели.
Сгоревший тэн надо менять. Пожалуй, единственная сложность, которая может быть в ходе его замены — ржавчина. Винт, фиксирующий нагреватель может приржаветь, что без использования специальных средств, к примеру, WD-40 не обойтись.
Старый нагреватель извлекается, на его место устанавливается новый, вместе с ним стоит заменить и резиновую прокладку, в противном случае возможны протечки, из-за старения резины.
Это еще одна распространенная проблема, справиться с которой несложно своими силами. Она проявляется в том, что во время стирки вода просачивается через манжету, уплотнитель загрузочного люка машины. Причина подобного явления — потеря эластичности манжеты или неправильная ее установка в процессе ремонта.
Заменить манжету несложно, надо выполнить ряд простых действий.
- Открыть люк до упора.
- Поддеть отверткой и снять пластиковый держатель
- Выкрутить фиксирующий болт, тем самым освобождение манжету.
- Потянуть манжету на себя.
- Аккуратно вставить новую. При этом не рекомендуется использовать острые, чтобы не повредить тонкую резину.
- Одеть хомут, затянуть болт.
Манжета — простая деталь, но от ее качества зависит безопасность стирки. Правильный выбор — оригинальная деталь, производства Италии или Словакии. Покупая дешевую подделку, удастся немного сэкономить, но вполне возможно скоро придется снова разбирать машину.
Список неисправностей, с которым можно справиться самостоятельно не ограничивается описанными выше.Знание устройства машины и умение ее позволит решить часть проблем.
В любом случае, прежде чем начинать ремонт стиральных машин Whirlpool, необходимо выявить неисправность и найти ее причину. Производитель позаботился о простоте ремонта, для этого микропрограмму включает систему автоматического тестирования, результат работы которой, в виде сообщения об ошибке, выводится на индикатор.
Первое, что стоит проверить при возникновении подобных ошибок — наличие воды в водопроводе и ее давление.Если напор в системе не соответствует номинальному значению, стирку придется отложить до нормализации водоснабжения.
Стоит обратить внимание и на состояние входного клапана. В нем установлена точка, играющая роль фильтра, при необходимости ее промыть или заменить.
Если же вода в машину поступает нормально, но все равно возникает, причина может крыться в датчике, контролирующем уровень воды. Стоит проверить сам датчик, его подключение, а возможно и модуль управления.
Данная ошибка может быть в случае блокировки входного клапана. Его необходимо проверить, при необходимости заменить. Эта же ошибка может появиться в случае утечки воды. Стоит внимательно осмотреть место установки машины. Если появилась лужа — стирку придется перенести до устранения неисправности.
Если машина отказывается сливать воду, необходимо проверить весь сливной тракт. Причиной может быть засоренность фильтра, сливного шланга, его чрезмерный перегиб. К подобным ошибкам ведет поломка или засорение сливной помпы.В редких случаях причиной может стать неисправность контролера.
Машина не греет воду или ее температурные параметры не соответствуют значениям, заложенным в программе. Причины данной проблемы могут крыться в нагревательном датчике или температурном датчике. В любом случае для ремонта придется разобрать устройство, омметром протестировать тэн, при необходимости заменить его. То же касаемо датчика.
Тахогенератор — небольшое устройство, которое устанавливается на двигатель для контроля его оборотов.Чаще всего причинной возникновения данной ошибки служит слетевшая пружинная шайба или обрыв проводников, идущее к устройству.
Источник неисправности — плата контроллера. Для ремонта необходимо извлечь ее и заменить детали, которые вышли из строя.
Нагреватель стиральной машины — один из наиболее уязвимых ее узлов. Контактируя с водой не лучшего качества, он покрывается накипью, она снижает его характеристики. Данная ошибка может означать:
- сгорел или сломался нагреватель;
- не работает прессостат;
- неисправен контроллер;
- поврежден или сгорел датчик температуры.
Для устранения неисправностей необходимо разобрать машину, проверить, а при необходимости заменить нагревательный элемент или неисправный датчик.
Появление любых из этих ошибок сигнализирует о выходе из строя электродвигателя или схемы подключения. Для их устранения необходимо проверить температурное реле и управляющие симисторы на плате. Сгоревшие детали придется заменить.
Ошибки F27 и F28 указывают на невозможность вращения двигателя в обратном направлении и слишком медленном его вращении, соответственно.Для исправления ситуации необходимо проверить, а при необходимости заменить реле реверса и переключения обмоток.
Проблемы с обмотками двигателя диагностировать сложнее. Возможно выгорание одной или нескольких обмоток, обрыв в них, отсутствие контакта, повреждение изоляции. В большинстве случаев двигатель придется менять, исключение — изношенные щетки коллектора.
Чаще всего устройства данных несоответствие электрических параметров сети.Необходимо проверить напряжение в розетке, а также проверить меры по его стабилизации. Не лишним будет использовать для подключения машины стабилизатор.
Ошибки появляются в случае различных сбоев в работе контролера. Для исправления ситуации может потребоваться повторная прошивка модуля, а возможно и полная его замена.
Также причина ошибок может скрываться в неисправной проводке, обрыве одного или нескольких проводов, идущих от модуля управления к исполнительным устройствам и датчикам.В данном случае необходимо «прозвонить» каждый проводник, при необходимости заменить поврежденный.
Датчик фиксирует чрезмерное количество пены, что может стать причиной выхода машины из строя. Необходимо заменить моющее и повторить стирку.
Первая из этих ошибок появляется в случае невозможности нормального выполнения программы из-за неисправности блока управления, вторая из-за невозможности передачи команды от модуля к исполнительным устройствам. Для их устранения необходимо разобрать машину, проверить целостность проводки и компонентов платы контроллера.
Причина — не работает прессостат, датчик контролирующий уровень воды. Необходима замена.
Данная ошибка сигнализирует о том, что попытка обновления через интернет закончилась неудача. Возможно, необходимо проверить настройку роутера или обратиться к провайдеру.
Появление этих ошибок сигнализирует о том, что люк неплотно закрыт или не работает соответствующий датчик. Стоит попытаться открыть люк и заново, если не исчезнет — заменить датчик.
Справиться с большинством поломок стиральной машины Whirlpool можно в домашних условиях. Для этого достаточно небольшого набора стандартного инструмента, умения пользоваться и безусловно, желания. Конечно, не стоит пытаться отремонтировать машину, гарантийный срок которой еще не истек, и не стоит браться за ремонт, не имея опыта работы с электрооборудованием. Важно трезво оценивать свои силы и в случае малейших сомнений обращаться в ремонтную мастерскую.
Автор статьи: Антон Кислицын
Я Антон, имею большой стаж домашнего мастера и фрезеровщика.По специальности электрик. Являюсь профессионалом с многолетним стажем в области ремонта. Немного увлекаюсь сваркой. Данный блог был создан с целью структурирования информации по различным вопросам в процессе ремонта. Перед применением описанного, обязательно проконсультируйтесь с мастером. Сайт не несет ответственности за прямой или косвенный ущерб.
✔ Обо мне ✉ Обратная связь Оцените статью: Оценка 4.5 проголосовавших: 2Ремонт стиральной машинки whirlpool своими руками
Самое подробное описание: ремонт стиральной машинки whirlpool своими руками профессионального мастера для своих читателей с фотографиями и видео из всех уголков сети на одном ресурсе.
В магазинах бытовой техники огромное множество разных моделей и производителей стиральных машин. Одной из таких марок является Whirlpool. Производятся агрегаты в Словакии и Италии. Все агрегаты высоким качеством. Однако бывает случаи, когда необходим ремонт стиральных машин «Вирпул». Стиральная машина — это сложный механизм, который имеет преступник причин поломки и способы ремонта. Сегодня мы рассмотрим самые распространенные неисправности и расскажем, как осуществить стиральной машине «Вирпул» ремонт своими руками.
Важно! По статистике, ремонту подвергается одна машина из пятнадцати.
Одной из самых распространенных причин неисправности у стиральных машин разных производителей отсутствие слива жидкости. Почти каждый человек сталкивался с тем, что агрегат после отработки программы не сливает воду.
Важно! Этот недостаток проявляется и в том случае, если перезапустить функцию на кнопку принудительного слива воды.
Данная ситуация может быть в таких случаях:
| Видео (кликните для воспроизведения). |
- засор в трубе слива воды;
- засор фильтра;
- засор, который возник в канализации;
- поломка электрического насоса, отвечающего за слив воды в стиралке.
Прежде чем делать ремонт стиральной машины «Вирпул», независимо от того, с вертикальной загрузкой или фронтальной, необходимо освободить барабан от воды, которая образовалась при стирке:
- Можно использовать трубку аварийного слива, которая находится рядом с основным шлангом.Для этого необходимо просто открыть пробку и подставить таз.
- Второй способ слить жидкость со стиральной машины — открутить фильтр. Делать это нужно очень аккуратно и снабжаться большим количеством тряпок, так как вся вода (ее там очень много), несмотря на то, что на первый взгляд, там не более пяти литров) хлынет из этого отверстия. При таком сливе подставить таз не получится, так как фильтр расположен в самом низу устройстве.
Для устранения неполадок, необходимо промыть фильтр и шланги от загрязнения и мусора.Канализацию также стоит почистить с помощью гибкого шнура, сделанного из проволоки.
Важно! Вышеперечисленные действия не требуют особых навыков и разборки стиральной машины Whirlpool. Если вы прочистили все трубы и агрегат все равно не заработал, тогда требуется ремонт стиральной машины «Вирпул» — своими руками вы это будете делать или вызовите мастера, решайте, исходя из своих практических навыков.
Для устранения неполадок необходимо разобрать корпус агрегата и добраться до сливного патрубка и муфты.
Как добраться до сливного патрубка:
- Снимаем лоток для моющих средств.
- Отсоединяем стиральную машину от электросети, водопровода и канализации.
- Поворачиваем агрегат и кладем его на бок на ковровое покрытие.
- Открутить болты.
- Снимаем дно.
- Замеряем сопротивление на открытом контактах с помощью мультиметра.
- Если проблема в сливном насосе заменяем старый на новый. Если причина не в нем — двигаемся дальше.
- Немного откручиваем хомуты, которые держат патрубок слива.
- Очищаем от мусора и грязи.
- Устанавливаем на место.
После этих действий вода в машинке будет сходить надлежащим образом. Рассмотрим следующую причину.
Иногда владельцы стиральных машин сталкиваются с тем, что дисплей перестал нормально работать. Поломку дисплея легко определить. Во время стирки будет мигать панель и все кнопки, при этой программе, которая выполняется, ничего не происходит.Она работает так, как должна и должна.
Для проверки панели на исправность состояния необходимо выключить стиральную машину из электросети на пару минут. Если при включении неполадка все так же или проявляется, тогда необходимо вызвать мастера увезти устройство в сервисный центр. Самостоятельно отремонтировать электронную панель — невозможно!
Важно! Есть и другой вариант развития событий — стиральная машина включается, вы выставляете программу, и тут происходит сбой — она полностью отключается и никак не реагирует на ваши действия.
В данном случае скорее всего имеет место другая ситуация, подробно рассмотренная нами в отдельной статье «Выбивает автомат при включении стиральной машины».
Вы задумались над тем, что вам необходим ремонт стиральных машин «Вирпул», так как вода не греется при стирке? Тогда вам необходимо самостоятельно констатировать причину поломки. Если температура не соответствует заявленной при выборе программы, тогда единственной причиной является поломка ТЭНа или термистора.
Важно! Запом, что поломка ТЭНа в 90% случаев вызвана плохим качеством воды и отсутствием ухода за техникой во время ее эксплуатации. А ведь можно легко предупредить такую неисправность, если:
- регулярно выполнять профилактику стиральной машины;
- время от времени специальными или хотя бы подручными средствами удаления накипь.
В любом случае необходимо диагностировать неисправность.
- С помощью отвертки откручиваем болты, которые держат заднюю крышку.
- Снимаем кронштейн, который мешает подобраться к ТЭНу.
- Перед вами находится ТЭН — это металлическая пластина с контактами и проводами.
- Отсоединяем провода.
- С помощью специального прибора — мультиметра, замеряем сопротивление.
- Меряем сопротивления нагревательного элемента.
На данном этапе вы заметите, что показания равны нулю. В таком случае необходимо произвести стиральной машине «Вирпул» ремонт своими руками, а именно замену ТЭНа.Для этого вам необходимо снять старый нагревательный элемент.
Важно! За определить поломку ТЭНа можно и без мультиметра. Пластина настолько пригорает к поверхности, что образует толстый слой накипи, который может быть толщиной до одного сантиметра.
При сильной накипи и невозможности отсоединить пластину с первого раза необходимо воспользоваться специальным средством WD-40.
ТЭН устанавливается на резиновую прокладку, которую также необходимо заменить при поломке нагревательного элемента.Это вызвано тем, что не замененная резинка в процессе эксплуатации может протекать, что приведет к серьезным последствиям.
После того, как вы установили новый ТЭН, к нему необходимо заново подключить все провода и закрутить. Поставить на место заднюю крышку. Попросту говоря, процесс сборки такой же, как и разборки, только в обратную установку.
Одной из самых распространенных проблем является протечка воды из окошка во время работы какой-либо программы.Прежде чем задуматься о ремонте стиральной машины «Вирпул», необходимо точно знать причину появления этой неисправности.
| Видео (кликните для воспроизведения). |
Вода может вытекать из люка только по плохой резиновой манжеты, которая зафиксирована с внутренней стороны окошка. Данная деталь предназначается для того, чтобы не пропускать воду.
Важно! Необходимо постоянно следить за чистотой резинки.Так, при стирке в нижней части манжеты собирается постоянно грязь и небольшое количество воды. Вследствие этого резина может лопаться, трескаться и пропускать воду.
- Открываем люк настолько, насколько возможно.
- Небольшой отверткой поддеваем пластиковый держатель, в котором закреплена резинка.
- На резиновой подкладке находим болт — это место крепления манжеты.
- Раскручиваем болт, тем самым, расправляя манжету.
- С небольшой силой тянем на себя манжету, и она вам поддастся.
- Аккуратно вставляем новую резинку. Не рекомендуется использование острых предметов на этом этапе.
- Одеваем хомут.
- Закручиваем болт.
- Пользуемся стиральной машиной.
Важно! При покупке новой манжеты, мы рекомендуем остановить свой выбор на оригинальной модели, которая производится Словакией или же Италией. Не покупайте дешевые манжеты, которые не прослужат вам долго и нанесут больший вред устройству.
Для того, чтобы не задумываться о ремонте стиральной машины «Вирпул» своими руками, стоит постоянно ухаживать за агрегатом. А именно:
- поставить сетевые фильтры, которые будут защищать все электронные детали и контакты;
- чистить фильтры после нескольких стирок;
- протирать манжету;
- проверять карманы перед стиркой;
- пользоваться только специальными средствами для стирки;
- рассчитывать правильно вес постельного белья.
к содержанию ↑
Тогда техника Whirlpool прослужит вам очень долго!
Сегодня практически в каждом многоквартирном доме можно встретить стиральную машинку марки Whirlpool, и не одну. У нас распространены обе сборки: Словакия и Италия. Последние покупаются реже и стоят дороже, а вот машины, собранные в Словакии, можно встретить во всех магазинах бытовой техники.
Пожалуй, именно европейские стандарты сборки помогли машинам Вирпул зарекомендовать себя как машины высокого качества и завидной долговечности. Именно поэтому ремонт требуется редко, но если и случаются поломки, то часто ремонт стиральных машин Whirlpool (Вирпул) можно провести своими руками.
Если перечислять основательно все возможные поломки СМА, мы вынуждены будем написать целое руководство в 10 томах. Поэтому остановим внимание только на неисправностях, типичных для этого бренда.
Мы собрали данные из авторитетных сервисных центров, чтобы создать ценные инструкции для тех, кто сделал ремонт стиральной машины Вирпул своими руками.
- После стирки вода стоит в баке.
- Зависают режимы стирки, не запускаются совсем, или программы выполняются со сбоями.
- Все режимы стирки проходят в холодной воде.
- СМА протекает в зоне люка.
Важно! За этим на первый взгляд безобидными неисправностями могут скрываться серьезные поломки.Их нужно устранить сразу же, чтобы не сломать СМ окончательно.
Исходя из описанных выше проблем, можно наиболее уязвимые места стиральных машин Вирпул. Во многих современных моделях система самодиагностики, которая при помощи кода неисправности сообщит вам о том, какая деталь вышла из строя.
Но что делать, если машинка не включается совсем, и нет ничего, что помогло бы вам выяснить причину поломки? Послушайте советы бывалых ремонтников, они уверены, что самые уязвимые детали в машинка Вирпул такие:
- Термоэлектрический нагреватель — ТЭН.
- Двигатель и его подвижные элементы.
- Манжета люка, патрубки.
- Контроллер (модуль управления).
Внимание! Машины Whirlpool, как и любые другие машины, «страдают» засорами. Засоряются как фильтры, так и шланги. Если своевременно выполнять чистку (3-4 раза в год), то можно избежать поломок системы слива и залива воды.
Наверное, вам знакома ситуация, когда вы загрузили белье в бак, выбрали удобный режим стирки, ушли по своим делам на кухню, затем пришли достать белье, а там катастрофа.Машину глючит: в ней полно воды и пены, стирка не закончилась, белье мокрое.
Вы перезапускаете программу, но всё по кругу — программа стирки не выполняется, потому что вода остается в барабане. Такая проблема вызывается одним из трех факторов:
- Скопился мусор в патрубке слива воды или фильтре слива.
- Засор шланга слива или засор в системе канализации.
- Поломка электронасоса слива (помпы).
, прежде чем посвятить время поиску причин сбоя, подготовьте к этому свою СМА:
- Отключите питание.
- Вручную слейте воду, оставшуюся в барабане. Это можно сделать быстро, используя шланг аварийного слива — он обычно расположен возле фильтра слива воды.
- Подставьте емкость или постелите тряпку на пол — и туда вытечет отработанная вода.
Далее извлекаем фильтр отработанной воды:
- Подложите тряпку или поставьте емкость под люк, за которым расположен фильтр.
- Открутите пробку против часовой стрелки.
- Прочистите и промойте агрегат под краном.
- Установите все на место.
- Скрутите шланг слива, почистите и промойте его, установите на место.
Не помешает проверить и канализацию на предмет засора.
провести все действия, вам не нужно знать, как разобрать стиральную машину Вирпул, — это легкая работа, может сделать любой пользователь.
Если ваше действие не помогло избавиться от проблем, система слива чистая, в канализации нет засора, а стиралка все равно не сливает воду из бака, ее придется все-таки разобрать.Истинная причина поломки может скрываться в помпе и сливном патрубке.
Важно! Практически все модели Вирпул устроены таким образом, что до помпы и патрубка можно добраться только со дна. Придется переворачивать машину на бок.
Как найти, проверить и прочистить помпу и патрубок:
- Извлеките кюветку для моющих средств.
- Отключите машину от всех систем: электро- и водоснабжения, канализации.
- Переверните СМА, положив ее на боковую стенку.
- Открутите болты и снимите дно.
- Вооружитесь тестером и замеряйте сопротивление помпы.
- Обнаружив проблему, меняйте помпу.
- Если помпа не при чем, то действуйте далее.
- Ослабьте хомуты патрубка слива воды.
- Снимите патрубок.
- Прочистите и промойте его.
- Установить патрубок обратно.
Эта поломка характерна для машин с любым типом загрузки. Устройство стиральной машины Вирпул с вертикальной загрузкой несколько, чем у обычных СМ, но решать проблему с ней нужно по той же схеме.
Нередко после запуска стиралки панель управления начинает вести себя неадекватно: дисплей моргает, а вместе с ним мигают все светодиоды. Также может не срабатывать выбранная вами программа.
Если это ваш случай, то срочно выключайте СМ, и ожидайте 60 секунд. После включения ее и, если проблема не устранена, стоит вызвать мастера, так как поврежден модуль управления, а починка своими руками невозможна. Вам понадобится не только схема модуля управления стиральной машины Вирпул, но и опыт в подобном ремонте.
Если же стиралка не хочет нагревать воду и плохо отстирывает белье, то можно без помощи особых приспособлений определить поломку и осуществить ремонт.
Самая верная причина такого поведения — это поломка термистора (температурного датчика) , но выйти из строя и ТЭН. Как бы то ни было, проверять стоит оба элемента в комплексе. Далее действуйте по такой нехитрой схеме:
- Поверните машинку так, чтобы перед вами была передняя стенка — так будет удобнее вести работы.
- Выкрутите болты и снимите заднюю панель.
- Далее снимите кронштейн, отвинтив болты, чтобы он не мешал работать с нагревателем.
- Сразу весь ТЭН вы не — увидите под баком виден только его хвостовик, к которому идут четыре провода, два из подключенных к самому нагревателю, а остальные — к термодатчику.
- Снимите все провода.
- Берите тестер и измеряйте сопротивление контактов термодатчика. Проверьте показатели при комнатной температуре, нагреватель в теплой воде.
- Далее мерное сопротивление на самом нагревательном элементе. Его нормальные показатели: 20-40 Ом.
При такой проблеме поломка, скорее всего, подтвердится, поэтому придется заменить датчик (что проще) или же ТЭН.
Важно! Если у вас нет под рукой тестера, сразу доставайте ТЭН из бака, открутив крепеж. Вы быстро определите неисправность, если ТЭН покрыт толстым слоем накипи, или по нему пошли темные пятна. Если накипи совсем чуть-чуть, то ТЭН, возможно, и не сгорел, а если водный камень толщиной в 1 см и более — поломка налицо.
Своими руками легко меняете ТЭН следующим образом:
- Контакты и провода уже сняты, поэтому далее снимайте пластиковый щиток.
- Отвинтите крепление — оно находится по центру хвостовика.
- Аккуратно потянув за контакты, расшатывая нагреватель в разные стороны, извлеките ТЭН. Помехой будет резиновая прокладка, поэтому проявите терпение — тут ничего не поделать.
- Достав ТЭН, снимите и прокладку.
Важно! Механики рекомендуют вместе с новым нагревателем ставить и новую прокладку, как протечки из-за износа прокладки губительны для этого важного узла.
- В том отверстии, где был ТЭН, наверняка есть сор и накипь, поэтому проведите генеральную чистку; только после этого можно ставить прокладку.
- Установите новый ТЭН, закрутите крепление.
- Установите на место пластиковый щиток.
- Подключите контакт к нагревателю и датчику.
- Восстановите местоположение кронштейна, и, наконец, смонтируйте назад панель машинки.
Когда в режиме стирки или полоскания из-под дверцы стиральной машинки-автомат Вирпул протекает вода, то это начинается незаметно — сначала пару капель, потом тонкая струйка, а рано или поздно и вовсе начинается потоп.
Вам не понадобится схема стиральной машины Вирпул, чтобы найти манжету — виновницу поломки. Ее видно и невооруженным глазом — это большая резиновая прокладка в вашей СМ. Она используется по всему внутреннему периметру люка, и главная ее задача — не пропускать воду.
Самое уязвимое место уплотнителя — внизу, потому что грязная вода часто остается там. Если периодически не наводить порядок, манжета может лопнуть. Достаточно чуть задеть износившийся уплотнитель, чтобы он порвался — вот тогда-то протечки не избежать.
Важно! Нельзя пользоваться машинкой с порванной манжетой — она не сможет удержать воду. Если обнаружен прорыв, манжету нужно менять СРОЧНО.
Если вы привыкли проводить ремонт в домашних условиях, демонтируйте старую и монтируйте новую манжету.
- Откройте крышку люка как можно шире.
- Вооружитесь шлицевой отверткой и подцепите проволочный хомут — он расположен поверх манжеты.
- Поддев хомут, подведи под него отвертку поглубже и двигайте ее по кругу, пока не наткнетесь на соединитель с крепежом.
- Ослабьте хомут и снимите его.
- Возьмите двумя руками уплотнитель и, потянув на себя, достаньте его.
К сведению пользователей: покупайте манжеты у официальных дилеров. Оригинальная деталь встанет в паз люка четко до миллиметра и защитит бак от протечек.
- Распакуйте деталь и вставьте ее в паз.
Важно! Не пользуйтесь ничем острым, дабы не порвать уплотнитель — все делайте ТОЛЬКО руками.
- Как только резинка встанет на свое место, быстро накиньте хомут и затяните его.
- Проверяйте, нормально ли закрывается и открывается люк.
- Запустите стирку в тестовом режиме.
- Если под машинкой сухо, поздравляем, вы справились «на отлично»!
Если вода течет в машинке вертикального типа, то причина может быть совсем не в люке — он в ней находится сверху. Скорее всего, понадобится разборка стиральной машины Whirlpool с вертикальной загрузкой для причиннения протечки.
Есть еще ряд причин, по которому может течь стиралка:
- Течет помпа.
- Разгерметизация бака — трещина, пробоина, коррозия.
- Повреждены патрубки слива или забора воды.
- Разгерметизация соединения патрубка залива воды.
- Разгерметизация патрубков, соединяющих впускной клапан и кюветку для порошка.
- Износ сальника.
- Засор в бункере дозатора.
- Износ сливной трубки бака.
Большинство этих поломок несложные, и для устранения протечки можно провести ремонт самостоятельно.Самое главное в этом случае — правильно продиагностировать проблему. В этом вам помогут коды неисправностей.
На табло могут гореть такие коды: F01 или FH, F02 или FA, F03 или FP, F14, FDL, FDU.
Если у вас остались вопросы по ремонту поломок стиральных машин марки Вирпул, читайте другие наши материалы, в которых мы подробно разбираем каждую отдельную неисправность.
В этой статье мы рассмотрели только типичные поломки, которые можно устранить без помощи ремонтника.А если вам интересно, как поменять подшипник на стиральной машине Вирпул, смотрите также специальное видео:
Не всегда техника ломается в гарантийный срок. Поэтому пользователю самостоятельно решать вопросы по восстановлению работы стиралки. Ремонт стиральных машин Whirlpool можно провести самостоятельно. В публикации мы предоставим пошаговое руководство по устранению неполадок. Для этого вам понадобятся руки и небольшой набор инструментов.
Все чаще на наши рынки поступают стиралки Whirlpool словацкой сборки, реже — итальянской. И хотя пользователи этой техники обращаются в сервисы в 15 раз реже, чем владельцы других марок, поломки все же случаются.
Поиск неполадки облегчается со встроенной диагностической системой. Выход из строя или детали СМА отображается на экране кодом ошибки (FH, F02, F05, F06, F07, F09, F10, F11, F13, F14, F15, Sud, FdL, FdU). Значение кода можно узнать в инструкции, после чего приступать к ремонту прибора.
Какие коды неисправностей чаще всего других:
- F02 — не уходит вода из бака.
- FH / F09 — перелив, проблемы с прессостатом.
- F06 — неполадки с двигателем или таходатчиком.
- FdL / FdU — проблемы с блокировкой люка.
. Но даже если ошибка не выбилась на дисплее, определить поломку можно по индивидуальному признакам. Теоретически в стиралке может сломаться что угодно. Мы перечислим только типичные неисправности, с которыми обращаются чаще всего.
- Проблемы с описанием . Стирка проходит в холодной воде, белье плохо отстирывается и полоскается.
- Неисправность двигателя . Барабан плохо вращается либо совсем не крутится. Вещи не отжимаются. Возможно, причина в износе щеток мотора.
- Течь из-под люка . Повреждение или износ уплотнительной манжеты, коррозия металла.
- Поломка электронной платы . Машинка не включается либо работает со сбоями, программы неправильно активируются.
- Не сливается вода из бака . Причина в засорах, неполадке насоса.
В половине случаев ремонт проводится самостоятельно, в домашних условиях. Как? Об этом ниже.
Начните работу с подготовки техники. Это касается и вашей безопасности: отключите машину от сети, перекройте впускной вентиль подачи воды. Теперь можно разобраться в причине неполадки и определиться, с чего начинать ремонт.
Вполне вероятно, что вы столкнулись с такой ситуацией: загрузили белье, запустили стирку, а в конце машина отказалась сливать воду.На это может быть три причины:
- Засор сливного патрубка или фильтра.
- Забились шланг или канализация.
- Вышел из строя насос.
Проверить систему на засор можно без разборки СМА. Начните с выкручивания фильтра:
- Под загрузочным люком находится маленькая дверца.
- Откройте ее, подставьте емкость.
- Выкрутите пробку фильтра против часовой стрелки.
Удалите мусор из сетки фильтра.В открывшееся посадочное отверстие можно осмотреть крыльчатку помпы. Иногда она блокируется волосами, нитками, которые наматываются на ее ось. Прочистите крыльчатку от мусора.
Теперь проверьте шланг. Прямое подключение к канализации часто приводит к ее засору. Гораздо лучше соединять сливной шланг с сифоном. Его легче прочистить при необходимости.
Чистка канализации проводится специальными средствами либо необходима помощь сантехника.
Если детали прочищены, но слив не улучшился, значит, проверяйте патрубок и насос.Для этого нужно уложить корпус стиралки набок.
- Достаньте дозатор для порошка.
- Положите на пол старое одеяло или полотенце.
- Переверните корпус СМ набок.
- Разожмите хомут патрубка. Снимите его с места, прочистите от засора. Можно промыть деталь теплой водой.
- Проверьте помпу. При неисправности проводится замена: отсоедините проводку от контактов насоса, выкрутите крепежные болты.
Ваши вещи хорошо избавляются от загрязнений благодаря высокой температуре и моющему средству.В холодной воде порошок не растворяется полностью, поэтому пятна плохо отходят. За нагрев в стиральной машинке отвечает ТЭН. Частой причиной его поломок становится накипь. Чтобы проверить или заменить элемент, поступите так:
- Снимите верхнюю крышку, открутив сзади саморезы.
- Уберите болты по периметру задней крышки. Снимите ее.
- Под баком находится ТЭН.
- Отключите проводку, вытащите термистор из корпуса нагревателя.
- Проверьте нагреватель на исправность (подробно о процессе диагностики читайте «Как проверить ТЭН в СМА»).
- Если элемент вышел из строя, тогда скрутите центральную гайку и продавите внутрь болт.
- Достаньте старый ТЭН, прочистите его гнездо от мусора и накипи.
- Новый нагреватель.
Установлены установленные на новый ТЕН старую прокладку, если она цела. Мы рекомендуем прокладку тоже поменять, чтобы исключить риск протечки и новой замены.
Заметили медленное вращение барабана? Вещи на выходе остаются мокрыми и не отжатыми? Пора проверить состояние щеток двигателя и приводного ремня.
В коллекторных моторах ток на ротор подается через щетки. Установлены они по бокам корпуса. Стержни элементов из мягкого материала изнашиваются, что приводит к остановке работы.
- Демонтируйте заднюю стенку.
- Снимите приводной ремень. Осмотрите его. При растяжении и износе деталь подлежит замене.
- При первичной замене щеток мотор лучше достать из корпуса.
- Отсоедините его проводку, выкрутите болты.
- Отключите клеммы щеток, достаньте их из корпуса.
- При экспоре больше чем наполовину требуется замена. Вставьте новые детали в отверстия, закрепите проводку.
Проблемы с отжимом могут быть связаны с износом подшипника. При этом слышны посторонние звуки: скрип, гул.
Стиралки семейства «Вирпул» имеют неприятную особенность — быструю коррозию корпуса. Некоторые части машин изготовлены из металлов, которые быстро поражаются коррозией, что может привести к протечке. Поврежденные панели нужно менять, окрашивание им не поможет.
Течь может из манжеты люка. Резина чувствительна к длительным скоплениям влаги. Если ее не протирать вовремя, манжета изнашивается, трескается и дает течь. Поможет только полная замена.
- Отогните уплотнитель. Подденьте отверткой хомут, снимите с места.
- Заправьте резину внутрь барабана.
- Чтобы убрать внутренний хомут, можно демонтировать переднюю панель либо ослабить винт хомута через верхнюю крышку.
- После этого аккуратно снимите резину.
Монтаж новой резины проводится в обратном порядке. Для облегчения установки смажьте край моющим средством.
Проблемы с частью электроники проявляются в торможении устройства, неправильном запуске программ, «глюках». Для ремонта требуется схема модуля управления.
Эту работу лучше доверить мастеру. А осмотреть плату можно самостоятельно:
- Уберите верхнюю крышку.
- Достаньте лоток для моющих.
- Выкрутите болты по периметру панели управления.
- Отключите проводку от модуля.
- Снимите верхнюю защиту, защиту расстегнув защелки.
Подгары или окисления на поверхности платы говорят о неполадке. Отнесите деталь в сервис или вызывайте специалиста на дом.
Не только фронтальные модели подвержены поломкам. Однако проведение ремонтных работ описано только для них. Мы решили исправить эту оплошность.
Примерно все вертикалки устроены одинаково:
В таких машинах чаще изнашиваются подшипник и другие детали, потому что все узлы расположены близко друг к другу.Чтобы отремонтировать неполадку, к ней еще нужно добраться.
Как разобрать стиральную машину «Вирпул»:
- Отключите прибор от сети и водопровода.
- Плоской отверткой подденьте защелки панели управления. При необходимости вытащите фишки проводки.
- Чтобы снять верхнюю панель, выкрутите сзади саморезы. Поднимите ее вверх, закрепите тесемкой или цепочкой, чтобы крышка не падала.
- Расстегните защелки балансировочного кольца на центрифуге.Уберите его в сторону.
- Выкрутите винт и достаньте активатор центрифуги.
- Скрутите шайбу оси и достаньте барабан из бака.
Сборка проводится в обратном порядке. По ходу вы сможете осмотреть и заменить элементы.
Если ваше устройство вертикалки отличное от описанного, посмотрите видео о том, как поменять подшипник на машине с вертикальной загрузкой:
Берегите свою технику и ухаживайте за ней.Тогда не придется ее ремонтировать. Стандартные правила использования в инструкции.
В настоящее время на рынке стран присутствуют, в основном, стиральные машины Whirlpool собранные в Италии или Словакии. Итальянские машины довольно дороги и встречаются реже, а вот словацкие стиралки имеются в каждом магазине бытовой техники. Возможно счетчики европейской сборки, такие машины ломаются нечасто и ремонт стиральных машин Whirlpool, требуется одному из 15 владельцев такой техники.Тем не менее, изучить его особенности нужно, ведь мало ли что!В любой сложной технике, тем более бытовой, может сломаться все что угодно. Если перечислять все без исключения возможные поломки современных автоматических машин Вирпул и описывать их устранение, можно об этом книгу написать. Поэтому мы в рамках статьи расскажем только о типичных дефектах, которые по статистике предоставленной сервисными центрами встречаются чаще всего.
- Вода из машинки не уходит после стирки.
- Программы стирки глючат, не работают, как должны, либо вообще не активируются.
- Вода, набранная для стирки, не нагревается согласно заданной программе.
- Вода подтекает во время стирки из-под закрытой крышки люка.
Обратите внимание! В этих типичных признаках поломок зашифрованы серьезные неисправности, устранение которых первостепенная неисправность, поскольку иначе стиральная машина Вирпул может сломаться окончательно.
Наверное, и с вами такое было, закладываете белье в барабан, ставите любимую программу стирки и уходите в другую комнату делать домашние дела.Через некоторое время приходите, машинка зависла, в ней полный бак мыльной воды и стирка конечно не завершена. Перезапускаете машинку, история повторяется, стирка не может завершиться, поскольку вода из бака не уходит. Как поступить в такую ситуацию, и в чем причина проблемы? Основных причин три:
- возник засор в сливном патрубке или сливном фильтре;
- возник засор в сливном шланге или канализации;
- сломался электрический сливной насос.
Подготовить ее, а именно отключить и слить воду из бака вручную. Быстро и безопасно удалить всю воду из бака можно через шланг аварийного слива , который находится рядом со сливным фильтром. Нужно подставить под шланг таз или другую емкость и открыть пробку и вся вода сама вытечет. Далее приступим к поиску поломки, двигаясь от простого к сложному.
- Подкладываем емкость или тряпку под отверстие сливного фильтра и откручиваем пробку. Чистим фильтр от грязи и ставим пробку на место.
- Аккуратно откручиваем сливной шланг и чистим его от грязи, затем прикручиваем на место.
- Проверяем, не засорилась ли канализация.
Вышеуказанные действия не предполагают разборки стиральной машины Вирпул, поэтому после проведения «генеральной» чистки запустить заново машину. Если ничего не изменилось и машинка по-прежнему отказывается сливать воду, значит, придется лезть в ее корпус.
Важно! Почти во всех моделях стиральных машин Вирпул, чтобы добраться до сливного патрубка и помпы нужно лишь перевернуть машину на бок и снять дно.
Чтобы добраться до интересующих нас деталей, выполним следующие действия:
- вынимаем лоток для порошка;
- отсоединяем машинку от водопровода, канализации и электросети;
- кладем машинку на бок;
- откручиваем крепежные элементы и убираем дно;
- берем мультиметр и замеряем сопротивление на контактах помпы;
- меняем сливной насос на новый, если проблема не в нем, то переходим к следующему этапу;
- ослабляем хомуты сливного патрубка и снимаем его;
- чистим от засоров и ставим на место.
Бывает так, что после включения стиральной машины ее панель управления словно сходит с ума. Дисплей начинает мигать, а ему вторят все лампочки и индикаторы тумблера. При этом программа стирки может и не выставляться. Если вы столкнулись с подобным, немедленно отключите машинку от сети и подождите около 1 минуты. Затем снова включите стиральную машину Вирпул и если проблема повториться — вызывайте мастера. Тут дело в плате управления, а чинить ее своими руками крайне сложно, лучше даже не тратить время и силы.
А вот в случае, если ваша машинка отказывается от стирать в теплой воде, то можно не только самостоятельно определить неисправность, но и устранить ее своими руками, без помощи специалиста. Вероятнее всего причина кроется в нагревательном элементе или термисторе. Действуем следующим образом.
- Разворачиваем стиральную машину задней стенкой к себе, так чтобы было удобно.
- Откручиваем болты и снимаем заднюю стенку машинки.
- Отвинчиваем кронштейн, который будет мешать работать с тэном.
- В нижней части бака мы увидим два торчащих контакта — это тэн. К нему подходит четыре проводка, два посередине к термистору и два по краям к тэну, нужно их все отсоединить.
- Берем мультиметр и замеряем сопротивления контактов термистора.
- Если все в порядке, замеряем сопротивление на тэне.
В данном случае вы, скорее всего, обнаружите неисправность, и придется произвести замену нагревательного элемента. Обычно при извлечении тэна из бака причина поломки сразу проясняется, поскольку поверхность нагревательного элемента сплошь покрывается накипью. Если накипи немного, то тэн от нее не сгорит, другое дело, если слой водного камня больше сантиметра — это приводит к поломке элемента стиральной машины Вирпул. Произведем замену тэна своими руками.
- Контакты с проводами мы уже сняли, теперь открутим пластмассовый щиток.
- Далее откручиваем болт, который находится между большими контактами тэна.
- Беремся руками за контакты тэна и вытягиваем его на себя, если тэн не идет, его аккуратно покачать. Резиновая прокладка будет немного мешать, но ничего не поделаешь
- Вытащив тэн, убираем и прокладку.
Обратите внимание! Специалисты рекомендуют не устанавливать новый нагревательный элемент на старую резиновую прокладку, лучше вместе с тэном поменяйте и ее, поскольку протечка для данного элемента — это самое страшное.
- Вытаскиваем из образовавшихся отверстий грязь и куски накипи, тщательно чистим края, а затем вставляем новую прокладку.
- Вставляем новый тэн и прикручиваем его.
- Прикручиваем пластмассовый щиток.
- Подключаем контакты с проводами к термистору.
- Подключаем контакты с проводами к тэну, ставим на место кронштейн и заднюю стенку.
Если во время стирки и полоскания из-под люка вашей стиральной машины Whirlpool подтекает вода, сначала немного, несколько капель, потом все больше и больше, то нужно внимательно осмотреть самую крупную резиновую прокладку в машине — манжету.Манжету невозможно не заметить, поскольку она опоясывает отверстие люка и служит для того, чтобы не выпускать воду из бака наружу.
Особенно обратите внимание на нижний край манжеты, поскольку грязная вода часто скапливается там. И если ее не вытирать, то резина манжеты в этом месте начинает трескаться и лопаться. В дальнейшем, стоит ее чуть задеть и она рвется. Порванную манжету эксплуатировать нельзя, поскольку воду она не удерживает, придется менять. Для начала правильно демонтируем старую манжету.- Открываем крышку люка как можно шире.
- Внутренняя среда, внешняя манжета и удерживает ее.
- Как только удастся его поддеть, подводим под него отвертку посильнее и начинаем продвигаться по кругу до тех пор, пока не найдем соединительный элемент с болтиком.
- Ослабляем хомут и убираем его в сторону.
- Беремся за манжету обеими руками и с усилием вытаскиваем ее наружу.
Обязательно на замену приобретайте только оригинальную ману, которая четко подойдет в паз люка этой модели стиральной машины Вирпул, иначе могут возникнуть проблемы.
Распаковываем новую манжету и запихиваем ее в паз. Не использовать никаких острых инструментов вроде отвертки. Как только удастся посадить манжету на место, накидываем на нее хомут, затягиваем его. Проверяем, чтобы люк закрывался нормально, и запускаем пробную стирку.Подводя итог, отметим, стиральные машинки Whirlpool европейской сборки относительно надежны и типовых поломок у них не так много. Чаще проблемы возникают из-за того, что сам пользователь плохоаживает за своей «домашней помощницей», не чистит вовремя шланги и фильтры, не протирает манжету, и все это ухо в итоге выливается в неисправность. Берегите стиральную машину, и ее не придется часто ремонтировать!
Автор статьи: Антон Кислицын
Я Антон, имею большой стаж домашнего мастера и фрезеровщика.По специальности электрик. Являюсь профессионалом с многолетним стажем в области ремонта. Немного увлекаюсь сваркой. Данный блог был создан с целью структурирования информации по различным вопросам в процессе ремонта. Перед применением описанного, обязательно проконсультируйтесь с мастером. Сайт не несет ответственности за прямой или косвенный ущерб.
✔ Обо мне ✉ Обратная связь Оцените статью: Оценка 4.8 проголосовавших: 6Ремонт Стиральных Машин Whirlpool в Киеве
В последнее время в интернете появляется немало роликов о том, как самостоятельно привести в порядок бытовую технику.Казалось бы, владельцам стиральных машин Whirlpool необязательно приглашать мастера, ведь ремонт можно выполнить своими руками. Однако этот подход не работает по трем причинам:
- даже в Киеве сложно достать оригинальные запчасти к стиральным машинам Вирпул;
- часто провести диагностику, поскольку не знакомы с особенностями конструкции бытовых приборов;
- операции, которые занимаются у людей опытных мастеров из видеоролика, занимают пару секунд, у людей без навыков ремонта могут отнять больше часа.
Если вы хотите отремонтировать стиральную машину Whirlpool быстро, вызовите на дом опытного специалиста. Это сэкономит массу сил, времени и денег.
Когда пора приглашать мастера
показывает, что обращаться к специалисту стоит только в серьезных случаях. Но опыт сотрудников сервисного центра «Ремонт на дому» убеждает в обратном: чем быстрее вы избавитесь от простейших поломок, тем меньшей ценой ремонта, поскольку не пострадают самые важные дорогостоящие элементы конструкции.Если вы наблюдаете странный шум во время стирки или отжима, обнаруживаете на полу небольшие лужицы воды или закрываете дверцу только с пятой попытки, пригласите мастера по ремонту стиральных машин Whirlpool.
Быстро, выгодно, с гарантией!
Обратившись в сервисный центр «Ремонт на дому», вы сможете починить стиральную машину Whirlpool прямо в день подачи заявки. При этом вам не придется переплачивать за срочность или визит специалиста в любом районе Киева. Все работы выполняются в течение 24 часов с момента обработки заказа.
Самый простой способ узнать цены на ремонт тех или имеющихся деталей стиральных машин Whirlpool — ознакомиться с нашим прайсом. Расценки никогда не превышают средний уровень по Киеву, так что заказчики неизменно остаются взаимольными взаимовыгодным сотрудничеством.
Гарантия на ремонт стиральных машин Вирпул длится от 3 до 12 месяцев. Если во время этого произойдет повторная поломка, мастера оплачивать не придется. Высокое качество услуг объясняется тем, что мы заменяем сломанные комплектующие новыми деталями, которые могут долго работать без сбоев.Обращайтесь, и ваша бытовая техника квалифицированное сервисное обслуживание. Заявки принимаются по телефону или с помощью онлайн-формы.
Ремонт стиральных машин Whirlpool в Киеве
Многие владельцы, даже не имеющего опыта в ремонте бытовой техники, пытаются восстановить работу своей стиральной машины. Ведь система самодиагностики указывает неисправный узел, а разборка стиральной машины Вирпул описана в Интернете. В большинстве случаев такие попытки в лучшем случае заканчиваются лишь потерей времени, а в худшем — дополнительной рукотворной поломка.Затруднения при попытке выполнить ремонт стиральной машины Whirlpool самостоятельно, чаще всего используется по следующим причинам:
очень сложно найти оригинальные запчасти именно к такие модификации машины;
даже расшифровав код, владельцу сложно определить неисправный узел, так как при разных поломках могут быть выведены одинаковые коды;
некоторые шаги ремонта, даже подробно описанные в Сети, иногда выполнить очень трудно, без специальных приспособлений и инструмента просто невозможно.
Даже если владелец и восстановит работу стиралки, то займет это в разы больше времени, чем ремонт стиральной машинки Whirlpool выполнит профессиональный мастер.
В каких случаях ремонт стиральных машин Вирпул лучше доверить мастеру
Основные владельцы стиральных машин считают, что обращаться в сервисцентр нужно только в самых сложных случаях, а простейшие неисправности можно устранить самостоятельно или игнорировать. Но как показывает практика, вовремя не отремонтированная мелкая неисправность приводит к серьезному повреждению других узлов и ремонту стиральных машин Whirlpool обходится намного дороже.Особенно это касается моделей AWE 2221, AWE 6415, имеющих некоторые особенности конструкции.
Поэтому если стиралка начала издавать странные звуки, шумы или скрежет, появиться под лужу или дверца люка стала плохо закрываться — не теряйте времени. Обращайтесь в сервисном центре ниже центра стиральных машин Whirlpool, Киев находится в более выгодном положении — здесь сосредоточены мастерские страны, а цены ниже в регионах.
Где выгоднее выполнять ремонт стиральных машин Вирпул в Киеве
Многие не спешат обращаться в сервисцентр из-за необходимости транспортировать стиралку в мастерскую.Ведь это дополнительные хлопоты и затраты. Но имеется способ обойтись без этой неприятной процедуры: если вы владелец стиралки Whirlpool, ремонт стиральных машин наш сервисцентр на дому.
Обратившись к нам, вы уже в этот же день сможете снова пользоваться своей помощницей. Максимальный срок выполнения заказов — одни сутки.
Мы принимаем заказы со всех заказов города и ремонтируем все модели, включая популярную AWE 7515.
Чтобы вызвать мастера на дом достаточно позвонить по телефону или оставить сообщение в специальном окне на Интернет-сайте.Диспетчер свяжется с вами, уточнит характер поломки и отображаемый код ошибки и удобное время визита мастера. Мы используем только оригинальные запчасти, благодаря чему на выполненные работы и установленные детали мы предоставляем длительную гарантию.
Ремонт стиральных машин WHIRLPOOL (Вирпул) в Ярославле на дому
Наши специалисты качественно и быстро произведут ремонт Вашей стиральной машины WHIRLPOOL.
Их большой опыт в своем деле позволит ремонт любой сложности.Кроме того, мы дадим гарантию на ремонт машины на целых 6 месяцев! Наша мастерская отвечает всем требованиям. Мы предлагаем вам качественные запчасти от производителя, выезд на дом мастера и гарантию на ремонт по самой выгодной цене.
ОСТАВИТЬ ЗАЯВКУ
Какие виды стиральных машин мы ремонтируем:
- Ремонт вертикальных стиральных машин WHIRLPOOL;
- Ремонт горизонтальных стиральных машин.
С чего начинается ремонт стиральных машин WHIRLPOOL на дому?
Любой ремонт начинается с оценки ситуации, насколько сложный ремонт требуется и можно ли починить самостоятельно.Очень часто вызов мастера не требуется, необходимо лишь прочесть инструкцию по эксплуатации. Например, часто из-за того, что покупатель забыл расфиксировать транспортные болты, машина начинает сильно прыгать в процессе стирки и отжима белья.
Признаки неисправности стиральной машины Ардо
- Загрузочный люк не открывается или не закрывается;
- Не запускается программа стиральной машины;
- В барабан не заливается или не сливается из барабана вода;
- Барабан машины не вращается;
- Машина не отжимает белье после стирки;
- Вода не нагревается;
- Машинка WHIRLPOOL сильно шумит;
- Из стиральной машины подтекает вода;
- В баке обнаружен посторонний предмет.
Чаще всего у стиральных машин WHIRLPOOL обнаруживают следующие неисправности:
- Не сливает воду. Самая распространенная поломка всех моделей стиральных машин Вирпул. Чаще всего машина не сливает воду в случае неисправности сливного насоса, если сливная система засорилась, или в результате неисправности электронного модуля. Данные неисправности связаны между собой. Если сливная система засорилась, то в патрубок насоса может попасть посторонний предмет, который приведет к поломке помпы.А это уже более серьезная поломка.
- Не крутит барабан. Здесь четко следует понятие «машина не стирает» и понятие «барабан не вращается» — разные. Причину, когда стиральная машина WHIRLPOOL заливает воду, но не запускает стирку, необходимо искать в двигателе. Возможно, слетел ремень и поэтому барабан не крутится или износились щетки двигателя.
- Не греет воду. Если стиральная машинка Вирпул долго стирает и в процессе стирки перестает греть воду, то неисправность находится в ТЭНе.Если же вода просто не греется, а стирка нужно искать в температурном датчике.
- Не включается. Одной из распространенных проблем в работе стиральных машин WHIRLPOOL является работа платы управления. Именно она отвечает за включение и отключение машины Вирпул. Как правило, это связано с залипанием электронного модуля, попаданием туда влаги.
Ремонт стиральной машины Вирпул на дому мастером
Все перечисленные проблемы в работе стиральной машины WHIRLPOOL требуют незамедлительной работы специалиста по ремонту.Мы производим ремонт электронных плат. Чаще всего мастер восстанавливает электронную плату. В 5% случаев, когда сгорает процессор, электронный модуль требуется заменить полностью. В любом случае — не отчаивайтесь! Звоните нам, мы приедем и решим Вашу проблему.
Ремонт стиральных машин WHIRLPOOL работа не из легких. Стиральная техника требует особенных знаний. Именно поэтому наши мастера постоянно проходят обучение на семинарах, изучают все особенности ремонта и диагностики техники WHIRLPOOL.А также ежемесячно проходят аттестацию, что позволяет нам оставаться уверенными в профессионализме наших мастеров!
Какие неисправности машин WHIRLPOOL можно отремонтировать своими руками?
Некоторые виды протечек связаны с невнимательностью покупателя. Вы не правильно подключили сливной шланг, установили лоток для стирального порошка или на крышке транспортировочные прокладки.
Причина неправильной работы стиральной машины WHIRLPOOL или ее отказом от работы может быть неправильно выбранный режим стирки.Чаще всего мы думаем, что можно не изучить инструкцию и разобраться в интерфейсе машины самостоятельно. В результате выставления параметров стирки наугад: машина WHIRLPOOL слишком долго или слишком быстро стирает, не замачивает или перенагревает воду и портит белье. Решением данной «поломки» является тщательное изучение всех параметров режима стирки.
Сильный шум, тряска или прыжки машины Вирпул во время стирки, полоскания или отжима чаще всего связано с неровным полом и как следствие — неправильной установкой.Для решения данной проблемы необходимо переставить машину на ровную проблему.
Избыток порошка в белье или появление пены чаще всего вызвано тем, что лоток для загрузки чистящих средств необходимо как следует помыть.
Для чего читать инструкцию стиральной машины Вирпул
В инструкции не только рассказывается, как эксплуатировать машинку и о режимах стирки, но и о том, как за машинкой ухаживать. Свременный прогон стиральной машины в «холостую» помогает уберечь внутренности от больших проблем.Также в инструкции тонкости обращения со стиральной машиной. Нередко бывает, что люди не дождутся, когда машинка отопителя дверку, выдирают ее. Кроме того инструкция поможет избежать вам поломок, которые не подлежат гарантийному ремонту.
Сервисный центр — мастерская по ремонту стиральных машин WHIRLPOOL Ярославль
Для того, чтобы осуществить не гарантийный ремонт без проблем, необходимо обратиться в мастерскую, в которой предоставляется выезд специалиста на дом.Транспортировка машинки в сервисный центр — дело затратное как по силам, так и по времени. Диагностика и ремонт на дому, или транспортировка силами мастерской по ремонту — вот что вам необходимо! Кроме того специалисты центра должны быть профессионалами своего дела и осуществлять ремонт стиральных машин Вирпул на дому в Ярославле и Ярославской области любой модели и производителя. Мастер должен четко понимать особенности каждой модели стиральной машинки Вирпул и особенности ее ремонта. Также мастерская должна иметь склад с запчастями для стиральных машин.
Ремонт, замена и продажа запчастей для стиральной машины WHIRLPOOL:
Электронные модули, клапана, фильтры, ФПС с проводом, щётки, конденсаторы, лопасти, гребёнки, манжеты, патрубки, петли, подшипники, помпы, насосы, пресостаты, ремни, ручки, сальники, Тены, амортизаторы, блокировки, датчики хола, двигатели , баки стиральных машин Вирпул и подставки под бытовую технику.
Наша мастерская отвечает всем требованиям. Мы предлагаем вам качественные запчасти от производителя, выезд на дом мастера и гарантию на ремонт по самой выгодной цене.
ОСТАВИТЬ ЗАЯВКУ
Ремонтируем все виды марок стиральных машин Whirlpool
ПОДРОБНЕЕ
AWM243-500
AWG336
AWG337
WG695
AWG874
AWM010
AWM01 1
AWMO 2
AWM015
AWM248
AWM381
AWM8 102
AWM8 42
AWM8 143
AWG 1036
AWM886
AWT2288 / 3
FL5058 / A
AWT5088 / 4-800
AWT2295
Ремонт стиральных машин Whirlpool (Вирпул) в Киеве
Сервис стиралок Whirlpool и дагностика от S.К.М
Мастера для ремонта машинки можно вызвать по телефону
Производство современной техники из года в год совершенствуется. Производители американской компании Whirlpool более ста лет делают для потребителей стиральные машины высокого качества, ищут новые технологии производства, усовершенствуют модели стиральных машин Whirlpool, но тем не менее, достаточно часто, в процессе эксплуатации, стиральная машина Whirlpool может выйти из строя.Без помощи мастеров сервис центра SCM не обойтись, мы быстро найдем причину неполадки и быстро определим почему Ваша стиральная машина Whirlpool вышла из строя.
Не важно, какой степени поломка, определить можно самостоятельно:
- -стиральная машина Whirlpool не включается,
- -не набирается вода в стиральную машину Whirlpool,
- -не нагревается вода,
- -постоянное отключение стиральной машины Whirlpool,
- -дверца или люк не закрывается,
- -не работает от стиражимльной машины Whirlpool или не вращается барабан,
- -высвечивается код ошибки и т.д.
Со всеми поломками можно справиться сервисного центра по ремонту стиральных и посудомоечных машин SCM.
Дело в том, что от поломки не защищена ни одна стиральная машина, даже если она от высококачественного производителя и соответствует всем техническим требованиям.
В процессе эксплуатации малейшая ошибка в игре по эксплуатации со стороны пользователя может вызвать неполадки. Ремонт стиральной машины Whirlpool лучше доверить профессионалам, по скольку человеку далекому от ремонта стиральных машин, не просто разобраться в сложных дорогих электронных блоках и в проводке.
Не рекомендуем Вам проводить сложный ремонт Whirlpool своими руками, если Вы, конечно, не мастер по ремонту стиральных машин. В такой способ вы подвергаете стиральную машину Whirlpool дополнительным испытаниям и саморемонт может добавить к дополнительным поломкам и соответствующим к дополнительным денежным тратам.
Только специалисты сервисного центра смогли благодаря специальному оборудованию, определить точную причину поломки и в кратчайшие сроки устранить её. Ремонт стиральных машин Whirlpool проводиться специалистами сервис центра SCM эффективно, быстро и не дорого.Уже через час-три, в зависимости от сложности поломки, Ваша стиральная машина Whirlpool будет снова верно служить и помогать по дому.

Обычно данную проблему самому устранить не представляется возможным – требуется обращаться в сервисный центр.






Резиновая прокладка будет немного мешать, но ничего не поделаешь
Осмотрите его. При растяжении и износе деталь подлежит замене.
Расположение панели управления.







Для этого необходимо просто открыть пробку и подставить таз.




Осмотрите его. При растяжении и износе деталь подлежит замене.

Ошибки: F10, F15, F26, F27, F28
Ошибки: F04, F05, F12
Ошибки: F18, Fod

