Буржуйки своими руками: виды и чертежи
Печь-буржуйка имеет очень простую конструкцию, но при этом достаточно высокую эффективность обогрева небольших помещений. Появившись в начале 20-го века, она до сих пор не теряет своей актуальности в тех местах, где не имеется возможности или необходимости обустраивать сложную систему отопления. Буржуйка идеальна для обогрева маленьких дачных домиков, гаражей, временных хозяйственных помещений, сторожек, рыбацких или охотничьих стоянок или туристических лагерей.
Содержание:
- Буржуйка на дровах — особенности / Чертежи
- Буржуйка из газового баллона / Чертежи
- Буржуйка из бочки / Чертежи
- Буржуйка из кирпича — печь «на века» / Чертежи
- Буржуйка на опилках / Чертежи
Буржуйки бывают самых разнообразных видов. В зависимости от металла изготовления выделяют чугунные и стальные печи. Если одной из функций буржуйки будет приготовление пищи, то целесообразно будет делать печь с варочной поверхностью. Печь-калорифер снабжена дополнительным кожухом вокруг корпуса, что способствует повышенной теплоотдаче. Существуют также газогенераторные печи – стальные конструкции, состоящие из двух камер: газификации и дожига. Такая печка может быть снабжена регулятором, что позволяет экономить на топливе. Кроме того, самодельные буржуйки различают и по материалу, из которого изготовлена их основа. Наконец, различают буржуйки и по топливу, которое используется для обогрева. Такие печи могут топить дровами, опилками, торфом или углем.
Буржуйка на дровах — особенности, преимущества, недостатки, чертежи
Самым популярным топливом для печки-буржуйки безусловно являются обычные дрова. Как правило, эти печки выполнены из металла или кирпича, причем, чем объемнее печь, тем больше она выделит тепла. Форма такой буржуйки цилиндрическая или прямоугольная. Единственное, что обязательно должно соответствовать определенным условиям – это диаметр дымохода. Он варьируется в диапазоне 80-150 мм.

Для дополнительной безопасности печи могут быть снабжены защитными экранами, стоящими на расстоянии 4-6 см от стенок буржуйки.
Любая буржуйка, использующая в качестве топлива дрова, должна иметь топку, а также поддувало, которое, помимо этого, предназначено для сбора золы. Печки такого вида должны быть снабжены колосниковой решеткой, на которую закладываются дрова, и кроме того, она служит для отделения золы от горящего топлива. Топка и зольник должны прикрываться дверцей для того, чтобы избежать задымления помещения и выскакивания случайных искр из камеры горения.
Необходимо помнить, что забивать топку дровами под завязку не имеет смысла, т.к. в этом случае в ней не останется места для конвекционного вихря, поскольку кислород внутрь топливной массы попадать не будет.
Для изготовления печи можно использовать старые газовые баллоны, стальные бочки, если толщина их стенок составляет не менее 3 мм., железные твердостенные трубы широкого диаметра. Кроме того, буржуйку можно выложить из кирпича.
Чертежи:

Необходимо помнить о пожарной безопасности, расположив печь на максимальном удалении от горючих материалов, избегать контакта раскаленной поверхности с деревом. Рекомендуется в месте установки печки постелить металлический лист, либо ставить её на бетонную поверхность.
Необходимо следить за герметичностью стыков, для того, чтобы избежать выхода дыма в помещение. Кроме того, такой дефект может ухудшить тягу и негативно сказаться на пожарной безопасности Имеет смысл подробнее рассмотреть наиболее популярные конструкции печек-буржуек.
Буржуйка из газового баллона своими руками
Такой вид печки отлично подойдет для отопления нечасто используемых хозяйственных помещений, бытовок или гаражей. Печь будет очень быстро нагреваться, давая необходимое тепло, но также быстро и остывать.
Буржуйка такого вида представляет собой корпус, сделанный из старого газового баллона, снабженный дверкой, дымоходом и поддувалом. Часто поддувало (т.е. щель, через которую воздух поступает в камеру горения) объединено с зольником. Дымоход для такой печи лучше делать ломанной формы, т.к. если он будет прямым, то большая часть тепла будет уходить очень быстро. Топливом может послужить любой горючий материал: дрова, уголь, отходы столярных работ. Это самый простой вариант буржуйки, поэтому для приготовления пищи такая печь вряд ли подойдет.

Перед началом работ по преобразованию газового баллона в буржуйку из него необходимо полностью стравить весь газ во избежание взрыва от попадания искры при использовании болгарки. Нужно также слить весь конденсат. Затем, баллон устанавливается вертикально и до верха наполняется водой, которая окончательно вытеснит из емкости все остатки газа. После слива воды баллон полностью готов к обрезке.
Можно сделать как горизонтальный, так и вертикальный вариант такой буржуйки. В любом случае, в первую очередь необходимо болгаркой срезать верхнюю часть баллона. Если печь будет в горизонтальной плоскости, то необходимо на отдельном листе металла наметить и вырезать круг по диаметру внешнего контура баллона. В этом же круге вырезаются 2 прямоугольных отверстия. Через одно из них будет осуществляться подача топлива, а другое будет использовано в качестве поддувала. Внутри приваривается арматурная решетка. Её ещё называют колосниковой. Она необходима для удержания верхнего твердого слоя топлива, а через её щели вниз опускается зола.
Чертежи:


К готовой крышке привариваются завесы и крепятся двери, полученная конструкция закрепляется на отверстии в верхней части баллона. Затем нужно прорубить отверстие для дымохода и приварить к нему толстостенную трубу.
Буржуйка из бочки: Чертежи, Фото
Ещё одна недорогая и быстрая в изготовлении буржуйка – это печь с основой из стальной бочки. Этот вариант даже проще чем печь из газового баллона, т.к. не нужно проводить комплекс подготовительных мероприятий (стравливание остатков газа, слив конденсата и т.п.).
Чертежи:

Итак, для начала работ нужна 200-литровая бочка с толщиной стенок не менее 3 мм. В ней болгаркой делаются надрезы, для того чтобы извлечь куски металла, которые впоследствии будут использованы в качестве дверок для отверстий подачи топлива и поддувала. Расстояние между проемами не должно быть меньше 10 см. К этим выемкам привариваются петли и на них вешаются дверцы. Рекомендовано снабдить дверцы запирающими устройствами – это поможет избежать задымленности помещения и обеспечит пожарную безопасность. Можно вырезать проем и для одной дверцы, но в этом случае он должен быть достаточно большим и внизу необходимо просверлить отверстия для хорошего доступа воздуха. Далее внутри крепится колосник из арматуры на расстоянии не менее 20 см от дна будущей печки. Верхняя часть бочки заваривается стальным листом, в котором вырезается отверстие для дымохода диаметром 10-15 см. Данная конструкция удобна тем, что верхняя часть печи превращается в своеобразную варочную поверхность, на которой легко разместятся кастрюля, сковорода или чайник.

К такой печи рекомендуется приварить ножки, для того чтобы её низ не соприкасался с поверхностью пола, особенно если такое соприкосновение может быть пожароопасным. Как вариант – поставить печь на кирпичи, или бетонную поверхность.
К недостатку такого вида буржуйки можно отнести её недолговечность, так как стенки бочки довольно тонкие и при интенсивном использовании печки могут быстро износиться.
Буржуйка из кирпича — печь «на века» своими руками
Главными достоинствами этого вида буржуйки являются хорошая аккумуляция тепла, большая теплоотдача, высокая пожарная безопасность. Кроме того, она безопаснее для человека с точки зрения вероятности получения ожога при контакте. Буржуйку из кирпича можно сложить как со специальной чугунной варочной панелью, так и без неё.
Если такая печка, будет располагаться на бетонной стяжке или хотя бы на толстых массивных досках, то под неё фундамент можно не заливать. В случае, если пол из тонких досок, то без этого элемента конструкции не обойтись.
Чертежи:

В этом случае необходимо демонтировать часть пола и вырыть небольшой котлован глубиной порядка 30 см. Дно котлована засыпается песком, сверху укладывается щебень средней фракции, поверх которого устанавливается арматурная сетка. Монтируется деревянная опалубка, в которую и заливается бетонная смесь с примесью щебня. Поверхность выравнивается и оставляется сохнуть как минимум на неделю.
Перед кладкой кирпича на бетон необходимо положить лист рубероида и сверху присыпать песком. Первый ряд кирпича лучше выложить насухо: так будет возможность выровнять его по уровню. С песком нижний ряд не скрепляется, раствор выкладывается только на торцовую часть кирпича. На втором ряду необходимо закрепить дверцу поддувала. Она ставится на слой густого глиняного раствора и через специальные ушки закрепляется проволокой. За дверкой необходимо сформировать поддувальную камеру. На третьем ряду монтируется колосник. На четвертом происходит формирование топки и дымоходного канала. Над четвертым рядом устанавливается дверца топочной камеры. Происходит это также, как и в случае с дверцей поддувала.

Варочную плиту целесообразно укладывать на 9-10 ряду, тогда же начинает формироваться дымоходная труба. Кладка дымовой трубы идет в 2-3 ряда, затем пристыковывается металлическая труба и выводится наружу. Необходимо позаботиться о жаростойкой изоляции в тех местах, где труба будет проходить через горючие материалы.
Готовой печи необходимо просохнуть, заниматься её отделкой сразу же не стоит, нужно дать ей поработать хотя бы сезон. После этого её можно покрыть декоративной керамической плиткой или же просто оштукатурить и покрасить.

Стоит отметить, что подобные печи не являются мобильными, переносить их в другое место крайне затруднительно, поэтому ставить такую буржуйку во времянках не рекомендуется. Подобная конструкция подойдет для садовых домиков или долговременных хозяйственных помещений.
Буржуйка на опилках: Особенности, Чертежи
Данный тип отличается большей экономичностью, по сравнению с печками, топливом для которых служат дрова или уголь. Кроме того, печка в процессе эксплуатации не требует постоянного присмотра и после загрузки опилок и розжига буржуйки, добавлять топливо не нужно в течение длительного времени. Идеально подходит для отопления теплиц, мастерских или разного рода бытовок.

Печь состоит из двух металлических цилиндров. Один из них, меньшего диаметра, вставляется в другой – он и послужит камерой для топлива. В днище меньшего цилиндра выпиливается отверстие порядка 50 мм с отбортовкой около 10 мм. Дымоотводящий патрубок располагается в нижней части внешнего корпуса. Зольный ящик сваривается из 3 мм стали, его необходимо снабдить дверкой.
Перед началом эксплуатации в отверстие камеры для топлива вставляется конусообразный деревянный сердечник высотой 50-60 см. Опилки засыпаются вокруг него и тщательно утрамбовываются. Это очень важный момент, поскольку опилки не должны интенсивно гореть, иначе топливо очень быстро закончится, а выделенное при этом тепло может быть излишним и кратковременным. Прокручивая, сердечник вынимают, а отсек для топлива устанавливается в печь.
Чертежи:
Розжиг производиться в зольном ящике. Для этих целей можно использовать щепки, стружку или бересту. Через щель произойдет постепенное возгорание опилок и когда огонь доберется до верхнего слоя, необходимо закрыть печь крышкой. Далее начнется процесс тления опилок, и печь будет работать самостоятельно, нагревая помещение равномерно и постепенно. При увеличении интенсивности горения, крышка может служить варочной панелью, на нё можно ставить кастрюлю или чайник.
В целом, не будет преувеличением сказать, что в определенных обстоятельствах печь-буржуйка может быть абсолютно незаменима. Её можно топить практически любым горючим твердым топливом или же просто опилками. У буржуйки, независимо от вида, довольно простая конструкция и, при наличии нужного инструмента и материалов, с изготовлением печки может справиться практически любой. Кроме того, это не займет много времени, а сама печь – очень экономичный, простой и надежный способ быстрого обогрева помещений.
Источник
sam.mirtesen.ru
Чугунная печь буржуйка: описание, достоинства фото
Чугунная армейская печь старого образцаБуржуйка из чугуна — универсальная народная печка
Несмотря на внешнюю простоту, чугунные печки оказались весьма удобным и экономичным источником тепла. А рассказы о том, что буржуйки необычайно прожорливы, распространяли те люди, которые не умели правильно ими пользоваться или вместо чугунной печки использовали стальную, зачастую сделанную из тонкой железной бочки.
Простая конструкция и легендарная «всеядность» чугунного отопительного прибора оказалась кстати для тех, кто временно проживал или работал в неприспособленных условиях: для строителей, военных, лесорубов и представителей прочих подобных профессий.
Применение буржуйки на даче для приготовления пищиБуржуйки верой и правдой несли службу в строительных вагончиках, железнодорожных теплушках и даже в обычных брезентовых палатках. Тепловой мощности этого агрегата хватает для нагрева большой комнаты, и уж тем более ее тепла достаточно для совсем маленьких помещений-времянок.
Впрочем, чугунные печи-буржуйки уже тогда активно применялись и для стационарного обогрева элитных квартир. Как правило, такие изделия отличались богатым украшением, отделкой, или изящным узором. Делались они не переносными, а стационарными.
В годы Великой Отечественной войны легендарные печи из чугуна прочно заняли свое место в землянках, палатках красногвардейцев, партизан, и даже квартирах обычных городских жителей. Во время блокады Ленинграда именно благодаря такому обогреву миллионы простых горожан смогли пережить лютые зимние морозы.
Какая печь лучше чугунная или металлическая
Чугунная буржуйка имеет много преимуществ перед железной. Тонкостенная сталь быстро нагревается и легко выносит внутреннее тепло наружу. Как только топливо сгорает — она очень быстро остывает.
Печь буржуйка из чугуна отличается долговечностьюВ отличие от стали толстый литой чугун имеет достаточно высокую теплоемкость, но более низкую теплопроводность. Иными словами — он не спеша нагревается, накапливает в себе тепло и, за счет своей теплоемкости, после сгорания всего топлива еще некоторое время отдает тепло.
Кроме того, часть тепла чугунные стенки отражают обратно в топочную камеру. Это создает идеальные условия для длительного горения и полного сгорания любого вида топлива.
В стальной печке для получения тех же условий приходится монтировать дополнительные теплоотражающие экраны. А чугуну экраны не нужны по определению.
Принцип работы буржуйки
«Буржуи», которые изобрели чугунные печи-буржуйки, на самом деле были инженерами, цветом технического потенциала тогдашней России. Где расчетами, а где и эмпирическими данными, они подобрали практически идеальное соотношение объема камеры сгорания к площади сечения вытяжной трубы.
Принцип работы буржуйки со спиральным отводом дымаГорящие газы в буржуйке постоянно движутся по кругу, попеременно обмениваясь теплом с чугунными стенками или пополняя свои горючие резервы продуктами пиролиза тлеющего топлива (печной газ). На каждом цикле отработанные продукты сгорания выбрасываются в трубу, а снизу поступает свежая порция печного газа.
При большем сечении трубы циркуляции не получится и весь выхлоп, включая недогоревшие газы, будет улетать на улицу. Применив трубу меньшего сечения, пришлось бы и камеру сгорания делать меньше, что ухудшило бы условия возникновения экономичного пиролиза. В общем, как ни крути, а пропорции классической чугунной буржуйки является идеальными.
Чертеж печи буржуйки для изготовления своими рукамиПоэтому и сейчас, в эпоху повсеместного газового или центрального отопления, печи-буржуйки пользуются все такой же популярностью. Сегодня, как и много лет назад, небольшие чугунные печи являются основным источником тепла для строителей, и военных в полевых условиях. В последние годы к ним присоединились многие владельцы отдаленных дачных участков, где эти печки стали единственным практичным средством защиты от холода не только в доме, но и в теплицах, летней кухне, или гараже.
Лучшие идеи, чертежи и советы о том, как сделать буржуйку для дачи своими руками, вы найдете в нашем материале.
Современные «красивые» буржуйки — недостатки и преимущества
Понятно, что все эти годы теплотехническая наука не топталась на одном месте, и современные модели буржуйки мало напоминают свой прототип. Дальнейшее совершенствование простейших печей шло по пути более эффективного сжигания топлива, роста экономичности, увеличения безопасности и автоматизации всех процессов горения. Кроме того, новые конструкции часто включают контур водяного отопления, что характерно скорее водонагревательным котлам, чем печкам.
Современная модель чугунной печиМногие современные чугунные обогреватели действительно представляют собой шедевры конструкторской мысли, и очень часто отличаются изысканной отделкой. Стеклянные дверки, многослойные стенки, специальные камеры дожигания — позволяют выжать из топлива максимум тепла, и при этом обеспечить в интерьере помещения особый шарм и уют.
Но стоит это прекрасное изделие гораздо больше чем старая буржуйка, оно требовательно к типу сжигаемых материалов, а также не является переносным. Простота и непритязательность конструкции классических буржуек из СССР по-прежнему играет им на руку. А некоторая простота и «дубовость» конструкции делает ее практически вечной, или как говорят в народе «неубиваемой».
Как отличить буржуйку из СССР от подделки
Энергетический кризис последних лет сильно отразился на качестве современного чугуна. Несмотря на стремительное развитие технологий, современные чугунные печи являются скорее изделиями декоративно-дизайнерскими, чем полноценными приборами для домашнего отопления.
В свете этого особую ценность приобретают именно старые, советские чугунные буржуйки, которые небольшими партиями появляются на рынке. Эти изделия долгое время пылились на складах военного НЗ (хранилища неприкосновенного запаса на случай экстренных ситуаций и военного положения в стране), а сейчас списываются по истечении срока хранения и реализуются через торговую сеть.
Буржуйки старого образца с военных складовТакие буржуйки легко отличить от подделок: для длительного хранения на складах настоящие военные буржуйки консервировались особым видом голубой глины или натирались специальным мыльным песком. Поверхность чугуна приобретала серо-голубой или желтоватый оттенок, а защитный слой надежно предохранял металл от ржавчины.
Кроме того, по действовавшим тогда стандартам, стенки печурки имели толщину 1 см. Современные подделки отличаются толщиной чугуна 8 мм, и менее.
Итог
Несмотря на современные высокие технологии, старые чугунные буржуйки не утратили своей актуальности. Их ниша — индивидуальное применение для хозяйственных нужд в местах, где подключение к газу, и электричеству экономически неоправданно, или невозможно технически. А если уж выбирать — то очень советуем найти армейскую буржуйку старого образца, которая послужит верой и правдой не только вам, но и вашим детям.
vsadu.ru
Буржуйка своими руками в гараж: чертежи, фото, видео
Чтобы в холодный период года выполнять какие-то работы в гараже или на даче, нужно организовать простейшее отопление. Зная, сколько нынче стоит электричество, большинство гаражных умельцев предпочитает пользоваться заводскими и самодельными обогревателями, действующими на дровах или масляной отработке. Задача нашей статьи – предоставить чертежи и подробно описать, как правильно сделать буржуйку своими руками для применения в гараже либо небольшом дачном домике.
Подбираем конструкцию печки
Поскольку на просторах интернета хватает чертежей обычных буржуек, мы предложим на выбор 4 оригинальных конструкции, одна из которых непременно подойдет для ваших условий:
- Двухходовая печь на дровах и угле, сваренная из листового металла.
- Вертикальный отопитель из газового баллона с воздушным или водяным контуром.
- Пиролизная печка длительного горения из баллона или трубы, установленной горизонтально.
- Капельница на отработке автомобильных и других масел.

Агрегат с двумя дымооборотами
Примечание. Отопительную печь также можно построить из керамического кирпича, о чем доступно рассказывается в этой теме. Подобный источник тепла неплохо впишется в интерьер дачи, но неудобен для гаража из-за размеров кирпичного строения, долгого прогрева и отсутствия мобильности.

Дровяной отопитель с воздушной камерой вверху
Теперь дадим ряд рекомендаций по выбору конструкции самодельной буржуйки:
- Если вы проводите в гараже немного времени (1—3 часа в день), то понадобится быстрый нагрев помещения, а его обеспечит вертикальная дровяная печка с воздушным теплообменником (вариант №2), представленная на фото. Благодаря вентилятору, прогоняющему воздух сквозь верхнюю камеру, она действует по принципу тепловой пушки.
- Тот же второй вариант сгодится для боксов больших размеров (стандартные габариты гаража — 6 х 3 м). Тогда воздушная камера превращается в водяной контур, подключаемый к регистрам отопления.
- Для постоянного обогрева стандартного гаража подойдет вариант №1 – эффективная двухходовая печь на дровах, либо №3 – агрегат продолжительного горения. Выбор зависит от наличествующего у вас материала: первая делается из пропанового баллона, вторая – из листового железа толщиной 4 мм.
- Тем, кто планирует сжигать для отопления отработанные масла, рекомендуется сварить из круглой трубы печку капельного типа (вариант №4). При желании и умении можно провести ее модернизацию — переделать в котел, изготовив водяную рубашку.

Двухкамерная пиролизная печка
Справка. Из популярных гаражных самоделок стоит упомянуть еще 2 конструкции: знаменитая печь — буржуйка верхнего горения Бубафоня и маленький отопитель из колесных дисков. Изготовление первой подробно описано в другой инструкции, второго – показано в видеосюжете:
Сборка эффективной буржуйки
Общеизвестно, что обычным железным печкам свойственен малый КПД (около 45%), поскольку значительная часть тепла уходит в трубу вместе с дымовыми газами. В нашей конструкции реализовано современное техническое решение, применяемое в твердотопливных котлах – установка на пути продуктов горения двух перегородок. Огибая их, газы передают тепловую энергию стенкам, отчего КПД становится более высоким (55—60%), а буржуйка – экономичнее. Принцип действия агрегата отражает чертеж – схема:

Для изготовления вам потребуется листовая низкоуглеродистая сталь 4 мм в толщину, кусок трубы Ø100 мм и металлопрокат для ножек и колосниковой решетки. Теперь о том, как сделать экономную буржуйку:
- Нарежьте заготовки из металла согласно чертежу и выполните проемы для дверец топливника и зольника.
- Сварите из уголков или арматуры колосниковую решетку.
- Из вырезанных частей изготовьте дверцы с запорами.
- Соберите агрегат на прихватках, а затем проварите швы всплошную. Поставьте патрубок дымохода и ножки.
Совет. Нижнюю перегородку, сильно нагреваемую пламенем, лучше сделать из более толстого железа – 5 или 6 мм.
Для лучшей теплоотдачи мастерами практикуется приваривание к корпусу дополнительных наружных ребер, как это сделано на фото.

Как сварить вертикальную печь из баллона
Данная печка-буржуйка отличается от подобных агрегатов наличием воздушной камеры, устроенной в верхней части и полностью изолированной от топливника стальной перегородкой. Внутри нее установлены теплообменные ребра, сквозь которые нагреваемый воздух продувается вентилятором. Для подачи холодного и выброса горячего потока в крышку встроены патрубки диаметром 40—50 мм, что и продемонстрировано на чертеже.

Примечание. Организация камеры подогрева воздуха в верхней зоне топливника позволяет отбирать теплоту продуктов сжигания, проходящих мимо нее в дымоход. Поскольку в вертикальной печи пламя охватывает всю порцию дров, происходит интенсивный нагрев воздушного потока в отдельном отсеке, благодаря чему температура в гараже быстро поднимается.

Первая операция – правильная разборка 50-литрового баллона из-под пропана. Чтобы вытеснить остатки сжиженного газа, необходимо вывернуть вентиль и заполнить резервуар доверху водой. После болгаркой нужно отрезать крышку (линия реза – заводской шов) и действовать в таком порядке:
- В боковой стенке баллона выполните прямоугольные проемы для зольной и загрузочной дверки и обрамите их стальной полосой толщиной 3 мм, как показано на чертеже. Вырежьте отверстие Ø100 мм под дымоходный патрубок.
- Изготовьте колосники съемного типа и установите их внутри корпуса на приваренные уголки.
- Сделайте дверцы зольной и топливной камеры, прикрепите к ним ручки и петли, а затем установите в обрамленные проемы.
- Вырежьте круг Ø30 см из металла толщиной 4 мм – это будет дно камеры. Приварите к одной его поверхности ребра из отходов металлопроката, после чего герметично состыкуйте его с топливником на сварке.
- В отрезанной крышке проделайте 2 отверстия и вварите патрубки для подключения воздуховодов. По готовности крышку установите на прежнее место (но теперь – над теплообменником) и тщательно пройдите стык сваркой.

Вертикальная буржуйка в гараж способна сжигать древесину различного качества и влажности, в том числе и опилки, а также подавать нагретый воздух в любую точку помещения, что актуально для теплиц. Вдобавок она может обеспечивать теплом радиаторы и регистры, если их подключить к патрубкам в крышке верхней камеры и заполнить систему теплоносителем.

Внимание! Чтобы избежать закипания воды и прорыва труб, нужно создать ее постоянную принудительную циркуляцию от насоса и поставить расширительный бачок открытого типа. В качестве теплоносителя используйте антифриз, ведь гараж не топится круглосуточно.

Изготовление горизонтального отопителя
Если стандартный пропановый баллон уложить горизонтально, а в торце устроить дверцу, то получится довольно вместительный топливник, куда войдут метровые поленья. Для лучшей теплоотдачи и дожигания образующихся пиролизных газов нужно сделать вторичную камеру с перегородками, как это показано на чертеже.

Дожигание горючих газов в данной буржуйке совмещено с отбором теплоты у продуктов сжигания, огибающих полусферические перегородки (вырезаются из корпуса баллона). Ну и непременный атрибут интенсивного теплообмена – наружные ребра из стальных полос – ставятся обязательно. Практика показывает, что подобная печка обогревает гараж площадью до 50 м² в режиме среднего горения, о чем рассказывается в очередном видео:
В изготовлении отопительный агрегат несложен: в передней части устанавливаются дверцы, а в задней прорезается отверстие, куда приваривается вторичная камера из трубы или второго баллона. Чтобы не отнимать полезный объем топливника, зольник делается навесным. При необходимости сверху горизонтальной части устраивается варочная поверхность.

Делаем буржуйку на отработке

Для эффективного сгорания масла воздух в печку нагнетается с помощью вентилятора, а отработка течет естественным образом из бачка, подвешенного к стене рядом с отопителем. Другой вариант – принудительная подача горючего путем создания давления в топливной емкости (например, ручным насосом).

В качестве корпуса печи может выступать как труба Ø219 мм, так и пропановый баллон диаметром 30 см. Изготовление масляной буржуйки своими руками – задача несложная, главное, правильно сделать отверстия и прорези в дожигателе и проложить топливопроводную трубку к чаше, установленной на дне. Полное руководство по сборке представлено в другой нашей статье. Ближе познакомиться с работой отопителя вы можете из видеоролика:
Заключение
Надо понимать, что показанные выше конструкции дровяных и масляных буржуек для гаража могут меняться и дорабатываться вами в процессе эксплуатации. В том и прелесть самодельных печек – они совершенствуются по вашему желанию. Пример: гаражные умельцы нередко делают внешний водяной контур на базе самоварного теплообменника, встраиваемого в вертикальный участок дымоходной трубы. Это дает возможность задействовать водяное отопление без вмешательства в конструкцию и переделки самой печи.
Самая эффективная буржуйка своими руками: 30 фото пошагового изготовления

Эффективная печь буржуйка с теплообменником, подробный фото отчёт по изготовлению буржуйки своими руками, а также видео печи в работе.
Металлический корпус любой буржуйки не накапливает тепло, а сразу его отдаёт, такая печка греет только пока горит топливо, к тому же при сгорании топлива довольно большая часть тепла вылетает в трубу дымохода вместе с дымом. Чтобы увеличить эффективность буржуйки, автор сделал дополнительный лабиринт для дыма и теплообменники.
Самодельная печь буржуйка, представленная в этой статье, работает более эффективно по сравнению с обычными простыми конструкциями, предлагаю посмотреть пошаговый фото всего процесса работ автора.
Из профильной трубы сварен воздуховод теплообменника для топки.

В газовом баллоне вырезаны проёмы под топочную дверцу и трубу воздуховода.


Вот так будет размещён воздуховод теплообменника для топочной камеры.



Колено трубы воздуховода заварили.

Далее автор изготовил вторую камеру печки.


Внутри верхней камеры вварена пластина создающая лабиринт для дыма.

Вид сверху.



Проём для прохода дыма.

Сверху камеру заварили листом металла.

На входе топки сверху приварена пластина чтобы при открывании дверцы дым не выходил в помещение, снизу также приварена пластина чтобы горячие угли не выпадали при открывании дверцы.

Из отрезанной части баллона сделана дверца для топки с регулируемой заслонкой подачи воздуха.


На петли установлена топочная дверка, с внутренней стороны на дверку приварена пластина отсекатель пламени.


В верхнюю камеру приварена трубы дымохода.

Для изготовления теплообменника для дымохода, автор использовал ресивер от ЗИЛ 130.




Теплообменник приварен поверх трубы дымохода, на одно из входных отверстий теплообменника будет установлен вентилятор по типу «улитка», так же само вентилятор будет установлен на трубу теплообменника топочной камеры. Вентиляторы будут гонять воздух через теплообменники и дополнительно обогревать помещение.


В процессе испытаний, отверстие для подачи воздуха в топку пришлось расширить.

Печь используется для отопления подсобного помещения в зимний период.

Рекомендую посмотреть видео где автор показывает весь процесс изготовления своей самодельной буржуйки.
Ещё одно видео: эффективная печь в работе.
sam-stroitel.com
Буржуйки для дачи дровяные
Большинство владельцев дачных домов и гаражей рано или поздно сталкиваются с проблемой обогрева помещения. Хорошо если строение подключено к центральному отоплению или есть возможность установки отопительного котла. Это оправдано, если вы проживаете в доме длительное время. А как быть, если планируется проживать в доме только в дачный сезон или на выходных? В этом случае отличным решением проблем с отоплением станет печь буржуйка.
Буржуйка — это наиболее оптимальный вариант для обогрева помещений с небольшой площадью. А, если такой нагревательный прибор снабжен варочной поверхностью, то на нем можно даже готовить или разогревать пищу. Буржуйка может работать как на твердом топливе, так и на отработанном машинном масле, а простота конструкции позволяет сделать ее своими руками.
Виды печей буржуек
Несмотря на относительную простоту печи, есть много типов буржуек, отличающихся конструкцией, материалом, стоимостью и так далее. В первую очередь необходимо определить длительность работы печки. Существуют буржуйки так называемого длительного горения, и которые будут отличным решением для дачи, особенно если планируется проводить на ней дачный сезон.
Наиболее популярным вариантом являются печки, сделанные из чугуна, но имеются и модели из нержавеющей стали. Конструкция буржуйки достаточно проста и представляет собой бункер из металла с топочной дверкой и патрубком для дымохода. Тем не менее, существуют печи и с двумя камерами сгорания.
Что касается используемого для буржуек топлива, то самым распространенным вариантом являются дровяные печи. Популярность таких моделей вызвана тем, что дрова достаточно доступный материал. Но самым дешевым вариантом буржуйки является печь, работающая на щепе и опилках. Конечно, есть печи, приспособленные для работы на отработанном машинном масле, однако, их конструкция наиболее сложная из всех остальных.
Чугунные буржуйки для дачи
В настоящее время заводские чугунные печки буржуйки выпускаются в широком ассортименте и помимо основных функций могут служить достойным украшением интерьера. Буржуйки можно протапливать дровами или любым другим твердым топливом и применяться не только для обогрева помещения, но и приготовления пищи, а также в качестве водогрейного котла.
Современная дачная буржуйка из чугуна в состоянии обогреть помещение площадью 50-60 м² при стандартной высоте потолков. Она вполне может составить конкуренцию камину или кирпичной печи. К тому же буржуйка довольно мобильна и может легко быть перенесена или перевезена в любое другое место. Единственный минус, чугунную печь буржуйку нельзя сделать своими руками в домашних условиях.
Печка-буржуйка из газового баллона своими руками
В настоящее время в интернете очень много чертежей буржуек самого различного вида. Большинство вариантов, конечно, сложны для восприятия и самостоятельной сборки, однако, давайте рассмотрим наиболее простые и понятные варианты.
Печь буржуйка, сделанная из газового баллона, может быть как горизонтального, так и вертикального исполнения. В любом случае перед началом работ следует выполнить соответствующую подготовку, чтобы исключить пожароопасные ситуации. Для этого необходимо сделать следующее:
- снять вентиль и выпустить из баллона остатки газа;
- перевернуть емкость и слить остатки конденсата в бак или ведро, не допуская попадания на пол;
- поставить баллон вертикально и наполнить его водой, которая вытеснит остатки газа;
- слить воду и баллон готов к изготовлению печки.
Горизонтальный вариант
В некоторых случаях горизонтальный вариант буржуйки предпочтительнее, особенно если топка печки будет выполняться дрова.
Последовательность действий
- верх газового баллона срезать при помощи болгарки;
- из арматуры нарезать куски необходимой длины для колосников и приварить их внутри емкости;
- в днище баллона вырезать прямоугольное отверстие, которое будет входом в отсек топки. Из отходов металла изготавливается топочная дверка, к которой привариваются петли и крепиться ручка. По периметру дверь желательно обклеить асбестовым шнуром;
- внизу баллона сделать отверстия, через которые из топочной камеры будет отсыпаться зола;
- под отверстиями для приемки золы установить стальной короб с дверцей;
- из уголка или отрезков труб сделать ножки и приварить их к баллону;
- сверху баллона прорезать отверстие и приварить на его месте дымоходную трубу;
- в верхней части баллона также можно приварить металлическую рамку, которая может использоваться в качестве варочной поверхности.
Вертикальный вариант буржуйки
Вертикальный вариант буржуйки хорош тем, что занимает меньшую площадь. Печь в изготовлении довольно проста, для этого необходимо выполнить следующие действия:
- разметить на баллоне места для дверц топки и зольника;
- болгаркой вырезать отмеченные отверстия и установить сделанные из металлических отходов дверки с петлями и ручками;
- в 10 сантиметрах ниже уровня топочной дверцы установить колосники из арматуры;
- к днищу баллона приварить ножки из металлического уголка или трубы;
- сверху или сбоку баллона сделать отверстие для дымохода, к которому приварить металлическую трубу.
На видео показан весь процесс изготовления печи буржуйки из газового баллона.
Кирпичная дачная буржуйка
В том случае если планируется использовать буржуйку на даче в качестве стационарной печки, то стоит облицевать ее кирпичом. Это даст возможность значительно увеличить теплоотдачу.Для такой печки основной кожух прямоугольной формы следует изготовить из листового металла толщиной 3-4 мм. В первую очередь свариваются между собой боковины и уже к ним крепят толстую крышку, колосники и днище. Дымоход рекомендуется выполнять из металла большой толщины. Готовую конструкцию обложить кирпичом.
Печь длительного горения

Подобная печь обладает очень важным преимуществом, а именно – печь не требует частой закладки топлива. Это достигается благодаря использованию пиролизного процесса. Горение топлива происходит в верхней части печи, причем процесс горения заменен тлением. Выгорание топлива длится до 60 часов.
Для изготовления печки длительного горения потребуется труба большого диаметра или стальная бочка и швеллер.
Процесс изготовления
- дно бочки срезается болгаркой, а кромка выравнивается и зачищается;
- из стального листа вырезается крышка, по центру которой делают отверстие под трубу диаметром 100 мм;
- сверху печки приваривают трубу для дымохода диаметром 150 мм;
- в нижней части трубы приваривают и укрепляют уголками круг, который по мере выгорания топлива будет опускаться вниз;
- под верхней камерой устанавливается специальный рассекатель чуть меньшего размера с отверстием посередине диаметром в 10 мм;
- труба монтируется в крышку.
Как растопить буржуйку
Может показаться, что растопка буржуйки довольно простое дело. Однако это верно в том случае, если Вы хотя бы раз сталкивались с печным отоплением. Если вы новичок среди кочегаров, то позвольте предложить подробную инструкцию. Итак:
- Бумага. На колосники необходимо положить скомканную бумагу (для этого подойдет любая газета).
- Хворост или лучина. В зависимости от того что у Вас есть, выложить растопочный материал поверх бумаги. Стоит учитывать, что хворост, каким бы сухим он ни был, разгорается хуже, чем лучина.
- Топливо. На хворост или лучину уложить пару маленьких поленьев. Какое бы топливо Вы ни использовали для буржуйки, дрова необходимы в любом случае. Даже такое топливо, как уголь, попросту не разгорится без дров, так как для этого ему нужна высокая температура.
- Поджиг и контроль. После того как все сделано можно запускать печь. Поджечь бумагу, при этом поддувало дровяной буржуйки должно быть открыто наполовину. Не стоит забывать, что тяга в такой печке регулируется только при помощи поддувала. Не рекомендуется закрывать его полностью, а лучше всего оставить небольшую щель. Не перегружайте сильно печь дровами и постоянно следите за силой тяги.
Буржуйка на опилках
Опилки, конечно, не самый лучший вид топлива из-за их слабого горения. Однако вследствие легкой доступности этого топлива, такой тип буржуйки также широко распространен, как и дровяная печь.
Конструкция печи состоит из двух металлических цилиндров разного диаметра. Цилиндр меньшего диаметра вставляется в больший и является камерой для топлива. В днище топливного цилиндра вырезается отверстие диаметром 50 мм и отбортовкой порядка 10 мм. Патрубок дымоотвода устраивается внизу наружного цилиндра. Ящик для золы сваривается из стали толщиной 3 мм и снабжается дверцей.
В отверстие внутреннего цилиндра вставляется сердечник конусообразной формы, изготовленный из дерева и имеющий в высоту 500-600 мм. Вокруг сердечника засыпаются опилки и хорошо утрамбовываются. Это делается для того, чтобы горение топлива было не слишком интенсивным. Вынув сердечник топливный отсек установить в буржуйку.
Розжиг опилочной буржуйки выполняется через зольный ящик с помощью стружек, коры или лучин. Огонь через щель воспламенит опилки и когда он дойдет до верхнего слоя печку следует накрыть крышкой.
Установка буржуйки на даче
При установке на даче или в доме буржуйки любого типа следует не забывать, что корпус печи все-таки металлический, а значит, нагревается довольно быстро и сильно. Печки из стали остывают быстрее, а чугунные буржуйки еще долго сохраняют тепло и поэтому они должны быть установлены в соответствии с правилами пожарной безопасности.
Установку буржуйки следует проводить на несгораемом основании, таком как:
- бетон;
- кирпичный постамент;
- лист жести;
- напольная керамическая плитка.
Абсолютно не допустима установка буржуек на:
- паркет или дощатый пол;
- ламинат;
- линолеум;
- ковролин или любое другое мягкое напольное покрытие;
- пластик.
Буржуйка должна находиться от деревянных панелей или стен на расстоянии не менее 1 метра. Участок дымохода, находящийся в помещении должен быть цельным без каких-либо соединений. Если же это по какой-то причине невозможно, то соединение должно быть выполнено с заходом нижней секции в верхнюю. Топливо размещается в стороне от топочной дверцы, чтобы возможные искры или случайно выпавшие угли не воспламенили его.
Вывод
Как Вы заметили, есть много вариантов печей буржуек для дач и гаражей, и порой они могут быть просто незаменимы. Такие печи можно топить практически любыми видами топлива и даже отходами. Благодаря простоте конструкции и при наличии соответствующего инструмента и материалов создать такую печь в домашних условиях не составит особого труда.
bouw.ru
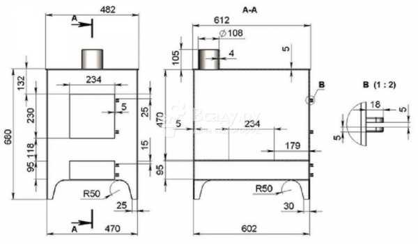
Буржуйки своими руками: виды и чертежи
Печь-буржуйка имеет очень простую конструкцию, но при этом достаточно высокую эффективность обогрева небольших помещений. Появившись в начале 20-го века, она до сих пор не теряет своей актуальности в тех местах, где не имеется возможности или необходимости обустраивать сложную систему отопления. Буржуйка идеальна для обогрева маленьких дачных домиков, гаражей, временных хозяйственных помещений, сторожек, рыбацких или охотничьих стоянок или туристических лагерей.
Содержание:
- Буржуйка на дровах — особенности / Чертежи
- Буржуйка из газового баллона / Чертежи
- Буржуйка из бочки / Чертежи
- Буржуйка из кирпича — печь «на века» / Чертежи
- Буржуйка на опилках / Чертежи
Буржуйки бывают самых разнообразных видов. В зависимости от металла изготовления выделяют чугунные и стальные печи. Если одной из функций буржуйки будет приготовление пищи, то целесообразно будет делать печь с варочной поверхностью. Печь-калорифер снабжена дополнительным кожухом вокруг корпуса, что способствует повышенной теплоотдаче. Существуют также газогенераторные печи – стальные конструкции, состоящие из двух камер: газификации и дожига. Такая печка может быть снабжена регулятором, что позволяет экономить на топливе. Кроме того, самодельные буржуйки различают и по материалу, из которого изготовлена их основа. Наконец, различают буржуйки и по топливу, которое используется для обогрева. Такие печи могут топить дровами, опилками, торфом или углем.
Буржуйка на дровах — особенности, преимущества, недостатки, чертежи
Самым популярным топливом для печки-буржуйки безусловно являются обычные дрова. Как правило, эти печки выполнены из металла или кирпича, причем, чем объемнее печь, тем больше она выделит тепла. Форма такой буржуйки цилиндрическая или прямоугольная. Единственное, что обязательно должно соответствовать определенным условиям – это диаметр дымохода. Он варьируется в диапазоне 80-150 мм.

Для дополнительной безопасности печи могут быть снабжены защитными экранами, стоящими на расстоянии 4-6 см от стенок буржуйки.
Любая буржуйка, использующая в качестве топлива дрова, должна иметь топку, а также поддувало, которое, помимо этого, предназначено для сбора золы. Печки такого вида должны быть снабжены колосниковой решеткой, на которую закладываются дрова, и кроме того, она служит для отделения золы от горящего топлива. Топка и зольник должны прикрываться дверцей для того, чтобы избежать задымления помещения и выскакивания случайных искр из камеры горения.
Необходимо помнить, что забивать топку дровами под завязку не имеет смысла, т.к. в этом случае в ней не останется места для конвекционного вихря, поскольку кислород внутрь топливной массы попадать не будет.
Для изготовления печи можно использовать старые газовые баллоны, стальные бочки, если толщина их стенок составляет не менее 3 мм., железные твердостенные трубы широкого диаметра. Кроме того, буржуйку можно выложить из кирпича.
Чертежи:

Необходимо помнить о пожарной безопасности, расположив печь на максимальном удалении от горючих материалов, избегать контакта раскаленной поверхности с деревом. Рекомендуется в месте установки печки постелить металлический лист, либо ставить её на бетонную поверхность.
Необходимо следить за герметичностью стыков, для того, чтобы избежать выхода дыма в помещение. Кроме того, такой дефект может ухудшить тягу и негативно сказаться на пожарной безопасности Имеет смысл подробнее рассмотреть наиболее популярные конструкции печек-буржуек.
Буржуйка из газового баллона своими руками
Такой вид печки отлично подойдет для отопления нечасто используемых хозяйственных помещений, бытовок или гаражей. Печь будет очень быстро нагреваться, давая необходимое тепло, но также быстро и остывать.
Буржуйка такого вида представляет собой корпус, сделанный из старого газового баллона, снабженный дверкой, дымоходом и поддувалом. Часто поддувало (т.е. щель, через которую воздух поступает в камеру горения) объединено с зольником. Дымоход для такой печи лучше делать ломанной формы, т.к. если он будет прямым, то большая часть тепла будет уходить очень быстро. Топливом может послужить любой горючий материал: дрова, уголь, отходы столярных работ. Это самый простой вариант буржуйки, поэтому для приготовления пищи такая печь вряд ли подойдет.

Перед началом работ по преобразованию газового баллона в буржуйку из него необходимо полностью стравить весь газ во избежание взрыва от попадания искры при использовании болгарки. Нужно также слить весь конденсат. Затем, баллон устанавливается вертикально и до верха наполняется водой, которая окончательно вытеснит из емкости все остатки газа. После слива воды баллон полностью готов к обрезке.
Можно сделать как горизонтальный, так и вертикальный вариант такой буржуйки. В любом случае, в первую очередь необходимо болгаркой срезать верхнюю часть баллона. Если печь будет в горизонтальной плоскости, то необходимо на отдельном листе металла наметить и вырезать круг по диаметру внешнего контура баллона. В этом же круге вырезаются 2 прямоугольных отверстия. Через одно из них будет осуществляться подача топлива, а другое будет использовано в качестве поддувала. Внутри приваривается арматурная решетка. Её ещё называют колосниковой. Она необходима для удержания верхнего твердого слоя топлива, а через её щели вниз опускается зола.
Чертежи:


К готовой крышке привариваются завесы и крепятся двери, полученная конструкция закрепляется на отверстии в верхней части баллона. Затем нужно прорубить отверстие для дымохода и приварить к нему толстостенную трубу.
Буржуйка из бочки: Чертежи, Фото
Ещё одна недорогая и быстрая в изготовлении буржуйка – это печь с основой из стальной бочки. Этот вариант даже проще чем печь из газового баллона, т.к. не нужно проводить комплекс подготовительных мероприятий (стравливание остатков газа, слив конденсата и т.п.).
Чертежи:

Итак, для начала работ нужна 200-литровая бочка с толщиной стенок не менее 3 мм. В ней болгаркой делаются надрезы, для того чтобы извлечь куски металла, которые впоследствии будут использованы в качестве дверок для отверстий подачи топлива и поддувала. Расстояние между проемами не должно быть меньше 10 см. К этим выемкам привариваются петли и на них вешаются дверцы. Рекомендовано снабдить дверцы запирающими устройствами – это поможет избежать задымленности помещения и обеспечит пожарную безопасность. Можно вырезать проем и для одной дверцы, но в этом случае он должен быть достаточно большим и внизу необходимо просверлить отверстия для хорошего доступа воздуха. Далее внутри крепится колосник из арматуры на расстоянии не менее 20 см от дна будущей печки. Верхняя часть бочки заваривается стальным листом, в котором вырезается отверстие для дымохода диаметром 10-15 см. Данная конструкция удобна тем, что верхняя часть печи превращается в своеобразную варочную поверхность, на которой легко разместятся кастрюля, сковорода или чайник.

К такой печи рекомендуется приварить ножки, для того чтобы её низ не соприкасался с поверхностью пола, особенно если такое соприкосновение может быть пожароопасным. Как вариант – поставить печь на кирпичи, или бетонную поверхность.
К недостатку такого вида буржуйки можно отнести её недолговечность, так как стенки бочки довольно тонкие и при интенсивном использовании печки могут быстро износиться.
Буржуйка из кирпича — печь «на века» своими руками
Главными достоинствами этого вида буржуйки являются хорошая аккумуляция тепла, большая теплоотдача, высокая пожарная безопасность. Кроме того, она безопаснее для человека с точки зрения вероятности получения ожога при контакте. Буржуйку из кирпича можно сложить как со специальной чугунной варочной панелью, так и без неё.
Если такая печка, будет располагаться на бетонной стяжке или хотя бы на толстых массивных досках, то под неё фундамент можно не заливать. В случае, если пол из тонких досок, то без этого элемента конструкции не обойтись.
Чертежи:

В этом случае необходимо демонтировать часть пола и вырыть небольшой котлован глубиной порядка 30 см. Дно котлована засыпается песком, сверху укладывается щебень средней фракции, поверх которого устанавливается арматурная сетка. Монтируется деревянная опалубка, в которую и заливается бетонная смесь с примесью щебня. Поверхность выравнивается и оставляется сохнуть как минимум на неделю.
Перед кладкой кирпича на бетон необходимо положить лист рубероида и сверху присыпать песком. Первый ряд кирпича лучше выложить насухо: так будет возможность выровнять его по уровню. С песком нижний ряд не скрепляется, раствор выкладывается только на торцовую часть кирпича. На втором ряду необходимо закрепить дверцу поддувала. Она ставится на слой густого глиняного раствора и через специальные ушки закрепляется проволокой. За дверкой необходимо сформировать поддувальную камеру. На третьем ряду монтируется колосник. На четвертом происходит формирование топки и дымоходного канала. Над четвертым рядом устанавливается дверца топочной камеры. Происходит это также, как и в случае с дверцей поддувала.

Варочную плиту целесообразно укладывать на 9-10 ряду, тогда же начинает формироваться дымоходная труба. Кладка дымовой трубы идет в 2-3 ряда, затем пристыковывается металлическая труба и выводится наружу. Необходимо позаботиться о жаростойкой изоляции в тех местах, где труба будет проходить через горючие материалы.
Готовой печи необходимо просохнуть, заниматься её отделкой сразу же не стоит, нужно дать ей поработать хотя бы сезон. После этого её можно покрыть декоративной керамической плиткой или же просто оштукатурить и покрасить.

Стоит отметить, что подобные печи не являются мобильными, переносить их в другое место крайне затруднительно, поэтому ставить такую буржуйку во времянках не рекомендуется. Подобная конструкция подойдет для садовых домиков или долговременных хозяйственных помещений.
Буржуйка на опилках: Особенности, Чертежи
Данный тип отличается большей экономичностью, по сравнению с печками, топливом для которых служат дрова или уголь. Кроме того, печка в процессе эксплуатации не требует постоянного присмотра и после загрузки опилок и розжига буржуйки, добавлять топливо не нужно в течение длительного времени. Идеально подходит для отопления теплиц, мастерских или разного рода бытовок.

Печь состоит из двух металлических цилиндров. Один из них, меньшего диаметра, вставляется в другой – он и послужит камерой для топлива. В днище меньшего цилиндра выпиливается отверстие порядка 50 мм с отбортовкой около 10 мм. Дымоотводящий патрубок располагается в нижней части внешнего корпуса. Зольный ящик сваривается из 3 мм стали, его необходимо снабдить дверкой.
Перед началом эксплуатации в отверстие камеры для топлива вставляется конусообразный деревянный сердечник высотой 50-60 см. Опилки засыпаются вокруг него и тщательно утрамбовываются. Это очень важный момент, поскольку опилки не должны интенсивно гореть, иначе топливо очень быстро закончится, а выделенное при этом тепло может быть излишним и кратковременным. Прокручивая, сердечник вынимают, а отсек для топлива устанавливается в печь.
Чертежи:
Розжиг производиться в зольном ящике. Для этих целей можно использовать щепки, стружку или бересту. Через щель произойдет постепенное возгорание опилок и когда огонь доберется до верхнего слоя, необходимо закрыть печь крышкой. Далее начнется процесс тления опилок, и печь будет работать самостоятельно, нагревая помещение равномерно и постепенно. При увеличении интенсивности горения, крышка может служить варочной панелью, на нё можно ставить кастрюлю или чайник.
В целом, не будет преувеличением сказать, что в определенных обстоятельствах печь-буржуйка может быть абсолютно незаменима. Её можно топить практически любым горючим твердым топливом или же просто опилками. У буржуйки, независимо от вида, довольно простая конструкция и, при наличии нужного инструмента и материалов, с изготовлением печки может справиться практически любой. Кроме того, это не займет много времени, а сама печь – очень экономичный, простой и надежный способ быстрого обогрева помещений.
sdelay.tv
буржуйки для дачи, чугунные печи буржуйки.
Печи-буржуйки появились в XIX веке и стали атрибутом городской квартиры представителя среднего класса. Нашим родителям они напоминают о садовых домиках, продуваемых ветрами, а для дедов и прадедов буржуйки являются символом войны — они дарили тепло и горячую пищу в окопах и в промерзших домах. Удивительно, но буржуйки не собираются уходить в прошл
На фото:
Буржуйка легко вписывается в интерьер современного дома.
Печь-буржуйка
Это небольшая металлическая печка для сжигания дров или иного твердого топлива (угля), предназначенная для обогрева помещения и приготовления еды, кипячения воды. В других странах этот прибор именуют комнатной или металлической печью. Свое странное название печь-буржуйка получила именно у нас во время Февральской революции 1917 года. И с тех пор ассоциировалась с разрухой и бытовой неустроенностью.
Современные печи-буржуйки являются высокоэффективными отопительными приборами, способными обогреть помещение площадью до 50-60 м² (не более) при высоте потолков около 2,5 м. В ряде случаев они с успехом заменяют традиционные кирпичные печи и камины, перед которыми имеют целый ряд преимуществ.
На фото:
Красивые современные буржуйки имеют мало общего со своими «дореволюционными» прототипами.
- Буржуйки для дачи. Печь-буржуйка находит свое применение и в коттедже, как дополнение к основной системе отопления. Многие отключают бойлеры летом и в межсезонье, однако в нашем климате летнее тепло — понятие условное, а экономичные буржуйки для дачи позволят быстро обогреть помещение. Теоретически можно установить буржуйки для дачи и в квартире, если по каким-либо причинам существуют перебои в теплоснабжении, но для этого необходимо получить специальное разрешение (что проблематично).
- Для поездок. Портативную печь-буржуйку можно взять с собой при выезде на природу или в экспедицию.
- Для приготовления пищи. Неоспоримым достоинством печи-буржуйки является ее многофункциональность — и дом обогреть, и пищу разогреть. Есть модели с варочной поверхностью, а некоторые даже оснащены духовкой. Все это делает печь-буржуйку незаменимой для дачных домиков (в которых не проживают постоянно, а приезжают на выходные), а также отдельно стоящих кухонь на садовых участках.
На фото:
Тепло от горячих стенок печи часто используют для приготовления пищи.
В чем разница между буржуйкой, камином и печью-камином?
Достоинство печи-буржуйки — быстрая растопка. Обычная кладочная печь прогревается в течение нескольких часов, а печь-буржуйка начинает отапливать комнату уже через 10 минут после розжига. Кроме того, благодаря системе распределения воздуха (конвекции) и другим новшествам (о которых речь пойдет ниже) ее КПД возросло от 15% (старые модели) до 80%. В результате по своим отопительным характеристикам печь-буржуйка не уступает хорошему большому камину и, в отличие от него, равномерно распределяет тепло вокруг себя.
Конечно, островные камины так же хорошо распределяют тепло вокруг, а печи-камины вообще выглядят как печи-буржуйки с большой топкой. Но все же есть очень важное отличие: камины и печи-камины в большей степени нацелены на любование живым пламенем в очаге, а основное выделение тепла идет посредством прямого излучения из топки. С появлением дверцы из закаленного стекла печь-буржуйка не исключает эту возможность, но по классификации она относится все-таки к печам (отапливает путем нагрева стенок).
На фото:
Печь — камин: гибрид буржуйки и камина с большой топкой (через которую можно любоваться огнем).
Декоративность. Современные буржуйки имеют привлекательный внешний вид и способны украсить любое помещение. Особой популярностью пользуются чугунные буржуйки в стиле ретро: с художественным литьем и патиной под старину (ими славится французский завод Godin — старейший производитель таких печей), с фаянсовой отделкой (Sergio Leoni). Выпускаются и чугунные буржуйки в современном стиле (Cheminees Philippe). Некоторые, даже отслужив свой срок, используются для декора помещения.
На фото: детали из фотопроекта Михаила Степанова.
Недостаток печи-буржуйки
Она практически не способна аккумулировать тепло: стенки остаются горячими, только пока топится печка. Потом они, выполненные из стали или чугуна, быстро остывают. Раньше печи-буржуйки оснащались прямым дымоходом (как камины), поэтому намного больше тепла уходило в трубу, чем передавалось к корпусу. В современных же моделях эта проблема решена: внутри их корпуса проходит двух-(и более) коленный воздушный канал, замедляющий движение газов и существенно увеличивающий теплоотдачу. Оснащены нынешние печи-буржуйки и функцией медленного горения, благодаря которой одной закладки дров хватает на 3-4 часа, воздух в это время проходит внутри топки и дымохода очень медленно, передавая практически все тепло на корпус.
www.4living.ru




